Fórum témák
» Több friss téma |
Fórum » LED-es clip áramkör
arról lenne szó minimális elektronikávaal szeretnék villogtatni 1 db ledet a ményládámban.
ehhez szeretnék segítséget kérni
Hello
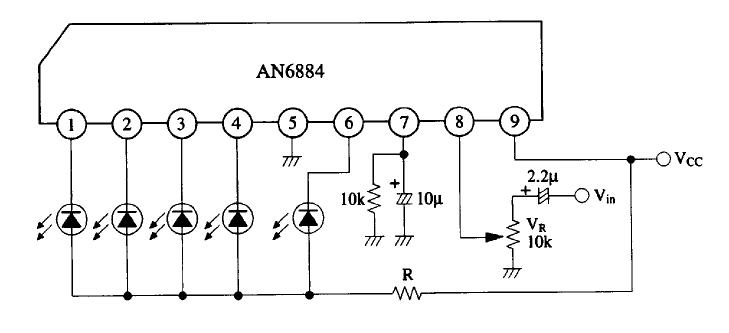
an6884 led vu meter ic.. 3cm*1.5 cm es nyákra elfér :yes::yes: ![]() ![]() ![]() igaz 5 ledes, de ha csak 1et raksz belle nincs semmi baj se sztem .nekem szerdán lesz meg vagy már holnap az ic.. üdv :yes: ![]()
jah de én csak nagyon primitív dologra gondoltam.
esetleg valami egyszerű tranzisztoros dologra egy ijen ic meg gondolom van vagy 1000 ft
Például olyanra mint ami a hangérzékeny neoncsövekben van.
Egy olyan jó lenne csak azt nem tudom hogy az hogyn műxik.
csak s szállítás sok pénz, de akkor nagyot tévedtem
köszi az árat![]() 1 ébként valaki adjon már tipet esetleg valamitranyós kütyüre ha nem lesz 5 let max megcsinálom az íc set
van tranyós is na..
de ha ez semm teccik akkor.... ![]() ![]() ![]() ![]() a t3,t4,t5,t6 tranyók és az ahhoz tartozó alk. rész nélkül lesz neked a jó, gondolom a t7 -es tranyó az már a mélyre fog villani :yes::yes: ![]() mic helyére hang forrás mehet sztem :yes: üdv
van tranyós is na..
de ha ez semm teccik akkor.... ![]() ![]() ![]() ![]() a t3,t4,t5,t6 tranyók és az ahhoz tartozó alk. rész nélkül lesz neked a jó, gondolom a t7 -es tranyó az már a mélyre fog villani :yes::yes: ![]() mic helyére hang forrás mehet sztem :yes: üdv
wery wery thx
még anyi hogy szerinted elég ha 1 db tranyót teszek bele? ![]() a led elé vagy mi vn ha hangra elhalványul a cucc![]()
Bocs, az előzőt összekutyultam.
![]() Csak arra gondoltam hogy mi lenne ha mély hangra ez a led esetleg elhalványulna. Érdekelne a dolog
döncsed el már, hogy mit akkarsz !
ezt akkarod(emlékeztető!): Idézet: „arról lenne szó minimális elektronikávaal szeretnék villogtatni 1 db ledet a ményládámban.” ![]() ![]() ![]() ![]() ![]()
elvileg azt hogy villogjon
![]() De az joban nézne ki a ha elhalványulna mély hangra csak gonolom az kicsit bonyolultabb iletve sokkal vagy nem ![]() de köszi a kivezérlésjelzőket is
hello én is ezt szeretném csak nem lehetne ho netán ritmusra villog ????
ja és ha lehet akkor rajzot tudna valaki küldeni va föltenn meg ho miket kéne venem !!!előre is thanks
led a hangfalba? ez egy rendkivül "értelmes" dolog! szerintem ennél már sokkal szinvonalasab lenne, ha egy monitor lenne a hangfalra kapcsolva és kirajzolná a kottát a zene ritmusára. egy másik szintén rendkivül kreativ megoldás lehetne, ha az erösitöre lenne kötve egy projektor ami zenehalgatás közben az erösitö adatlapját (különösen az alacsony torziási értékeket) kivetitené a falra. ettöl bizonnyára sokkal szebben szolna a motyo.
Szia Mindenki!
Lenne két javaslatom: 1. ez a cir1.jpg-n látható. Tom h, ez két led de ugyanazt fogják villogni. Ha ez mégis gond akkor ez egyik ledet cseréld kiegy 1N4007-es diódára. Az ellenállás értékével állíthatod be a villogási szintet. Előnye, h nem kell külön táp, hátránya, h nem igazán egy határozott villogásról van szó, hanem elhalványul, és kivilágosodik a zene amplitudójával. 2.A cir2.jpg. Ez már határozottabban villan fel. a villanási szintet a potival tod beállítani. Sztem ennél eccerűbben nem non fogod tudni megcsinálni. Egyébként az az egy led elég kevésnek tűnik jóval többre lesz sztem szükséged. Ha több ledet akarsz belerakni akkor a 2.-at épíítsd meg. Az ellenállásokat a használt teljesítménytől függően lehet, h át kell méretezni én (csak úgy példaképpen) 300W 4ohmon-nal számoltam. Ha úgy döntesz ezt építed szólj előtte. Remélem segítettem
sziasztok!
kérdésem a következö lenne: csinálok egy elég komoly 2X400W-os végfokot és szeretnék a kivezérlés jelzö mellé tenni egy piros ledet ami túlvezérlés esetén pislákolna (peak indicator) találtam egy rajzot hozzá de egyszer probáltam és nem csinált semmit... az lenne a kérdésem hogy nektek mi a véleményetek róla valahol én szurtam el vagy ,nem teljesen jó ez a rajz ? szerintetek? esetleg van van más rajz megöszönném. Üdv tetye
Háát?
Azt nem tudom, hogy ez mitől "peak indicator". Mert ez vagy valami, vagy megy valahová, ahogy mondani szokás. Egyáltalán a fogalom is tisztázandó. (mit szeretnénk?) Viszont a "Erősítőhöz való védelem, koppanásgátló!" topikkban éppen találsz egy ilyen fokozatot, amiről nem rég írtam, hogy hogyan működik. Azt olvasd el, és gondold meg az megfelelő-e neked. íha nem, akkor lehetőleg pontosan fogalmazd meg a követelményeidet, és megpróbálunk segíteni. üdv! proli007
köszi de ami ott van az nem jo nekem nekem már van védelem és igyaz az egyik kapcsolásban van egy clip led de az sem pont ugy müxik.
amire szükségem van azt pl az ágota ds600 as végfokon is láthato az kivezérlés jelzö ledek alatt értem ezt a régi ds600 ra annak a rajza nincs meg valakinek ha már itt tartunk lehet az jo lenne..
Sajnos, ezeket az erősítőket Én nem ismerem.
A "clip led", a túlvezérlést hivatott jelezni, nem csúcsindikátor. Ha ugyan arra gondolunk, hogy van egy kivezérlésjelző, ami kalimpál, és a pillanatnyi maximális kivezérlést jelző led (vagy más) egy időre égve marad, így jelezve a csúcs jelet. Ebben az esetben szerintem célszerűbb lekopertázni, valamilyen gyári spec IC-s kapcsolást. üdv! proli007
Elvileg működhet a rajz, de 1,25 v rms? A bemeneti 10k/1k2 osztás igen nagy ehhez...
Szimpla 15 voltról is mehet,csak az ellenállásokat kell felezni a led miatt, az R3-at esetleg csökkenteni 150k-ra ( érzékenység-2)... Kipróbálhatod erősítő nélkül is, mit csinál... 1., "hideg" ellenőrzés: zárd rövidre Q1 kollektorát az emitterrel, ekkor világítani kell a lednek; 2., ha van egy 1-2 k-s , 1-2 wattos potid, köss rá 24 volt váltót és a csúszkát a C1-re, az alját 0v-ra; mintha 50 Hz-es jelet kapna és max. 24x24/4, azaz 144 wattot jelent 4 ohm-on... ezzel hang nélkül ellenőrizheted dinamikusan.. Nyilván neked a 400 watthoz, x ohm-hoz kell beállítani az 1k2 módosításával, ha már így működik.
1/b., ... vagy üres bemenetnél a 10k bal oldalát felkötöd a tápra; addig világít a LED, ha OK minden.
Nekem is egy ilyen rajz kellett a múltkor de semmi hasznosat sem találtam.... Kitaláltam hogy lekoppintom a régi castone-ból abba kell egy tranzisztor meg pár ellenállás... Öszerakatam tökéletesen működik
Amiko a kimeneten eléri a táp fesz a led villog Ha érdekel felteszem a kapcsolást vagyis megajzolom
En ezt a rajzott hasznalom a 300W-os vegemben.Nekem bevalt nagyon!
Az 1k-s trimmer heli tipusu,azzal lehet finomitani. Jelen esetben 75V-os taprol uzemel,de az R3,R4 ellenallasokkal lehet mas taphoz beloni.
De latom maris hibasan rajzoltam be,mert a tranyo emiter-kollektor labat fel kell cserelni!
A tranyó fordítva van berajzolva! Vagy inkább az egész rajz fordítva (fejjel lefelé) van, kivéve a tranyót.
Mivel minden relativ,csak nezopont kerdese.Mivel negativ taprol van taplalva,csak a tranyo van forditva!
Legutóbb a germánium tranyós korszakban volt divat ez az irány. Persze rajzolhatod bárhogy, nem tilos, csak nem szokás.
Valójában a GND-ről van táplálva, és a negatív táp a közös pontja. |
Bejelentkezés
Hirdetés |





.

:yes:
köszi az árat











