Fórum témák
» Több friss téma |
Fórum » Digitális hangerőszabályzás (potméter)
Témaindító: Abrakadabra, idő: Dec 16, 2005
Találtam egy Integrált áramkör digitális potenciométert. MCP41100-E/SN Integrált áramkör Digital Potentiometer 100k
Bővebben: Link a harmadik oldalon van. Azt kérdezném meg, hogy vezérlek egy ilyet meg, mivel (feszültség,...), amennyire lehet szájbarágósan. Letöltöttem a pdf-jét, nehezen igazodok rajta... Ez ideális volna azt hiszem. Leegyszerűsítené a munkámat. Kérlek!!!
Az MCP41100 honlapja minden szükséges információt megad. Adatlap, alkalmazási mintapélda, tanácsok, programkód...
Az adatlap mellett az AN746 alkalmazási mintapéldát ajánlom szíves figyelmedbe.
SPI soros interfészen keresztül lehet küldeni neki az adatokat. Tehát szükséges hozzá egy mikrovezérlő. Normál potméterként használható. Érdemes egy aktív potmétert készíteni vele. Duál műveleti erősítő. A második fokozat erősítés szabályozva. Illetve még annyit, hogy nagyon pontos az együtt futása. A sztereo változata MCP42100.
Köszönöm!
icserny - neked is! (Remélem) fogok boldogulni az adatokkal. Interfésznek egy 555-ös kapcsolás megfelel, igaz? Azokkal dolgoztam. Kösz!
Hát én inkább PIC16F877-et javasolnék az 555 helyett.
Csatoltam egy programot, amelyet teszteléshez használtam. Az egész projektet MPLAB-ba be tudod tölteni. És mellékeltem az MCP42XXX adatlapját.
valaki tud nekem segiteni hogy hogyan tudok vezérelni egy digitális potit?
Idézet: „valaki tud nekem segiteni hogy hogyan tudok vezérelni egy digitális potit?” Ennyire információhiányos kérdés esetén nem tartom valószínűnek. Vannak ugyanis SPI, I2C, vagy csak egyszerűen le/föl számláló vezérlésű digitális potméterek, s vannak feledékeny és emlékező típusok. Az sem mindegy, hogy kézzel, távirányítóval, programmal vagy mi módon akarod vezérelni.
bocsásd meg hogy csak igy kérdeztem de enyit tudok rolla most szeretném kiprobálni az épitésekhet és csak a hestorbol szoktam dolgozni és az ottani példányok érdekelnének
Szia!
Még régebben írtál egy IC-ről, ami szerinted alkalmas lenne hangerőszabályzásra, konkrétan erről. Én megnéztem az adatlapot, bár sok mindent nem értek, de azt jól látom, hogy digitálisan kell neki jelet adni, amivel vezérlem a kapcsolást? Ha igen, akkor egy AVR-rel megoldható ez? mennyire számíthat bonyolultnak az elkészítendő program, ha én csak a fel-le-mute gombot szeretném vezérelni? köszi: lewi
Nos pl. egy 22kOhmos 25 fokozatú ellenállásosztónak a számítását levezethetnéd.
Nekem van egy TC9153AP ic-m nagyon régről. Mostanában kutakodtam a fiókomban és kíváncsiságból megkerestem a neten, hogy mit is tudhat ez a kocka. Ez egy digitális hangerőszabályzó
. Mi a véleményetek róla? valaki használt ilyet?
Üdv!
Van valakinek tapasztalata a TDA7440 jelű IC-ről? A tudásához képest elég olcsón láttam, édekelne, hogy milyen minőségű jelet produkál. Valamintezt hogyan kell bekötni? Csak mert szólótápot kap, de a hangforrások meg általában szimetrikus jelet adnak, és úgy tudom, hogy a bemenő jelnek nem szabad kívül esni a tápfesz tartományon.
Hali szerintetek elég lenne egy 50kohm-os digit poti
hangerőszabályzáshoz? a fajtálya ds1669 50+
Feszültség osztás miatt 10k-től 100k-ig minden jó.
Hali ez a kapcsolás jó ehhez a ic-hez is DS1669+50?
Igen. De ha nem vagy benne biztos, akkor google-ds1669 datasheet, és ott lesz ajánlott kapcsolás.
Digitalis hengeroszabalyzasra lehet egy "digitalis" potmetert epiteni .Ez abban az esetben OK ha nem talalunk megfelelo erteku digitalis potmetert keszen vagy nem tudjuk soros vezerlest megvelositani ( akarmilyen okbol kifolyolag).
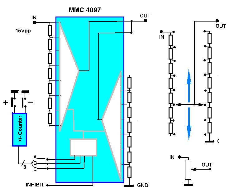
Rajzoltam ket kapcsolast annak erdekeben hogy az erdeklodok tudjak mit keressenek a netten . Tehat csak az "elkepzeles" van blokszeruen vazolva . Mind a ket kapcsolast analog transzfer kapukkal van megoldva ( analog kapcsolok) ' Az egyiknel a visszacsatolo halozat van digitalissan vezerelve amivel 256 diszkret erositesnivot lehet beallitani egy 8 bit-es kod szerint. A masik kapcsolas a MMC4097 egy 8 allasu potmeter kapcsolas .Az ellenallas ertekek megfelelo megvalasztasaval kulombozo lepesekbe hatarozhatjuk meg a leosztott kimenofeszultseg nagysagat.es lehet logaritmikus vagy linearis a valtozas .A kapcsolast ha valtoaramba hasznaljuk i a bemenetet es a kimenetet egy egykondenzatoron keresztul kell kapcsolni. Van ilyen "transfer port" amelyik +/- tapfeszultseggel mukodik ennel megengedheto a kondenzator nelkuli kapcsolas valtakozo aramhoz.Peldaul a MMC4051 amit -10V /0/+15V lehet taplalni .ez is 1:8 vagy 8:1 DEMUX /MUX . 20Vpp . A vezerlologikat le lehet masolni sok kesz kapcsolasbol . A lenyeg egy binaris reverszibilis szamlalo ami a gombnyomasokat szamolja .Megoldhato a le es felfele szamlalas . Mivel binaris koddal megy a vezerles ezt akar memoralni is lehet egy RAM-ba aminek kulon tapegysege egy kis akumulator.Igy lehivhato az elore rogzitett "pozicio". MMC 4051/4052/4053 adatlap
Sziasztok !
Találtam papíron egy kapcsolást 400 dpi-vel beszkennelve belefért a 2 Mbps-es limitbe. Ez működőképes lehet ?
[off]Ha beszkenneled a képet, utána nyisd meg egy képszerkesztő programmal (pl. irfanview ), mentsd el másként, ekkor be tudod állítani a kép méretét. Ha beállítod az egyik oldalt kb. 1000-2000 px szélesre, akkor biztosan látható lesz a kép. A másik oldal arányosan fog méreteződni. Próbálgatni kell, hogy mekkora kép az, ami kiolvasható, de nem zavaróan nagy méretű. Tömörítésnél pedig bőven elég egy 80-90%-os JPG, így 100%, hogy nem lesz nagyobb a kép 2MB-nál! A fentebb ajánlott ingyenes programot kipróbálva érthetőek lesznek a tanácsok! És a legfontosabb: ha már átméretezted a képet, mikor feltöltöd HE-ra, akkor állítsd át a méretezést a válasz küldése ablakban, különben ilyen kicsi kép fog megjelenni... [(off]
Ebben a kapcsolásban több hibát is találtam , de valószínűleg csak elrajzolták , mert tudom mire gondolt a szerző. Egyébként sokkal jobb megoldás a diszkrét ellenállás osztó + analóg multiplexszer , mint a Dallas , Maxim , stb hangerő szabályozó ic-k.
Lásd Van Den Hul bácsi is a több milliós előerősítőjében ilyen osztót használ, csak a multiplexer helyett szubminiatűr relék kapcsolják a kimenetre a jelet. Evvel a módszerrel bárki készíthet tetszőleges lépésszámú h.szabályzót, ami mellesleg ellentétben minden potméterrel és ic-vel , nem rontja vissza számottevően a hangminőséget.
Hali!
Csinálok egy kis 2x50W-os erősítőt és nehogymár oda menjek az erősítőhöz ha hangosabbra ill. halkabbra akarom venni Tehát a terv egy egyszerű IR távrinyálós (hamár PIC-ezek..) hangerőszabályzás. Olvasgattam a digipotikról, pár témát cakkon át is néztem Sokan szidják a DS icákat, meg hogy csak LM1036-al jó (amit értek is hogy miért), én meg nem akarok semmi hangszínszabályzást (max valami egyszerű tranyósat). Meg az IC csak rontja szerintem a hangminőséget. Találtam itthon valamilyen erősítő alkatrésztemetőjében egy (sőt kettő) LC7533 digitális hangerőszabályzó IC-t. Gondolom ez tökéletesen megfelel a célra, pláne hogy egy ilyen IC két csatornát tud vezérelni egyszerre. Jól gondolom?
Szia!
Nagyon tanulságos az lc7533 adatlapja. Ha egy műhely erősítőt akarsz építeni, abba talán megfelel , de komolyabb hifi/ high end alkalmazásba szóba sem jöhet. Egy valamire való erősítő torzítását 10-20 szorosára emeli, nem is beszélve a túlvezérelhetőségéről / befogásáról.
Ha csak hangerőt akarsz (és PICezel) akkor miért nem jók azok a változatok amiket én már próbáltam? Bővebben: Link Illetve a hozzá tartozó topic: Bővebben: Link
A PGA2311-ra gondolsz?
MO-n nem nagyon lehet kapni ha jól látom, szóval gondolom nem párszáz Ft, meg ugye a posta is sokat dob rajta
Tökéletesen tok és funkció kompatibilis vele a Crystal CS3310, és az is professzionális hangerő szabályozó ic, őt kapni lehet ráadásul.
Hali!
Van ez a PGA2311-es digitális hangerőszabályzó IC. Az adatlapban a tápellátásról ezt írja: Idézet: „POWER SUPPLIES: +-5V Analog, +5V Digital” Mellékelem a bekötési rajzot. A kérdésem: mi az a digitális meg analóg +5V? Most csináljak két +5V-ot? Vagy csak azt jelzik hogy a digitális +5V az tokon belüli elektronikának kell, az analóg +5V pedig a tokon belüli hangfrekvenciás áramkörnek,de ha lehet azonos a forrás akkor miért nem kötötték össze a tokon belül? Szerk.: meg ugyanez a helyzet a GND-vel is...
Hali!
Minden bizonnyal azért van külön a két táp, hogy a digitális rész ne okozzon zajt az audio részben. Végfok IC-k esetében is szokták ezt alkalmazni, azonban elvileg össze is kötheted. Ugyanez a helyzet a GND-vel is, azt is össze kötheted, de ez látszik is a rajzodon... Mindenesetre, ha tökéletes minőségre törekszel, akkor a + tápot külön kösd, szűrd, stb. Ha pl. stab. IC-ről akarod használni, akkor két külön stab.
Értem, akkor összedobok egy stabkocka-temetőt
Köszi a választ! |
Bejelentkezés
Hirdetés |




. Mi a véleményetek róla? valaki használt ilyet?









