Fórum témák
» Több friss téma |
Sziasztok! Gondoltam, nyitok az amatőrök számára egy Működik e? című topikot.
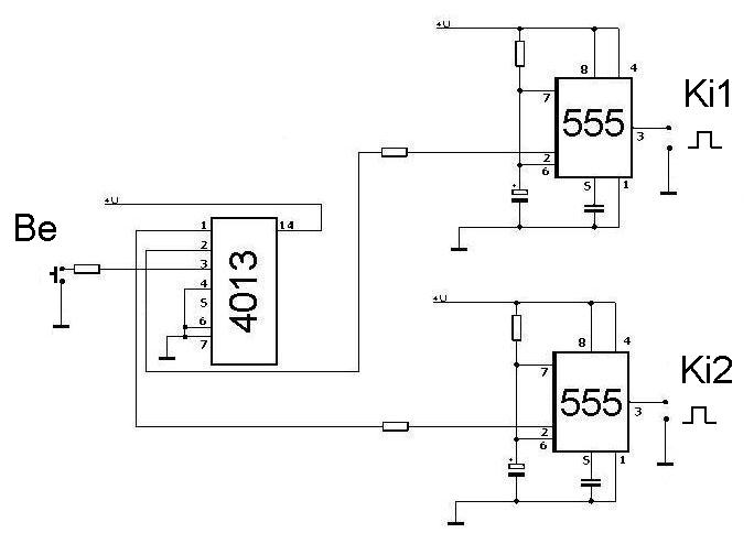
Ide mindenki feltehetné az általa tervezett dolgait és még a megépítés előtt "több szem többet lát" alapon kiderülhetnek róla esetleges hibák. Remélem, működni fog a dolog. Itt is lenne az első kis kapcsolás, gombnyomásra kellene a Ki1 és Ki2 kijáraton kb 1másodperces pozitív szintnek lennie felváltva. Tehát, egy gombnyomás=Ki1 1másodperc pozitív, mégegy gombnyomás=Ki2 1másodperc pozitív, és így tovább. Egy monostabil és két bistabil kapcsolásból szerintem megépíthető... ha valakinek van jobb ötlete, vagy hibát talál ezen, kérem jelezze. Üdv: enree
Opsz, elrontottam, egy bistabil és két monostabil...
4013 3.láb 10k felhúzó ellenállás ny.gombbal párhuzamban legalább egy 100n prellegés miatt.
Így gondolod?
Egyéb észrevétel?
Hello!
... Valamint a 4013 D lábát a Q negáltra kell kötni, hogy tényleg bistabil legyen. (A bemeneti sors ellenállás felesleges) Az 555 trigger bemenete nem kaphat állandó logikai magas alacsony szintet, mert addig a kimenete magas. Tehát egy differenciáló tagot kell elé tenni. (Egyéb iránt az IC lábszáma helyett érdemes lenne inkább|még a funkcióját beírni, hogy ne kelljen kitalálni a bekötését a rajz értelmezéséhez.) üdv! proli007
Köszönöm
![]() De elmondod ezt úgy is, hogy én is megértsem? ![]() mezijúzer ![]() előre is köszi ![]()
Igen.Az első varjáció csak 0-ba billentené szerintem, mert
a CMOS bemenete nagyimpedanciás.1 állapotba csak valami zavar miatt ugrana.Gomb után szeretnek még Schmittriggert (40106)használni mert az konkrétan megadja neki a logikai szintet.
Hello!
Nem gondoltam, hogy ez gond.. - A 4013 5. lábát a 2. lábára kell kötni. - A 3. lábbal soros ellenállás nem kell. - Az 555 2. lábát, egy ellenállással kell a 8. lábára (tápra) felhúzni. - A 4013 1-es és 2-es kimenetéről egy-egy kondival kell a jelet csatolni a megfelelő 555 2. lábára. - A 4013-nak Set-vagy Reset jelet is lehetne biztosítani, hogy a kezdeti alapállapot biztosítva legyen. (honnan indul bekapcsoláskor) Azaz pld. 4. Reset lábat egy kondival a tápra kötni, és egy ellenállással a GND-re. üdv! proli007
Megnézed, hogy így jó e?
-Mekkora ellenállással kell fölhúzni tápra az 555 2. lábát? -Milyen legyen a csatolókondi? köszi: enree
Mondjuk, most nézem, hogy az 555 2. lába idáig is tápra volt húzva... nem? Csak még össze volt kötve a 7. el is... akkor az úgy jó volt?
Hello!
- 10kohm/10..100nF bőven megteszi. - De elnézted, mert a 6. és 7. láb van összekötve és megy az RC időzítő tagra. Tehát a 2.-es lábra megy az új ellenállás és ide jön a kondi is. üdv! proli007
555 2.láb felhúzó + kondit lehagytam véletlenül
555 kimenetre is kell ellenállás mert az életbe se nyer szuflát az 555 3. és gnd között
Na, mostmár sínen vagyunk, mint József Attila, ha az értékekben még tudnátok segíteni, az jólenne
![]() Nyugi, összerakni én fogom
szerintem működni fog.10µF vagy az ellenállással tudod az időt módosítani
Hello!
Hát ez nem így van, az 55-nek Totempoole kimenete van, így fel és lehúzni is tudja a kimenetet. Annyi a differencia, hogy magas szintnél sokkal nagyobb a maradék feszültsége. A 7. láb, az már nyitott kollektoros... üdv! proli007
Ejjha
![]() Akkor most mi a Manót csináljak? Ez jó lesz akkor még evvel "- A 4013-nak Set-vagy Reset jelet is lehetne biztosítani, hogy a kezdeti alapállapot biztosítva legyen. (honnan indul bekapcsoláskor) Azaz pld. 4. Reset lábat egy kondival a tápra kötni, és egy ellenállással a GND-re." kiegészítve? Egyébként, köszi mindkettőtöknek
Szia!
Igazad van. Megnéztem az adatlapján, nekem úgy rémlett régebről hogy nem indította a relét.
Vagyis akkor? Az utolsó kapcsolás mehet a leírt kiegészítéssel? És akkor a relé 3. és föld, vagy 3. és tápközé menjen?
Hello!
Már csak azért is a földre, mert akkor állandóan húzni fog a relé, míg meg nem nyomod a gombot. De kis áramú relét tegyél. Ha nincs, akkor meg még egy tranyót bázisellenállással. üdv! proli007
Ok, köszönöm, amint lesz időm összerakom és beszámolok.
Kösz még egyszer. E.
Hello!
És hogy kívánságod szerint, legyen valami alternatíva is.. üdv! proli007
Szivesen,de most nagyon egyet értek proli007 rajzával.
Nemrég kellett csinálnom az elején látható bistabilt egy autó ködlámpa gombjához és nagyon bevált. A piezogyujtó kattogtatása sem zavarta be.Ezt érdemesebb összeraknod és 1 IC-ből meg van oldva. :yes:
Hello! Mielőtt az ember mindenféle PIC programozásában elmerülne, érdemesebb ilyen egyszerű de nagyszerű megoldásokat eszközölnie. :kalap:
Nagyon tetszik, azt meg tudod mondani, hogy bekapcsoláskor milyen állapotot vesz fel?
|
Bejelentkezés
Hirdetés |












