Fórum témák
» Több friss téma |
Nem. Öreg vagyok én ezekhez a modern csacskaságokhoz. Én a soros portban hiszek , esetleg az USB-ben.
Szia Én előszőr is azt kérdezném, milyen auton probáltad?! (gyártó, tipus, évjárat) Nekem is vólt egy "kékfüles" Elm-Scan-om és bízony elég sokat vesződtem vele. Aztán rájöttem - egy kis segítséggel - hogy bízony nem minden az aminek látszík!
Háááál isten egy haverom meglátta, és elkunyerálta! Azthiszem én is maradok a jó öreg soros vagy max. az USB-s csatlakozású interfaces-ek mellet! Ja és még valami! Egy VW-s progi, igaz Lengyelül, de jó!
Szeva mindenkinek! Már kérdeztem, - és már nagyon sokszor megpróbáltam letölteni, de sajnos nem tudtam! - de még egyszer megkérdem, hátha valaki tud segíteni.
Ezt a progit FiatDiag keresem! Nincs meg senkinek?!
Megvan de nem tudom ide kitenni mert csak 2 mb -ot engednek.
Na neeee! Most ugye nem csak ugratsz?! Cakkon-puder , komplett? (kreck, stb) Data.hu-ra feltöltöd? Vagy Email-ra elküldöd?!
Ide feltettem. http://www.rapidshare.ru/1238300
Kicsomagolod és utánna elinditod a loadert és ezek közül a kulcsok közül az egyiknek jónak kell lennie.Nem mindenkinek ugyanaz a kulcs jó. C2E379C7-2BAE65AD-5D261A16-5BC68F28 D09C8F0A-5DB6BCCB-98E10F66-87E9E0BC 714F116D-B7B217BE-1EC3A5DD-DC20F656 524A3A70-CF217EF8-09E9F05F-90EDFB88 0779BD0F-3A50891B-A8F2B03E-1B7315EE :no: Nem egésszen eről a progiról lenne szó! Ez nekem is megvan! (Igaz egy régebbi verziója.) Azért nagyon köszönöm! Amit Én keresek az a FIAT Diag - nézd meg a következőFIAT DIAG SCREENSHOT-ot.Ezeknél van Opel, Renault, Merci progijuk is ! ...na ezeket kéne megszerezni valahogy ! Én egyszer irtan már nekik egy rövid kis levélkét. Megérdeklődve, hogy ugyan mennyiért adnák?! ...de semmi válasz!
Itt van egy ujabb verzió http://www.rapidshare.ru/1238374 telepited abba a pápkába ahova az előzőt bemásoltad és már loader nélkül is dolgozik.
Teljesen felcsigáztál.
Rengeteg progival próbálpkoztam de sajna kevés sikerrel. Leginkább a scanmaster ppc lenne a tökéletes de nem bíírom megszerezni sehol. Amik működnek (pl. OBD GAUGE, OBD2007) sajnos csak részinfókat szednek ki mert obd2 es protokolt ismernek. Nekem olyan kéne ami ISO 9141-2 protokolt ismer mivel a kocsim egy 2002 Skoda Octavia Turbo. Ha bármilyen további szoftverrel tudtok segíteni ami PDA-n fut nagyon hálás lennék.
Kedves Hari
Ezt progit leszedtem, de ez nem Windows Mobile alatt fut. Nekem windows mobile-os cucc kéne. Olyat nem tudsz véletlenül ? Esetleg a haverod aki lenyulta ??? Előre is kösz.
Hűűű ...bakker micsoda igények!
Igérem megnézem. Egyébként az a Lengyel progi bárki számára letölthető az oldalukon - csak igy egyszerűbb vólt .
Szevasztok.
Azzal a kérdéssel fordulok hozzátok, valaki segitsen már hogy Citroen Xsara l-hez milyen interface és szoftvert tudnánk használni.
Sziasztok.Ha valaki tud,kérem segítsen nekem.Van egy opel astra 1.7 tdi tip autóm,és ehez szeretnék komunikációs kábelt csinálni,a pc soros csatolójára.eddíg sajna nem sok eredménnyel.Ha vki tud segíteni naon megköszönném.
Hmmmm! ....ez visszatérő téma itt!
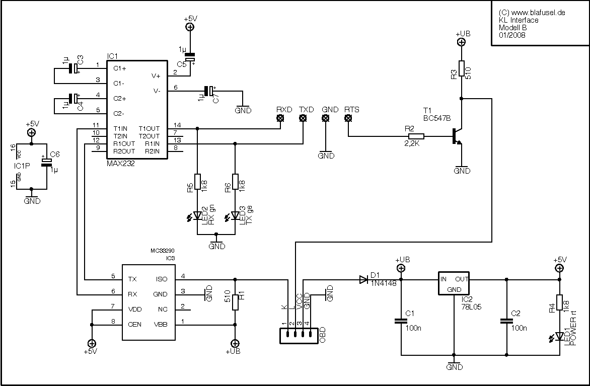
Egy kicsit bővebb infót légyszi a gépről! ...mondjuk az évjárat, motorkód.Az opelekhez általában elég egy sima KKL illesztő, de ha nem akarsz vacakolni a lábakkal akkor, OPEL Tech 2 COM ezt ajánlom. ...18e ez sok v. kevés ?! sima KKL illesztő 6-8 e.Ha minden áron építeni akarsz, egy kicsit visszalapozól és találsz rajzokat.
Pl.: - ez is egy lehetőség.
Hoppá! ....na igy lehet, hogy jobban kivehető!
Bocsi, de kicsit elfeledkeztem rólad.
...na ezt a WBH diag progit probáld letölteni, ez tuti, hogy megy, és mindet tud a VW csoporton belül. ( Teljesen KTS rendszerű, csak kicsit egyszerűbb! ) Na hajrá! Torent RapidShare
Sziasztok!
KW71-es és a KW1281-es protokollról szeretnék kicsit többet megtudni, s ebben kérném a segítségeteket. Inicializálás, időzítések, kommunikáció... stb. Mi a két protokoll közötti különbség? www.google.com -on keresgéltem leírásokat, de nem jártam sikerrel.... Esetleg nincs meg valakinek a szabvány leírás? Minden segítséget előre is köszönök!
Szia! ....nagyon hosszú lenne! Itt nézd meg! ha itt nem találod meg, nyugodtan kérdezd emailban!
jobb később mint soha. DE ez WM progi ? Amúgy sem a rapidshare sem a torrentes oldalon nem letölthető a megnevezett progi
.Fájlnevet nem tudsz, hátha ki van idexelve valahol...
Sziasztok!
Nem készített valaki PWM-es kábelt Fordhoz véletlenül?
A francba! Most semmi sem mükszík! Amugy a progi neve: WBH Diag Pro ....és ezen a német oldalon megtalálsz óla mindent! Még a telepítéséhez is van segítség. (Csak éppen letölteni nem lehet)
...hajrá!
Ühüm! Jaaaa!
....figyú máááá! A (#547740) -nél kérdeztem, keresem ezt a Fiat Diag progit! ....egész véletlen ezt nem tudod .....nincs meg?!!
Amit kérsz nem megy sima KL interfésszel.Van itt a fiat dizelekre egy progi ami megy KL-en.
Nem is mondtam, hogy sima KL-es interfaces-hez kéne!
.....légyszíííííí! Nagyon régóta keresem már! :yes: (Van egy spéci multiplexerem,
....ezt diesel-es Fiat progit meg ismerem, használom is.
(Csak hiányzik belőle a 1,3 MjT moci!) ![]() De nagyon Köszönöm! ! ! ! ! |
Bejelentkezés
Hirdetés |




:no: Nem egésszen eről a progiról lenne szó! Ez nekem is megvan! (Igaz egy régebbi verziója.) Azért nagyon köszönöm!
Egy kicsit bővebb infót légyszi a gépről! ...mondjuk az évjárat, motorkód.
sima KKL illesztő 6-8 e.







...na ezt a WBH diag progit probáld letölteni, ez tuti, hogy megy, és mindet tud a VW csoporton belül. ( Teljesen KTS rendszerű, csak kicsit egyszerűbb! )
.

