Fórum témák
» Több friss téma |
Szisztok, kellemes ünepeket mindenkinek!
Egy kis segítség kellene! Nem tud valaki olyan JK flip-flop típusokat, ami nem órajelvezérelt? tehát csak J K, Q és QN csatlakozásai vannak! Olyan is jó aminek van egy darab Clock bemenete pluszban! Én kerestem, de mindegyik tele van preset, és reset csatlakozásokkal az alap vezérlő csatlakozások mellet. Ami szerintem egy flip flop nál teljesen felesleges! (Privát vélemény, kéretik nem megkövezni) Előre is köszönöm!
Szia!
HA neked teljesen fölöslegesek a preset és reset funkciók, akkor nézd meg az adott fflop adatlapját, h tudod inaktívvá tenni azokat. (a Preset és Reset funkciók általában negált működésűek, tehát ha fogod és felhúzod őket a pozitív tápra, akkor nem fognak működni)
A J-K flip-flopnak sztem az órajelvezérlés a lényege...
Mi a cél?
Szia!
A J-K flip-flop szigorúan szinkron működésű, hisz igazságtáblája uaz, mint az S-R-ré, azzal a kivétellel, hogy 1-1 bemenőérték esetén is definiált a működése. Ilyenkor megváltoztatja a mindenkori állapotát (T-féip-flop). Ha tehát ilyen állapotban aszinkron lenne: mindig váltogatná az állapotát max kapcsolási sebességgel. Ha ezt a funkciót nem használod (1-1), és aszinkront akarsz, válassz helyette S-R flip-flopot! hp
Sziasztok
Azért esett a választás a JK flip-flop ra mert: HA mind a J mind a K bemenetére logikai 1 szintet adunk, akkor a Q és a QN kimenete is 1 szintű lesz, ha ismét egyet adunk a bemeneteire, a kimenet állapota 0 ra változik.A Q és a QN esetében is. Az alap JK flip-flop ok bemenetén egy 2 bemenetű ÉS kapu van, ezt pedig két bemenetű NEM-VAGY kapu követi... A szinkron JK flip-flop esetében az első és kapuknál három bemenet van, egy a CLock bemeneté... Nekem arra kellene, hogy egy címdekódóló áramkör H jelét akkor is tároljuk, ha éppen más cím "él", és a címdekódoló kimenete L szintű... Előre is köszi a segítségeket
Sziasztok,
Csak reménykedem, hogy valaki esetleg meg tudná oldani a mellékletben szereplő feladatot. Az idő rövidsége miatt holnap ( péntek ) estig kellene. Előre is köszönöm. Üdv, Marianna
Hello, igy lehetne, nem tudom engedélyezett-e az az AND kapu...
Ha jól olvastam a papíron, szinkron hálózatra van szükség, ott az órajel minden tárolónál közös. Kapukat muszáj lesz használni, az állapotok felismerése miatt.
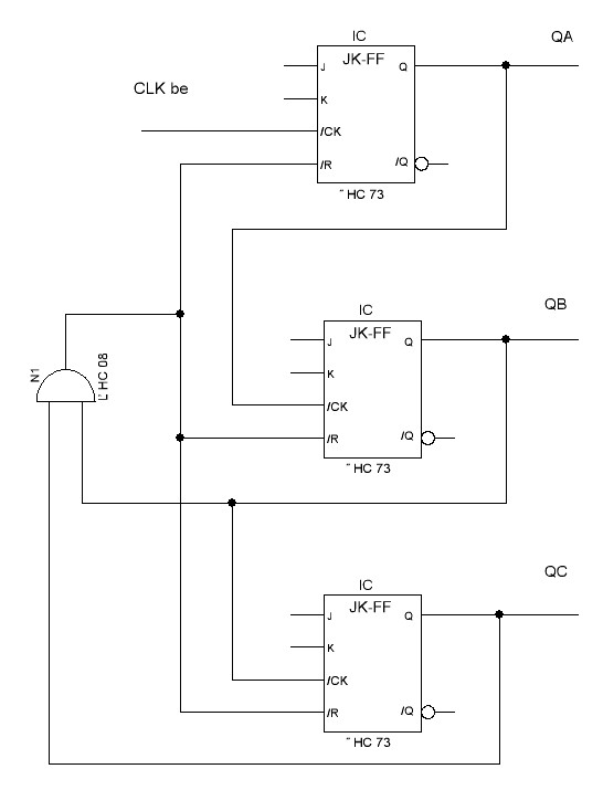
Gyakorlatilag egy 0 ... 5 között működő bináris számlálóra van szükség. Csatolok egy rajzot: a kétbemenetű ÉS-kapu a 3-4 átmenetet teszi lehetővé, a NAND-kapu pedig 6-nál törli mindhárom flip-flop-ot, így újraindul a ciklus. Természetesen az ÉS-kapu megvalósítható NAND-elemekkel is, így áramkörileg egyszerűbb lehet a megoldás (kevesebb fajta IC kell), rajzon viszont bonyolultabban nézne ki. Szintén "áramköri" gond lehet az, hogy a 3-4 váltásnál, a tárolók körüli kapuk eltérő késleltetése miatt, a Reset egy pillanatra aktív lehet, ez elkerülhető egy pár nF-os kondenzátor bekötésével, a közös Reset és a GND közé. De ezeket valószínűleg nem fogják kérni egy elvi kapcsolásban.
Meg ne sértődj, de az eddigi megoldásaidat ismerve (és az nem kevés) eszembe jutott egy idézet:
Idézet: „Csak az igazán nagyok tudnak igazán nagyot tévedni”
Pont az az eltérő késleltetés az, ami miatt bele fognak kötni.
Szerintem inkább ezt várják. Szerk.: Q0=Qa, Q1=Qb és Q2=Qc
Előszőr is ezer köszönet mindenkinek. Nem gondoltam volna, hogy ennyi segítő emberkére találok
Jelenlegi tudásomat használva ( van még mit tanulnom potyo megoldását szeretné majd látni a tanár. Legalábbis remélem Még1x millió köszönet.
Sziasztok! Segítséget szeretnék kérni!
Az a feladat holnapra, hogy: Tervezzen álvéletlengenerátort. Hogy néz ki egy ilyen? Asszem 4 flip-flop kellene hozzá.
Helló!
Kicsit kezdő vagyok még az elektronikában, de vettem itthoni kisérletezésre JK flipflop(7470 TTL) tárolót, amit csomó olyan bemenet van amirol oran nem is tanultam. Tudnatok segiteni hogy hova mit kell kötni hogy a tároló ugy mukodjon nekem h beadok "1" vagy"0" és akkor a kimeneten megjelenik az info. Ja és az órajelre mit kell kötnöm? Elég ha bekötöm a +ba?
Sziasztok!
Egy szkópban tönkrement egy D172D típusú flip-flop IC, ami egy 7472-es IC-nek felel meg. Ezt a flip-flop IC-t szeretném kiváltani, mivel nincsen itthon csere darabom, és messze van még az, hogy egy bolt közelébe jussak. Jelenleg egy foglalat van az készülékben, és ebbe gondoltam bedugni egy kis nyákra épült áramkört, ami kiváltja az említett 7472-es IC-t. 7473-as IC-ből van egy marokkal. A 7473-ast valamilyen módon kiegészítve (logikai kapukkal, stb) alkalmassá lehetne tenni, hogy kiváltsam vele a 7472-es IC-t? A csatolmányon látható, hogy milyen funkcióban lévő IC-t szeretnék helyettesíteni.
A 7472 -ben egy JK flip flop van, 3 bemenetű ÉS J és K, a 7473 -ban két JK flip flop van, de csak egy bemenetű JK -val. Mivel a rajzodon levő flip flopnak a J és K bemenetei össze vannak kötve, nyugodtan használhatod a 7473 -nak a felét. Csak ügyesen kötözgesd össze, egy másik , közbenső IC foglalatban.
Igazából ezt gy tudom elképzelni, hogy a 7473-as J és K bemeneteit kötném a 7472-es S és R bemeneteihez, a Clock bemenet marad, és a 73-as CLR bemenetét pedig kötném a 72-es közösített C és K bemeneteire. De egy inverterrel kellene akkor a CLR bemenetet megfejelni, mivel az a 73-asnál negált.
Vagy nem helyesen gondoltam?
Appardon. A 73 -nak csak egy "CLR" bemenete van, igaz negált, de a kapcsirajz szerint szükség van a SET, és a RESET bemenetre is. Ezért nem fogod tudni megoldani a helyettesítést, mert függetlenül használja a két bemenetet a kapcsoló sor. Jobban bele kellene mélyedni az elektron kapcsoló működésében.
A hozzászólás módosítva: Ápr 19, 2014
Idáig jutottam. Ha minden igaz, akkor ezzel tudnám helyettesíteni az eredeti 7472-es IC-t. 4 tokból meg is tudom építeni.
Így is lehet, NAND kapukból csináltál egy JK flip flopot.
|
Bejelentkezés
Hirdetés |








potyo megoldását szeretné majd látni a tanár. Legalábbis remélem 

