Fórum témák
» Több friss téma |
- Ez a felület kizárólag, az elektronikában kezdők kérdéseinek van fenntartva és nem elfelejtve, hogy hobbielektronika a fórumunk!
- Ami tehát azt jelenti, hogy a nagymama bevásárlását nem itt beszéljük meg, ill. ez nem üzenőfal! - Kerülendő az olyan kérdés, amit egy másik meglévő (több mint 17000 van), témában kellene kitárgyalni! - És végül büntetés terhe mellett kerülendő az MSN és egyéb szleng, a magyar helyesírás mellőzése, beleértve a mondateleji nagybetűket is!
Jól tudod. Vic barátom, nyugodtan programozd így az órát, jól fog működni.
Sziasztok,
Van egy Skyworth 37 cm-es kis tévénk (Skyworth 1400), amit egyszerűen képtelenség beprogramozni (csatornák keresése esetleg autómatikusan, vagy akár manuálisan). Már mindent megpróbáltunk, de egyszerűen nem is tudjuk megtalálni a hangolási funkciót. Van esetleg itt valaki, aki tudna segíteni a programozásban? Olyan furfangok, mint a menü pont hosszas nyomvatartása nem jött be... Köszönettel, Sándor
sziasztok ! vettem egy kicsi elöerösitöt amit csak össekellet rakni ez ugy tünik sikerült is ,és beüzemelést követöen nagyon szépen zug !!!
Egy kis segitséget szeretnék kérni hogy jol csináltam-e mindent linnkelek képeket !biztos valamit én csináltam rosszul (kezdöként elég nehéz kiJönni ezekböl a kis alkatrészekböl ) de itt az oldal segéd progiait segitségével csináltam . mégvalami +- 6 v töl +- v-ig megy a táp remélem pm-ben valaki tud segiteni !nagyon hálás lennék !!Üdv Roli
UTC-vel kifejezve:
a nyári időszámítás március utolsó vasárnapján 1:00 UTC-kor kezdődik és október utolsó vasárnapján 1:00 UTC-ig tart. Nyáron MESZ = UTC+2 óra. Télen MEZ = UTC+1 óra.
Sziasztok!
Adott 4 készülék, 230V-ról működnek. Azt szeretném megoldani, hogy távolról (de max 10 m elég), lehessen őket egymástól függetlenül be/ki kapcsolni, rádiójel segítségével. Tudom, készen is lehet venni ilyen aljzatokat, de ott külön gomb van a be és ki kapcsoláshoz, másrészt építeni jobban szeretnék... A 230-at bistabil relék kapcsolnák (hogy ne keljen folyamatosan "áram alatt" tartani a relét). Az adónál minden csatornához tartozna 1-1, összesen 4 (be/ki) nyomógomb. Az adó nem mindig kapna tápot: - amikor a tápot rákötöm, ne történjen semmi, csak a nyomógomb megnyomásakor. Memóriára nincs szükség, mindig minden kikapcsolva indul, a következő miatt: - a táp megszűnésekor az éppen bekapcsolt készülékek kapcsoljanak ki. ![]() Lényegében az adó készülék egy "Master" hangerősítőben lenne, a többi készülék "Slave"... Jó volna, ha csak abban a pillanatban sugározna jelet az adó, amikor nyomógomb lett nyomva, illetve a táp megszűnésekor sugározza ki a "kikapcsoló jelet" (ennek a funkciónak, mivel áramtalanítás után történik, nyilván valami pufferkondi szükséges). Magyarul ne kelljen folyamatosan kisugározandó jel a készülékek bekapcsolva tartáshoz. Nem a sült galambot, vagyis nem teljes megvalósítást várok az utolsó csavarig, a leírt szöveg nagy része csak mese. Igazából csak a rádiójel vezérléshez nem értek, a többi dolgot kilogikázom. 433 MHz-es cuccra gondoltam. Itt a HeStore-ban is vannak ilyen adó vevő modulok, de fogalmam sincs, ezeket hogy tudnám "munkára fogni" ![]() Tehát ha valaki tudna segíteni, hogy induljak el (csak a rádiós része kellene), szívesen várom az ötleteket :yes: Köszönettel: zoka
Hali !
Segítségre lenne szükségem! Vag-com programmal néztem az autó (Audi A3 1,9TDI) adatait,közben történt valami ami miatt a gázpedál nem reagál,viszont minden más működik.A program kiírja a hibakódot,de nem tudom hol lehet visszaállítani,ha valaki tud,légyszi segítsen,köszi
Sziasztok
Előre szeretném leszögezni teljesen hülye vagyok az elektronikához. Azért írok mert van egy philips spa2600/00 5.1 es hangcuccom amihez van jack dugós távirányító (nem tudom mi a pontos neve). Ez a távírányító nem müködik. Hogy tudom azt megnézni h maga a távirányító rossz e (amit tekergetek) vagy a kábel van eltörve vagy a bemenetnél a mélynyomón belül van valami bibi? Köszi
Minden bizonnyal 0,3 ohm, ha ez van az ellenállásra írva.
Egyébként tuti, hogy ez az áramfigyelő ellenállás. Jól sejtetted.
Köszi a választ...különös egy töltő ez...SH69P848M chip van benne, ami az adatlapja szerint egy mikrokontroller, és közölnek benne egy kapcsolás, ahol, láss csodát épp egy akkutöltőként alkalmazzák. Még hasonlit is a kapcsolás az én töltőmre. Ahogy átfutottam egy átlagos MCU, de semmi "akkutöltő hardwer" nem tűnt fel rajta. Azért néztem bele, mert 7 óráig tölt, és forróak a cellák, némelyik már 2-3 óra múlva. Nem ezt várnám egy processzoros töltőtől.
Sziasztok!
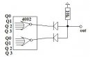
A segítségeteket szeretném kérni. Ezt a kapcsolást kis szeretném bővíteni annyival,hogy 00-nál jelezzen valami(értem ez alatt a fény vagy hang hatást,de ezt meg tudom oldani). A megoldást úgy gondoltam,hogy mikor 00-t jelez a kijelző,a szegmensekhez tartozó lábakon feszültség mérhető,amit ÉS kapukkal tudnék számomra felhasználhatóvá tenni.Szóval amikor 00 van,akkor 7 szegmensből 6-on fesz. van,és mivel kettő 0 van,ezért egy 12 bemenetű ÉS kapuval jelenik csak meg a fesz.a kimeneten(ehhez 2 IC kell,az egyikben kettő darab 4 bemenetű,a másikon 3 darab három bemenetű ÉS van). Na igen ez jó is volt addig,míg eszembe nem jutott hogy 88-nál is úgy érzékel az ÉS kapu,mint ha 00 lenne. Végső megoldásnak azt gondoltam hogy kiiktatom a 8-as számból a középső szegmenst. Tudom hogy PIC-el egyszerűbb és kisebb lenne,de ezt szeretném kibővíteni. Mit gondoltok hogyan lehetne megoldani a problémát? Köszönöm a segítségeket.
Szia!
Miért a dekóder kimeneteit figyelnéd, ha ott van a számláló kimenete is BCD-ben kódolva? Két darab 4 bemenetű NOR a két számláló kimeneteire, a NOR kapuk kimenetére pedig két bemenetű ÉS kapu. Nagyjából ennyi. Üdv.
Üdv!
Szerintem ne a kijelzőből indulj ki, hanem a 4510 számláló IC kimeneteiből (Q0 Q1 Q2 Q3). Valószínű, ha az összes alacsony 0 szinten van, akkor jelez a kijelző is 0-t. Szerintem ebből kellene kiindulni. Ha butaság, bocsi ...
Szia, próbáld meg a 7485-el, az adatlapja a katalógusban megtalálható.
Köszönöm mind a hármótoknak!
El_Pinyo is ezt mondta. @Teodor: a Te ötleted is jó szerintem,de a másikat meg tudom csinálni tranzisztorokkal és diódákkal(persze a NOR kaput IC-sen,de az ÉS-t azt RDL-el) Minden jót!
Te írtad azt, hogy fejleszteni akarod azt a kapcsolást. Ha már fejlesztünk akkor miért ne csináljuk univerzálisra, peremkerekes kapcsolóval bármilyen számot beállíthatsz
0-9-ig igy adható előny is , hátrány is. Mivel CMOS IC-vel van a kapcsolás megcsinálva a megfelelőbb IC számodra a 4585.
Köszönöm,de jelenleg tökéletes amit zokáék mondtak(ld.kép),mert nem szeretném más perifériához illeszteni.
Sziasztok
Egy kis segítséget szeretnék kérni. Van egy VFD kijelzőm egy haverom adta videó lejátszóból lett kioperálva. A guglival már probálkoztam nem talált semmit. Kéne egy kis segítség abban, hogy hogyan lehet beindítani, működtetni.
Valóban késő, már megépítettem, PC vezérléssel, LPT porton.
Egy nálam tapasztaltabb ismerősöm is azon a véleményen volt, hogy ez tipikus PC feladat.Az egyenirányítót tényleg rossz helyre tettem, az sajnos úgy is maradt. Az LTP porton az ACK lábon figyelem (megszakítással) a nullátmenetet és a RESET lábbal vezérlem a triacot. Mivel scriptnyelven írtam a vezérlést (Ruby) volt egy kis fejvakarás a késleltetéssel: az ACK láb nálam a félhullám csökkenő oldalán generálja a megszakítást (azaz felmenő élre), így kb 2ms volt arra, hogy eldöntsem mi legyen a triaccal a köv. félhullámban, ennél pedig a Ruby lassabb volt. Aztán a megoldás az lett, hogy a Linuxos "ppdev" LPT driverbe van egy olyan készség, hogy be lehet állítani, hogy a következő megszakításkor mit állítson be a driver a control pineken. Így 1 félhullámmál késik a vezérlés, de ez nekem tökéletesen megfelel. Szkóp híjján egy izzón teszteltem, remekül látszik rajta minden féhullám. :yes: Köszi a tippeket!!
Üdv. Segítséget kérnék az alábbi problémára. Adott az erősítőm aminek a bemenete egy készüléket tudott fogadni. Most ezt én párhuzamos kötéssel kibővítettem 3 készülékre amik: TV, DVD, Házimozi. Működés közben a TV és a DVD nem zavarják egymást nincs semmilyen összeférhetetlenség, akár egyszerre a kettő hangja is gond nélkül összeaódik. Viszont, ha a Házimozit is rácsatlakoztatom az erősítőre akkor az kikapcsolt állapotban is lecsökkenti a TV és DVD hangerejét, picit mélyít is rajta. Sajnos a Stereo jóságából is veszít a hang. Annyi bizonyos, hogy ha a Házimozinak a negatív részét csatlakoztatom mind két bemeneten akkor nincs ez a gerjedt állapot. Azon gondolkodtam, hogy a Házimozi rákötésénél a bemenetek pozítív lábaira valamilyen értékű ellenállást tennék javíthatnék-e az állapoton? Ha igen akkor milyen értékekkel próbálkozzak? Vagy muszáj lesz külön kapcsoló beépítéssel megszakítani a bemenetet. És csak akkor kapcsolni az ágat, ha a házimozit kívánom hallgatni
Szia!
Próbáld még meg azt, hogy egy-egy 1 kohmos ellenállásokon keresztül közösíted a kimeneteket, így az egymásra hatás lecsökken. De a legjobb az lenne, ha kapcsolót használnál.
Üdv
Készítettem egy kapcsolást amiben egy PIC (12f629) 3 lábára van kötve az RGB LED 3 lába. Kérdésem az lenne hogy PIC-el hogyan tudom meghajtani az RGB LED-et hogy különböző színeket produkáljon? Mert ugye az lenne a lényeg hogy a 3 szín egyszerre világítson csak különböző fényerővel. Nem konkrét programot kérnék, hanem elvet, mert ugye a PIC-ben be tudom kapcsolni egyszerre mind3 lábat, csak ugye a kitöltési tényezőtől függően az egyik előbb a másik később kapcsol le egy kör alatt. És nekem folyton lila színt ad bármit próbálok a programozásban. Illetve másik kérdésem, hogy hány us legyen a PMW teljes hossza (nem tudom a pontos nevét, talán frekvencia). Köszi
Hello!
Az 555-ös cikkét olvasom. Azt írja ,hogy astabil módban a 3-as láb és a föld közötti fogyasztónak minimum 10k-snak kell lennie. Akkor ha nincs akkora fogyasztóm akkor kell oda rakni egy ellenállást? Üdv.: Ákos
Köszi megpróbálom ezzel az értékkel. Mivel a házimozin a kimeneti jel jóval erősebbre is felvehető mint a többi készüléknél
Közösítés alatt a negatív és pozitív jel összekötését érted ellenállással, avagy csak simán a jelet vezessem át az 1kohmon.
Csak a meleg érbe tegyél be ellenállást!
Hi,
azt szeretném kérdezni, hogy az üvegszálas nyáklemezt mivel vágjátok? Modellező létemre azt hittem felkészült vagyok, de egy 15*5cm-es lap (2 él) kivágásához 2,5 lombfűrészlap fogyott el. Gondolom/remélem van valami hatékonabb titkos módszer... Köszi
Vasfűrésszel elég jól lehet haladni.
|
Bejelentkezés
Hirdetés |




Egy kis segitséget szeretnék kérni hogy jol csináltam-e mindent linnkelek képeket !biztos valamit én csináltam rosszul (kezdöként elég nehéz ki











