Fórum témák
» Több friss téma |
Fórum » TV hiba, mi a megoldás?
Jajj... :no:
Na ez nem jó hír. Holnap megnézem hogy melyik az. Nagyfesz tekercs az akad néhány darab itthon. Volt több komplett csöves VT sorkimenőm, csak hát azt hittem már úgy se kell ilyen az életben nekem, erre meg el nagyfesz generátoroztam őket. Más esetben nem lehetséges az izzás? Cső az mondjuk van itthon 1-2 bőröndnyi, a PY88-at már valószínűleg cserélni is kell... Nemtom hogy gyárilag van szelén egyenirányító vagy a a falusi TV szaki rakott a cső helyett bele De legalább nem használódik el....
Gyári. A rajzon is TS18 van.
Sajna, a booster dióda nem igazán izzhat mástól... Mert a PL504 gyakran izzik a rácselőfesz hiánya miatt, de hát a PY izzás csak zárlatra utal. Persze vannak ott kV-os pF-es kondik, de még nekem sosem volt közülük rossz.
Sajnos igazad volt
Az impulzus tekerccsel volt zárlatos. Durkáltam a padláson, találtam egy TA-643-mas panelt, benne egy sorvégtrafóval. nagyos hasonlók, ellenállásméréssel ugyanaz a kettő, csak kb 10 év korkülönbség van köztük szerintem. Ugyanúgy cérnával van odaerősítve mindkettőre egy kondenzátor. Fel lehetne-e használni a másikat itt? Itt vannak képek róluk: A baloldali ami rossz, a jobboldali amit találtam. Igaz ha fel lehet cserélni a kettőt akkor ki kell cserélni a nagyfesz tekercset, mert az eléggé rossz állapotban van....
Nagyon regen szorakoztam ilyenekkel.
Szerintem nyugodtan hasznalhatod. A malomkerek tenyleg fura allapotban van
Mindkettő "egységesített" sorkimenő, csereszabatos.
Már nem tudom mikor19xx-ben döntöttek erről és a VT is meg az Orion is ua kivitelt használta, hiszen a körülötte lévő dolgok is azonosak voltak.
Köszi a segítséget mindkettőtöknek!
A jó trafóból átraktam a tekercset a rossz helyére, kerestem PY88-as csövet bele, bekapcsoltam, és működik Bár nem nagyon bíztam benne hogy valaha működni fog ezzel a trafóval Max annyi baja van még, hogyha normálisan rá van hangolva az adóra (amikor van jó éles a kép) akkor kiesik valamiért a szinkronból. Meg ha tekergetem a kontrasztpotit akkor is kiesik (amikor leveszem a kontrasztot).
Szuper! Én is szeretem, ha valami életre kel...
Melyik szinkron megy el? Lehet, hogy csak be kell állítani, bár ha pontos ráhangoláskor lép fel az lehet hogy túlvezérlést okoz vmelyik fokozatban és sérül a szinkron jel. Ezt leosztott antennajellel lehet kizárni/megerősíteni: ha nincs kéznél 75ohmos pí-osztó potid kéznél, akkor húzd ki az antennacsatlakozót lassan úgy, hogy a test része érintkezzen, de a meleg pontját tudd távolítani-közelíteni (primitív piszton-osztó )Azért gyanús lehet a kompozit-jel osztó 27k 1W-os tagja is - talán megnyúlt és nagyobbat oszt (ezt a kontrasztpotira való reagálásból gondolom).
Yes!
Nosztalgiazom
Úgy gondolom a hogy a vízszintes megy el, mert mintha oldal irányba futna/ vagy ferdén csíkozódik. Nem olyan jellegű mint ha a függőlegessel lenne valami.
Majd megnézem még hogy mire szolgálnak a potik a hátulján, lehet hogy csak az a baja
Tipikus hiba volt a soroszcillátor tekercs vasmagjának elmozdulása a kirohadt gumi miatt...
A pontos beállításhoz le kell állítani a szinkronozást(pl C304 kiforr) és a vasmaggal "lebegő" képet állítani. (tehát úgy tekerd a vasat, hogy a kép középen idegeskedjen, reszkessen jobbra-balra) rögzíteni,ezután vissza a szinkronjelet és OK (ha más baj nincs). Sokszor volt hibás a Ge diódák valamelyike a fázisösszehasonlító hídban és maga az ECC82.
Nekiveselkedtem a kb2hónapja rossza tévénknek.Lehetséges az hogy gyűrű szerint piros-piros-narancs (22k) ellenállás értéke lecsökkenjen 16k-ra.Ez az ellenállás 1ébként a képcsöre csatlakozó panelen van a tranyók mellett.Találtam 1 másik ugyanilyen színkódút de az csak 19.6k-ra csökkent.Valamint hogy a két képenláthatónak kb.egyezik e a teljesítménye vagy miből rakjam össze, mert pillanatnyilag nincs itthon az eredetihez hasonló ell.áll.
Elég trágya munka ez a panel :no: ! Iskolában is tanított hibák a gyártásnál/tervezésnél...
Mind1. Én a helyedben az összes ilyen ellenállást kicserélném 2W-os-ra és 1cm magasan ültetném a panelba. Érdekes ez az értékváltozás, általában nyúlni szoktak (a régi szénréteg 100k feletti) ellenállások. Egy darabig elbírja a két paralel tag is, de nem hagynám úgy.
OK Közben feltúrtam a szemetet
és találtam remixest méretben kb ott van.Viszont az "alaplapon" találtam 2 elvileg azonos értékűt(gyűrű szerint) sorba kötve 4,8k. Ebből az 1ik 4,9k-ra csúszott fel az még sztem nem is gáz viszont a másik 11,4k-ra
Na kicseréltem ami betegnek látszott, de továbbra is stand by üzemmód bejön, kapcsolnám be a távrángattyúval, a képernyő villog(olyan nagyfeszesen
) nameg serceg.Ha hosszan nyomom a bekapcsoló gombot akkor egy idő után letilt a táp de ha csak impulzusszerüen akkor többször is tudok próbálkozni.A sorvégtranyót kiműtöttem az jóvolt.
Hali!
Megszeretném kéredeni, hogy mi lehet a baja annak a TV-nek ami zúg? Mert mikor be van kapcsolva akkor állandóan zúg. Az lehetséges, hogy azért mert a lemezelt trafó 50 Hz-en "rezeg" és ennek van a hangra? Vagy ezzel most nagy hülyeséget mondtam?
Szép is lenne az a TV a mai világban, amiben lemezelt EI-trafó dolgozna
![]() Valamint azt sem mesélted el, hogy mi zúg...a TV-készülék belsejéből hallatszik a zúgás? Vagy netán a hangszóróból? Ha az utóbbiból, akkor a hangerő változtatásával a zúgás is változik? Egyébként milyen jellegű zúgásról van szó? Mint a méhecske, kb? Vagy sokkal magasabb hangon lévő zúgás?
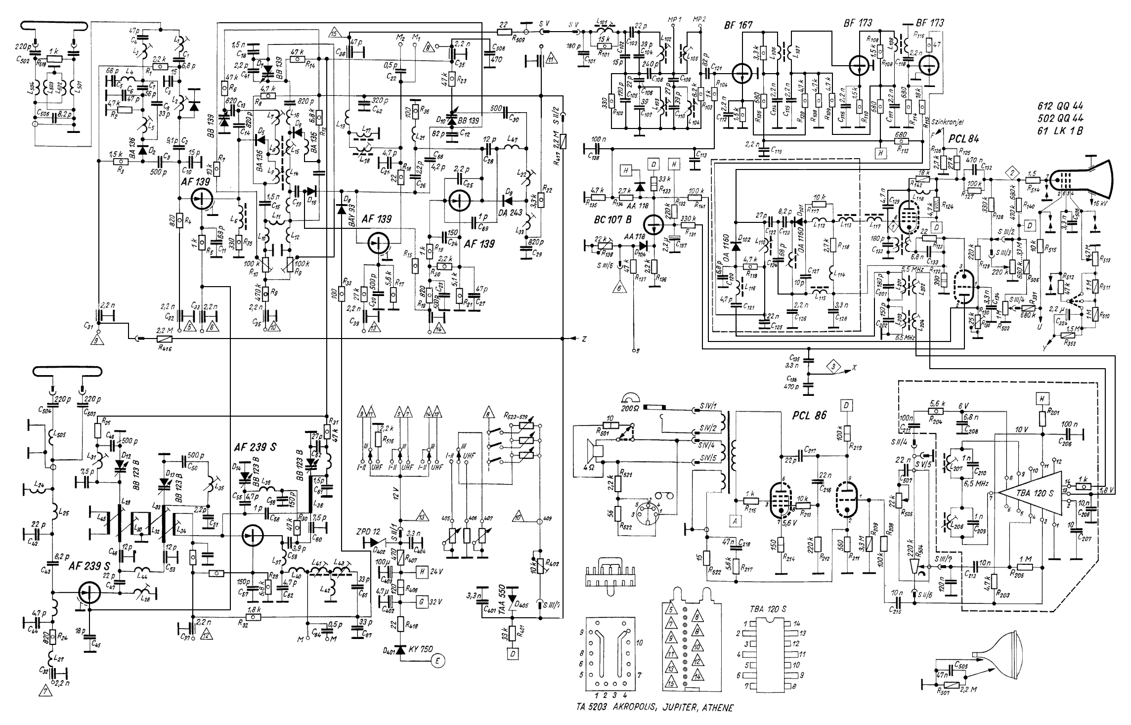
Nem írtál típust, ill. van-e rajzod hozzá?
Ez nagyon nagy szöveg volt:
"Egyébként milyen jellegű zúgásról van szó? Mint a méhecske, kb? Vagy sokkal magasabb hangon lévő zúgás?"
Sziasztok!
A mi TV-nk is megpusztult, szétszedtük és volt benne egy púpos elkó. Azt gyorsan kicseréltük, valamivel jobb lett. Viszont a fennmaradó hibajelenség: A képen, ahol nagyobb lenne a fényerő (főleg fehér közeli színeknél) ott sötét csíkok vannak helyette. Én táp problémára gondolok. Szerintetek? Cserélgessek még kondikat a táp körül? Köszi előre is...
Hello!
Volt egy Orion Jácint TV-nk. Az alapvető problémája hogy eltűnt róla a zöld szín és a képet csak pirisból meg kékből rakta össze, feketefehéren tökéletesen működött, de színesen nem. Azt mondták a képcső rossz és hogy nem éri meg újat rakni bele. Van valakinek valami olyan ötlete ami könnyen kipróbálható lenne? Mondjuk most már más baja is lett mert bekapcsolom és csak méhecskés zúgást hallok, de azt hangosan és nem a hangszóróból szerintem. És amúgy se kép se hang
Köszi a segítséget!
Kivittük mamámékhoz, kapott normális antennát és teljesen jól működik! Nem ugrál a kép meg ilyesmi... Eddig még nem érkezett panasz Azt hogy meddig bírja ezzel a trafóval azt nem lehet tudni....
Videoton TS3361, és nem találtam eddig rajzot, nameg le is betegedtem valami vírnyus teljesen padlóra vágott.. :szomoru1: Ha esetleg lenne rajzod azt megköszönném, hátha azzal könnyebb
Ebből a kevés infóból csak annyit mondhatok, hogy a képcső valszeg jó. Ugyanis a tökéletes fekete-fehér képhez mindhárom színnek működnie kell, régen - műszerek nélkül - kikapcsolt színdekóderrel beállított FF kép után színesre váltva mindig jó volt a színegyensúly...
Halee MindenkiNet!
Azzal a problémámmal fordulok felétek, hogy van egy kb 20 éves ( szerelőnél egyszer volt eddig csak, komolyabb hiba miatt..) Orion CTV 3156/K SPOC Tv készülékem, ami a tegnapi napon beadta az unalmasat... :no: Az egész annyi volt hogy szólt a tv és egyszer csak hallottam egy olyan hangot mint amikor ki/be kapcsoljuk a tv-t, és utánna már nem volt rajta kép, és a hang is csak búgott, továbbá a ledkijelzője halványan világít! Esetleg nem tudjátok h mi lehet a baja? vagy mit kellene ellenőrizni rajta? Köszönöm előre is a segítségeteket! Üdv: Gab_Bee
Senki sem tud valami elindulási 5letet adni? :no: :no:
nah, akkor mind1! viszem a szerelőhöz...
Máma megadta (félig) magát nálunk egy ITT TV.
Nem tölti ki a kép az egész képernyőt, az alja hiányzik, össze van gyűrve egy csíkba....De a többi része teljesen jó Ilyet mikor szokott csinálni?
Nézd meg a függőleges eltérítést, keress rossz kondikat, szakadt, megnyúlt ellenállásokat. Sasszi-számot nem tudsz??....valahol hátul az adattáblán rajta szokott lenni, akkor küldök rajzot.....
Gabi
Sokminden lehet, de ha olyan relébehúzásra hasonlító csattanásszerű hang volt, akkor sorkimenős valószínűleg.
A rajzot nagyon megköszönném!
A típusszáma: ITT Ideal Color 3448H
Van hozzá rajzod?
|
Bejelentkezés
Hirdetés |




De legalább nem használódik el....






és találtam remixest méretben kb ott van.Viszont az "alaplapon" találtam 2 elvileg azonos értékűt(gyűrű szerint) sorba kötve 4,8k. Ebből az 1ik 4,9k-ra csúszott fel az még sztem nem is gáz viszont a másik 11,4k-ra
:no:

