Fórum témák
» Több friss téma |
Mielőtt kérdezel, a következő két dolgot ellenőrizd!
I. A helyes tápfeszültségek megléte.
II. A kimeneten van-e egyenfeszültség.
Élesztés.
Helló!Nem tudna nekem valaki olyan erősítő kapcsolási rajzot linkelni amit már megépített,van hozzá részletes alkatrészleírás,ic-s,olyan 200-300 w körül mozog a teljesítménye,van hozzá táp tervrajz?Ha van hozzá nyákterv akkor azt is elfogadok de az se baj ha nincs.
előre is köszönöm. By : Mangusta
Minek oda az a 7805. Sokkal zajosabb mint a 1036 belső referenciaforrása. Ugyan az állítja be a bemeneten a műverősítők munkapontját, de még így sem fog onnan szinte semmi zaj kerűlni bele. A belső referenciagen 5mA-t tud 1%-os határok között, szóval elég kicsi az ellenállása ahhoz, hogy a bemenetről ne kerűljön oda zaj. Plusz még a kondik is ott vannak.
Szóval jó, de a 7805 nem kell !
Ha kicsit jobban körűlnéznél a topikban, nem egyet találnál. Azért 819 oldal alatt felhalmozódott néhány.
Amúgy neked a Reflex RX500 tökéletes lenne. Eléggé megbízható típus, és a hangja is elfogadható. zip: erősítő, táprajz, védelem. kapcsrajz és panelrajz.
Szia!
Szóval akkor hagyjam ki onnét a 7805-öt! Az erősítő része is jó a dolognak ugye? az a kis plusz Ne5534 az csak egy szint illesztés lesz egy másik erősítőhöz egy TD1554Qhoz. Megcsináltam a nyákot felteszem azt is nézd meg nekem esetleg hogy az is jó lesz-e így. A nyák a legfontosabb mert szeretném ha nem lenne abaszolút zajos. Előre is köszi PeTi
Sziasztok. Azt hiszem még nincs olyan téma ami konkrétan ezzel a végfokkal foglalkozik de ha igen akkor ezer bocs. Szóval abban szeretnék segítséget kérni tőletek (a cikk mivel eredeti szerzőjét kitiltották) hogy aki épített már ilyen végfokot annak mik a tapasztalatai vele kapcsolatban. http://www.hobbielektronika.hu/kapcsolasok/80w-os_hf_erosito_darlin...l.html
Arra lennék kíváncsi hogy mennyire nehéz ezt megépíteni, kb mennyibe kerül, milyen minőségű, mennyi az élettartama, milyen táp kell hozzá. Ha többet építek belőle mondjuk stereoban vagy 4.0-ás rendszerben szeretném használni akkor mindegyikhez külön el kell készíteni a védelmet és a lágyindítót? A válaszokat előre is köszönöm!
Az egyes lábra 120kOhm, a négyesre 100kOhm-ost.
Kösz szépen.
És azeket csak be kell kötnöm a táp és a lábak közé és menni fog ugye? :yes:
Oksa.
És te láttad az adatlapot. Ennek kell előerősítő?
Szia.
Én megépítettem már belőle vagy 20-at biztos, nekem ez volt az első félvezetősöm.A kapcsolás a 86'-os RT-ben lett ismert de amúgy 82'-es nem mai gyerek.. Szerintem nagyon megbízható!Bírja a rövidzárat és csak a bizti megy ki. Én sose válogattam párba a darlingtonokat.BDX-el szebben szól de abból már csak hamisak vannak. A hangja nekem a QUAD-énál(mert ezt mindenki ismeri) jobban tetszik és elég könnyű is megépíteni de itt a fórumon minden segítséget megkapsz Adatok: THD: >0,1% 20Hz-20kHz /100W 4 Ohm IM-torzítás: 0,28% 100W Hangszóróvédő mindenféleképpen javallt hozzá már csak a tranziensek miatt is. Én sosem használtam hozzá lágyindítót sztereóhoz. Többcsatornás rendszerhez már kell természetesen. De ha otthonra akarsz ebből házimozit csinálni akkor neked elmentek otthonról...kicsit sok ez a teljesítmény egy szobába.Persze nem kell max. hangerőn hallgatni de ahhoz vannak kisebb telj.erősítők is.
Nem ír bemeneti jelszintet, de nem kell neki, mert benne van a pre amp.
Nagyon szépen köszönöm.
Lehet, hogy hétvégén össze is dobom majd...
Nem !
A hangszínről : Eléggé sok hibát találtam. Nem is kicsiket. A két ic referenciafesz lábát (17) ne kötsd össze ! A 17-es láb és a potikra menő feszültség közé ne tegyél ellenállást, különben a teljesen lehalkítva is fogod hallani a kimeneten a bemenetet, és zajosabb is lesz. A potikra menő feszültséget csak az egyik ic 17-es lábáról vidd oda. Csatoltam egy rajzot az szerint csináld ! Most a végfokról : Annak a négy 220n-os kondinak a műverősítők után semmi értelme, ha a dc leválasztást már megcsináltad a 1036 előtt. Szóvel elég oda csak az a 10u. Továbbá nem célszerű ennyire közel vezetni a bemenetet a kimenethez. Azokat a kondikat a végfok bemenetén (220n) ne oda tedd, valahova messzebb a kimenetektől. Ez is a zajt növeli. Mivel a kapcsolásirajzon nem ez volt, mint a panelrajzodon, így eléggé nehéz kivenni, mi hol van. A kapcsrajzot csatoltam.
Sziasztok!
Mennyire elmebeteg ötlet egy 300W-os ATX-es számítógéptápot használni erősítő meghajtására? (egy TDA1588Q-val felépített IC-s erősítőhöz kéne.) (Lehet hogy már valaki megkérdezte ugyanezt, használtam a keresőt is, de valahogy nincs energiám végigolvasni többezer találatot...) A táp átalakítása egyébként folyamatban van, sok-sok leírást találtam arra vonatkozóan, hogy hogyan kell alaplap nélkül bekapcsolni, illetve az 5V-os ágba beépítettem egy 15 Ohm 10W-os ellenállást is. De ha valaki ezt nagyon nem ajánlja, akkor lehet hogy maradok a toroid-graetz-puffer tápnál. Üdv.: 002
üdv
Hogy érdemese felujitani,szerintem azt neked kell tudnod,én felujitanám már csak azértis mert ennek az erösitönek már eszmei értéke van,mivel hogy megvan a saját kora és az egyszerüség mellet sok mai kacat mellett is böven megállja a hejét.Ha újitanám akkor potikat cserélnék meg kondenzátorokat,az ellenállásokat meg mind lemérném hogy nem veszitettek e véletlenül az értékükböl.A nyák alját ujra forrasztgatnám ha szügséges,esetleg pár új kábel és nagyjábol ennyi.
sziasztok
Még új vagyok az erősítő építésben... Szeretném megépíteni életem első erősítőjét Az lenne a kérdésem hogy melyiket ajánljátok kb 2x80W-os-t szeretnék építeni, és valami jó hangú szerkezet kellene És majd szeretnék hozzá valami jó előfokot is, de most a végfok a fő kérdésem. Előre is köszönöm a segítséget mindenkinek
És melyik erősítő tud nagy teljesítményt, aminek egyoldali 12V-kell? (Hacsak nem autóerősítőhöz kell, oda jó. Csak az indítóáramot kell lekorlátozni valamivel) Ja már megtaláltam az IC típusát, de én azt ajánlom hogy jobb a toroid graetz puffer megoldás, mint a PC táp.
Szia, Én se vagyok egy nagy guru, építettem már Quadot, kínlódtam vele, építettem tranyóst állandóan gerjedt. A legegyszerűbb amit megépítettem az TDA2030-as volt, az rögtön ment, most egy haverom használja évek óta. Most megépítettem a TDA-s topicból a highand féle 100w-os verzíót, nem nagyon hittem benne, de messze ez szól a legjobban szerintem. Highand segített, nyákot is küldött, most készülök dobozolni. Szóval szerintem, ha kezdő vagy és nincsenek műszereid, ezt is tedd fel a listára. Basszusa biztos ennek van a legtöbb, amit életemben hallottam.
Szerintem használhatod szám.gép tápját, ekkora teljesítményt simán bír. Az a 2x-4x 20W simán kijön a tápból, és legalább nem lesz 50-100Hz-es brummod.
Annyi változtatást eszközölhetsz, hogy a táp feszültségét felemeled 17-18V-ig, ennek van külön topicja, nagyon jól le vannak írva a lépések. És én azt vettem észre, hogy nincs különbség a két típusú táp között, nagyon sok helyen alkalmaznak kapcs. üzemű tápot erősítőkben.
szia
köszönöm a válaszod Megmondom őszintén a B5 és B8-al szemezek de akkor még meggondolom
A topicot belinkelnéd, mert ez engem is érdkelne!
Sziasztok!
Egyik ismerősöm adott egy DELIA erősítő, hogy hozzam neki rendbe. Kicseréltem a végtranyókat megfelelő típusra, kicseréltem egy halom áthúzott vagy kiégett biztosítékot. Elindítottam és semmi. Egyik hangszóróban hallok egy halk trafó zúgást, másikban még ennyit se. Próbáltam rádíóról, bemenetről, de semmi. Nem tudom hol keressem tovább a bajt. Áramot kap. Megkérek valakit ha sejti hol a baj vagy hol kéne keressem írja meg. Ha kell képet tudok küldeni, de nem hiszem sok értelme lenne. A topic-ban a kapcsolási rajzát megkaptam, de csak arra volt jó, hogy megnézzem jól kötöttem-e be az új tranyókat, de alig ha tudtam volna eltéveszteni mert még a panelen is írta a lábkiosztást. Köszi előre is.
Még annyit sikerült megfejtsek, hogy a végfok a hiba. Azt már mondjuk nem értem, hogy hol lehet a hiba, mert a 2 csatornája a végfoknak teljesen külön áll. Azt sem értem egyikben miért hallom halkan a trafó búgását a másikban meg még ennyit sem hallok. Az életképesebb felében a bd135-ön mérek E-B feszültséget míg a másikban nem, de még így sem megy egyik sem, pedig mint mondtam megnéztem és egész eddig minden rendben. Kivágtam a teljes kapcsolási rajzból a "beteg" felét. Valaki valami ötlettel tud szolgálni?
Köszi az áthelyezést,és elnézést a tévedésért
![]() A deliára az baj ha nem mérsz EB feszültséget,mert akkor valószínűleg van sok EC feszültség, és akkor a két végtranyó már ki is purcant.
Szia TSM! teljes kábel cserén én is gondolkodtam már, csak helyre kéne jöjjön a forrasztóm... valamiért nem melegszik. Azt nemtudod megmondani, hogy a teljes kondi és poti csere mennyiből jöhet ki? Ja és még gondoltam arra h kapna egy halk hűtő ventit is a hűtőborda fölé vagy valahova...azt h az ellenállásokat h kell lemérni azt nemtudom:S sajnos csak hangfal építésben és ledesítésben vagyok jártas. várom a további infóidat:d
üdv, Gery
Megnézted, van-e DC a kimeneten ? Hallasz valamelyik erősítőből nagyon halk sziszegés szerű hangot ? Ha igen, az már fél siker.Biztosan jók a tápfeszek ? A mellékletben odaírtam a fontosabb feszültségeket, amiket mérned kell. Ezek persze csak kb értékek, tehát lehet pici eltérés. Kötsd ki a végfokok bemenetét, kimenetére egy 40-50ohmos ellenállással sorba egy hangszórót, és így próbáld ki. Érintsd meg óvatosan egy csavarhúzóval a bemenetét.
Ezt itt kell megbeszélni, tekintettel másokra is ! Ezért van a fórum. :nezze:
A hangszín ic 180fokos elfordítását jó ötletnek tartom. Viszont még mindig találtam hibákat. Mivel a végfok asszimetrikus tápról megy, ezért elég komoly áramok fognak folyni a test fólián. Szóval külön test kéne a hangszínnek, és a végfoknak, amit valahol a pufferek környékén közösítesz, tehát részben csillagpontos földelés. Azt is észrevettem, hogy a végfok ic két különböző helyről kap földet, az egyik a táp pufferek felől, a másik a hangszín felől. Ez nem jó. Szinte biztos, hogy gerjedni fog. A panelt mindenképpen úgy tervezd, hogy a nagyobb áramokra is számítasz, amit nem a kisszintű részek felé kéne terelgetni.
üdv
Gondolom van otthon multimétered,az ellenállásoknak kiforrasztod az egyik lábát ás ugy megméred,hogy annyi e az értéke mint a bekötésben rajzoltnak.Azért jó kiforrasztani az egyik lábat,mert esetleg más bekötésben lévö alkatrész bezavarhat és nempontos értékeket mutat a mérömüszer.Ebben az erösitöben nemsok kondenzátor van,legalábbis a végfokban nemsok.Szerintem az egész erösitöben található kondenzátorok cseréje biztos kijönne egy-két ezer forintból.Bár nemismerem a nálatok lévö árakat mivel én szlovákiai vagyok és magyarból még nemrendeltem alkatrészeket.Csak más dolgokat szoktam ott vásárolni ,ventilátor szerintem nemszügséges,nemmelegszik az olyan vészesen és még muszáj lenne tápforrást is biztositanod a ventinek,méghozzá jól szürtet,mert hajlamos a ventilátor motor bezavarni a zenébe.Elég kellemetlen ha hallani a zúgást a hangszórókon.Nemtudom,hogy ellenörizted e már a bemeneti tranyókat amik úgy összevannak fogatva egy kis szilikonnal egymással szemben,azok is szoktak bajt okozni hiba esetén,attol is recseghet.No meg van 3 darab dióda abban a szilikon csövecskében a hütöbordán,az álitja be a nyugalmi áramot,érdemes kicserélni sima 1N4007 es jó oda.
persze van itthon multiméterem
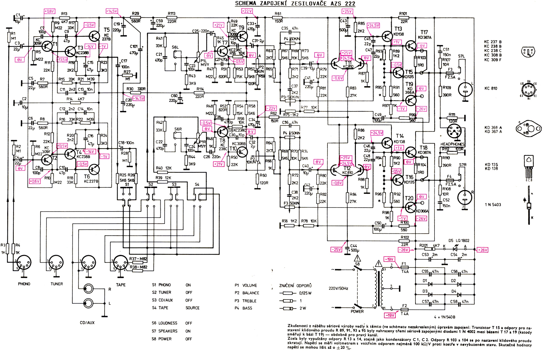
jó olcsó sárga házas de sztem ez jó lesz... létszi a rajzon jelöld már be, hogy melyik ellenállásokat nézzem át, mert én csak eltévedek ebben a rajzban ... Amúgy mellékeltem még egy képet amin meg azokat a kondikat és diódákat próbáltam bejelölni, csak nem vagyok benne biztos h egyre gondoltunk. ha sikerül megcsinálnom hivatalos vagy nálam minimum egy koccintásra a következő magyarországi látogatásodon ! Ja meg elkészült az új hangfal is az erőlködőhöz, igaz még csak a prototípus, de már most nagyon szép, dinamikus és tiszta hangja van. Hamarosan megyek is a lapszabászatba levágatni a lapokat hozzá... |
Bejelentkezés
Hirdetés |








jó olcsó sárga házas de sztem ez jó lesz... létszi a rajzon jelöld már be, hogy melyik ellenállásokat nézzem át, mert én csak eltévedek ebben a rajzban







