Fórum témák
» Több friss téma |
Háát, tényleg érdekes! Am, csak úgy magától elmúlt a RESET?! Az meg hogy!?!
ráparancsoltam haverra hogy fogja a próbapanelt
azt hittem azért resetelődik mert kirázódnak a motortól az alkatrészek (ilyen fehér dugdosos próbapanel)
Értem!
Ebbe azért nem tudok beletörődni, mert amit én csináltam, csak a motor környezetébe már megbolondult! Beindította a motort, és hello... Folyamatosan reszetelődött! Ugyanez volt egy 220V-os villanymotornál, illetve ugyanilyen a Digitális műszerem! Ha a motor közelében van, ott folyamatosan 88888-akat ír ki, és nem lehet használni. Szerintem érzékeny az EMI-re!
Hello!
Zavarvédelem mikrokontrolleres környezetben Ebben részletesen kifejtik a sugárzott, és a vezetett zajok elleni védekezési lehetőségeket. A téma nem egyszerű, érdemes alaposan átnézni. Autós vagy ipari környezetben a zavarvédelem a legfontosabb, e nélkül a jó program, jó elgondolás mit sem ér. Imi.
Üdv. Mindenkinek!
Egy kis segítséget kérnék. Én is a josephino féle kapcsival kűzdök. Nekem elindult szépen,csak a kijelzett érték nagyon ugrál,még a hálózati frekinél is,pedig annak elvileg nagyon pontosnak kelle lennie. Ha ráteszem a jeladóra,a kijelzett érték mégjobban ugrál. Az ugrálás megszüntetésében tudnátok segíteni. Mellékeltem a részleteket. Előre is köszi a segítséget. Üdv. Peti
Sziassztok! (Tachometer/RPM II.) Több napja szenvedek ezzel az egésszel! a nyák készívés nél nem tudom a lábakat úgy összekötni, hogy ne legyen rengeteg áthidalás! illetve a végére már nagyon átrajzoltátok a kapcsolást is :S amit elhiszem nektek hogy jobb, de számomra még bonyolultabbá vált:S Kérek valakit, mivel olvasom többen is megcsináltátok már, valaki tegye fel a HEX file-t!
Előre is köszönöm!
Hali!
A hex-et a weblapról le tudod tölteni,én is onnan szedtem le. A nyák rajzba még nem tudok segíteni,mert ameddig nem lessz tökéletes a kapcsolás (legalábbis nekem),addig nem állok neki a tervezésnek. Remálem a többi fórumtársam segít majd az ugrálásos probléma megoldásában. Csak felteszem a hex-et. Üdv.
Sziasztok, nekem is problémám van a nyáktervvel, viszont találtam egy könnyen hangolható, és 99999 et is méri és 3-30as pontossággal, de ez nem 7szegmensessel van. NYÁKTERVET HA KÉSZ VALAKINEK!
Hello!
Megvan neked ennek az ASM kódja? Meglesném ![]() Üdv.
Ezt Így találtam egyben, csak ennyim van, ami ebben a ZIP-ben van!
Szia!
Szerinted megépíthető 7 szegmenses kijelzőkkel is a program változtatása nélkül?
Nem hiszem, mert van róla egy videó is. azon látni, hogy a kijelző sok feladatot ellát... nem csak a számokat írja ki.itt a videó
Hát igen így már gázos :no: ! Köszi a választ!
Sziasztok!
A nyűgömbe semmi ötlet senkinek?
Készits egy 555-ös astabilt, és annak a jelét a mostani jeladó kihagyásával kösd rá a pic-re. Ha stabil a kijelzett számérték, akkor a hiba a jeladó kivitelében van, ezt kell módositani. Szerintem a fototranyó mögé célszerű egy Scmitt triggert kötni, ez szép négyszögjelet csinálna a bizonytalan felfutású impulzusból is.
Gondolom a táp kellően szűrt, és megvan a 100nF is a pic betáp lábainál.
Szia!
Köszönöm a segítséget,kipróbálom. Esetleg a Scmitt triggerről és a fototranyóhoz bekötéséről kérhetnék valami ákombákom rajzot,mert nem vagyok valami nagy guru. Előre is köszi. Peti
Összeházasitottam a fototranyót a schmitt egyik tranyójával. Próbáld ki.
Szia!
Megcsináltam az 555-ös tesztet,de ugyanúgy ugrál. Pedig még a 7805 elé is tettem 100nF-ot. Közbe mértem a frekit műszerrel,hogy nézzem az mászkál-e.De jó volt,mint a viden is láthatod. Mit lehet még vele csinálni? A fototranyós tesztet még nem csináltam meg,mert ameddig így beadva neki a frekit ugrál,nem látom értelmét azzal kísérletezni. Várom ötleteiteket. Üdv. Peti
Akkor a nyákkal lesz gond... Mellesleg adhatnál egy rajzot, ne keresgéljek. Akár a nyákrajzot is megmutathatnád. Tipikus hiba, hogy a nagyáramú negativ (test) rajzolaton levő feszültségesés befolyásolja a kijelzett értéket. Külön kell választani a jelföldtől, vagy csillagpontos testvezetékezést kell kialakitani.
Míg biztos jól nem működik,nem akartam bajlódni a nyák készítéssel,de akkor remélvehogy jó lessz nekilátok nyákot készíteni.
Most a próbák idejére csak dugdosós próbapanelon lett összerakva. Lehet hogy itt a baj? Írtad a különválasztott testet,ill. a csillagpontosat. Erről is kérhetnék ákombákom rajzot? És akkor már úgy tervezem a nyákot. Néztem a feszt is nem változik az ugrálás közben. Szépen áll 5,06-on.
A pic gnd-t és a kvarc kondik gnd-jét külön úton vidd a táp negativ pontjára próbaképp.
Az az igazság hogy másnak nem is kell test az egész kapcsokásban. Viszont próbáltam egy külön madzagon vinni testet a kvarc kondiknak. És mikor bekapcsolt állapotba tettem át a testet,az volt az érdekes, hogy mikor nem volt testjük,ugyanúgy működött a kapcsolás és kb ugyanannyi nagyságrendet ugrált is. Mintha nem is lennének benne a kvarc kondik a kapcsolásban. Lehet hogy a megírt progi miatt ugrál?
A progival kapcsolatban nem tudok segiteni..
Mekkora a fényerejük a kijelzőknek a valóságban? Talán lehetne még némi soros ellenállást beiktatni, csökkenteni az áramfelvételt, mert ez is közrejátszhat a rendellenes működésben.
Szerintem nem vészesen nagy. Ugyanis mikor bekapcslom van egy "josephino corp" nevű üdvözlő szöveg fut végig a kijelzőn,elég fényesen. Utánna mikor átvált a számok kijelzésére kicsit csökken a fényerő és úgy is marad.
Szerintem ennek a ford.számmérőnek valami tervezési,vagy programozási gondja van, azért ugrál. Azt hiszem nem foglalkozok vele tovább. Nézek valami másik kapcsolást. Mondjuk ha valami ötleted még lenne,azt megpróbálom. Köszi az eddigi segítségedet.
Sziasztok!
Abban kérnék tőletek segítséget, hogy egy fordulatszámmérős műszerfal egységet szeretnék bekötni az autómba, mely egy 97-és évjáratú 1,2-es benzines Clio. Jelenleg nincs rajta fordulatszámmérő, de sikerült szerezni egy gyári órát. Csak nem tudom, hogy hova kell kötni!
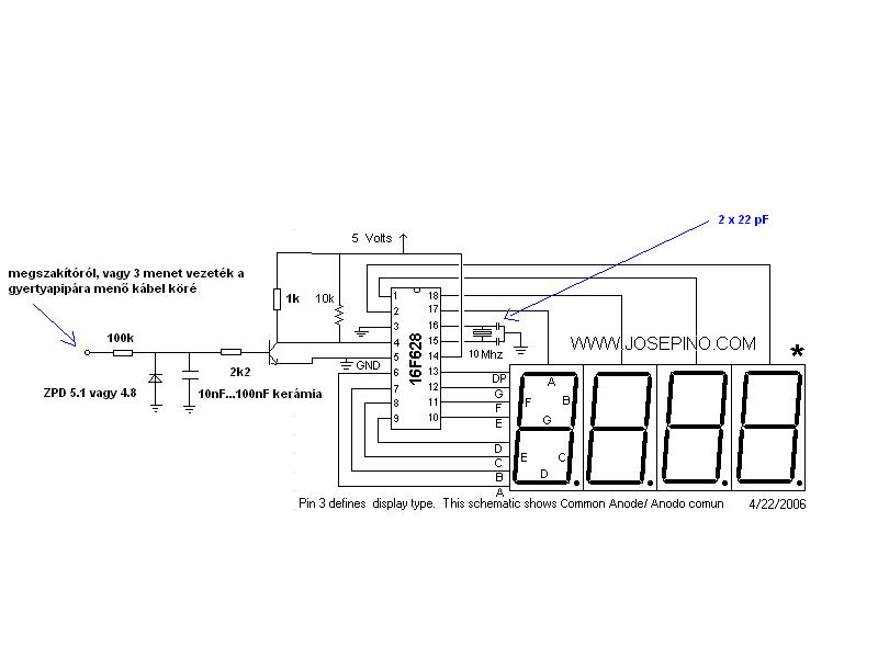
Üdv. Megépítettem a Josepino-s tachometer II-t, először kisebb nehézségeim voltak vele, ezért szeretném megosztani veletek a tapasztalataimat. Ahogy valaki már írta, nekem is csak 8-asokat írt ki, aminek az oka a meg nem szűrt táp volt (pedig USB-ről megy próbaképp). Ezt egy 100nF-os kondenzátorral sikerült megoldani, biztonság kedvéért a kvarcot is leföldeltem. Bekapcsoláskor várni kell 1-2 másodpercet, amíg a mérés kezdődhet, ugyanis a kijelzőre a következő szöveg kerül kiírásra 4 ciklusban: JOSE | PINO | dot | COM. Hálózati feszültségről (pontosabban AC 12V-ról) tökéletesen mér, 5-10 rpm ingadozással 3000 körüli, elvárt értéket mutat. A bemenet: egy soros 100kohmos ellenállás; 5,1V-os Zener, vele párhozamosan egy 10nF-os kondi került, majd soros 2,2kohmon keresztül nyitogat egy BC182-t, a kollektorról pedig a 4-es lábra(+ 1kohm munkaellenállás). Aki 2 ütemű, pl. 50ccm-es motorba már beépítette, legyen szíves megosztani velem, hogy nagyon ugrál-e az alsó két digit(tekintettel a kétüteműek stabilitására
), illetve gondolkozok egy plusz optokapus leválasztásban is még a tranzisztor előtt vagy után, van-e értelme szerintetek? Ha valamiben tudok segíteni valakinek, írjon nyugodtan.
A robogóba bekötéssel valószínűleg problémáim lesznek, ugyanis CDI-s gyújtás van benne, és a szervízkönyvében is induktív tachométerrel írja az alapjárat beállítását. Ha tud valaki rá megoldást, írja le legyen szíves.
Elküldenéd ha megkérlek, a végleges jól működő teljes kapcsolási rajzot, mert már annyi féle "Tuning" meg átalakítás került a rajzra, hogy már meg se merem építeni! Előre is köszi
Ebben a felállásban működik nálam, közös katódos 7 szegmensessel, ami fontos, hogy a tápfeszültség, még ha szűrt is, igényel egy 100nF-os kondenzátort, másképp a PIC hajlamos a megbolondulásra. A 13-as láb bekötése fölösleges. Ami zavaró, hogy az alsó 2 számjegy erősen ugrál, még hálózati 50Hz-ről is, így lehet, hogy azokat statikusan bekötöm, hogy 0-t jelezzenek ki.A következő héten valószínűleg inkább csinálok egy másik fordulatszámmérőt AVR-el, olyan kijelzőfrissítési időközzel, ami elfogadható, és nem ugrál.
José Pino oldalán böngészgetve akadtam rá egy, a témához kapcsolódó cikkre: http://josepino.com/microcontroller/tachometerx
Ma kipróbáltam a dolgot, igaz csak 3 menettel a gyertyapipára menő vezeték körül, de az eredmény kiértékelhetetlen volt, a kijelző 1000es nagyságrendeket is ugrott (nem csak amiatt, hogy a hidegben instabilabb az alapjárat). A dologhoz hozzá tartozik, hogy a PIC táplálásának a földjét nem tettem közössé a motor földjével, csak a jelet vettem le induktívan, ez okozhatott mérési pontatlanságot szerintetek? A megoldás talán az lehet, ha a gyújtótrafóra menő vezetékről közvetlenül venném le a jelet. Szerintetek a trafó visszadolgozhat? (küldhet visszafelé valahogy nagyfeszt) Remélem valaki meg tudja szüntetni a sötét foltokat a témával kapcsolatban. |
Bejelentkezés
Hirdetés |












