Fórum témák
» Több friss téma |
Fórum » NYÁK terv ellenőrzése
Ja egy javaslat! Ha kétoldalas nyákra tervezel, és az alkatrészoldalon egy, nagy felületű GND-t alakítasz ki, akkor a forrasztási oldalra nem kell külön lehuzaloznod a GND-t. Így a forrasztási oldal nyomvonala is egyszerűbbé válik...
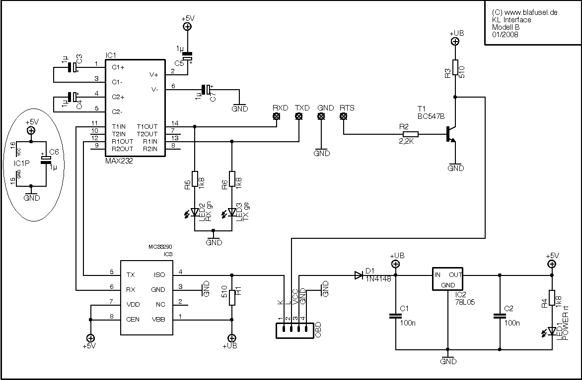
Sziasztok.Szükségem lenne egy hatalmas segítségre.Van egy nyákterv melyben egy MC33290-es alkatrész van de ilyet nagyon nehéz beszerezni,de kaptam egy segítséget hogy helyettesíthető SI9243AEY-vel csak az a probléma hogy más a lábkiosztása.Valaki lenne olyan kedves hogy átszerkeszti nekem ezt.Nagyon megköszönném.
Helló Pityu_18
Valahogy így képzeled? Csak a láb számozást figyeld, ez elnevezést ne. azt nem tudom átírni. (nem egyszerű) Üdv.
Igen így.Te akkor áttudod alakítani a nyák tervet?Köszönöm.
Elvileg te is át tudnád!
De volt egy kis szabadidőm... S gyakorlásnak sem volt rossz. Sajnos egy átkötést ( 0 OHM-os SMD-t ) be kellett ültessek. Azért, te is nézd át alaposan! :yes:
[OFF]Az AUOT GND és TÁP-hozzárendelés miatt nem is egyszerű csak úgy átfűzni...
Helló _Jani_.
Hát igen, egy kicsit gyakoroltunk. Ügyesen megoldottad a nyákot. Én gratulálok. (legalább egymást dicsérjük) Köszönettel
Én is nagyon szépen köszönöm mind a kettőtöknek a segítséget,most jutottam géphez reggel.Most olyan gépnél vagyok amin nincs eagle de ha hazaérek meglesem de biztos vagyok benne hogy nagyszerü lett
Egy ideje próbálkozom már az átalakítással de nekem nem jött össze,ezért kértem segítséget.Mégegyszer köszi.
Igazán nincs mit!
Egy képet majd a kész műről ha felteszel, azt megköszönném.
Szia! Sajnos a megadott alkatrészt (SI9243AEY) nem találtam meg az alkatrész listában. S új alkatrészt csak-e emiatt nem akartam tervezni. Az auto táp-láb hozzárendelés miatt a sima átkötés sem volt jó.
Így csak a tok lábának lemásolásával tudtam megoldani a nyáktervet. Nem túl elegáns megoldás de viszonylag gyorsan meg volt. ( Az első eldobott kapcsolás után meg pláne. ) Jó lenne tudni hogy honnan lehetne letölteni a SI9243AEY EAGLE-s alkatrészrajzát. Vagy hol található meg... S azzal rendesen elkészíteni a nyáktervet. Szóval lehet még rajta finomítani.
Helló!
Valaki nem tudna nekem ehhez a hangfalvédő kapcsoláshoz egy nyákrajzot készíteni? Én nem tudok nyákot tervezni sajnos. Építeni akarok magamnak és egy pár haver erősítőjébe egy ilyen védelmet. Tehát ha valaki segítene azt nagyon szépem meg köszönném.
Helló Jani.
Nézd csak mit találtam. Már csak egy DIL tokot kell mellé tenni. Mi a véleményed? Köszi
Helló _Jani_.
Betettem egy DIL8-s tokot is. Megcsinálod neki még egyszer? Üdv.
Helló gleccser.
Nem egy bonyolult feladat, de tudni kellene: 1, milyen bemeneti csatlakozót akarsz 2, milyen reléd van 3, kimeneti csatlakozódat (az adott típusok vannak e az eagle-ben) Ezután lehet csak neki állni. (Bár a mai napi jó cselekedetünk _Jani_ -val már meg volt.) Üdv.
Szuper lett,most tudtam megnézni.Természetesen rakok fel képet.Köszi.
Figyi rakhatok egy sima 0ohmos ellenállást is nem muszály az SMD?
A 0-OHM-os ellenállás tulajdonképpen elszigetelt átkötés!
Akár huzal darabka is kerülhet oda. Csak ne érjen hozzá a forr-szidetek közöti vezető sávhoz. ( A 0-ohm-os SMD ellenállás mégis csak kényelmesebb. )
Még van mit finomítani a rajzon!
( Egy pár láb felirata és pozíciója nem jó. De ez is szép munka. :yes: ) Legalább a tok mérete jó!
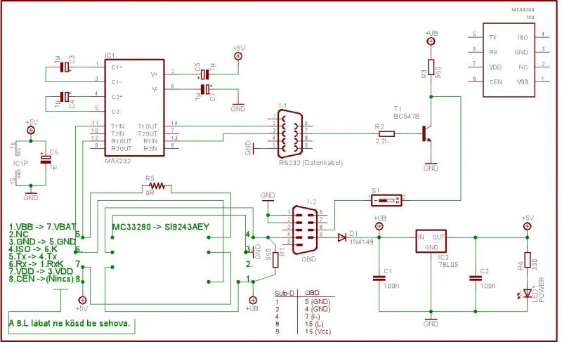
Közben találtam egy másik rajzot az előző interface-nek kicsit modernizált változata.Na most van egy dolog a rajzon amit nem értek bekarikáztam.Az lenne a kérdésem hogy ezt nyák tervezésnél hova kell kötni,berakni?Köszi.
A MAX232 táp lábaihoz minél közelebb!
Elkészült az átdolgozott terv. Mellékeltem a tömörítvényben a Si9241AEY.lbr (SMD)-t is de még nem tökéletes. ( Valamiért kiüti a nevet és nem az IC-khez raja hanem az U-dollárhoz. )
Áhh ez nagyon szép lett,hatalmas segítség.Köszönöm.Megpróbálom megtervezni a másik fajtát is remélem sikerrel járok.
Szia! Természetesen segítünk ( én biztosan
) !Nem egy nagyon bonyolult áramkörről van szó! 1: Ha te magad szeretnéd elkészíteni, akkor először az alkatrészeket szerez be! Amikor minden megvan, egy négyzethálós lapon elkezdheted az alkatrészeket elhelyezni az elvi rajzot alapul véve. Puha grafitceruza és radír kell a majd... Vagyis a tényleges tervezéshez.... Néhány váztat után formát fog ölteni az áramkör. 2: Természetesen használhatsz tervező programot. De ha papíron nem megy :no: , akkor a programmal még nehezebb lesz! S ha tudod használni a tervező programot akkor már készen is lennél vele. ... 3: [off] Egy könnyű és gyors megoldás...
Helló!
Azt hiszem inkább kézzel, négyzetrácsos füzetben próbálkozom. Nem nagyon ismerek nyákszerkeztő progikat, meg nincs is szükségem rá. De azért ha elkészül a rajz, leellenőrzöd majd? üdv.: gleccser16
Természetesen!
Ha már lesz egy használható rajz, akkor azt elkészítjük valamelyik áramkörtervező programmal. Mert annak mégis csak szép a nyomvonala.
A nyákterv nyomtatható változata.
( Nem tükrözött. Vagyis vasalós és fotó eljáráshoz jó. )
Szia! Küld el a kapcs. rajzot és segitek! Üdv misi.
Sziasztok!
Szeretném segítségeteket kérni egy NYÁK ellenőrzéséhez. A kapcsolást megtaláljátok ITT . Egy drótnélküli mikrofonról van szó. Kérlek titeket, hogy nézzétek át és minél előbb válaszoljatok (tudom, hogy nem illik siettetni, de ennek csütörtökig működnie kell és addig nem kezdek bele a nyomtatásba amíg valaki le nem ellenőrzi) Előre is köszönöm a segítséget!
Első ránézésre durva hiba csak a feszültség szabályzó IC kivezetéseinél van. De gondolom összevetetted az alkatrész bekötését a nyákra ültetett tokkal.
A másik, hogy minél nagyobb GND felületet alakíts ki! Skori kapcsolásánál is jól látszik a nagy GND felület. Lásd ezen a képen...
Üdv!
Itt egy másik nyákterv ugyan erről a kapcsolásról. Ha megfelel használd fel. |
Bejelentkezés
Hirdetés |





) Jó lenne tudni hogy honnan lehetne letölteni a SI9243AEY EAGLE-s alkatrészrajzát. Vagy hol található meg... S azzal rendesen elkészíteni a nyáktervet. Szóval lehet még rajta finomítani. 







