Fórum témák

» Több friss téma
Fórum » X / Y szkenner galvóépítés
 
Témaindító: Djatis, idő: Feb 22, 2007
Témakörök:
Lapozás: OK   10 / 41
(#) Roy Jones hozzászólása Nov 29, 2009 /
 
Winyónak a szedőfej"motorjával" még senki nem próbálkozott?Annak is neodímium a mágnese.Sőt én egy időre le is tettem a galvó építéséről,hisz az is galvó féleség, és elég gyorsan is mozog,nem beszélve arról,hogy azt is simán el lehet helyezni úgy,hogy x y tengelyen térítsen.Én megépítettem és elég jól szuperál.
(#) csezoli21 válasza wir12 hozzászólására (») Nov 29, 2009 /
 
Olyanjaid vannak mint a kisebbek?
Én holnap a kicsikkel is meg a nagyokkal is csinálok, egy egyszerűt tesztelés képen,...
Aztán finomítom folyamatosan,...
Köszi a segítséget!
Helló
(#) csezoli21 válasza Roy Jones hozzászólására (») Nov 29, 2009 /
 
Helló
Képet, videót láthatunk róla?
Helló
(#) dB_Thunder válasza watt hozzászólására (») Nov 29, 2009 /
 
A kérdésed rendkívül jó!
Mármint, hogy mit jelent a pl: 30kpps sebesség. Az ugye tudjuk hogy ez azt jelenti hogy 30000 pontot tud érinteni 1 másodperc alatt (konyhanyelven).
De ehhez kell(lene) még egy adat, méghozzá az, hogy mekkora ábrát tud ekkora felbontással rajzolni, ebből következtetve mekkora max elfordulása a galvó tengelyének. Ezt az adatot rendszerint lespórolják.
Itt található dokumentumban megadják a sebesség adat mellet hogy mekkora szög mellett értendő. Így lesz teljes képünk arról, hogy mit tud a galvó.
( Ha optikai szög 8 fokos akkor a galvó tengelyelfordulása mindössze +- 2 fok ! Ezzel a max 8 fokos optikai szöggel 10 méterre, majdnem 1,4x1,4 m méretű ábrát tudunk vetíteni. )
(#) Roy Jones válasza csezoli21 hozzászólására (») Nov 29, 2009 /
 
Persze itt vannak a képek videók .Az építmény nagyon kezdeti és próba stádiumban van még, bár 2 bulit már megcsináltam vele.Szal nem jellemző rám a kókányság.
Tehát 2 bulis videó egy rögtön összerakás után.
(#) csezoli21 hozzászólása Nov 30, 2009 /
 
Egy olyan x/y szkennerbe milyen áramkörök kellenek?
Kell DAC, Pid, meg még mik?
És ezek melyik mire szolgál?
Köszönöm a segítséget!
Helló
(#) watt válasza dB_Thunder hozzászólására (») Nov 30, 2009 /
 
Köszi a választ!
Van egy rész, amit nem értek:
Idézet:
„Ha optikai szög 8 fokos akkor a galvó tengelyelfordulása mindössze +- 2 fok !”

Ezt elmagyaráznád? Az optikai szög mitől lesz nagyobb, mint a tükör elfordulás szöge?
(#) Panhard válasza watt hozzászólására (») Nov 30, 2009 /
 
Az optikai szög 8 fokos azaz +-4fok. Ha a tükrön 2 fokot fordítasz, a lézerfény 4 fokot fog változni.
(#) watt válasza Panhard hozzászólására (») Nov 30, 2009 /
 
Köszi, leesett!
(#) Roy Jones hozzászólása Nov 30, 2009 /
 
Találtam egy elég jó oldalt lézerekről modulokról galvókról.Biztos van aki ismeri,de aki nem akkor kukkolja meg,van minden mi szem szájnak ingere a filléres és a profi cuccokig
LINK:galvó,modul
(#) zz0323 hozzászólása Dec 1, 2009 /
 
Azt mondja már meg nekem valaki, hogy mért jó lustának lenni
Vissza kell olvasni és MINDEN le van írva, ha valaki újra felteszi azokat a kérdéseket nemhogy válaszolni nem fogok, de még az értesítőt is törlöm, hogy "hozzászólás érkezett"!!!
-vinyó NEM alkalmas galvónak! (kicsi a szög)
-nem a tengelyre kell + mágneseket rakni, CSAKIS 1 lehet rajta (lassú lesz a súly miatt)
-a csapágyakért lehet fizetni 20ezret is, de emlékezetem szerint a műszerekben tűvel van megoldva a rögzítés
-AKÁRMILYEN bontott csapágy jó! körbeforogni SOSEM fog, na és ha az új használódik havonta cserélitek, vagy mi?
-és még valami. Egyre többen írnak ebbe a topicba (ami persze nem baj), csak ha valaki úgy vágja a mágnest, hogy a 2 pólusa külön lesz , annak szerintem a könyv dolognál kéne kezdenie :yes: (#567525)
-valaki írta, hogy: "nem akarok gányolni" akkor ha javasolhatnám a gyárit 30ezerért, mivel a tiéd, és akár kié sem fog még a közelébe sem érni a gyárinak!!!(alkatrészek lézerrel vágogatására nincs lehetőségem )
Na ennyit erről, további jó munkát mindenkinek
(#) Panhard válasza zz0323 hozzászólására (») Dec 1, 2009 /
 
Annyit fűznék hozzá, hogy vinyó nem azért nem jó galvónak mert kicsi a szög, hanem mert nagy a tehetetlensége.
(#) Roy Jones válasza zz0323 hozzászólására (») Dec 2, 2009 /
 
Én nem mondtam hogy a winyó szedőfej a legalkalmasabb,csupán gyengébb fényjátékokra pontosan megfelelő,ahhoz meg elég gyors hogy összefüggő krixrax legyen,hiába nagy a tehetetlensége.Lásd fenti videóim!Nyilván a galvó az galvó,leg megfelelőbb!Töröld az értesítőt,mi fog történni ,meghal a fórum?
(#) dB_Thunder válasza zz0323 hozzászólására (») Dec 2, 2009 /
 
Igazad van ezek a kezdő dolgok már legalább 2x le vannak írva !!
Másrészről te is vakvágányon vagy pár ponton:
-Vinyó tényleg nem jó galvónak, de ha a fejkaroktól megszabadítjuk, sugárjátékra elmegy, azért kár nekiállni a galvóépítésnek.
-Az akármilyen bontott csapágynál az általában a gond, hogy már ment belel kosz... És néha megragad ami nagyon szívatós dolog. Egyébként nem kell drága csapágy. Én gondolkodtam a torziós szálon is..
- a mágnesvágás az no komment... Figyelem A Neodímium mágnesek anyaga mérgező, és levegőn gyorsan oxidálódhat !! Ott ahol elvágtuk már nem lesz rajta védőbevonat!
- 30 ezerért elég jó galvót lehet készíteni már, ha az ember hozzájut egy esztergához.. ennyit a gányolásról..

És kellett volna még 20 szmájli a hozzászólásodba.
(#) Muri válasza zz0323 hozzászólására (») Dec 2, 2009 /
 
Idézet:
„a tiéd, és akár kié sem fog még a közelébe sem érni a gyárinak!!!”

Ezt láttad már? Igencsak közelébe ér a gyárinak, pedig semmilyen különleges alkatrészt, vagy szerszámot nem használt.
(#) zz0323 válasza Muri hozzászólására (») Dec 2, 2009 /
 
Igen láttam. Én az eladásra készült galvókra gondoltam, mert elég valószínű, hogy ELM galvójáért 5ezret sem adnék, nem hogy még 30-at
(Tudod, lehet, hogy jól működik, de ezt látványtechnikával foglalkozó SZAKEMBERNEK NEM lehet eladni). :yes:
(#) zz0323 válasza dB_Thunder hozzászólására (») Dec 2, 2009 /
 
Ja , majd legközelebb többet írok bele.
Van amiért már kaptam figyelmeztetést
(Viszont segíti a megértést )
(#) kovizozi hozzászólása Dec 2, 2009 /
 
Sziasztok!
Én is nekiláttam galvót készíteni egyelőre eggyett tapasztalat szerzésre.Végig olvastam az egész topikot, de arra nem kaptam választ hogy ha hálózati trafóról adok neki 9v váltót akkor szabad e neki forogni mintegy dc motor. Ez normális?
(#) Georgee válasza kovizozi hozzászólására (») Dec 2, 2009 /
 
Váltó áram esetén mozog
(#) kovizozi hozzászólása Dec 2, 2009 /
 
Erre a kérdésre még még válaszolt senki, és engem is érdekelne.... Bővebben: http://www.hobbielektronika.hu/forum/topic_hsz_568190.htm...568190
(#) Georgee válasza kovizozi hozzászólására (») Dec 2, 2009 /
 
Ne légy türelmetlen, amúgy le van irva minden.
(#) zz0323 válasza kovizozi hozzászólására (») Dec 2, 2009 /
 
DAC az ábravetítőhöz kell (ilyet a tapasztalatszerzésed legvégén csinálj)
Ha sok szép színt akarsz látni (feltéve ha RGB), akkor egyszerű erősítővel hajtod a galvókat, bár kb. 3x van leírva :yes:
(#) kovizozi válasza zz0323 hozzászólására (») Dec 2, 2009 /
 
ok köszi!
Pedig végig olvastam az egész topikot csak mindig este láttam neki ezért nem maradt meg minden..
Am csak 1 színben gondolkozok.
Kezdem érteni...
(#) dB_Thunder válasza zz0323 hozzászólására (») Dec 2, 2009 /
 
Elm galvója is gagyi, de már azzal is elérték az 18K @8° sebességet. Kicsit belehúzunk simán meg lesz a 25k-t, és az olcsó gyári lézerekben sincs jobb.

kovizozi!
Ez előfordulhat.... hasonló elven működnek az akvárium szivattyúk mocija is.
Másik, amit kérdeztél az már le van írva..
DigitalAnalogConverter, Ez azért kell hogy a gépről lehessen vezérelni.
ProportionalIntegralDerivative
Ez meg azért hogy ki tudd hozni a maximum sebességet a galvóból.
(#) kovizozi hozzászólása Dec 2, 2009 /
 
Ezen a kapcsoláson a JP3-as csatlakozó ( középtájt lejjebb.) az mi akarna lenni? Oda menne a vissza csatolás?

jah itt a linkBővebben: Link
(#) kovizozi válasza dB_Thunder hozzászólására (») Dec 2, 2009 /
 
Aha. Köszi!
Így már világosabb!
Az a kapcsolás amit belinkeltem az előbb az csak egy végfok vagy abba már benne van a PID is?
(#) dB_Thunder válasza kovizozi hozzászólására (») Dec 3, 2009 /
 
Igen a JP3-ra megy az optikai visszacsatolás ( annak a rajzát is megtalálod itt ha rákeresel a file mellékletekre)
Szerintem a JP3 és JP4-es csatlakókat célszerű egyesíteni, csatlakozónak pedig a számítógépeknél használt soros csatlakozót ajánlanám. (van is rá több példa a megvalósításra)

Amit belinkeltél az csak inkább egy PD szabályzó, mert kimaradt az integráló rész, ez némi offszet elmászást okozhat. A másik gond hogy az időállandókat csak alkatrészcserével lehet beállítani.
Egy rendes PID-hez 5 poti kell, plusz az egyéb sallangok beállításához, (mit pl az erősítés, offszet, túlfordulás elleni védelem, termikus védelem) szintén kell egy egy darab.
Nehogy azt higgyük, hogy ezek az extra beállítási lehetőségek, tényleg extrák és simán elhagyhatóak ! Nélkülük könnyedén a halálba küldhetjük a galvókat, ill a PID beállításánál is nagy segítségünkre lehetnek. Javaslom mindenkinek hogy olvasson utána a PID rendszerek beszabályzási menetének, mert nem egyszerű a feladat. Nekem a rendszer megismerése is elvitt pár délutánomat
(#) dB_Thunder hozzászólása Dec 3, 2009 /
 
Tükörügyben eszembe jutott az, hogy a mostani autóknál találhatunk olyan foncsort ami műanyagból készült, ha találunk megfelelő minőségűt akkor jobb alternatíva lehet mint a vinyótányérból kivágott darab.
ma reggel sikerült megtekintenem a törött indexlámpám belsejét, mert tegnap picsánvertem egy másik autót
(#) Panhard hozzászólása Dec 3, 2009 /
 
Idézet:
„Amit belinkeltél az csak inkább egy PD szabályzó, mert kimaradt az integráló rész, ez némi offszet elmászást okozhat. A másik gond hogy az időállandókat csak alkatrészcserével lehet beállítani.”


Most akkor melyik PID szabályzót érdemes megcsinálni?
Azt amit csatoltam, vagy ennek a lebutított változatát amiről szó van?

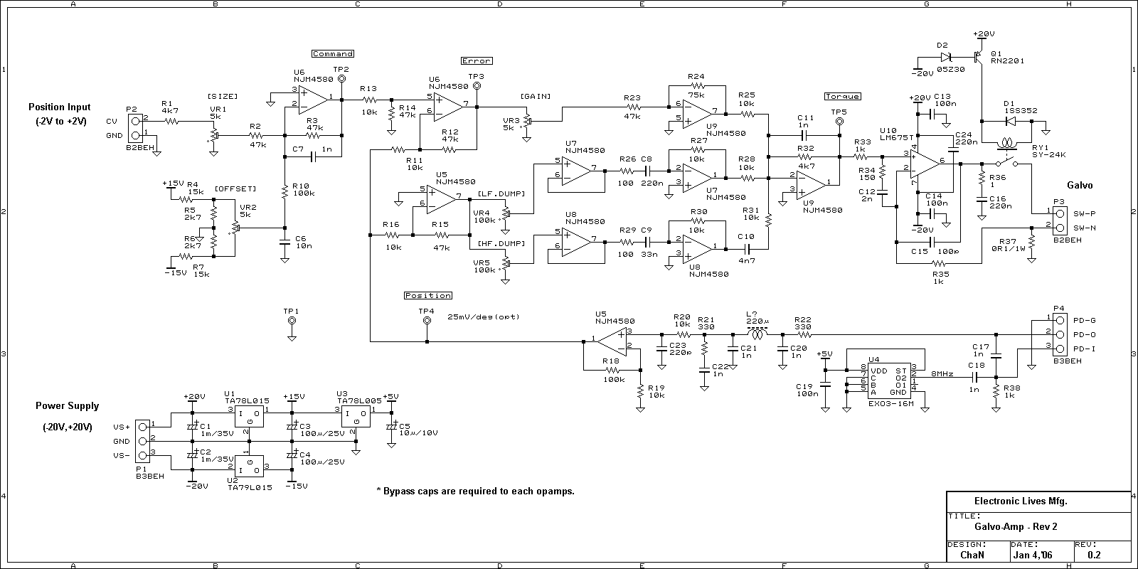
Másik dolog: A DAC0832-es ic tápfeszültsége hány Volt? mert itt a fórumon keringő rajzon 5V van megadva, de az adatlapján 17V van.

galamp2.png
    
(#) dB_Thunder válasza Panhard hozzászólására (») Dec 3, 2009 /
 
A neten NEM találsz csak ilyen DP szabályzókat, abból igazából tök mind1 melyiket csinálod, ugyanis mindegyiket hozzá kell hangolni az aktuálisan használni kívánt galvóhoz.
A DAC működne az magasabb feszültségről is, de nekünk akkor lesz jó a kimenő jelszint ha 5 voltról táplálod.
nekem van egy eladó 2 csatornás+ blanking DAC-om ha valakit érdekel. Én azért cserélem le mert többcsatornásra lesz szükségem. Ha valakit érdekel dobjon PÜ-t
Van egy rajzom ami PID-es gyári, abból én elkeztem egyet tervezni de az szerintem elszállt a vinyómmal, de ha megtalálom...
Következő: »»   10 / 41
Bejelentkezés

Belépés

Hirdetés
XDT.hu
Az oldalon sütiket használunk a helyes működéshez. Bővebb információt az adatvédelmi szabályzatban olvashatsz. Megértettem