Fórum témák
» Több friss téma |
Mielőtt kérdezel, a következő két dolgot ellenőrizd!
I. A helyes tápfeszültségek megléte.
II. A kimeneten van-e egyenfeszültség.
Élesztés.
Szia!
Csak szólok,hogy vigyázz a hangfalakra mert ha zúgást hallasz a hangfalakon akkor valószínű elég nagy feszültség van az erősítő kimeneten amit nem nagyon szeretnek a hangszórók.
De nem akkor zúgott amikor széthúztam hanem kikor hozzáértem a csatlakozóhoz.Ez egy 100wattos erősítő.Ha segít felrakom a kapcsolását.Szóval akkor a félvezetők,vagy mi?Egyébként kössz.
Igen én is így értettem, csak lehet, hogy rosszul írtam le.
Szia!
Belenéztem az erősítőbe, próbáltam úgy átnézni ahogy írtad. Találtam egy letört ellenállásvéget (fénykép alul). A hibás és a mellette lévő ellenállás forró volt - nem tudom ez számít-e? Ezen kívül minden hideg és semmi se mozgott, a cső izzik. Most hogyan tovább? (Az ellenállás a hűtőborda és a zengető között van, zöldes színű.) Bővebben: Link Máskor használd a link gombot img beszúrás helyett! szamóca
Szerintem annak az ellenállásnak nincs semmi baja. Azért teljesítmény ellenállás, mert valószínű nagyobb áram folyik rajta, olyan nagy amit már a 0,6W-os nem viselne el, ezért melegszik is, így az is valószínű természetesnek tekinthető.
Tisztelt fórumtársak.
Egy igen tanulságos dolgot szeretnék megosztani veletek. Több hónapja kínlódtam a hangcuccom építésével. Minden elektroms ezköz bekapcsolására óriásit reccsent . Többen többször is válaszukkal segítettek köbzoli, és mások is. A földelési hálózatot 3x építettem újra rengeteg drót és kellék fogyott. Ma végre megtaláltam a hiba okát. A tápom 2db gyári 48v-os ipari DC táp volt egyenként 6600 mikro elkóval. Ehhez soha nem nyúltam. Elfogadtam a márkanév nyújtotta garanciát. Hiba volt. Ma amikor már egy hajszál választott el attól hogy egy vödör vizet öntsek az egészbe utolsó esélyként betettem 2db 10000mikros kondit Elcsendesült azonnal. Most akár hegeszthetek mellette nem recseg .Tanulság: Soha semmi nem az aminek látszik. Csak az ellenőrzés és egészséges túlméretezés és kétkedés az ami megvédi az embert a szívástól. Üdv mrex
Remélem nem értettél félre!
A neved emlitése tiszteletből történt. Ami még a történet tanulsága globálisan: Megtanultam használni az RMAA-t Ha már nincs szkópom. Ha előbb kezdem el használni ezt akkor a hibát láthattam volna a torzításoknál az 50-100-200 hz.es tüskéket amik a táp hibájára utalhatnak(gondolom egyebek mellett) Megtanultam megvédeni a számítógépemet a túlvezézléstől. Kitaláltam a műterhelés elkészítésének módját, felismeretem ennek szükségességét. Továbbá nagyon szerény lettem ha földelési hálózatról van szó. Megértettem a Deszkamodell építésének miértjét. Már beletörődtem, hogy a végén a költségek drámaian megemelkednek, mert már először a jobb minőségű alkatrészt kellett volna megvenni. Amin feltétlenül javítanom kell az a vezetékezés külleme. Itt még bőven van mit fejlődni. Tehát rengeteget tanultam (bár nem volt szándékomban). És mindezt a Hobbielektronika fórumának, és a fórumtársaknak köszönhetem. Köszi mindenkinek.Van egy mondás kiirva a cégem egyik csarnokában.Ide illik. "Inkább használd 10 ember tapasztalatát, mint egy ember speciális tudását" Üdv mindenkinek mrex
Szervusz!
A hibásnak látszó ellenállás egyik lábát kiforrasztanám és megmérném az értékét alapmúszerrel és összehasonlítanám a rajta szereplő értékkel. 15-20% hiba felett cserélni kell. A másiknál igaza lehet Köbzolinak melegedhet, de ha nagyon forró azért gyanús. Valami zárlat is lehet. Csőzárlat nem valószínű, ha jól emlékszem próbáltad cserélni és nem pozítívan reagált rá.(Én már régi TV-ben jártam úgy, hogy kivettem a PCL 85-s csövet és az új is rossz volt.) Elkozárlat is lehet. Csak vékonyhegyű pákát, ónszívót használj! Fontos az ilyen áramkörökben szerzett forrasztási gyakorlat, alkatrészek ismerete és elméleti minimum. Ennek hiányában valóban jobb ha szakemberhez viszed.
Akkor a félvezetőket cseréljem ki.?De a trantisztor fűt mint állat és eddig meg nem melegedett csak alig.A heves melegedés lehet a félvezetők hibájátló?
A tranzisztor az egy félvezető. Ha az fűt akkor van rá esély, hogy nem az ment tönkre, de nem táplálj túl nagy reményeket efelé. A félvezetők gyakrabban szoktak tönkre menni mint a passzív alkatrészek. Mérés nélkül vakon ne cserélj ki semmit. A gyanús alkatrészeket kiforrasztod és megméred, ha jó akkor visszateszed, ha nem jó akkor cseréled. Jelen esetben a félvezetők gyanúsak, de az azokat meghajtó félvezetők nekem még gyanúsabbak lennének, ha a teljesítmény tranzisztorok melegek mint állat.
Talán amit már más is mondott azt a törött burkolatú ellenállást is forraszd ki és mérd le, ha egyezik a ráírt értékkel akkor mehet vissza. Ha leellenőrizted a félvezetőket, akkor jöhetnek a kondik, és legvégül az ellenállások is, és például ha valahol zárlatot mérsz ahol nem kéne legyen, akkor ott biztos valamelyik alkatrész rossz. Kihúzott hálózati dugóval szerelj és mérj. Persze ha már feszültségeket kell mérni akkor ezt így nem teheted meg, mert nem lesz benne a JUDO ha ki húzod a konnektorból a dugót.
De nem füstöl meg semmi csak melegszik.Mint állat azelőtt alig melegedett.Ja meg amikor ráadom a feszt akkor elkezd ropogni a trafó mint mikor túl nagy a felvétel.nem tudom hogy van-e összefüggés de gondoltam leírom.Szóval akkor próbáljam a diódákat?
üdv
Ha a trafó pattog kis idö elteltével a bekapcsolás után,akkor rövidre van zárva,és melegedik a drót,a lakkozás pattog rajta.Szerintem neis gondolkozz sokat,forraszd ki a végtranyókat és ugy mérd le.
Ez a leírás egy baromi nagy zárlatra utal, ahogy írják is. Talán a tápot nézd meg, ott biztos tud lenni ilyen nagy zárlat ami a trafót ennyire leterheli. Talán az egyenirányítást nézd meg, az szokott elszállni néha.
Ma megnéztem.A kimeneti csatlakozón legalább 2-3 volt van mivel egy led rendesem világít rajta.A tranzisztorok meg kbb.:30mp után úgy felmelegedtem hogy a cin is leolvadt róla.Nem értek a tranzisztorhoz de nem lehet hogy ott van zárlat?Ja és ha bementei zárlattól mi mehet szét?
Vagy nem lehet hogy túl nagy feszt kap és attól melegszik.Mert hiába kötöm rá az mp3at és a másik végén a hangszórót semmit nem csinál csak zúg.
A nyákon semmi sem melegszik,és sérülést nem látok sehol.
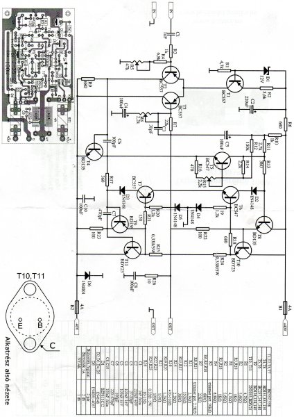
Itt a kapcsolási rajza:
Mérni kéne. Így nem lehet mondani semmit rá. Bekapcsoláskor a szekunder feszültségek megvannak rendesen?
A táp feszültségek megvannak még a tápnál? Rendesen szimmetrikus a feszültség? Eddig működött? Egyáltalán hány voltot kap a végfok? A tápod hogy néz ki pontosan? Mennyi az áramfölvétel? Primer és szekunder oldalon is. Aztán ha ez az eleje rendben van, akkor lehet beljebb haladni a hiba kereséssel, a végfok felé. Táp egyenirányítás nem melegszik, vagy ott valamelyik kondi?
Hali
Ha cso izzik akkor a ket ellenallas biztos jo mert ez a cso futokori korlatozo ellenallasa. De probald meg a kapcsrajzot megszerezni es az alapjan merni a tapfeszeket. Mondjuk azert nem art egy kis alkatreszismeret. Azert meg mindig azt mondom, hogy keress szakembert (ne bolti eladot es ne a szomszed Lajoskat) aki latott mar erositot kozelrol is es javitasd meg. Udv Vili
Nemtudom mit gondolkodol azokon a végtranyókon,azokban van a zárlat,lekel kötni és kész,csak a végtranyók okozhatnak olyan zárlatot,mivel azok vannak közvetlen kapcsolatban a tápágakkal,ha a vezérlö tenyók lennének kisülve ami nemgyakori,akkor is károsodtak a végtranyók mivel,hogy maxra kinyittak a tranyók és többet nemzáródtak be.Egyszeü a dolog,erösitöt lekötni,tápforrást mérni,ha minden jó akkor csak a v=egtranyók lehetnek zárlatosak,végtranyókat ki és mérni minden feszt.A kapcsoláshoz kell lennie leirásnak is,mivel ez egy üzletben vásárolható készlet erösitö.Mérni kell a kivezérlö tranzisztorokat is szakadásmérövel.Ha sipol akármék láb közt akkor azt cserélni kell.Ugyanigy kell eljárni a végtranyókkal is,de tegyél biztositékot is mindkét tápágba.Próbára pedig legalább egy 24voltos kis izzöt köss a biztositékok hejére,ha baj van akkor világit,és azt is llátod mejik tápágban van a gubanc.
Na, te legalább egyszerűbben elmondtad neki.
húha.Na mindenkinek a válasz.Szóval a bementőnél mindkét ágnál van biszti.Nekem tönkrement a mérőm a szomszédtól kértem egyet(őskori ,de a célnak megfelelt)eddig jó volt szépem működött minden.Ebből gondolom hogy a táp jó volt.Hogy most megvan-e az majd késöbb tudom megmondani de mindenesetre kössz a tippeket.Az egyenirányítás és a kondik nem melegednek.a trafó meg csak a normál hőmérsékletre melegszik.(épp hogy langyoska talán kb.:35-45C)
Akkor elkezdek méregetni,meg szakadást keresni.
Szia.
Érdekes,hogy milyen módon javult meg a készüléked.Pláne,hogy egy gyári kütyüről van szó. Én is beveszem a repertoáromba ezt a lehetőséget, ha ilyen jelenséggel találkozom. Most kezdek majd én is foglalkozni komolyabban az RMAA-val.Erről a továbbiakban majd ott. A javasolt műterhelést is elkészítettem. A napokban ki is próbálgatom az új amp.-ommal.
Uraim (hölgy csak egyszer volt amire emlékszem)!
A hangosítási projektem a célegyenesben és azonnal megszületett az igény a limiterre találtam egyet Eliot oldalán de nem tudom, hogy a 2N5459 helyett használhatok-e BF245-öt. Illetve hova helyezzem el az erősítőláncba a limitert. Az aktív hangváltó elé vagy minden végfok elé egyet? A melléklet fordítás a google-val Üdv Mrex
üdv
Igyekszem korrekt lenni,egy ijen egyszerü tranyós végfokozaton nemsok hiba lehetöség van,de elég szépen szól.Csináltam egy fél éve ugyan ezt a bekötést a barátomnak és használja még most is.
Hello!
Ez nem limiter, hanem dinamika kompresszor, de már kezdem megszokni ettől az Elliot-tól, hogy semmi sem az, aminek mondja. De hamár kompresszor, akkor annak piszkosul bonyolult és zajos. Viszont itt van neked egy egyszerű és nem zajos, ami még lineárisabb is, mint az Elliott féle. Az viszont érdekelne, hogy hogyan fordíttatsz le PDF tartalmat??
Szia!
A fordítást nyomtatom pdf formátumban .Köszönöm a kapcsolást de a fájlnévben írod,hogy compresszor nekem limiterre volna szükségem. Idézet: Valahol talán azt olvastam hogy ez az erősítő az Obelisk /HTA/ alapjaira van építve ? :hide: „HEED erősítőt/Canopus/?”
A kapcsolás nagyban eltér a két erősítőnél.
Nem nagyon láttam hogy heed ampokat építtgetnének itt a fórumon. Egyszerűségük, és jó megítélésük ellenére. |
Bejelentkezés
Hirdetés |




Most akár hegeszthetek mellette nem recseg .

.





