Fórum témák
» Több friss téma |
- Ez a felület kizárólag, az elektronikában kezdők kérdéseinek van fenntartva és nem elfelejtve, hogy hobbielektronika a fórumunk!
- Ami tehát azt jelenti, hogy a nagymama bevásárlását nem itt beszéljük meg, ill. ez nem üzenőfal! - Kerülendő az olyan kérdés, amit egy másik meglévő (több mint 17000 van), témában kellene kitárgyalni! - És végül büntetés terhe mellett kerülendő az MSN és egyéb szleng, a magyar helyesírás mellőzése, beleértve a mondateleji nagybetűket is!
helló.
http://www.haldorado.hu/shop.php?itemid=12327&zoneid=1 van 3 db elektromos kapásjelzőm "sima,mezei" ahhoz szeretnék egy távvezérlőt, vagyis ha a jelzőn kapás van akkor a távvezérlő is csipogjon. talán érthetően leírtam. gondolom valamilyen rádiós megoldással készülne
Sziasztok!
Azt szeretném kérdezni,hogy hány amperórás akkumulátort vegyek,ha van egy ilyen szivargyújtós inverterem,ami 75/100 wattot tud?A felvétele max 15 A. Igazából világításra szeretném használni úgy,hogy egy fából készűlt fákjára felfogatok izzó foglalatokat és energiatakarékos izzókat csavarnék a foglalatokba. Nyáron szeretném majd használni ha megyünk ki a tóhoz nyársalni.Kb. 6-7 órát kéne kibirnia,de szerintem azt a 6-7 órát úgyis max egy ilyen 10 wattos energiatakarékos izzóval kéne kibirnia mert majd úgy is mindenki ugat velem hogy minek sütöm ki a szemüket mikor itt a tűz De hát én ilyen világítás mániás vagyok És ugye azért szeretnék ilyen kis zselés aksit hogy a fákja mobil legyen Mert ha megyünk fát vágni akkor ugye jó ha a kocsi nincs a kidőlő fa közelébe A válaszokat előre is köszönöm. Minden jót!
Kellene tudni, hogy az invertered terhelés nélkül mennyit fogyaszt (a 10W-os energiatakarékos izzóval ez kb. összemérhető). Feltételezve, hogy 10W-al terhelve felvesz kb. 20W-ot, akkor az akkuból kb. 1,7A-t vesz fel. Ez 7 óra alatt 7h*1,7A=12Ah. Elvileg...
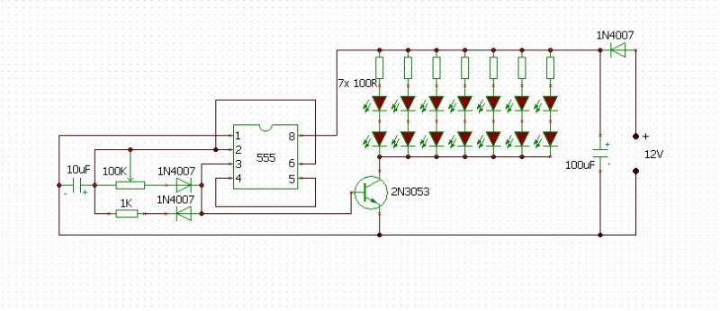
Sziasztok Ezt a kapcsolást szeretném elkészíteni itt a 14 led helyett lehet mondjuk csak 5-el csinálni??
Szia köszi,esetleg még ebben a kapcsolásban(Led-es hőfokmérő) tudnál segíten?Itt a 47k NTC értéke az megfelelő lehet vagy ettől eltérü értéküt is be lehetne építeni?Köszi
El lehet, de ne nagyon, mert ugyan tudod a 10K-s potival kalibrálni, de nem lesz arányos a skálázás. 50K-s mehet, de 100K-már nem biztos.
Hello zener diódán a csikos része a + vagy - oldal felé néz?és fekvő trimmert hogyan kell bekötni?Köszi
Sziasztok!
HQI lámpával kapcsolatban valaki felvilágosítana, hogy milyen ballaszt meg kondi meg mimég kell hozzá és miért? 250W-os izzó lenne, pontos típust még nem tudok. Köszi
Segítsen valaki légyszi összeraktam próbapanelen ezt a kapcsolást de a led csak folyamatosan világít és nem akar villogni.Esetleg az baj,hogyha csak 1db leddel raktam össze??és a tranzisztor helyett ami a kapcsoláson vanBC 140-10 es jelüt kaptam.Előre is kösszi!
Hát ez elég gáz kapcsolás....
Először is: az 555 4-es lábát kösd össze a 8-as lábbal, nem pedig az 5-össel. Azt hagyd szabadon. Ezenkivül a 3-as láb és a tranyó bázisa közé tegyél 1k ellenállást. A ledekkel soros 100 ohm kicsi, ide a ledektől függően ~470-820 ohm körüli kellene, ha a tápfeszültség 12V.
Szia
Bocsi,de az 555 ic 5 ös lábára nem egy kondi megy? a kondi másik lába pedig a testre? Ez a kondi 0,01µF-10µF értékig terjed. Nem kioktatásnak szánom,de mindegyik 555 IC-vel felépített kapcsolásnál láttam ezt a kondit(kivételek azért vannak ) az 555 5-ös (control voltage) lábánál...
Igen valóban szoktak tenni egy 10-33nF értékű kerámiakondit, de enélkül is működnie kellene.
De ha már itt tartunk, hadd kérdezzem meg tudod-e miért is alkalmazzák ezt a kondit, illetve a szóbanforgó kapcsolásnál miért nincs túlzottan nagy jelentősége, miért is működhet nélküle?
Nem tudom, hogy helyénvaló-e, de potikkal azért szoktak párhuzamosan kapcsolni kis értékű kondit, hogy ha véletlenül kontaktos lesz a poti mozgó lába, akkor ne szakadás legyen (vagyis maximális erősítés), hanem áthidalodik. De más okból is szoktak rakni kondit.
Ez is igaz, de a kérdéses kondi nem a potival kapcsolódik párhuzamosan.
Próbáld meg ezzel:
Bővebben: Link
Ebben a kapcsolásban a 24V-os zener mit csinál?
Véleményem szerint leginkább a helyet foglalja...
Feszültségtüskékre itt nemigen kell számitani, ha volna is, az elem elnyelné.
Szia, szerintem csak úgy ott van és várja a delejt ami pluszban jöhet, amit levezethet a testpontra.
Ja, ott van és létezik.
Nekem is hasonló véleményem van, ezért kérdeztem, hogy jól gondolom-e.
A másik kérdésem, hogy 10µF a kimenet- test és a bemenet-test között miért van vajon?
Tulajdonképp +/- táplálása van a cuccnak. a 4.7k ellenállások feszültségosztót képeznek, és kötési pontjuk a testpont egyben. A 220µF-ok pedig a pufferek, a közös pontjuk a féltápfeszen van. Váltóáramú szempontból a 10µF-on keresztül a közös pont egyben testpont is, egyenáramúlag viszont le van választva.
Ez valami csúcsfüleshez való meghajtófokozat?
Ami biztos, hogy füleshez meghajtó fokozat, hogy mennyire lesz csúcs, az majd kiderül. Van ilyen IC-m és úgy vagyok vele, hogy akkor miért ne próbáljam ki...
Az egész nyák lett vagy 5X6cm szép szellősen, figyelve a csillagpontokra, minden átkötés nélkül. Erről láttam képet, és az eredeti SOIC8IC-vel dolgozott, meg SMD ellenállásokkal, az egészben volt vagy 1X3cm.
őőőő
![]() vagyis én ![]() Nem tudom pontosan megválaszolni a kérdésed,csak találgatni tudok... Elektronika barát vagyok,ezért szoktam nézelődni a kapcs. rajzok között,és általában ott szokott lenni az 555 ic-vel felépített kapcsolásokon az a kondi. de hogy válaszoljak is: Annyit tudok,hogy a voltage control =feszültség vezérlés...(vagy valami ilyesmi) Tehát vagy annak az ellenálláson és a kondenzátoron(amivel be lehet állítani az ic vezérlését) átfolyó feszültségét állíthatja be az a kondi,vagy a 3-as lábon kifolyó áramhoz illetve feszültséghez van köze... Arra is gondoltam kis valószínűséggel,hogy a tápfeszültséghez van köze,mert az IC arra a tápfeszre lenne "bekalibrálva" a kondi segítségével. Mivel pontosan nem tudom a szerepét,ezért nem tudom,hogy miért nem szükséges... de érdekel a helyes válasz
Egyszerű. Az 5-ös lábon a mindenkori tápfeszültség 2/3 értékét lehet mérni, ez az alapbeállitás. Külső feszültségosztóval ez módositható, igy az időzités ideje befolyásolható. Pontos időzitéseknél a feszültségnek stabilnak kell lenni, külső zavarjelek hatására elmászhat. Ezt akadályozza meg a kondi, tehát csak szűrő funkciója van. Egy ilyen villogónál nem probléma, ha elhagyod, itt nem lényeges a preciz ki-bekapcsolás.
Köszönöm a választ,értelek
![]() Azt mondod szűrést végez az a kondenzátor. Akkor elvileg nagyobb kapacitásút is lehet tenni oda,csak felesleges lenne (gondom),mert az a pár nano pont elég oda. (ez a dolog az egyenirányítás utáni kondikról jutott eszembe,mert oda is lehet nagyobb kapacitású kondit rakni,de hiába lenne nagyobb,ha kisebb értékűvel is rendesen megszűrnénk a tápot)
Például én 100nF-ot szoktam rakni, mert ebből van sok.
SZIASZTOK! Lenne egy"amatör"kérdésem.és bocsi mindenkitöl ha nem jo helyen érdeklödök:Van két darab bf244a tipusu Fet tranzisztorom .nem ujak ."kitermeltem "egy másik kapcsolásbol.hogyan tudom megmérni multiméterrel hogy jók e,mert ,amig ujakat tudok beszerezni addig használnám ha tudnám hogy jok e vagy sem.Elöre is köszi bármilyen segitséget ,szép napot mindenkinek üdv.dddemeter
Lenne egy kérdésem es megkoszonném szepen ha valaszt kapnak ra
!! Az lenne hogy van egy Auto - Melynyomom Leiras : Boxer XB-10/A ACTIVE SAL 250W SUB BASS TUBE Ezt irja rajta kep rola : Bővebben: Link Bővebben: Link Milyen trafot kene vegyek hozza hogy tudjam hasznalni a hazban .... a szamitogeppel Koszonom es bocsanat ha valamit tevedek !
Üdv! Valaki ismer olyan kapcsolást hogy 2 nyomógombb van az egyikkel behúz egy 6V-os relét a másik gomb megnyomásakor meg elengedi. Magának az áramkörnek 12V-osnak kéne lenni!
|
Bejelentkezés
Hirdetés |







) az 555 5-ös (control voltage) lábánál...
