Fórum témák

» Több friss téma
Fórum » Elektronikában kezdők kérdései
- Ez a felület kizárólag, az elektronikában kezdők kérdéseinek van fenntartva és nem elfelejtve, hogy hobbielektronika a fórumunk!
- Ami tehát azt jelenti, hogy a nagymama bevásárlását nem itt beszéljük meg, ill. ez nem üzenőfal!
- Kerülendő az olyan kérdés, amit egy másik meglévő (több mint 17000 van), témában kellene kitárgyalni!
- És végül büntetés terhe mellett kerülendő az MSN és egyéb szleng, a magyar helyesírás mellőzése, beleértve a mondateleji nagybetűket is!
Lapozás: OK   777 / 4037
(#) roland87 hozzászólása Feb 9, 2010 /
 
helló.
http://www.haldorado.hu/shop.php?itemid=12327&zoneid=1

van 3 db elektromos kapásjelzőm "sima,mezei" ahhoz szeretnék egy távvezérlőt, vagyis ha a jelzőn kapás van akkor a távvezérlő is csipogjon. talán érthetően leírtam. gondolom valamilyen rádiós megoldással készülne
(#) zolyma hozzászólása Feb 9, 2010 /
 
Sziasztok!
Azt szeretném kérdezni,hogy hány amperórás akkumulátort vegyek,ha van egy ilyen szivargyújtós inverterem,ami 75/100 wattot tud?A felvétele max 15 A.
Igazából világításra szeretném használni úgy,hogy egy fából készűlt fákjára felfogatok izzó foglalatokat és energiatakarékos izzókat csavarnék a foglalatokba.
Nyáron szeretném majd használni ha megyünk ki a tóhoz nyársalni.Kb. 6-7 órát kéne kibirnia,de szerintem azt a 6-7 órát úgyis max egy ilyen 10 wattos energiatakarékos izzóval kéne kibirnia mert majd úgy is mindenki ugat velem hogy minek sütöm ki a szemüket mikor itt a tűz
De hát én ilyen világítás mániás vagyok
És ugye azért szeretnék ilyen kis zselés aksit hogy a fákja mobil legyen Mert ha megyünk fát vágni akkor ugye jó ha a kocsi nincs a kidőlő fa közelébe
A válaszokat előre is köszönöm.
Minden jót!
(#) kendre256 válasza zolyma hozzászólására (») Feb 9, 2010 /
 
Kellene tudni, hogy az invertered terhelés nélkül mennyit fogyaszt (a 10W-os energiatakarékos izzóval ez kb. összemérhető). Feltételezve, hogy 10W-al terhelve felvesz kb. 20W-ot, akkor az akkuból kb. 1,7A-t vesz fel. Ez 7 óra alatt 7h*1,7A=12Ah. Elvileg...
(#) Patesz hozzászólása Feb 10, 2010 /
 
Sziasztok Ezt a kapcsolást szeretném elkészíteni itt a 14 led helyett lehet mondjuk csak 5-el csinálni??

strobi.jpg
    
(#) Patesz hozzászólása Feb 10, 2010 /
 
Szia köszi,esetleg még ebben a kapcsolásban(Led-es hőfokmérő) tudnál segíten?Itt a 47k NTC értéke az megfelelő lehet vagy ettől eltérü értéküt is be lehetne építeni?Köszi

névtelen.gif
    
(#) Action2K válasza Patesz hozzászólására (») Feb 10, 2010 /
 
El lehet, de ne nagyon, mert ugyan tudod a 10K-s potival kalibrálni, de nem lesz arányos a skálázás. 50K-s mehet, de 100K-már nem biztos.
(#) Patesz hozzászólása Feb 10, 2010 /
 
Hello zener diódán a csikos része a + vagy - oldal felé néz?és fekvő trimmert hogyan kell bekötni?Köszi
(#) szbalogh hozzászólása Feb 10, 2010 /
 
Sziasztok!

HQI lámpával kapcsolatban valaki felvilágosítana, hogy milyen ballaszt meg kondi meg mimég kell hozzá és miért?
250W-os izzó lenne, pontos típust még nem tudok.

Köszi
(#) Patesz hozzászólása Feb 10, 2010 /
 
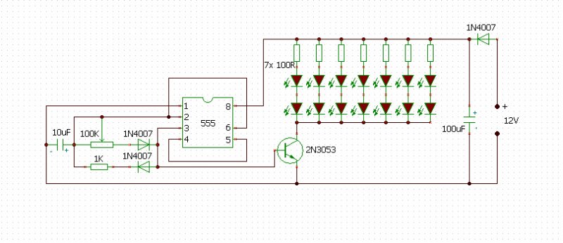
Segítsen valaki légyszi összeraktam próbapanelen ezt a kapcsolást de a led csak folyamatosan világít és nem akar villogni.Esetleg az baj,hogyha csak 1db leddel raktam össze??és a tranzisztor helyett ami a kapcsoláson vanBC 140-10 es jelüt kaptam.Előre is kösszi!

strobi.jpg
    
(#) mex válasza Patesz hozzászólására (») Feb 10, 2010 /
 
Hát ez elég gáz kapcsolás....
Először is: az 555 4-es lábát kösd össze a 8-as lábbal, nem pedig az 5-össel. Azt hagyd szabadon. Ezenkivül a 3-as láb és a tranyó bázisa közé tegyél 1k ellenállást. A ledekkel soros 100 ohm kicsi, ide a ledektől függően ~470-820 ohm körüli kellene, ha a tápfeszültség 12V.
(#) Patesz válasza mex hozzászólására (») Feb 10, 2010 /
 
Okés,köszi mindjárt ki is próbálom!
(#) Pulyka válasza mex hozzászólására (») Feb 10, 2010 /
 
Szia

Bocsi,de az 555 ic 5 ös lábára nem egy kondi megy?
a kondi másik lába pedig a testre?
Ez a kondi 0,01µF-10µF értékig terjed.
Nem kioktatásnak szánom,de mindegyik 555 IC-vel felépített kapcsolásnál láttam ezt a kondit(kivételek azért vannak ) az 555 5-ös (control voltage) lábánál...

(#) mex válasza Pulyka hozzászólására (») Feb 10, 2010 /
 
Igen valóban szoktak tenni egy 10-33nF értékű kerámiakondit, de enélkül is működnie kellene.
De ha már itt tartunk, hadd kérdezzem meg tudod-e miért is alkalmazzák ezt a kondit, illetve a szóbanforgó kapcsolásnál miért nincs túlzottan nagy jelentősége, miért is működhet nélküle?
(#) Kovidivi válasza mex hozzászólására (») Feb 10, 2010 /
 
Nem tudom, hogy helyénvaló-e, de potikkal azért szoktak párhuzamosan kapcsolni kis értékű kondit, hogy ha véletlenül kontaktos lesz a poti mozgó lába, akkor ne szakadás legyen (vagyis maximális erősítés), hanem áthidalodik. De más okból is szoktak rakni kondit.
(#) mex válasza Kovidivi hozzászólására (») Feb 10, 2010 /
 
Ez is igaz, de a kérdéses kondi nem a potival kapcsolódik párhuzamosan.
(#) mate_x válasza Patesz hozzászólására (») Feb 10, 2010 /
 
Próbáld meg ezzel:
Bővebben: Link
(#) hapro hozzászólása Feb 10, 2010 /
 
Ebben a kapcsolásban a 24V-os zener mit csinál?
(#) mex válasza hapro hozzászólására (») Feb 11, 2010 /
 
Véleményem szerint leginkább a helyet foglalja...
Feszültségtüskékre itt nemigen kell számitani, ha volna is, az elem elnyelné.
(#) teodor válasza hapro hozzászólására (») Feb 11, 2010 /
 
Szia, szerintem csak úgy ott van és várja a delejt ami pluszban jöhet, amit levezethet a testpontra.
Ja, ott van és létezik.
(#) hapro válasza mex hozzászólására (») Feb 11, 2010 /
 
Nekem is hasonló véleményem van, ezért kérdeztem, hogy jól gondolom-e.

A másik kérdésem, hogy 10µF a kimenet- test és a bemenet-test között miért van vajon?
(#) mex válasza hapro hozzászólására (») Feb 11, 2010 /
 
Tulajdonképp +/- táplálása van a cuccnak. a 4.7k ellenállások feszültségosztót képeznek, és kötési pontjuk a testpont egyben. A 220µF-ok pedig a pufferek, a közös pontjuk a féltápfeszen van. Váltóáramú szempontból a 10µF-on keresztül a közös pont egyben testpont is, egyenáramúlag viszont le van választva.
Ez valami csúcsfüleshez való meghajtófokozat?
(#) hapro válasza mex hozzászólására (») Feb 11, 2010 /
 
Ami biztos, hogy füleshez meghajtó fokozat, hogy mennyire lesz csúcs, az majd kiderül. Van ilyen IC-m és úgy vagyok vele, hogy akkor miért ne próbáljam ki...
Az egész nyák lett vagy 5X6cm szép szellősen, figyelve a csillagpontokra, minden átkötés nélkül.
Erről láttam képet, és az eredeti SOIC8IC-vel dolgozott, meg SMD ellenállásokkal, az egészben volt vagy 1X3cm.
(#) Pulyka válasza mex hozzászólására (») Feb 11, 2010 /
 
őőőő
vagyis én

Nem tudom pontosan megválaszolni a kérdésed,csak találgatni tudok...
Elektronika barát vagyok,ezért szoktam nézelődni a kapcs. rajzok között,és általában ott szokott lenni az 555 ic-vel felépített kapcsolásokon az a kondi.
de hogy válaszoljak is:

Annyit tudok,hogy a voltage control =feszültség vezérlés...(vagy valami ilyesmi)
Tehát vagy annak az ellenálláson és a kondenzátoron(amivel be lehet állítani az ic vezérlését) átfolyó feszültségét állíthatja be az a kondi,vagy a 3-as lábon kifolyó áramhoz illetve feszültséghez van köze...
Arra is gondoltam kis valószínűséggel,hogy a tápfeszültséghez van köze,mert az IC arra a tápfeszre lenne "bekalibrálva" a kondi segítségével.

Mivel pontosan nem tudom a szerepét,ezért nem tudom,hogy miért nem szükséges...

de érdekel a helyes válasz
(#) mex válasza Pulyka hozzászólására (») Feb 11, 2010 /
 
Egyszerű. Az 5-ös lábon a mindenkori tápfeszültség 2/3 értékét lehet mérni, ez az alapbeállitás. Külső feszültségosztóval ez módositható, igy az időzités ideje befolyásolható. Pontos időzitéseknél a feszültségnek stabilnak kell lenni, külső zavarjelek hatására elmászhat. Ezt akadályozza meg a kondi, tehát csak szűrő funkciója van. Egy ilyen villogónál nem probléma, ha elhagyod, itt nem lényeges a preciz ki-bekapcsolás.
(#) Pulyka válasza mex hozzászólására (») Feb 11, 2010 /
 
Köszönöm a választ,értelek

Azt mondod szűrést végez az a kondenzátor.
Akkor elvileg nagyobb kapacitásút is lehet tenni oda,csak felesleges lenne (gondom),mert az a pár nano pont elég oda.
(ez a dolog az egyenirányítás utáni kondikról jutott eszembe,mert oda is lehet nagyobb kapacitású kondit rakni,de hiába lenne nagyobb,ha kisebb értékűvel is rendesen megszűrnénk a tápot)
(#) mex válasza Pulyka hozzászólására (») Feb 11, 2010 /
 
Például én 100nF-ot szoktam rakni, mert ebből van sok.
(#) dddemeter hozzászólása Feb 11, 2010 /
 
SZIASZTOK! Lenne egy"amatör"kérdésem.és bocsi mindenkitöl ha nem jo helyen érdeklödök:Van két darab bf244a tipusu Fet tranzisztorom .nem ujak ."kitermeltem "egy másik kapcsolásbol.hogyan tudom megmérni multiméterrel hogy jók e,mert ,amig ujakat tudok beszerezni addig használnám ha tudnám hogy jok e vagy sem.Elöre is köszi bármilyen segitséget ,szép napot mindenkinek üdv.dddemeter
(#) djhua hozzászólása Feb 11, 2010 /
 
Lenne egy kérdésem es megkoszonném szepen ha valaszt kapnak ra !!

Az lenne hogy van egy Auto - Melynyomom
Leiras :
Boxer XB-10/A ACTIVE SAL
250W SUB BASS TUBE

Ezt irja rajta
kep rola : Bővebben: Link
Bővebben: Link

Milyen trafot kene vegyek hozza hogy tudjam hasznalni a hazban .... a szamitogeppel
Koszonom es bocsanat ha valamit tevedek !
(#) El_Pinyo válasza dddemeter hozzászólására (») Feb 11, 2010 /
 
Szia!
Itt nézelődj!
(#) rammeradrian hozzászólása Feb 11, 2010 /
 
Üdv! Valaki ismer olyan kapcsolást hogy 2 nyomógombb van az egyikkel behúz egy 6V-os relét a másik gomb megnyomásakor meg elengedi. Magának az áramkörnek 12V-osnak kéne lenni!
Következő: »»   777 / 4037
Bejelentkezés

Belépés

Hirdetés
XDT.hu
Az oldalon sütiket használunk a helyes működéshez. Bővebb információt az adatvédelmi szabályzatban olvashatsz. Megértettem