Fórum témák

» Több friss téma
Fórum » Erősítőhöz való hangsugárzó védelem (koppanásgátló)
Lapozás: OK   47 / 196
(#) Kovidivi válasza Kovidivi hozzászólására (») Dec 28, 2009 /
 
Ha az időállandót RxC-vel számoljuk ki, akkor egész jól tippeltem. 2kohm kell (0.000001 F x 2000 ohm = 0.002) elvileg.
(#) didyman válasza Kovidivi hozzászólására (») Dec 28, 2009 /
 
Kicsit megbonyolódott, majd átszaladok rajta.
(#) Systy válasza Ant hozzászólására (») Dec 30, 2009 /
 
engem érdekelne a kapcsolás!!!

Szeretném a kapcs.rajzot elkérni a webvas@hotmail.com
cimemre!!!

Köszi szépen!!!

Szilveszter
(#) Kovidivi válasza didyman hozzászólására (») Jan 6, 2010 /
 
Hello!
Sikerült valamit kitalálni?
Üdv!
(#) scooby_ hozzászólása Jan 9, 2010 /
 
Sziasztok!
Szabi83 régebben feltette ebbe a fórumba ezt a nyákot.
Kérdésem az lenne: Ez monó vagy sztereó végfokra lett tervezve?
Ugyan is a báttyám ugyan ezt a kapcsolást építette meg,de Ők egy reléhez kétszer tervezték rá egy nyákra ezt a kapcsolást.

A nyákot már én terveztem át. a nevemet pedig letörölheti aki akarja!
(#) didyman válasza Kovidivi hozzászólására (») Jan 9, 2010 /
 
Elfelejtettem, meglesem maholnap.
(#) szamóca válasza scooby_ hozzászólására (») Jan 9, 2010 /
 
Ez sztereó. A két csatorna jelét a 22k ellenállások után összegzi. majd az npn pnp tranyópár figyeli az egyenfeszt, il. a "túlvezérlést". Van benne meghúzáskésleltetés, azonban kikapcsolásnál nem bontja azonnal jelfogó érintkezőket. Nincs váltófesz. figyelése.
(#) Tök Ödön hozzászólása Jan 9, 2010 /
 
klipp!???
egy kis dilemma. ugye a végfokot ha határolásig (csak addig) kivezérejlük, akkor tovább már nem lehet. mert a maximumnál nincs maximumabb. ezért a kimenetröl nem lehet tulvezérlésjelzöt müködtetni. mert teljes kivezérlésnél, nincs teljesebb. kivéve ha lenne két azonos tulajdonságu erösitö, amibol az egyiket soha, amásikat meg ahogy sikerül, vezéreljük ki. és a két jelet hasonlitjuk össze. ennél célravezetöbb inkább a bemeneti jelet figyelni. és egy limitszin felet jelezni.
(#) Tök Ödön válasza scooby_ hozzászólására (») Jan 9, 2010 /
 
egy sztreo végfokba egy áramkör elég, ha a relé is kétsoros. a két bemenetet egyszerüen közösiteni kell. felesleges kettöt csinálni, de azért nem is tiltott.
(#) scooby_ válasza szamóca hozzászólására (») Jan 9, 2010 /
 
Szia!
Ha kicsit előbb írtok,nem vasalom fel a báttyám erősítőjéhez készítette védelmet. Az is ugyan erre a kapcsolásra épül,csak éppen kétszer van rajta.
Közben feltaláltam(?) a spanyol viaszt,mert sima nyomtatóval nyomtattam A4-es fénymásoló papírra,és azt vasaltam fel a nyákra. Az eredmény magáért beszél.
A többit majd a nyákos topikban!
(#) Kovidivi válasza Tök Ödön hozzászólására (») Jan 9, 2010 /
 
A maximumnál (torzítatlan jelnél) van "nagyobb jel", ami úgy néz ki, hogy a szinusz teteje és alja nem hullámforma, hanem le van vágva. Ez torzítást okoz, a hangszórókra káros. Ezt szeretnénk jelezni.
(#) Alkotó válasza Tök Ödön hozzászólására (») Jan 9, 2010 /
 
Ezt nem értem. Attól hogy egy erősítőnek van maximális kivezérelhetősége, attól még azt lehet tovább is vezérelni, csak a jel elkezd torzítani. Ha jobban túlvezérled akkor jobban torzít, és akár szélsőséges esetben akkora vágást is el lehet érni, hogy már szinte négyszögjel van a kimeneten.
Persze ettől függetlenül, ha szintérzékelés alapján akarod a kivezérlés mértékét mérni, azt a bemeneten is megteheted.
Általában itt is szokták, mert erősítőknél lehet mérni a tényleges hangerőt produkáló szintet, és lehet mérni a rendelkezésre álló jelet is. (hangerő poti előtt vagy után). Pl a MARANTZ erősítőkben nagy divat volt óriási mutatós műszereket használni, amik nekem nagyon tetszettek, szép kéken meg voltak világítva, szuperül néztek ki.
(#) Tök Ödön válasza Alkotó hozzászólására (») Jan 9, 2010 /
 
ha korrektül akarunk eljárni akkor feszültség szintet figyelünk. ekkor a kimaneti határolási szintnél nincs magasabb. ezért inkább jobb ha bemeneti jelet figyeljük, met az független a kimeneti határadatoktol.
(#) Alkotó válasza Tök Ödön hozzászólására (») Jan 9, 2010 /
 
Ez nem így van. A feszültség nagysága a jelalak területével arányos. Attól hogy elkezdi vágni mondjuk a színusz tetejét, attól a jelalak területe (mivel felül szélesedik) még nőni fog, nem arányosan, de fog nőni.
(#) Kovidivi válasza Tök Ödön hozzászólására (») Jan 9, 2010 /
 
A bemenő jelen mit figyeljünk? Van egy erősítőm. Ha 2ohmmal terhelem, bezuhan a táp, x feszültségnél már torz a jel, és ekkor még a bemenő jel sehol sincs ahhoz képest, ha a két 8ohmos hangfalam sorosan rákötöm (16ohm). Ez így nem célravezető. Sőt. Egy A osztályú erősítő, és egy AB osztályú teljesen máshogy viselkedik torzítás szempontjából. A bemenő jel-nek alig van köze a torzításhoz. Lehetne figyelni, hogy egy szintnél figyelmeztessen, de az nem lenne korrekt jelzés.
Idézet:
„jobb ha bemeneti jelet figyeljük, met az független a kimeneti határadatoktol”
-na ezaz. Ha független attól ,hogy mikor torzít az erősítő, akkor hogyan jellezzen torzításkor? Üdv!
(#) scooby_ válasza scooby_ hozzászólására (») Jan 10, 2010 /
 
Ma be is forrasztgattam mindent a védelembe,elég jól működik. mondták páran,hogy már 1.5V-nál is behúz. Ezt ugyan még nem próbáltam,de amint lesz rá alkalmam,kipróbálom.
(#) MD_Pepe válasza Kovidivi hozzászólására (») Jan 11, 2010 /
 
Sziasztok,

Szerintem a túlvezérlést két feszültség egymáshoz való viszonyával lehet figyelni: a végerősítő tépfeszültségének és a kimeneti jel feszültségének a figyelésével.

A kimeneti feszültséget lehet származtani a bemenetiből, mert ugye a bemeneti feszültséget megszorzom a feszültség-erősítési tényezővel és így megkapom a kimeneti feszültséget és ennek megfelelően méretezem a figyelő áramkört. De mi van akkor, ha valamilyen oknál fogva megváltozik a fixnek feltételezett feszültség-erősítési tényező? Ekkor vagy hamarabb, vagy később fog jelezni a figyelő áramkör. Ezért szerintem jobb, ha közvetlenül a kimeneti feszültséget figyeljük.

"A feszültség nagysága a jelalak területével arányos. Attól hogy elkezdi vágni mondjuk a színusz tetejét, attól a jelalak területe (mivel felül szélesedik) még nőni fog, nem arányosan, de fog nőni."

A kimeneti feszültség effektív értéke valóban függ a feszültségfüggvény alatti területtel. A felharmonikusok száma is ezzel arányosan nő és ez az, ami veszélyes lehet pl. a magassugárzókra.

Üdv,

Pepe
(#) didyman válasza MD_Pepe hozzászólására (») Jan 11, 2010 /
 
Ha visszaolvastad,pont két feszültség arányáról beszélgetünk, csak ehhez nem a tápfeszt vesszük alapul, hanem a bemenő és kimenő jelet. Ennek megvalósíthatósága a kérdés, amit szeretnénk lemodellezni és kipróbálni. A feszültségerősítési tényező mitől változna meg? Van némi hőfokfüggésünk, meg valamekkora öregedés, ami hatással van a visszacsatolásra és a munkapontokra. Ezek hatását hasra egy 10%-os hibahatár alá tesszük be, már ami a cip detector működését illeti. Amivel még nem foglalkoztunk,az az eleve torz bemenőjel megjelenése, ennek lekövetése viszont komolyabb módszert kíván,amivel pláne nincs időm foglalkozni, sajnos ezzel a megoldással is alig, erre viszont nekem is lenne igényem és kollégának is, aki megrendelésre építi a többszáz W-os végfokokat (=neki sincs ideje tervezni ).
A működésrőlannyit, hogy az elv az független a tápfesz belengésétől és a terhelőimpedanciától is, mert legyen az vagy a kimenet tápfeszt megközelítő szintje (túlvezérlés), vagy az áramkorlátozás által történő vágás (túlterhelés, rövidzárlat), az eredmény mindenképpen hibajel lesz, torzítás. Túlterhelés esetén nyilván belép a képbe a kimeneti impedancia is, mint a kimenőjelet a terhelésen osztó tényező, ami extrém esetben szintén annyira eltérő jelszintet eredményez, amire a clip detector jelez. Akárhogyis, a végfok normál paraméterein kívül kényszerű működni, aminek jelzése a célunk.
(#) MD_Pepe válasza didyman hozzászólására (») Jan 11, 2010 /
 
Szia,

Visszaolvastam (illetve elolvastam) a hozzászólásokat és azok alapján írtam a véleményemet. Az egyiket idéztem is.

A feszültség-erősítési tényezőnél pont a hőmérséklet-függésre gondoltam. Ha az nem baj, hogy kb. 10%-kal hamarabb jelez az áramkör, akkor persze nincs gond.

Üdv,

Pepe
(#) didyman válasza MD_Pepe hozzászólására (») Jan 11, 2010 /
 
Nem 10%-kal hamarabb, hanem 10% tűréssel. Ez "legrosszabb" esetben 5%-kal hamarabbat jelent. A hőfokfüggő elvándorlás szerintem meg sem képes közelíteni ekkora eltérést, ha kicsit is odafigyeléssel választunk alkatrészt a végfokban.
(#) Robi85 hozzászólása Jan 19, 2010 /
 
Sziasztok.

Van egy hangszóró védő áramköröm, ami egy kicsit beteg. Elégett benne 3db ellenálás és 2 db tranyó. a tranyók azok valószinüleg BC337 tipusok mert van még benne kettő ami ép.

Ellenálások annyira elégtek hogy az egyik hiányzik is a panelről. Csatolok pár képet, igaz nem a legjobb minőség, de ha valakinek van valami ötlete, hogy mekkora lehetett benne akkor irjon legyen szives.

A relé egy RE-CO GPM-4 tipus.
(#) Robi85 válasza (Felhasználó 13571) hozzászólására (») Jan 19, 2010 /
 
Átnézegettem, de nem hasonlit rá az enyém. Fogalmam sincs hogy mekkora ellenálás kéne.

A két elégett ellenálás a + tápfeszt kapja meg és a táp felőli oldaluk közösitve van, a másik végük meg az elégett tranyókra megy. Egyik az egyikre másik a másikra. Még a tápfeszt se tudom hogy mekkora, de megnézem majd azt is.
(#) demcar hozzászólása Jan 20, 2010 /
 
Üdv mindenkinek!

Én most épitek egy TDA7294-es erősitőt és ahhoz kellene nekem egy hangszóró védő.
De nem olyat szeretnék ami olyan hagyományos hogy bekapcsolás után egy kis idő után rákapcsolja a hangszórót. Hanem valami olyanra gondoltam hogyha valami gond történik az erősitővel pl. felrobban az ic vagy hasonló, és hogy ne kapjon véletlenül nagy feszültséget a hangszóró és olyankor azonnal lekapcsolja az erősitőről a hangszórót. Valami ilyesmire gondoltam.

A segitséget előre is köszönöm!

demcar
(#) vendelkiraly válasza demcar hozzászólására (») Jan 20, 2010 /
 
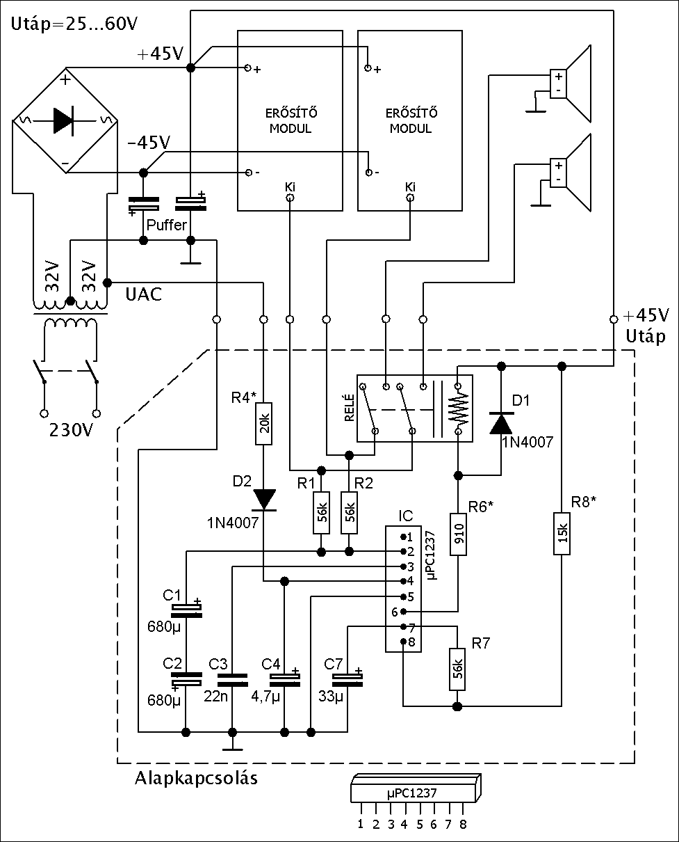
Én továbbrai is az IC-s védelmet ajánlom neked is és másnak is. Ha valami gubanc van az erősítőddel, ez tuti lekapcsol. A témával kapcsolatban találsz elég sok anyagot Alkotó is tervezett hozzá nyákot is. Az alapkapcsolás is tökéletes védelmet nyújt a kimeneten jelentkező DC fesszel szemben. Feszültség függvényében (25-60V) a csillaggal jelölt ellenállások értékét kell csak változtatnod.
(#) demcar válasza vendelkiraly hozzászólására (») Jan 20, 2010 /
 
Nagyom szépen köszönöm a kapcsolást mihint lesz egy kis időm megépitem!

Csak még ha lehetne arra megkérnélek hogy azokat a csillaggal jelölt ellenállásokéról nem tudnál többet mondani mert nemnagyon értem.
(#) hapro válasza demcar hozzászólására (») Jan 20, 2010 /
 
Én pedig itt a cikkek között található dbase féle áramkört ajánlom. Nem kerül pénzbe, ha van otthon pár darab tranzisztorod, és kondid, relét úgyis kell vegyél, ha nincs épp. Amiben kevesebb ettől az IC-től, hogy nem figyeli a trafó váltó feszültségét.
(#) Kovidivi válasza vendelkiraly hozzászólására (») Jan 20, 2010 /
 
Kár, hogy csak HQ-ban van ilyen IC...
(#) vendelkiraly válasza demcar hozzászólására (») Jan 20, 2010 /
 
Mekkora az erősítőd tápfszültsége? Mekkora a trafód szekunder váltó feszültsége? Ezen értékek függvényében kell az ellenállások értékeit változtatni.
(#) vendelkiraly válasza Kovidivi hozzászólására (») Jan 20, 2010 /
 
Sajnos nem mindenhol lehet kapni. Elvileg rendelni is lehet még valahonnét, Alkotót kell kérdezni ez ügyben. Ez már csak így szokott lenni, ha valami jó, akkor azt nehezen lehet kapni... (Budapestiek előnyben...)
Jut eszembe nekem is kéne vennem pár darabot, mert aztán itthagyom a nagyvárost, Győrben meg több ezer forintért árulják a Somogyis üzlet utódjában.
Az elektrokonthában se árúlják már. Múltkor megkérdeztem tőlük.
(#) Alkotó válasza Kovidivi hozzászólására (») Jan 21, 2010 /
 
Eltérőek az alkatrész vásárlási szokásaink.
Én itt: http://www.elektroart.hu/ vásárolok mindig. Talán csúnya dolog, de igazából egyáltalán nem érdekel, kitől vagy honnan szerzi be az alkatrészt. Nekem ez a hely is az ország másik vége, de ez se számít. Megrendelem ami kell, és aztán hozza a futár. A kedvezmény szinte mindig nagyobb minta amibe a szállítás kerül, így végül nem lehet rosszul járni.
Persze itt sincs minden, de biztos vagyok benne, hogy a kereskedő sokkal nagyobb rálátással rendelkezik mit-honnan kell beszereznie, mint bármelyikünk.
(csak zárójelben jegyezem meg, hogy pl. a lomextől is szokott vásárolni, és az onnan származó alkatrészek is olcsóbbak rajta keresztül, mint közvetlen a lomextól.)
Tehát senki ne mondja azt, hogy ha akar valamit venni, és az létezik, akkor nem lehet beszerezni.
Következő: »»   47 / 196
Bejelentkezés

Belépés

Hirdetés
XDT.hu
Az oldalon sütiket használunk a helyes működéshez. Bővebb információt az adatvédelmi szabályzatban olvashatsz. Megértettem