Fórum témák
» Több friss téma |
- Ez a felület kizárólag, az elektronikában kezdők kérdéseinek van fenntartva és nem elfelejtve, hogy hobbielektronika a fórumunk!
- Ami tehát azt jelenti, hogy a nagymama bevásárlását nem itt beszéljük meg, ill. ez nem üzenőfal! - Kerülendő az olyan kérdés, amit egy másik meglévő (több mint 17000 van), témában kellene kitárgyalni! - És végül büntetés terhe mellett kerülendő az MSN és egyéb szleng, a magyar helyesírás mellőzése, beleértve a mondateleji nagybetűket is!
Hello!
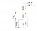
Az a kérdésem, hogy a képen látható áramkör CMOS IC-vel való megépítése esetén mit kell megváltoztatni? (12V)
Szia! Ez egy univerzális soros motor. Így a bekötése:
Egik tekercs Kezdete ( pl Fázis) -> Vége -> Szénkefe -> Forgórész -> Szénkefe -> Másik tekercs kezdete -> Vége. (PL Nulla ) Az a lényeg hogy az állórész vasmagjában a két mágneses pólus (É-D) ki tudjon alakulni. A forgásirányt a Kefe kivezetések felcserélésével tudod elvégezni.
Az alkatrészek adatlapjának átnézésével közelebb fogsz jutni a megoldáshoz. Az összehasonlításhoz a 741-es adatlapjára is szükséged lesz... Az, hogy a felsorolt OPA-k közül melyik lesz FUNKCIÓ KOMPATIBILIS, csak az alkalmazott kapcsoláson múlik. ( A 741 egy univerzális OPA. Ezért elég jól helyettesíthető hasonló tápfeszültségű OPA-kkal. )
Ebben a kapcsolásban lévő 741 -ről van szó
Bővebben: Link
Sziasztok!
Fényképezőgéphez építek távkioldót. A fényképezőgép távkioldója egy kétpólusú csatlakozó, és a két pólus közé kapcsolt ellenállással lehet vezérelni a gépet (nincs lenyomva az exponálógomb / félig le van nyomva / teljesen le van nyomva). (Discmanek fülhallgatóján lévő távvezérlő gombok is hasonló elven működnek, ha vannak). Egy ilyen távkioldót ábrázol az első mellékelt kép (Távkioldó működés.jpg). Az ellenállásokon eső feszültség mérése alapján valószínűleg egy 60 uA-es áramgenerátor lehet a gépen belül (vagy egy 2,442V-os feszültségforrás). A kérdés: ha az ellenállásokat mechanikus kapcsoló helyett elektronikusan akarom kapcsolni, méghozzá FEt-tel, akkor egyrészt: Tehetem-e azt a mellékelt kapcsolási rajz szerint? (Távkioldó FET-tel.png). Kell-e valamilyen egyéb komponens a FET-en kívül, illetve jól gondolom, hogy a két FET Drain, Source bekötése mellett a vezérlő eszköz (mikrokontroller) földjét is be kell kötni? Milyen, a HEstore-n is kapható FET-et javasoltok erre az egyszerű kapcsoló funkcióra? Erre a feladatra gondolom N csatornás MOSFET kell. Ilyen FET-el, mikrokontrolleres vezérléssel tulajdonképpen bármilyen nagyobb fogyasztót kapcsolgathatok? Pl. 100mA-es LED, stb.
Sziasztok!
Tudna valaki segíteni abban hogy, hogy tudom megálapítani egy ellenállásról hogy jó-e még? Előre is köszönöm!
Mérd meg!
oké de abból honnan tudom hogy jó-e?
Hát hogy annyi az ellenállása mint ami rá van írva.
akkor hogyha nem annyi akkor nem jó?
Ha még az ellenállás tűrésén belül van a mért érték akkor jó.
Idézet: „akkor hogyha nem annyi akkor nem jó?” Ha Tóth Zoltánt kiáltanak, kilépsz a sorból? Nem, mert nem az vagy. Az ellenállásra is azért írják rá az értékét, mert annyi (közelítőleg). Ha mondjuk az van ráírva, hogy 1 k Ohm, és Te 6816 Ohm -ot mérsz, akkor nyilvánvalóan meg van "nyúlva", és használhatatlan az 1 k Ohm -os ellenállás helyén.
Sziasztok!
Azt szeretném kérdezni, hogy mivel lehetne meghajtani 2 db, Peltier elemet ? 1. 15,4V 5,3A 57W 2. 15.4V 8,5A 85W Hálózati feszültségről.
De ha műszeredben az elem kezd lemerülni, akkor is mérhetsz butaságokat ! Ellenőrizd egy új ellenálláson, ami biztos jó, hogy a műszer jól mér.
Igen, csak használd a "Válasz" linket!
A Ni-Cd akkumulátorok felújításról mit gondoltok? Működik, vagy becsapják vele az embert? (Nem is értem, hogyan lehet felújítani.) A kérdés a Panasonic VW-VBS1E kamera-akkumulátorhoz kapcsolódik. Úgy látom, ez elérte az élettartama végét, feszültsége megvan, de a kamera bekapcsolás után 1 másodpercen belül le is áll. Ha az ördög ügyvédje vagyok, azt mondom, biztosan nem mondható ki az akkumulátor hibája, mert nincs másik energiaforrás a kamerához, még semmivel se tudtam bekapcsolni.
Közben kerítettem egy utángyártott, Ni-Mh (CAMCA60001) akkumulátort, azzal be se lehet kapcsolni, mert a feszültsége nem éri el a 2V-ot. Órákon át volt a töltőn, de hiába. A Ni-Mh így viselkedik, ha elhasználódott?
A felújítás a cellák cseréjével történik. Úgyhogy működhet.
Helló !
találtam itthon egy stabil tápegységet mely 5V-ot és 500mA-t tud leadni. Bekötöttem egy PIC-es villogót és rákötöttem a tápot. De nem működik. Megmértem a feszt a táp kimenetein és 3V-ra esett le valamit megmértem az áramot és nem hittem a szememnek 1mA-folyt az egész rendszeren. Vajon mit ronthattam el és hogyan lehetne megoldani hogy csak annyi áram follyon az áramkörömben amennyire annak szüksége van. A válaszokat előre is köszönöm.
Keresni kellene egy 10 .. 20 ohmos, 5 wattos ellenállást. Esetleg megfelelő izzót ( kerékpár hátsó izzó, két zseblámpa izzó sorba kötve... ) Azt rákötni a tápegységre és feszültséget, áramot mérni. Meg kell maradnia az 5 voltnak. Ha nem, akkor a tápegység rossz.
Ha jó a tápegység, akkor elmérted a villogó áramfelvételét.
Sziasztok!
AA ceruza akksis kérdésem lenne. Hogyan tudom megállapítani, hogy mekkora a maximális áramerősség ami le jön róla? Terhelés nélkül csak simán mérve mindegyiken kb. 2 A -t mértem. Ez reális adat? További kérdése hogy ha ez az akksi 2000 mAh kapacitású, akkor azt jelenti, hogy a fenti 2A áramerősséget evileg 1 órán keresztül tudja biztosítani? (Nem számolva midenféle veszteséggel, meg hogy mennyire van jó állapotban az akksi.) Köszi.
Igen elméletileg ez jeleni. De a gyakorlatban ekkora terheléssel hamar elhalálozik és nem is tudja a fenti értéknek csak a 80%-át.
A kérdés első felére is igen a válasz? Rövid ideig reális hogy 2A -t le tud adni? Jól mértem?
Azt még megkérdezhetem, hogy 80% miből adódik? |
Bejelentkezés
Hirdetés |













