Fórum témák
» Több friss téma |
Fórum » Inverteres hegesztőtrafó
Ennél komolyabb dolgokon sem szoktam mérgelődni
Idézet: „foglalkozni kellene a tovább fejlesztésével!” A rajzot azért (is) tettem fel hogy ezt megtegyék azok akiknek kedvük van hozzá. Nekem jó így ahogy van.
Ez a beszéd!
Akkor dolgozzunk! Írd meg, ha valamilyen fejlesztést csinálsz hozzá! A rajzodat köszönjük! Én most a Colt 1300 olcsó gép tovább fejlesztésén dolgozok a vezérlése SG3525 -re épül, ami nem egy rossz IC, kisegítő áramkörei tartalmazzák az Anti Sticking, Hot Start, Arc Force áramköröket! Az alkatrészek megvannak a teljes géphez! A végfokot erősítem meg! A trafója 8db U57 ből van elkészítve az eredeti E55 az IGBT-k HGTG12N60A4 helyett HGTG30N60A4 lesz 4db! Először a vezérlést szeretném tesztelni és ha az jól vizsgázik megépítem a többi részét is! Tudatni fogok mindent veletek amit tapasztalok! A nyákokat kell még meg csinálnom aztán jöhet a méricskélés!
Azért pár dolgot módosíthatnál, pl:
A szabájzó potit máshogy kösd be, mert hogy ha szakad akkor elmegy az áramvédelem. A BD-kre meg tehetnél diódákat. Esetleg, ha smd söntök hűtésével nem akarsz vesződni, akkor lehet fetet is használni, gate-t felhúzni a segédtápra és kész.
Jóvanna! Én nem mondtam, hogy a fél, vagy teljes hidas, vagy a forward a legjobb. Mindegyiknek megvan az előnye, meg a hátránya. Lehet rajta gondolkozni... de azért van véleményem... de nem tudok állást foglalni, visszautalva az első mondatomra. Egyébként, kétféle gép van: jó, meg rossz. :yes:
Tiszta öröm!
Milyen jó,hogy az ember egy jó kiadós piálás után hazaérkezve látja hogy van élet a neten. Lehet hogy reggel érdemes lesz újraolvasni mindent?!
Hidd el egy fél napot tököltem vele hogy ne így kelljen lennie a potinak, de ha úgy kötöm be hogy a szakadásából ne legyen gond, akkor a minimum áram is feljebb tolódik és pont ott rontja el a poti görbéjét logaritmikus-szerűre ahol nem kéne. Lehetetlen lesz utána normálisan beállítani.
A csúszka szakadása nem okoz gondot, a poti maga pedig miért szakadna meg?
Azért diódákat kellene tenni a BD-kre, mert így nem tud hova folyni a trafó induktív árama akkor, amit egy tranyó, meg egy dióda ( ha lenne ) rövidrezárna, abban az időben, amikor egyik IGBT sem vezet. Ettől is melegedhetnek a BD-k.
Meg kellene egy 100...200 µF körüli kondi a segédtápra. A BD-k mellé közvetlenül. Vagy csak lemaradt a rajzról?
Meg a kimeneti diódákra kellene védő RC. Nem létezik, hogy nincs rajtuk jó nagy túlfeszültség. Egy darabig bírják, aztán megdöglenek... Az IGBT-k ugyanilyen szempontból gyanúsak, bár ott lehet olyan konstrukciót csinálni, aminél nagyon kicsi lehet a túlfeszültség, illetve az abban tárolt energia.
Még valami. Azt írtad, hogy áramváltóval nem volt jó, ezért inkább söntöt tettél bele. Pedig, mennie kellene vele, hiszen ez egy teljes híd, a trafó és a vele sorbakötött áramváltó nagyon szépen mágneseződik, nem lehetne semmi probléma. Próbáld meg azt, hogy fogsz egy 2 cm külső átmérőjű ferrit gyűrűt ( nem porvasat ), tekersz rá mondjuk 60...80 menetet, ez a szekunder, erre kötsz egy graetzet, lezárod egy akkora ellenállással, hogy pont akkora feszt. adjon le, mint most a sönt. A primer természetesen egy menet, amin átvezeted a trafó áramát. Ha ez megvan, akkor szkóppal hasonlítsd össze ezt a feszt, meg a sönt feszültségét. Ha egyeznek, akkor kösd be a söntfeszültség helyére ezt a feszt. Elvileg, mennie kellene és akkor nem lesz benne sönt ami melegedne.
Terhelve nem néztem meg mert nincs 5 kezem és nézni is csak egy irányba tudok egyszerre, de üresen szinte nincs is tüske (minimális). A kimeneti jel pedig szinte négyszög, egy apró kis púppal (sajnos nem csináltam képeket).
Nem írtam olyat hogy áramváltóval nem ment. Azzal akartam megcsinálni, de aztán nem volt időm tökölni vele.
Üdvözlök mindenkit!!!
Én csak mostanában kapcsolódtam be ebbe a hegesztős témába, egy ismerős álltal és kedvet kaptam a 130A /MACI/ gép megalkotására. Még csak az alkatrészek vadászásával vagyok leginkább elfoglalva, de jó úton járok, azt hiszem. Sajnos idő hiányban szenvedek . Kérdésem lenne a /Tp1/ meghajtótafóval kapcsolatban, hogy EE 20-25, 6X6 légrés nélküli maghoz ezt kukáztam. Melyik-milyen megoldás lenne a legjobb, vagy maradhat itt is a 4X35 menet 0,35 huzalból 0,5 légréssel vagy a "Laca féle megoldás"??? Naggyából átolvastam a 180 oldalt és van egy pár alternatíva és tanácstalan lettem. Szeretnék elsőre egy jó trafót, és egy költséghatékony hegesztőt :yes: Előre is kösszönöm!!!
Hogy melyik a jobb, még én sem tudom. De ha meglesznek a huzaljaim, akkor megtekerem mindkét verziót. (a jövőhét a valószínű) és mérési eredményekkel tudok majd szolgálni. Hozzáteszem a négytekercses verzió a Maciban bizonyítottan (sok után építés szerint) megfelelően működik, úgyhogy helytelenül nem cselekszel vele. (de jó pár nálam nagyságrendekkel hozzáértőbb ember van itt, aki megmondja majd neked az igazat.)
Örülök, hogy az itteni társalgás visszatért a barátságosabb mederbe, és hogy az inverteres fórum ismét egy szakemberrel bővült katt fórumtárs személyében. Eddig is tanultam sok újat itt és remélem még tanulhatok is.
Meglesz ... meglesz az én részemről de megint nem tudtam feladni . Viszont hétfőn mindenképp útnak indul mert lesz más "postám" is ,
Lehet, hogy rosszul emlékszem... de azért próbáld ki, nekem megy. Igaz, nem hegedű...hanem táp.
Kedves Lajos! semmi célzás nem volt a mondanivalómban. Én így is hálával tartozom neked!
Az elmúlt pár napban úgyis belassultam más jellegű tevékenységek miatt, úgyhogy lehet, hogy akkor sem tudnék haladni, ha itt lenne a szilikonos litze.
Az E-E magba nem kell légrés ezt már korábban kitárgyaltuk, csak az E-Imagba kell 0.5mm! A többi adat az jó!
Szia - persze értettem én ,csak infóként adtam le . Jó lenne ha beválna . Az én vezérlő panelom is már régen kész van és betettem az "elfekvőbe" mert nem merem kipróbálni meg persze oszcilloszkópom sincs . Majd egy ócska számítógépből megpróbálok én is átalakítani -- mert mint olvastam lehetséges és egyszerűbb dolgokhoz jó . Fényképet nem is mernék feltenni róla mert elég csúnyácska szegény vezérlő (a gate trafó a legcsúnyább mert még cérnával is betekertem )-- talán a táp jobban sikerült de az meg batár nagy lett mivel én három fázisban szeretnék gondolkodni - kísérletezni . Pld a 2x3 darab puffer kondi is sok helyet foglal .Most sikerült szereznem hozzá 1200 V-os IGBT modulokat de még jó lenne két darab hozzájuk . Valamint tudjátok én a plazmavágó irányába szeretnék elmenni (attól függetlenül ,hogy vettem egyet )..... De mikor lesz ebből valami ? A jó I...n tudja . Addig is sok sikert mindenkinek -- kívülről figyelek .
Itt a Hobbielektronikánál találsz ilyen témát!
Plazmavágó, plazmavágó házilag címmel! Bocs az offért
Ok ,tudom ... Mióta láttam a Ge Lee által feltett rajzot azóta nem hagy a gondolat ,hogy újból neki kellene rugaszkodnom az egésznek . Légszereléssel minél egyszerűbben . Nem lenne puffer meg lágy indítás mivel háromfázisú hidat használnék valamint a 3x2 puffert is csak azért tettem be ,hogy az 560 V-os feszültséget megosszam de mivel most már van két 1200V-os IGBT modulom ezekre sem lenne szükség . Lenne teljes hidas az enyém is de még azon is morfondírozom -- lehetséges-e két egyforma fő trafó sorba kötve és a szekunderüket pedig hegesztéshez párhuzamosan kapcsolnám ill. plazmavágónak alkalmazva pedig sorosan . Mivel a rajz alapján egyszerűnek tűnik és van két pár E57-es ferrit magom is így talán megoldható . Persze itt is számítanák a hozzáértők segítségére a főtrafók menetszámának kiszámítására mert én ilyeneket sem tudok .... Egyszerűnek tűnik és tudom pont az ilyeneknek vannak buktatói de más is "áldozott" már itt be alkatrészeket marok számra --én sem mennék tönkre anyagilag ha nem sikerülne . Na még meditálok rajta .
Igen itt egy példa!
Bár én nem próbáltam soha!
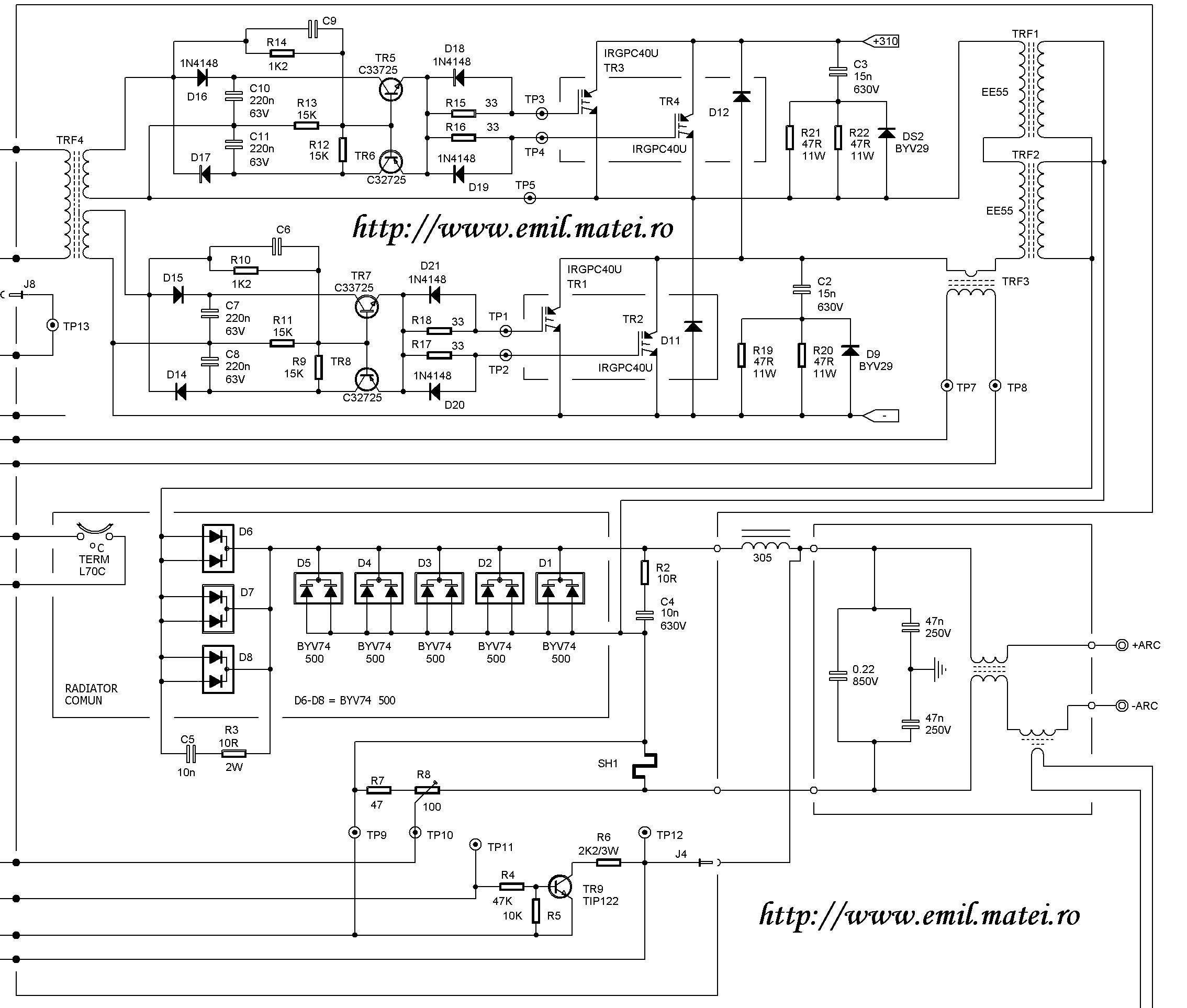
Ha az rajzon szereplő honlapra ellátogatsz megtalálod a teljes dokumentációt nyákrajzokkal együtt. Sőt, több hegesztőgépekkel kapcsolatos infót is találsz.
Szép napot Uraim!
Főtrafó megoldásnak jó,de a gép kéttranzisztoros nyitó.
2 darab IGBT modulból is lehet készíteni teljes hidasnak mondható gépet,... kis ügyeskedéssel.
Ez pontosan így van. A linket végigbogarászva azt hiszem található ott teljes hidas is. Vagy fél éve hogy jártam az oldalon, sok okosságot láttam, de nem emlékszem pontosan a részletekre. Valahova el is mentettem a hegesztős részét a linknek, de azt elő kellene keresni(ha tudnám hogy hol találom).
Ahhoz nem is kell sok ügyeskedés. A gyári nagyobb teljeshídas gépek két modullal készülnek. A két modul 4 db IGBT-t tartalmaz.
1 darab 2 IBT-t tartalmazó modullal is lehet.
Teljes hidat?!
Szerintem csak félhidat. De ha van valami remek ötleted,amiről mi nem tudunk, akkor elő vele.
Hááát .. lehet,hogy én vagyok alul informálva
,mutatom,mire gondoltam és bocsi,ha tévesen mondtam. |
Bejelentkezés
Hirdetés |




. Kérdésem lenne a /Tp1/ meghajtótafóval kapcsolatban, hogy EE 20-25, 6X6 légrés nélküli maghoz ezt kukáztam. Melyik-milyen megoldás lenne a legjobb, vagy maradhat itt is a 4X35 menet 0,35 huzalból 0,5 légréssel vagy a "Laca féle megoldás"??? Naggyából átolvastam a 180 oldalt és van egy pár alternatíva és tanácstalan lettem. Szeretnék elsőre egy jó trafót, és egy költséghatékony hegesztőt :yes:







