Fórum témák
» Több friss téma |
Így van. Én biztos nem intéztem volna el annyival, hogy sorba kötök egy diódát a leddel, mert így folyamatosan van áramfelvétel, ami elemes táplálásnál hátrány. Lehet, hogy a led átkötésével az IC tápfeszére megoldódott volna a probléma mert így a leden keresztül kap feszt az IC állandóan.
Sziasztok! Igazatok van nem elegáns megoldás, de gyors megoldásnak jó volt. Kipróbálom a többit is és megírom mi sikerült belőle.
Üdv! Egy olyan kapcsolásra lenne szükségem, ami 5 percenkén ad ki 5mp impilzust ami aztán tranzisztoron keresztül egy 12v-os relét kapcsolna! A pontosság nem fontos! Előre is köszönöm!
Bár Ez nem 555 de ahogy nézem 5 percet lehet vele, pont ahogy a példakapcsolásban is van! De ebből az inpulzusból hogy csinálok 5mp-set?
A 4060 után kell kötni még egy 555 monostabilt 5 másodperces időzitéssel, a kimenetére pedig tranyón keresztül mehet a relé.
Bár lehet kettő 555-el, vagy egy 556-al is késziteni ötperces időzitőt,az első astabil üzemmódú, ami aztán vezérelné 5sec monostabilt. Főleg, ha annyira nem számit a pontosság.
Köszönöm a válaszod! Annyit még kérhetnék, hogy valami kapcsolás rajzot küldenél a 555 monostabil 5 mp időzítésről? Vagy a kettő 555-ös verziót? Vázlat szerűen vagy elvi rajzot?
Így jó? az '2 kép' 3-as kimenetét az '1 kép' 555-ös bemenetére re kötöm ? Így az 555 ről kb 5mp magas szint jönne ki?
Sajnos nem ilyen egyszerű. Lerajzolom, de nem igérem azonnalra....
Rájöttem közben, hogy a 4060-as nem jó nekem!
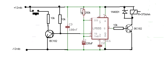
(Közben elbeszélgettem itt magamban elnézést érte!) De szerintem rájöttem, hogy mi kell nekem! Megcsináltam gyorsan a kapcsolást (paint4ever). Ez így szerintetek működne? Ha a bc182 kevésnek bizonyulna ki tudom cserélni.
Átfirkáltam az összeállitásod, próbáld igy megépiteni.
Arra azért nem veszek mérget, hogy az öt perc tartható lesz, mert ha rossz minőségű elkót használsz, akkor nagyobb lesz a szivárgóárama, mint a töltőáram, és nem fog működni a kapcsolásod. Inkább csökkentsd a kapacitást mondjuk 68-100µF-ra és mindenképp tantálkondit használj, és a töltőellenállást növeld a szükséges értékre.
Annyit azért jó lenne tudni mennyi a reléd tekercsellenállása, és ebből már tudható a bc 182 alkalmassága is.Tulajdonképp el is hagyható kis áramfelvételű relé esetében, de a védődióda,és még egy másik a kimenettel sorosan (katód a relé felé) nem. Ha LMC555-öt használsz az astabil poziciójában, akkor nagyobb az esély az ötperces időtartamra, mert ez c-mos kivitel.
Köszi a válaszokat! Holnap valószínű, hogy megépítsre kerül, majd beszámolok!
Szervusz szabi83!
Kb 4 éves ez a hozzászólásod,(amelyikre a választ írom) nekem is erre a kapcsolásra lenne szükségem. Csak az a gond,hogy már nem működik a link. Teljesen kezdő vagyok,ezért kérlek tedd már fel mégegyszer. A segédprogramokban megtaláltam a számolót,de a bemenetre (2. láb) nem egyértelmű a számomra a tranyó+ellenállás. Köszönöm előre is.
Szia
Idézet: „bemenetre (2. láb) nem egyértelmű a számomra a tranyó+ellenállás” tranyó: emitter a földre, collector a 2-es lábra, bázissal sorban egy 10k-s ellenállás. A kettes lábat még fel kell húzni 10k-val a tápra. üdv
Így gondoltam. Tettem fel képet róla. A C2 mekkora legyen?
A FENTI KÉP NEM JÓ!!!
Kijavítottam a képen a bemenet tranzisztorát. Most már jól van. Legalábbis azt hiszem.
Hi
Azt meglehet vele oldani hogy a T1=15s a T2= 90s legyen? Mert úgy sikerült kiszámolgatni a segédprogramokban található prg.-vel hogy a T1=90s és a T2=15s, csak ugye a T1 idővel indul, és nekem a 15s kellene először. Remélem érthető mit akarok. Valahogy tranzisztorral nem lehetne ezt megfordítani?
A kimenetre (3 láb) egy ellenállás az egy NPN tranzisztor bázisára ,az emitter földön a kollektor meg egy ellenállással a pluszra.Kimenet a kollektor.
Ha fontos a meghajtós kimenet akkor diódákkal szét lehet választani a töltés kisütés ciklust, talán ezel is elérhető a kívánt hatás.
Köszi, valami ilyesmire gondoltam és is, már így utólag beugrott. Köszi szépen
Szervusz Baxi!
Próbáld meg a csatolt file-ban lévő értékekkel. Üdv!
Szia!
Idézet: „Próbáld meg a csatolt file-ban lévő értékekkel.” Mostmár csak mond meg hol fog kapni 216Mohmos, és 1,299Gohmos ellenállásokat(Az részletkérdés, hogy az 555 mit kezd ilyen értékekkel).
Jó és jogos a kérdés.
A kalkulátor ezt adta ki. Csak egy ötlet volt Idézet: „A kalkulátor ezt adta ki.” Miért? Az időzitőkondi értékét nem lehet változtatni? |
Bejelentkezés
Hirdetés |











)






