Fórum témák
» Több friss téma |
Fórum » Labortápegység készítése
Nézd csak. Ez tranzisztoros.
kössz
Rajzoltam neked egy egyszerűt. Az ellenállás értékeit majd valaki kiszámolja, és pontosan elmagyarázza, hogy hogyan is kell megtervezni és mire kell vigyázni, az ilyen és ehhez hasonló egyszerű stabilizált tápoknál.
Ez kettő tranzisztoros. Ne tévesszen meg a darlington.
Szia!
Az lm317 ugyan IC de csak 3 lába van. És az azzal elkészített táp még talán egyszerűbb mint az áteresztőtranyósok. Azért nem szeretnél ICset mert még nem próbálkoztál vele, vagy elvből? uli
Hello!
Hát erről egy régi hirdetés jutott eszembe.. :no: "Zongora órát adok-veszek!" üdv! proli007
Lacika, van olyasmi stabilizátor, amit Te rajzoltál, de Te kettő kombinációját rajzoltad fel, ami - ebben a formában - nem működik (vagyis igen érdekesen működik). Csak akkor adj tanácsot, ha már azzal is tisztában vagy, hogyan kell méretezni egy ilyen jellegű áramkört. A működési elvről már nem is beszélve.
Hááát..... szerintem meg nem lehet mindent ezüsttálcán átnyújtani. Ha nem fog neki akaródzani kiszámlni, akkor soha semmit sem fog megtanulni.
Hát akkor boncoljuk fel a kapcsolást, és meglátod, hogy egész jól működik. Én általában nem úgy szoktam megtervezni valamit, ahogy az a nagykönyben megvan írva, hanem úgy, ahogy a gyakorlatban működik.
Amúgy 3 funkciós, de várom kérdéseidet, hogy most itt most mit miért, ámbár 2 tranzisztornál nem tudom elképzelni, hogy mi nem jó rajta szerinted.
Oké, Te akartad. A pufferig jó, és még a darlingtonos kapcsolás is jó, mert a B-on a Zénerrel megfogott feszültségből kivonjuk a 2x-es nyitófeszültséget, akkor megkapjuk a kimenőfeszültséget. Ehhez teljesen felesleges a zénerre kötött tranzisztor (és as hozzá kapcsolódó osztólánc), mivel a kimenőfeszültséget nem vele állítjuk be. A bázisra kötött kondi is jótékony hatású, a tranzisztor mintegy "felerősítve" jeleníti meg a kimeneti ponton. Ez a stabilizátor-fajta (darlintonos -emitterkövetős) elég gyenge stabilitást ad, mivel a zéneren változik az átfolyó áram (a tranzisztor "elszívja"), ez szinte mindig feszültségváltozást okoz már a bázison. A nyitófeszültség szintén terhelésfüggő, a B-ponton az előbb említett okok miatt fellépő feszültségváltozást erősíti.
A másik típusú feszültségszabályzóhoz már szükségünk van a berajzolt tranzisztorra, de nem teljesen ebben a beállításban. (Hozzáteszem, tényleg lehet úgy méretezni, hogy az így is működjön!), de akkor a darkington B-pontján teljesen felesleges a zener, és a vele párhuzamos nagy kapacitású kondenzátor (elkó) a gyors kiszabályzást teljesen lehetetlenné teszi, az áramkör lomhán reagál minden változásra. Ebben az elrendezésben a hibajel erősítő tranzisztor B-E nyitófeszültsége e referencia feszültség, ami meglehetősen alacsony érték. Ehhez magas kimenőfeszültséget hasonlítani csak nagymértékű leosztással lehet, ami - sajnos - a kimenőjel változásait is leosztja. Ezáltal az erősítő bemenetére is kis hibajel érkezik, ami a kimenőfesz stabilitását csökkenti. A megemelt referencia feszültség viszont azt eredményezi, hogy emitterkövetős kimenőfokozattal nem tudunk ez alá menni. Láthatjuk, hogy az igények erősen befolyásolják a kapcsolástechnikát, van ahová ez is megfelel, de igényesebb követelményeket nem képes kielégíteni. És továbbra sem kell egyszerre a zéner, és a tranzisztor! Azért építed bele, mert nem tudod hogy kell a maximális kimenőfeszt beállítani! Idézet: „Én általában nem úgy szoktam megtervezni valamit, ahogy az a nagykönyben megvan írva” Pedig - hidd el - nem butaság az okosabbtól tanulni.
Tehát: a darlingtont a C és B közt lévő ellenállás nyitja, amelyet nagyra választunk, mert a tényleges stabilizálás az E B közt lévő ellenállástól és az általad feleslegesnek ítélt tranzisztortól függ, amelyet akkorára választunk, hogy a tervezett max kimenő áramnál álljon be az áramgenerátoros üzemmód. A zener a max kimenőfeszültséget állítja be, és nem engedi ettől nagyobra ha a potméter netán kontakthibás, a vele sorbakapcsolt 2 ellenállás kell, hogy a potmétern a teljes csúszkán szabályozzon. A zenerrel párhuzamos tranzisztor is kell, ezzel szabályozzuk a kimenő feszültséget, elszívja a darlington bázisáramát ha kinyitjuk a potmétrerel. A zenerrel párhuzamos kondenzátor kis értékű, úgy 1-2mikro.
Azt sem szabad elfelejteni, hogy neki nem labortáp, hanem tápegység kell, ez ugye nem ugyanaz.....
Idézet: „mert a tényleges stabilizálás az E B közt lévő ellenállástól” Rosszul gondolod. A B-E közötti ellenállásnak semmi köze a stabilitáshoz, ha elhagyod, ugyanúgy működik a kapcsolás. Idézet: „amelyet akkorára választunk, hogy a tervezett max kimenő áramnál álljon be az áramgenerátoros üzemmód” Ez butaság. Ennek az áramkörnek egyszerűen nincs áramgenerátoros üzemmódja. Idézet: „A zener a max kimenőfeszültséget állítja be, és nem engedi ettől nagyobra ha a potméter netán kontakthibás” Akkor a többi alkatrész meghibásodása ellen miért nem építesz be egy tartalékvédelmi alkatrészt, ami azok meghibásodása ellen véd? Milyen hatásfokú az a (pótlólagos) védelem (mondjuk 30V-os maximális kimenőfeszültségnél 33V-os zéner), ha egy 3V-os zsebrádiót javítok, és kontakthibás a poti? A kialakuló kb. 31V azonnal tönkreteszi a készüléket. Rendes potit kell beépíteni, és ezzel letudtuk a zéner szükségességét. Sok gyári kapcsolást láttam, de ilyen megoldást nem láttam sehol, és az értelme is megkérdőjelezhető a felhozott példa alapján! Az osztó két ellenállásáról nem esett szó, a tranzisztor szükségességét a zénerrel együtt vizsgáltam. A párhuzamos kondenzátor (1-2 µF is) erősen rontja a dinamikus viselkedést. Nézd meg, van-e itt bármilyen kondenzátor a vezérlés lassítására. Azért nincs, mert nem szükséges, sőt káros.
Nem értettél meg. Neki 1-6V-ig szabályozható tápegység és nem labortáp kell.
A kapcsolásra visszatérve: Ha menet közben kiveszed a CB Közt lévő ellenállást, ettől még ugyan úgy fog működni. Csak kikapcsolás után nem indul be. Idézet: Az EB közt lévő ellenállást úgy kell megválasztani, hogy max kimenőáramtól csökkenjen a tranzisztor bázisárama, ezáltal csökken a kimenőfeszültség. Mi ez ha nem áramgenerátor? „Ez butaság. Ennek az áramkörnek egyszerűen nincs áramgenerátoros üzemmódja.” Idézet: „Nem értettél meg. Neki 1-6V-ig szabályozható tápegység és nem labortáp kell.” De, értelek én. Azt akarod mondani, hogy neki egy gyengébb paraméterekkel bíró áramkör is tökéletesen megfelelhet. Ebben akár igazad is lehet, bár nehéz eldönteni, hogy ténylegesen mi az igénye (ha nem nyilatkozik azóta sem). Ha a C-B közötti ellenállást kiveszed, azonnal megszűnik a működés. Ha a B-E közötti ellenállást veszed ki, nem történik semmi, hisz ez az ellenállás "hozzáad" a kimenőáramhoz valamennyit, igazából teljességgel felesleges, a hiánya az indulása sincs hatással. [/quote]Az EB közt lévő ellenállást úgy kell megválasztani, hogy max kimenőáramtól csökkenjen a tranzisztor bázisárama A kimenő áramot ez az ellenállás nem "érzékelheti", hisz rajta mindig csak a 2x-es nyitófeszültség (ez változik, de csak kis mértékben) által áthajtott áram folyik, tehát a tranzisztor bázisáramát közel egyformán terheli. A bázisáram (és a kimenő áram) tehát nem igazán ettől, hanem a C-B ellenálláson átfolyó maximális áramtól fog függeni. Ez viszont nagy kimenőfeszültségnél kevesebb, alacsony kimenőfeszültségnél viszont lényegesen nagyobb. Ez az áteresztő tranzisztor szempontjából kedvezőtlen, jobb lenne, ha alacsonyabb kimenő feszültség esetén csökkenne az áram. Ráadásul erősen függ az alkalmazott tranzisztor egyedi paramétereitől (a bétától), tehát újraépítésnél, cserénél erre gondolni kell. Ez tehát nem áramgenerátoros üzem, még a legnagyobb jóindulattal sem. Komolyabb tápoknál az áramgenerátoros üzemet vizuálisan jelzik a használónak. Ide hová, mit kötnél, hogy az áramgenerátoros üzemet kijelezze? Fogós, ravasz kérdés, nem? Én sem tudom, mert egyszerűen nincs állapotváltozás, ami az áramgenerátoros üzemre jellemző volna...... Akkor pedig áramgenerátoros üzem sincs. De 1! további tranzisztorral, és ellenállással lehetne létrehozni benne! Az határozottan, és szabályozhatóan működne (akkor még további poti is kéne az áramszabályzáshoz). Kijelzéshez 1 további ellenállás, és egy LED kell. De ilyen rajzok vannak a neten.
Látom, te sem engedsz, én sem. Holnap lesz időm, rászánok egy órát, kimérem, és a mérési eredményeket felteszem ide, legyen az bármi.
Így megfelel? Idézet: „De ilyen rajzok vannak a neten.” Már bíztam benne, hogy addig folyik az eszmecsere, míg a vége egy profi labortáp lesz amire érdemes lenne lecserélni a sajátomat... Idézet: Már készülődik, előreláthatóan nyár közepére kész lesz, de már előre látom, hogy mit fognak rá mondani. „a vége egy profi labortáp lesz amire érdemes lenne lecserélni a sajátomat... ”
Akkor viszont ne mutasd meg! És nem kell benyelned a nem tetsző hozzászólásokat. Csak használd ha neked jó és kész.
Tudod van benne néhány rész,(mondjuk modulok) amiről szimulátorban az jön ki, hogy hülyeség, ez így nem működhet. A gyakorlatban meg próbapanelon az egyik ilyen modul már megy. A többivel kapcsolatban meg remélem nekem van igazam, nem a szimulátornak.
Attól még igazam lehet. Vagy nem? Holnap a mérési eredmények többet mondanak majd.
Ha valamiféle áramkorlátot szeretnél abba az áramkörbe, akkkor a B-val sorosan tegyél be egy ellenállást. Egyszerű, nem kalibrálható, de áramkorlát.
Lacika, ne gondold, hogy nekem annyira fontos a tápegységed. Nem vitatkozni akarok, hanem elmondtam, hogy mit látok a rajzodon.
A rajz nem szokványos, nem állítottam róla, hogy használhatatlan, de nem korrekt. A Z-diódás emitterkövetős, és a hibajel erősítős rajzot fésülted össze, melynek igazából semmi értelme, leírtam miért. Ezen a kapcsoláson áramkorlát nincs, az, hogy határolódik a kimenő áram, még nem áramgenerátor(os üzem). Szerintem mégis jobb lesz, ha megnézed, hogy szokták a "nagykönyben" az ilyen kapcsolásokat megtervezni, megépíteni.
Hali!
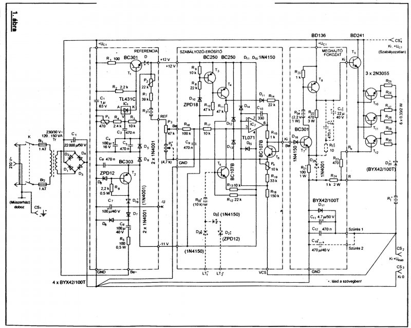
MA akarom elkezdeni a Pioneer által tervezett 2.7 labortápot. De én 3 db 2n3055-öst szeretnék bele tenni és hogyha ha jól rajzoltam akkor a mellékelt kép szerint kell bekötni. Milesz akkor hogyha 3-2 vagy csak egyet teszek bele?
A labortápegységről, melyeről érdeklődtem itt vannak a kapcsolási rajzok. A "Tapegyseg.jpg" maga a tápegység lenne, az "Aramszabalyzo.jpg" a tápegység áram szabályzója, és "Szabványos_kimenetek.jpg"-n lévő kapcsolást pedig az eredetin a p3-as potméter helyére kell tenni.
Nagyobb lesz a disszipációja ha 1-et rax bele és kevesebb áramot tud. Nem hiába a BD249 az jobb
Mannyi az a kevesebb áram? És hanyat rakjak be? a bekötés jó? Eredetileg ez 0-24V 0-3A igaz?!
|
Bejelentkezés
Hirdetés |















