Fórum témák

» Több friss téma
Fórum » Lézeres radar, traffipax jelző
(3) Tilos a közúti közlekedés hatósági ellenőrzését megakadályozni, megzavarni, valamint az ellenőrzés eredményét befolyásolni, ide nem értve az ellenőrzést előre jelző eszközök használatát. (1/1975. (II. 5.) KPM-BM)
Lapozás: OK   8 / 147
(#) Home Made Jammer válasza hbfj hozzászólására (») Jan 23, 2010 /
 
Abban igazad van hogy, napfény hatására csökken a detektor érzékenysége, szerencsére az ő mérőjüké is.
Nem értem miért ne lehetne kiküszöbölni hiszen a napfény egyen szint eltolódást generál.(nagyjából)
Ezt impulzusfigyeléssel ki lehet küszöbölni.
(#) treshold válasza Home Made Jammer hozzászólására (») Jan 23, 2010 /
 
Egy kicsit most elgondolkodtam.
Én egy 30mW-os lézerdiódával kezdtem a kísérletet FÁMA II. ellen.
100nS üzem, 100nS szünet, illetve 50nS/50nS
Mellette egy TFDU6102-es IRDA (ami alapban a vételi funkciót látja el) LED-je kb 200mA-rel hajtva.
De nem jött össze.
Lehet hogy kicsi volt a fényteljesítmény???
Szkópon ellenőriztem a jel renben volt

Viszont ez érdekes, hogy a 400nS/1uS 500mA 6db LED blokkolni tudja a FÁMA III.-t.

Egyébként én is annak a híve lennék, hogy az első impulzus után folyamatos zavarjel

Azért jó lenne, ha a FÁMA II.-n is kipróbálnád a kütyüt.

FÁMA III.-nál hány próba volt (JTG)?

(#) elektromos válasza Home Made Jammer hozzászólására (») Jan 23, 2010 /
 
meg kérdezhetem, hogy milyen távolságról tudod detektálni ennek az adónak a teljesítményét?
Mit használsz a teszterben, lézer diódát, vagy csak infra ledet?
(#) elektromos válasza treshold hozzászólására (») Jan 23, 2010 /
 
A 30mw-os lézer dióda nem kevés? Én a gyári lézer adókban levőt használom: splpl90 -es 25W-os lézer, mely van a HQ-nál. Ha kellenek a freki adatok, akkor azt az li interceptor horváth nyelvű oldalán megtalálod
(#) Home Made Jammer válasza elektromos hozzászólására (») Jan 23, 2010 /
 
Kiváncsi leszek hogyan fogod 1 detektorra ráilleszteni a 6db vevödiódát. (én már próbáltam hasonlót, nem fog menni).Miért gondolod, hogy a lézer dióda olyan nagy teljesítményű.Gondolom SPL PL90-ről beszélünk.(100ns 25watt max Duty cicle 0.1% .Nem hiszem hogy ez varsenyezhet az 5400matt/sr-rel.A furcsa jelalakot nem értem, a mérők sima négyszögimpulzust bocsátanak ki.
Bocs hogyha akadékoskodom, de kb 2 éve foglalkozom ezzel témáva élg mélyrehatóan.
(#) Home Made Jammer válasza treshold hozzászólására (») Jan 23, 2010 /
 
30mw 100ns 3 njoule ez egy kicsit nevetséges teljesítmény. Ezért nem müködött. A fámaIII-at még 70 méteről álló helyzetből indulva is végig blokkolta.

(Az SCS-103 lézerének adatai)
Wavelength: 905 nm (infrared)
3 Power Settings: 400 nJ, 200 nJ and 100 nJ per pulse
Beam Divergence: 3 milliradians (~ 0.3 m @ 100 m)
1 J = 1W x 1S
Ha az impulzus 20 ns hosszú akkor a kimenő teljesítmény max: 400/20 = 20watt
A visszavert teljesitmény ideális esetben 20 x 0.35 = 7watt
(Ideális az lenne ha minden fény a rendszámról verődne vissza

1db infra led kb. 900 mWatt(500 mA 400nsec 200nJ/impulzus) ez ledtől függ.
(Pl: TSHF5210 max 1A 1800 mWat s/r 100 microsec)
12 led= 12x900=10800mWatt =10,8watt
A ledek által kisugárzott tljesítmyény jóval nagyobb mint a visszavert!
Tehát a fő probléma az érzékelés nem a blokkolás.
(#) treshold válasza elektromos hozzászólására (») Jan 23, 2010 /
 
Valószínűleg kevés.
Összehasonlító mérést végeztem.
A 30mW/904nm lézerdióda így is nagyobb jelet adott, mint az IRDA LED 200mA-rel meghajtva
(#) Home Made Jammer válasza elektromos hozzászólására (») Jan 23, 2010 /
 
A teszterben csak infra led van.Kb 200mA-rel meghajtva(180mw/sr).Nagyjából 1 m-ről inditja el a detektort
(#) elektromos válasza Home Made Jammer hozzászólására (») Jan 23, 2010 /
 
Már ki próbáltam a 6 vevő diódát párhuzamosan kötve, de teszterrel működik, igaz éleben nem tudtam kipróbálni. Én nem régen kezdetem vele foglalkozni, ezért csak a tapasztalataimról írtam, persze a valóság az más lehet, de ha beépítem az autóba és elhuzok a mérő előtt lakott területen 120-.al, akkor majd kiderűl mit is tud a detektor Én a teszterembe is spl lézert tettem, de max 10m-ről tudok csak tesztelni, pedig már próbáltam különféle lencsékkel is, amiket itthon találtam.
(#) Home Made Jammer válasza elektromos hozzászólására (») Jan 23, 2010 /
 
A 6 vevő leddel az lesz a probléma hogy a vevő bemenet dc szintjét 6xolyan mértékben fogja eltolni mint 1db. Próbáld ki, hogy mondjuk 1-be belevilágítsz közelről és a másikat tesztelni próbálod. Csodálkoznék ha nem csökkenne drasztikusan az érzékenység. Viszont ha igy is működik akkor elkérem a receptet.
(#) elektromos válasza Home Made Jammer hozzászólására (») Jan 23, 2010 /
 
Mivel világítsam meg? A természetes lámpa fényre nem reagál semmit, de ha lesz időm ezt ki fogom próbálni. A lézer teszterem is spl-.el megy így baromi erős fényt bocsájt ki , tehát nehéz lesz a teszt. Amugy egy sima webkamerát használok az adó tesztelésére, mert látom a fény erősődését gyengülését. Tervbe vettem annak idején, hogy olyan tesztert csinálok, mely azt is ellenőrzi, hogy az adó diódák mennek-e, mert ilyet még nem láttam.
(#) Home Made Jammer válasza elektromos hozzászólására (») Jan 23, 2010 /
 
A természetes lámpa is bocsájt ki ir-t.(meleget).Én annak idején mikor ezzel kísérleteztem, egy 40w-os asztali lámpát használtam. Az ir detektálására egy sima kamerás mobil is jó.
(#) treshold válasza Home Made Jammer hozzászólására (») Jan 23, 2010 /
 
A Számítással kapcsolatban, gondolom nem lehet a végtelenig növelni az időt és csökkenteni a teljesítményt, hogy ugyanazt a nJ értéket kapjad meg és arra is működjön a kütyü.
Hogy határozod meg a maximális impulzus szélesség idejét, hogy még blokkoljon?

Egyébként milyen MOSFET meghajtót használtál a LED-ekhez? A fényképen nem látszik
(#) elektromos válasza treshold hozzászólására (») Jan 23, 2010 /
 
Ha kell, kűldök egy komplett rajzot, bár ha utánna keresel, akkor a neten megtalálod. Ez egy blinder komplett adó, és vezérlő része
(#) treshold válasza elektromos hozzászólására (») Jan 23, 2010 /
 


Tedd fel ide a linkjét légyszíves
(#) elektromos válasza treshold hozzászólására (») Jan 23, 2010 /
 
azt nem tudom, mert régen volt, és egy jammer zárt forumra jelentkeztem be, de a rajzot lementettem
(#) Home Made Jammer válasza treshold hozzászólására (») Jan 23, 2010 /
 
TC4427 a driver. A 400ns-os impulzust még jól tolerálják a ledek (nem olvasztják el a dobozt, bár már volt rá példa hogy 10perc folyamatos blokkolásnál megolvadt a műanyag doboz. : -) Az 1 uSec-es impulzusnál gyakoribbnak nincs túl nagy értelme: 1 uSec 150 méteres távolságnak felel meg.(300/2 mármint a fénysebességből adódóan.)De ez inkább kísérleti érték.
A régebbi kérdésedre válaszolva: sajnos előléptették a kapcsolatomat már semmilyen tesztre nincs lehetőségem,ezért kerestem más kapcsolatot.
(#) treshold válasza elektromos hozzászólására (») Jan 23, 2010 /
 
OK, küld el légyszíves a mail címemre
(#) elektromos válasza Home Made Jammer hozzászólására (») Jan 23, 2010 /
 
Annyi trafi volt az uton, hogy 10 perc után megolvadt?
(#) Home Made Jammer válasza elektromos hozzászólására (») Jan 23, 2010 /
 
Csak teszt volt .Van egy olyan lehetőség, hogy kézzel blokkolást indítasz. (pl gyanús helyzetben) és kicsit túlzásba vittük
(#) elektromos válasza Home Made Jammer hozzászólására (») Jan 23, 2010 /
 
Ez jó! Amugy találtam ns-os meghajtó fet-et, csak nem tudom hova tettem. Ha megtalálom, átt kűldöm neked a leírását.
(#) treshold válasza elektromos hozzászólására (») Jan 23, 2010 /
 
Kösz.

Nekem úgy tűnik, hogy az echo a blinderről lett koppintva.
Ahogy nézem ez nem folyamatos zavarjelet sugároz, hanem szinkronizálva van. Legalánnis a LED-del párhuzamos kondi alapján.
Mivel a kondi 12V-ra tültődik fel a 470 ohmon keresztül, így a LED is elég nagy árammal van kihajtva
(#) elektromos válasza treshold hozzászólására (») Jan 23, 2010 /
 
de még a kiyo is erről lett koppintva
(#) Home Made Jammer hozzászólása Jan 23, 2010 /
 
Egy blindert én is szédszedtem. Ott a blokkoló ledek árama 12v/470R kb 25 mA. Igaz ebből 8 db volt. Ennek ellenére egész jól blokkolt kb 100m-ig. Itt is voltak elkok párhuzamosan de mérve (szkópon) ez semmit nem változtatott.
(#) kbalazs018 válasza Home Made Jammer hozzászólására (») Jan 24, 2010 /
 
Hello!

Ez a téma engem is elkezdett érdekelni. A detektor részről tennél fel kapcsolást, vagy ez titkos? Mért videó erősítőt használsz, a sebessége miatt?
(#) treshold válasza Home Made Jammer hozzászólására (») Jan 24, 2010 /
 
OK, csak ott a kondi a LED-ekkel párhuzamosan, ami szünetben feltöltiúdik 470 ohmom keresztól 12V-ra. Majd impulzus hatására a MOSFET-en keresztül rálapcsolja a LED-et. Gykorlatilag a kondi soros ellenállása hatátozza meg a kezgeti áramot
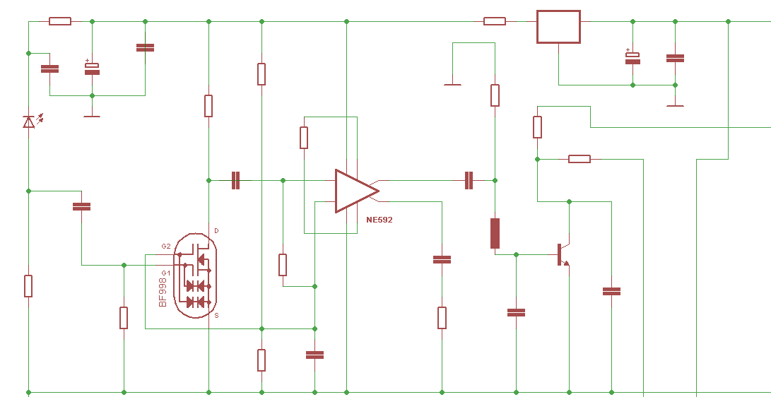
(#) Home Made Jammer válasza kbalazs018 hozzászólására (») Jan 24, 2010 /
 
Szia!
A kapcsolás egyenlőre nem publikus, de kb. így néz ki.
A rövid impulzusok miatt (<70ns) tulajdonképpen impulzus erősítőt kell építeni.>

HMJ_det.png
    
(#) Home Made Jammer válasza treshold hozzászólására (») Jan 24, 2010 /
 
Ez nagyjából igy van, de a kondik olyan kicsi energiát tárolnak, hogy csak a táp rángatását akadályozzák meg.
Nem teljesen
(#) Home Made Jammer válasza elektromos hozzászólására (») Jan 24, 2010 /
 
Én is kérdezhetnék?
Az SPL-eket milyen árammal, és milyen félvezetővel hajtod?
(#) treshold válasza Home Made Jammer hozzászólására (») Jan 24, 2010 /
 
Úgy tudom, hogy ezek szinkronizálva, vannak, vagyis nagyon rövid ideig adnak, és hosszú ideig szünet van.

Ha kb 100-200nS az adás és kb 500uS , vagy nagyobb a szünet, akkor a MOSFET kikapcsolásáig csak néhány %-ot esik a feszüétség. (T=RC)
Viszont a hosszú szünet alatt a 470ohmon keresztül 12V-ra fel tud töltődni a kondenzátor (LED) feszültség.

Nyilván ahogy a kitöltési tényező növekszik (pl 50-50%), akor már más a helyzet, mert akkor jelentősen csökkent a töltődési és növekszik a kisütési dői
Következő: »»   8 / 147
Bejelentkezés

Belépés

Hirdetés
XDT.hu
Az oldalon sütiket használunk a helyes működéshez. Bővebb információt az adatvédelmi szabályzatban olvashatsz. Megértettem