Fórum témák
» Több friss téma |
Fórum » Labortápegység készítése
Megmértem, hajszálra úgy van minden ahogy mondtad. Én tévedtem. Nincs kiegyenlítő áram (van 3mA, de az csak a kimeneten lévő ellenálláson folyik), és csak a magasabb feszültségű oldal "dolgozik", a másik nem csinál semmit.
LM317-el építendő szabályozható tápegységből szeretnék áteresztő tranzisztorokkal nagyobb áramokat kiszedni és ehhez kerestem és találtam is egy csomó kapcsolást. Ezek persze a kapcsolásban szereplő tranzisztorokra vannak megfelelően méretezve, ami esetleg nekem nincs itthon. Más típusokból viszont akad bőven és én ezeket szeretném először elkoptatni mielőtt a boltba rohangálnék.
A találtak közül kigyűjtöttem 3 különböző fajtát. Némelyiken azért 1-1 ellenállás értékét általánosan adták meg, de egyiken sem tették meg ezt az összessel. Azt szeretném megkérdezni, hogy... 1, a képeken lévő megoldások közül melyik a legjobb esetleg tudtok-e még jobbat? 2, milyen adatokat kell felhasználnom, hogy az ellenállások értékeit kiszámolhassam és kiválaszthassam, hogy milyen képességű kis tranzisztor keressek az áteresztő mellé. (hacsak nem az egy tranzisztoros megoldás a legjobb) 3, ha akkora áramot szeretnék amihez több áteresztő tranzisztort is felhasználnék, akkor hogyan kössem be a plusz tranzisztorokat, és itt megint jön a 2. pont Bár elvből kerülném, de ha mégis úgy hozza a sors lehet-e LM317-eket párhuzamosítani, és hogyan kell azt megtenni? (beállító ellenállások méretezése változik-e, mind a három láb direktbe összeköthető-e (ha nem egy Mórickarajzot megköszönnék) stb). 78xx-re láttam olyan kapcsolást is ahol direktbe párhuzamosították és olyat is ahol az adjuston ellenállással és/vagy diódával az egyenlőtlenségeket próbálták minimalizálni.
Mindenképpen LM317-et akarsz használni? Vannak nagyobb áramú típusai is: LM350 - 3A , LM338 - 5A ( de általában valamennyivel többet ki lehet belőlük sajtolni ) Én azért javaslom ezeket az IC-ket, mert bennük van a hővédelem is. Tehát ha túl kicsi lenne a hűtőborda - bár nem tudom, mekkora bordára szánod ezeket - akkor sem sül meg.
Esetleg nézd meg az LM2576-ot. "Ő" kapcsoló üzemű, viszont nem bonyolult összeállítani. Nálam 6A felett van a zárlati árama. ( Tehát akár ennyit ki tudsz belőle venni. ) Néhány külső alkatrész kell csak ( tekercs és kondi - mondjuk az 5A-es tekercs nem olcsó ) viszont sokkal kisebb a melegedés, így kisebb borda elég. Ha nagy áramokat szeretnél és nagy a bemenő nyers feszültséged, akkor hatalmas bordára lesz szükséged. ( Sajna a rajzokban nem tudok segíteni. )
Üdv!
Valaki tudna nekem egy nyáktervet készíteni ehhez a táphoz? Esetleg ha valaki megépítette és működik elküldené? Az áramkorlátot bővíteném 3A-ig. Sem tapasztalatom sem időm sincs most rá. Előre is köszönöm.
Annyi sok jó kapcsi van itt amikhez ven tök jó nyák terv is. Nem kell átalakítani 3A-re sem.
Azt értem, de az alkatrészek megvannak hozzá. Az áramkorlátbővítés meg csak az áramfigyelő cseréjével jár szerintem.
Hi!
Milyen megoldással tudnék egy digitális panelműszerrel áramot mérni?
Alkotó féle pdf et keresd meg a topicba. Sönt ellenálláson és utánna ha kell egy feszültség osztóval pontosítva.
Aha ! És ez jó lehet egy ilyen kijelzőhöz?
http://www.hestore.hu/termek_10023466.html
Én ebben a kijelzősdiben nem vagyok otthon. Meg kell még fejtenem mi hogy működik. Nekem nem ilyen van csak hasonló. A pdf alapján számolhatok ilyen esetben? Nincs különbség ezek között a kijelzők között?
Helló
Van egy feleslegessé vált atx pc tápom, és arra gondoltam csinálok belőle egy labor tápot! Ha az információim jók, akkor az 5 és 12 voltos kimeneteinek a feszültségei stabilizáltak, és rövidzárvédettek! Tehát magában a tápban nem is kell módosítani semmit, tökéletes megfelel nekem ez a két feszültség! Egy külön elektronikát szeretnék hozzá építeni aminek az lenne a feladata hogy külön az 5 voltos, és külön a 12 voltos kimeneten tudjak áramerősséget szabályozni, 0 ampertől 10 Amperig! De ha 10 ig nem fog menni elég lesz 5 Amperig is! És valami indikátor is kéne hogy tudjam ha valami többet akarna felvenni a beállítottnál! Erre keresnék megoldást! Szerintetek kivitelezhető? Köszönöm a segítséget előre is! Helló
Helló, a cikkek között megtalálod ami neked kell, pont erről írt valaki.
Üdv.
Helló
Gondolom erre gondolsz, de nem járható út több okból is! Nekem nem AT hanem ATX tápom van, és teljesen másfajta vezérlő ic-je van ami nagyban bonyolítja a helyzetet! Olyan kapcsolást keresek amit ráakasztok a megfelelő kimeneteire a tápnak, és azzal tudom az áramot szabályozni,... Biztos van ilyen kapcsolás, és biztos más is csinált már ilyet! Azért köszi a segítséget! Várom továbbra is a megoldást! Helló
Hello!
Idézet: „Biztos van ilyen kapcsolás, és biztos más is csinált már ilyet!” Én meg biztos hogy nem, mert a dolognak értelme nem sok van.. Tekintve, hogy bármely analóg szabályzó feszültségveszteséget okoz a vonalon. Így a kimeneti feszültség stabilizálása megszűnik. Kisebb feszültségen ennek hatása fokozottabb. Ha meg a feszültség stabilizálást is "visszaépíted" akkor már komplett tápegységet építettél. De az 5V-nak és a 12V-nak már lőttek. Nem beszélve arról, hogy egy kapcsolóüzemű táp után kötött analóg szabályzó, szépen fűteni fog. Vagy kapcsoló üzemű táp után, kapcsolóüzem fog következni? (De ebből, lassan warn lesz, mert már számtalan helyen feltetted ugyan azt a kérdést..) üdv! proli007
Helló
Először is köszi hogy segítettél, tehát akkor ez kivitelezhetetlen! Hát ez nem jó hír,... ![]() Azért tettem fel itt is a kérdést mert a kezdő kérdések topicban ezt ajánlották! Ezért elnézést! Helló és köszi!
Akkor egy másik alternatíva : Veszel 300Ft-ért egy AT tápot és átalakítod, egyszerűbb mint nyüstölni a lehetetlent.
"Mindenképpen LM317-et akarsz használni?"
Igen. Most pont az a lényeg, hogy a "raktáron" levő cuccokból hogyan lehet valamit megcsinálni, hogyan kell megtervezni. Szóval egy kis elméleti oktatásra gondoltam. ![]()
Hello!
A hiba az Ön készülékében van. Talán az adott IC adatlapját kellene tanulmányozni. főleg a CMRR tartományát.. üdv! proli007
Hello!
Mindig a megadott határadatokon belül kell üzemeltetni az áramköröket. A gyártó azt garantálja egyebet nem. üdv! proli007
Üdv!
Valaki tudna nekem egy nyáktervet készíteni ehhez a táphoz? Esetleg ha valaki megépítette és működik elküldené? Az áramkorlátot bővíteném 3A-ig. Sem tapasztalatom sem időm sincs most rá. Előre is köszönöm.
Erről van nyák a Rádiótechnikában...megnézem, hátha rátalálok. Vagy gerber kellene?
Tévedtem, az RT81/3-ban van, de nyák nélkül
Hát, én csak amatőr szinten űzöm az ipart, de néhány gondolatot leírok.
Ha 24V AC-t egyenirányítasz, akkor annak a csúcsfeszültsége több, mint 33V. Mínusz a Graetz diódák feszültsége. De a trafónak van valamekkora dropja, tehát üresjárásban az egyenirányított feszültséged szerintem meghaladja akár a 35V-ot is. A TL072 adatlapja +-18V-ot ír tápfeszültségnek. Ez már szerintem közel van a határértékhez ( nyilván trafója válogatja ). Nem tudom, hogy a +- tápnak van-e jelentősége, de az LM358 adatlapja kimondottan egy tápfeszültségű működést említ, 3 - 32V-ig. A TL072 tudtommal egy tápfeszültségről járatva nem tudja a kimeneti feszültségét a földig lehúzni. Ekkor ugye nem tudja megfelelően lezárni a darlingtont, ezért marad a kimeneten valamekkora feszültség. Ha "szerencséd van", akkor a darlington nyitófeszültsége nagyobb, mint a TL072 leg alacsonyabb kimeneti feszültsége, ilyenkor mégis sikerül 0V-ig szabályozni. Az adtlap azt mondja, hogy 'Maximum output swing' +-13.5V. Ez nem tudom, mekkora tápfeszültségre értendő. Ha felteszem, hogy a megengedett +- 18V-on is ez a helyzet, akkor a kimenet 3.5V-al "elmarad" a tápfeszültségtől. Ha egy tápról járatod, akkor 3.5V alá nem megy a kimenet - ha jól értem. Viszont az LM358 egy tápról is képes földig vezérelni a kimenetét, így azzal működnie kellene. ( Viszon mint írtam, neki max. 32V lehet a tápfeszültsége. ) Én a következőket javaslom: 1. A műv. erősítő tápját "fogd meg" mondjuk 28V-on egy stabilizátorral ( nem tudom, mekkora maximális kimeneti feszültség kell ) Így biztosan nem kap túl nagy tápfeszültséget. Pl. TL431-el 2. A referenciának szolgáló feszültséget ide kösd be. ( Azt írtad, szűrt 24V-ról jár az erősítő és innen megy a feszültség leosztása is. A szűrt feszültségben ott van a brumm és stabilizálatlan, tehát terhelés hatására csökken az értéke. ) 3. Ha TL072-t használsz, a negatív tápjára köss -3-4V-ot. Így biztosan le tudja húzni a kimenetét 0V-ig. Pl. 7660 -al minimális plusz alkatrésszel megoldhatod.
Nekem egy magyar elektros tápegység megy már több mint 10éve, tökéletesen és megbízhatóan
Helló!
Itt az általam épített táp rajza, amit kiegészítettem még egy végtranyóval. Sajna az alkatrészek értékei nincsenek rajta, de kibogarászható. Sprint layouttal készült és azzal nyitható meg. Nekem már több,l mint egy éve üzemel ez a táp.
Hello!
Az a gond, hogy csak megállapításaid vannak és csak általánosságban beszélsz.. Valami rajzot és mérési eredményeket is közölnöd kellett volna, hogy legyen miről beszélni. Az IC nem egy fekete tok néhány lábbal, hanem egy kazal tranzisztorból felépített kapcsolás, aminek megvannak a gyenge pontjai. Mindent nem lehet elvárni tőle. Semmi nem tökéletes. De általában nem is az a lényeg, hanem hogy dokumentálva legyenek a paraméterek. Ezt kell egybevetni az általunk elképzelt áramkör igényeivel. Valamint az igényeinket értelmes szintre minimalizálni kell, hogy ne essünk túlzásba. Attól, hogy egy IC-re azonos számok vannak írva, még nem biztos, hogy azonos áramkör ül benne. Az IC-k kimeneti fokozatai általában nem tudnak lemenni a 0V-ig. Ennek elég egyszerű az oka, hiszen elfogy a végfokozat munkapontja. Az ott lévő erősítő eszközöknek is meg van a szaturációs feszültsége.. De nagyon nem mindegy, hogy mekkora a kimenet terhelés. A hiba általában 500mV alatt jön létre. De próbálj meg egy egyszerű tranzisztoros áramkört készíteni, ami működik 3..32V tápfeszültség mellett és akkor szembeülni fogsz a gondokkal.. üdv! proli007
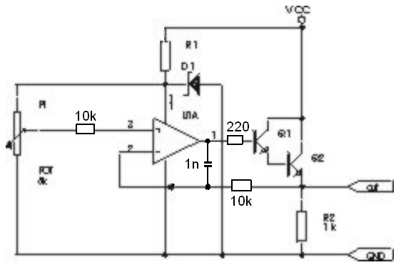
Hello!
A jelenség, amit leírtál, tipikusan az, amikor a bemeneti differenciál áramkör munkapontja megszűnik. Ilyenkor még bemeneti áram is van, tehát korlátozás nélkül nem célszerű a bázisok védelme miatt a bemeneteket közvetlen a tápra kötni. De így alkalmazva, ez általában pld. a 741-re jellemző, de ott nem is csoda, hiszen NPN tranyók vannak a bemeneten. Az LM324 és LM358-nál, ez nem szokott előfordulni, mert ott egy PNP darlington a bemenet. Viszont gondolom, hogy nem csak az 1kohm volt a kimenet terhelése. A műveleti erősítő leginstabilabb üzemmódja az egyszeres erősítés mellett van. Ha a kimeneten kapacitív, vagy induktív terhelés van, az akadályozza a visszacsatoló jel időbeni megjelenését, és akár gerjedhet is az erősítő. (Ha az OPA kimenetének belső áramkorlátozása működik, az esetek többségében ez is gerjedést szokott okozni.) Próbáld meg a következő változtatást. A 220ohm megszünteti az OPA kimenetének és a terhelésnek közvetlen kapcsolatát. Az 10kohm/1nF-on keresztül létrejön egy nagyfrekis visszacsatolás, mely esetleges gerjedési hajlamot csökkenti. üdv! proli007
Üdv. Mindenkinek meg építettem a második attila86 féle labortápot össze tettem először hogy óvatos legyek kimértem két ic foglalatnál hogy meg vannak-e a tápfeszültségek oksa betettem icl7107 ic után rá adtam táp feszt és kijelzőn meg jelent 166.0 volt mérésbe 1.660 áram erősségbe és így is marad. Valakinek valami tapasztalata ? Vagy ötlete?
|
Bejelentkezés
Hirdetés |

















