Fórum témák
» Több friss téma |
Fórum » Transzformátor készítés, méretezés
Ha kérdésed van, az alábbiak segítenek a hatékony választ megadni:
Mag típusa: M, EI, UU/LL esetleg I-kből összerakott, tekercselt, toroid. Lehetőség szerint képpel.
Méretek: magkeresztmetszet a*b (amit a tekercs körbeölel) ablakméret, lánc és toroidnál, belső-külső méretek.
Primer-szekunder feszültség(ek), teljesítmény igény.
Sziasztok!
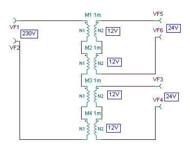
Erositobe akarok toroid trafot venni, amibol 2 x 25V korul kene kijonni,. Most lenne viszonylag olcson, csak az a baj, hogy nem 2 x 25V hanem 4 x 12V. Lehet ebbol egyszeruen 2 x 24V-ot csinalni ugy hogy ket-ket 12V-os kivezetest osszekotok? Bocs ha hulye kerdes, nem vagyok jartas a temaban.
Ezekkel én is tisztában vagyok, a trafóra jutó tartós DC-t én hibalehetőségnek értettem nem normál üzemi állapotnak. Ezért nem volt ínyemre, hogy egy trafómat így áldozzam fel a tudomány oltárán.
![]() T-dani: Köszi a videót! Ez csak lightos "tekercs mint energiatároló" bemutató. Én valami drasztikusabb tesztre számítottam, de majd keresek! ![]()
Szia!
Lehet, csak kösd össze a két tekercs kivezetését. Aztán rámérsz a két kijövő pontra, ha 24V akkor fázishelyesen van kötve, ha 0V vagy csak minimális akkor a kötést fel kell cserélned másik kivezetésre... De mindjárt egy rajz. A rajzon az 4XN1 az egy tekercs, értelemszerűen a 230V-os tekercs! A négy db N2 az pedig a 4X12V. Gondolom erősítőbe kell... Akkor figyelj a teljesítményére is!
Világos. Aki nem ért egyet veled mindenben, az kötözködik, akadékoskodik.
Lejáratás? Miről beszélsz? Korábban egyszer volt a Labortápegységes fórumban eltérő véleményünk, ahol erre a kérdésre válaszoltál. Én leírtam, hogy nem teljesen úgy van, ahogy gondolod. Megkerestél privátban (már a címe is beszédes volt: Ezt nem gondolod komolyan, remélem), ott elmondtad, hogy az általam leírtak bizonyosan nem fedik a valóságot. Én a válaszüzenetben írtam Neked egy példát, az élet teljesen más területéről. Hazaérkezvén megvizsgáltad a tápegységeidet, és a tapasztaltakat itt foglaltad össze. Az szerinted lejáratás, hogy valamit nem jól tudsz, és erre figyelmeztetlek? Magad ismerted el, hogy bizony tévedtél, és ez mással is megesik. Nézzük a Transzformátoros topikot. A vicces az, hogy nem is Neked írtam, hanem Kalex50-nek. Erre éppen Te javítottál ki engem, hogy a primer biztosító nem a készüléket védi, hanem a hálózatot. Erre írta Neked Köbzoli azt a mondatot, amit Te - sértődött hangnemben - tréfának minősítettél. Erre írtam Neked, hogy nem az, de az általad leírtak nem fedik a valóságot. Mi ebben a lejáratás? Idézet: „Sehol nem írtam hová tenném én a biztosítékot. Csupán te megkérdezted mit véd a primer oldali bizti, én meg megmondtam neked. És arról nem tehetek, hogy ha neked nem tetszik a válasz, de a primer oldali biztosíték akkor is a hálózatot védi.” Ez csúsztatás. Én sem Neked válaszoltam először (már itt felmerülhet a kérdés, hogy ki köt bele kibe), másodjára pedig nem kérdeztem, hogy mit véd a primer biztosító, hanem elmondtam. A hozzászólásod pedig valóban nem tetszett, mivel a primer biztosító nem a hálózatot védi. Erre Action2K, és Köbzoli is reagált, de úgy látszik, még mindig haragszol rám, mert a Labortápegységeknél nem volt igazad, ezért kizárólag az én válaszomra reagáltál. Idézet: „Méghozzá nem elsősorban a trafó üzemszerű terhelésétől, hanem az esetleges szélsőségektől (túlterhelés, menetzárlat, stb.)” Aztán mi baja lenne a hálózatnak, ha egy kis transzformátor menetzárlatos lesz, vagy túlterhelik? Miért kéne ettől azt védeni? Nem kell. A primer biztosító a trafót védi, az szorul rá az ilyesfajta védelemre. Idézet: „Ha magát a trafót akarod védeni, akkor a terhelt oldalra célszerű egy okosan méretezett értékű biztosítékot tenni.” Ha az eddig elmoddottakból nem érted meg, hogy egy leválasztó trafót miért célszerűbb a primer oldalon biztosítani, akkor minden további erőfeszítést feleslegesnek találok. Rascal "okoskodása" sem vitte előre a kérdést, hiába akart Neked segíteni, Őt is "ledorongoltad". Zárszóként csak annyit fűznék hozzá, hogy ez egy szakmai fórum. Ha hülyeségeket írsz, továbbra is ki fogom igazítani, de ezentúl nem a Te érdekedben, hanem kizárólag más érdekében. Sajnos ebben a szakmában nem úgy van, mint pl. a vallásban, hogy ha valaki valamit határozottan, és hangosan állít, azt előbb, utóbb elhiszik, és tényként elfogadják.
Nem értem, miért akarsz mindenáron egy olyan - szinte lehetetlen - helyzetet generálni, ami a valóságban eléggé irreális. Hogy kerülne 50Hz-nél alacsonyabb frekvencia egy leválasztó trafóra? Pláne DC.
[OFF]Az OK dolgon meg Te is gondolkodj el, ha kérhetem.
Rascal!
A leválasztó trafó életvédelmi célokat szolgál. Olyan körülményeket teremt, hogy egy földfüggetlen hálózatot hoz létre, így javításkor nem kerül a fázis az emberre. Más szerepe nincs! Ipari alkalmazásnál a vezérlő feszültséget állították vele elő. De ez már ma nem megengedett csak a 24V! Nem tudom hogyan juthat egy hálózati trafóra DC, de ha gondolod akkor leírhatnád milyen extrém esetben fordulhat ez elő. Most nem olvastam végig a topikot, de világos kérdés nélkül csak homályos válasz van... Mivel a hálózati freki 50Hz +/-valamennyi...naponta mérem de 0,1Hz eltérés van így nem tudom hogyan kerülne rá alacsonyabb frekvencia?
Szia Alkotó, igazad volt tényleg elmértem a vasmagot,én a 2*d helyet a külső d-ket mértem.Újra megadom a most már hiteles méreteket.A=11,44cm, B=9,55cm, C=5,13cm, és a D=3,82cm.Igazából ezt a mondatodat nem olvastam el figyelmesen: ''Igazából a ''D''-k helyett, a belül lévő ''2*D''-nek jelölt méret kellene nekünk''.A tápot nem akarnám napokig max terhelésen jártatni,csak arra kellene hogy teszteljem le vele a végfokokat.Köszi a segítséget.
Vas keresztmetszet 39,1932cm2.
![]() Tehát P=1066,740921W De ez erősen csak a vas maximuma!
Ha a most megadott D, az valójában a belső mag szélessége (azaz 2xD), akkor ez elég közel esik a korábban vázolt 1-es trafóhoz. A pakett vastagabb, amivel nyersz kb. kb 2cm2-nyi kereszmetszetet, tehát most is azt mondom, jó közelítéssel 250-300VA körül van a teljesítmény, feltételezve 1tesla körüli vasminőséget -ez reális, legalább ilyenek szoktak lenni a lemezek-. De továbbra is kritikus az ablakméret, nem sok helyet hagytak a huzaloknak.
Az én tápegységemben a mellékelt fotón lévő trafóból van 2 db. (Még egy kis trafó is van benne ami utólag került bele, mivel eredetileg csal egy műszernek tekertettem rá segédfeszültséget. így most a kis trafó viszi a 4 műszert és a hőfigyelő-ventilátor vezérlő áramkört.) Ezek a trafók (kipróbáltam) több órán keresztül is képesek a maximális áramon kiszolgálni a tápegységet.
Félreérted a méretet, a keresztmetszet csak a fele, mert amit D-nek nevez, az valójában a belső 2D.
Egyébként a képlet közelítőleg használható.
"olyan - szinte lehetetlen - helyzetet generálni"
Nem generálni akarok, csak védeni tőle ha szükséges. Ennyi. Az "Ok"-ot félreérthetted, mert azt a hozzászólásodat (akku töltős) elfogadtam. A többit amit benne írtam a fórum motor viselkedése miatt írtam. Ha megpróbálsz pl erre a hsz-re csak annyit írni, hogy "OK" látni fogod te is.
Akkor 266,68523025W. Csak hogy ne kelljen Neki számolnia.
Na ekkora trafón, aminek még tekercselési minőségét, huzalvastagságát sem tudjuk, max 150W-ig ajánlanám a terhelését.
És tudod mikor lesz szükséges?
Ha direkt egyenáramra kötöd.
Csak tudnám hogyan kerül egyenfesz a trafóra?
Mert akkor semmi értelme a trafónak...
Rascal gondolatmenete volt, ha véletlenül akkut tölt, vagy ilyesmi, és zárlatba kerül a dióda(híd). Ilyenkor - szerinte - visszajut a DC a szekunder tekercsre, amire a primer oldali biztosító nem hatásos. Ezért mondtam neki, hogy egy ilyen szerkezetnél az egyenáramú oldalon is alkalmaznak biztosítót, mely a diódahíd zárlatakor kiolvad, megszakítva az akku felől az áramkört, míg az ugyancsak zárlatra dolgozó transzformátort leválasztja a hálózatról a primer oldali biztosító.
Kossz a valaszt!
Igen erositobe kell. Hogy erted azt hogy figyeljek a teljesitmenyre? A trafo 1000VA-es, 4 x 12V-os kivezetessel. Gondolom a teljesitmeny marad attol ha osszekotom a kivezeteseket 24V-osra. Vagy valtozik?
Reméljük, hogy a tekercsek egyenértékűek (huzalvastagságra), akkor nem változik a kivehető teljesítmény.
Kossz a valaszt!
Azt hogyan tudom ellenorizni anelkul hogy szetbontanam a trafot? Ja, amugy mar megrendeltem, ugyhogy remelem jo lesz
Gondolom, hogy azért a tekercskivezetések látszanak. Ha szemre egyforma vastagok, nemigen lehet baj velük. Mert azért 1kVA-es trafón a tekercsek darabonként 250VA-t kell átvigyenek, ez 12V-on 20A magasságába esik. Ez jelentős huzalkeresztmetszetet igényel.
Szia Alkotó, köszönöm a segítséget.
,akkor olyan 250W körül van a trafóm,ez elég jó lesz akkor az Alkotós tápba.Az ablak mérete az tényleg kicsi de majd megoldom valahogy.Úgy szeretném megoldani a tekercselését hogy a primer megmarad,és a szekunderét pedig áttekerem 1*42V-os ra és 2*15V-os ra.Na most azt szeretném még megkérdezni tőled hogy te milyen vastagságú drótot ajánlasz ehhez a trafóhoz?, vagyis a rajz szerint a 42V-os ki jövetnek 6,0 Ampert kell hogy biztosítson, a 2*15V-nak pedig 0,5Ampert kell.Ehhez az áramérősegekhez milyen vastagságú drótot használjak szerinted?,úgy hogy rá is férjenek a tekercsek a trafóra?, egyáltalán elfogja e bírni a trafó azt a 6 Ampert?.Köszi.
Szia Köbzoli, nekem megvolt ennek a programnak egy kicsit régebbi változata és nem volt jó mert megadott egy menetszámot egy drótvastagsághal, és nekem nem az a feszültség jött le a trafóról amit a program irt hogy annyi kell hogy legyen,pedig jól ütöttem be mindent a programba és jól követem az utasításait és mégsem volt jó.Ez a program menyire megbízható?, ügylátóm ez 2010-es változat.A T-az a tesla azt kell 1,1-re állítani?.Köszi amúgy a programot.
2010-es? Honnan látod? Ez 2001-es.
Az elférésről nem tudok nyilatkozni, de a többire igen. Mivel ez egy meglévő trafó, aminek a primerjét nem akarod cserélni, viszont nem is tudod milyen huzalból hány menet, ezért az alábbiakat javaslom. (Feltételezve, hogy a jelenlegi primer az megfelelő, sem jelentős alulgerjesztés, sem túlgerjesztés nincs!)
1. A mostani állapotában üzemeld be, és mérd meg a primer és szekunder feszültségeket pontosan. Ha sok szerkunder van, akkor elég csak egyet mérni közülük, és majd annak számolni a meneteit. Ha a primer nem szélsőséges (kb. 225-235V között van, akkor nem kell vele fogalkozni, de ha pl. 245V (nálam pl. ennyi szokott lenni), akkor a szekundert kicsit át kell számolni (Usz-valós=Usz-mért*230/245). Így kapod meg, hogy mennyit mértél volna, ha 230V-os a hálózati feszültség. 2. Szedd szét a trafót, és úgy vedd le a szekundert, hogy közben pontosan megszámolod hány menet volt a mért tekercs. Menetszám/Usz-valós=voltonkénti menetszám. Ezt kell megszorozni a neked kellő feszültségekkel, és megkapod a menetszámokat. 3. Átmérők meghatározása. Erre egyértelmű a képlet, csak van benne egy óriási huncutság, mégpedig az áramsűrűség. Mindenkinek van koncepciója, mikor mennyi a helyes, de a végeredmény mégis az, hogy akár 1,5-8 nagyságrendben is mozog annak értéke, ami iszonyú nagy eltérés. Én azt javaslom, tekintettel a helyszűkére, és hogy vélhetőleg ritkán fogod határterhelésen járatni, hogy az egyébként szekundernél szokásos 2,5A/mm2 helyett, inkább 3,5A/mm2-el számolj (az irodalom 4A/mm2-ig normál méretezésnek minősíti) átmérő=gyök(terhelésx4/(PIxáramsűrűség)) ha ezt kiszámolod 3,5A/mm2-el, akkor kerekítve a következő huzalokat fogod kapni: 6A-hez 1,5mm-es huzal kell, 0,5A-hez 0,45-ös. (valójában a vezérlésnek messze nem kell 0,5A, csak nem akartam kihegyezni a dolgot.) Idézet: A huzalnak kell elbírnia az áramerősséget, a trafónak meg az összes teljesítményt.„egyáltalán elfogja e bírni a trafó azt a 6 Ampert?”
Szia Alkotó, akkor követem az utasításaidat és megmérek egy szekunder feszültséget, megszámolom hogy hány menet volt rajta, és az alapján kiszámolom hogy hány menetet kell tekerjek rá a megfelelő feszültségre.A primerhez meg szerintem nem kell hogy nyúljak, mert itt csak 225-230V ra megy fel a feszültség a hálózatba.1,5mm es drótom az van itthon, és 0,45-ös drót is, úgyhogy nem lesz gond a drót kajtatással
.Köszönöm hogy ennyit segédkeztél,örök hálám. .Majd teszek fel képet majd a kész tápról ha kész lesz.Ja és az a program nekem tényleg azt irja felöl az ablakba hogy-Trafóméretező V1,0 2010,02,07 akkor nem tudom hogy mi ez.Szerinted lehet alapozni egy ilyen programra amúgy, mennyire pontosak ezek?.
Üdv köbzoli!
Próbáltam feltelepIteni a trafóméretező progit de sajnos nem jön össze,az antivirusom virusként ismeri fel,és automatikusan törli,neked jól működik,eleinte nem volt hasonló problémád vele? Én a képen láthatót használtam mostanáig,csak nemrégiben újratelepItettem a Windows-t,és azóta ugyanez a probléma lép fel,nem tudom mi lehet a baj pedig az antivirusom a régi,töbször is letöltöttem már,újra meg újra telepItem,de reménytelen,amúgy meg nagyon jó program,már jó néhány trafót áttekertem a segItségével és még eddig nem volt rá panasz,ha esetleg tudnál,vagy valaki tudna valami hasonló jó letölthető programot,azt nagyon meg köszönném.
Nekem van egy olyan progim, hogy Elektronikus svájcibicska. Ez is tud trafót méretezni és még e mellett sok mást is
Most raktam fel ma és tényleg nem vírusos.
Valoban, erre nem is gondoltam
![]() Amugy mennyibe kerul egy ilyen trafo? Nekem kb 9000ft-ba kerult ez, ha jol sejtem az eleg jo ar. Van egy masik kerdesem is. Talaltam itt egy trafot. 25V es 2A kimeno van rairva tehat 50W-os, ami eleg lenne, de nekem ketszeres tap kene. Szetszedtem, megneztem belul es latom hogy 3 kivezetese van a trafonak. Jol sejtem hogy ez valojaban ketszeres tap? Ha leszednem azt a biztositekot amivel ossze van kotve ket kivezetes, akkor kapnek egy +12,5V-ot, egy testet meg egy -12,5V-ot? |
Bejelentkezés
Hirdetés |









Ha direkt egyenáramra kötöd.
.Majd teszek fel képet majd a kész tápról ha kész lesz.Ja és az a program nekem tényleg azt irja felöl az ablakba hogy-Trafóméretező V1,0 2010,02,07 akkor nem tudom hogy mi ez.Szerinted lehet alapozni egy ilyen programra amúgy, mennyire pontosak ezek?. 


