Fórum témák
» Több friss téma |
Fórum » Muzeális készülékek-alkatrészek restaurálása
Témaindító: Kutyuli, idő: Márc 29, 2008
Témakörök:
Érzésre egész jó mélyhangjai vannak-persze adatszerűen nem tudom.Zárt dobozban biztosan gyengébb a mélyátvitele.
Üdv!
Sziasztok!
Kaptam javításra egy Tesla NZC 142 típusú lemezjátszót, a hangerő és a balance potija kontaktos, kiszedtem, hogy kicseréljem. Csak nem tudom, honnan tudnék beszerezni ilyen potikat. A hangerő potin alul 6 láb van, valamint a többi 3 oldalán 2-2-2 láb. A balansz poti egyik fele logaritmikus, a másik inverz logaritmikus... ez még nem is lenne probléma, mert sima sztereó lineáris is jó lenne oda, de a hangerővel nem tudom mit kezdjek.... Ebben szeretném a segítségeteket kérni (a hangerő poti további lábaira soros RC tagok vannak ráakasztva, gondolom szűrőként funkcionálnak, kapcs rajz mellékelve) Előre is köszönöm a segítséget
Fiziológiás hangerőszabályzó-kisebb kivezérléshez mélyemelést ad- tulajdonképpen csak egy kényelmi megoldás.Helyettesíthető 2x3 lábú egyszerű log.potival.
Üdv!
Lacikám!
Az előző hozzászólást ha nem értenéd, - ez olyan, mint a fiziológiás sóoldat. Csak ez hangerőszabályzás, de azért megpróbálhatod a gyógyszertárban!
Most, hogy így mondod, van a garázsban szerelő akna, meg van ennél mélyebb pince is, sőt van egy még mélyebb kút is, csak félő, hogy attól vízhangos lenne.
Nem kell azonnal poticserén gondolkozni! Próbáld meg előbb helyrehozni. A legpuhább grafitceruzáról (9-10 B) reszelj le egy kis grafitport ezt keverd el szilikon vagy műszerolajjal és ebből a löttyből juttass be a poti résein egy cseppnyit a csuszka környékére. Egy párszor ide-oda mozgatva a csuszkát, kerul alája a grafitporból is és ez az esetek 95 százalékában megszünteti a recsegést.
Jó az! Mindjárt meg van oldva a vizhangosítás is.
Üdv Peti ! Ha Jocó tanácsa nemsíkerűl, akkor egy képet kérek a potméterről és megnézem. Öreg T
Mellékeltem a képet a potikról, valamint egy hibás kondiról, aminek nem tudom a paramétereit. Ez van ráírva: IC175, 10k, 1000V = XR. Talán 10µF/1000V lehet??
A kinézet alapján ez fólia kondi. 10nF 1000V lehet a mérete alapján.
A Tesla gyártmányú kondenzátoroknál a K szorzó a nálunk használatos nanofarádnak felel meg, így valóban 10 nF/1000V-os a kondi. Továbbra is ajánlom a grafitpor plusz olaj keverékes sercegésmentesítést, mert nehéz lenne e spec. kivitelű potikat bszerezni........
A rajzon nem láttam 10nF kondit sehol, pláne 1000V-ost, szerintem jó lenne tudni, hogy ez melyik pozicióban volt, tehát pl. van-e párja a másik csatornában, vagy csak pl. hálózati zavarszűrő, stb.Az is lehet, hogy nem eredeti alkatrész.
Üdv!
A feszültség érték miatt szerintem hálózati zavarszűrő lesz.
Üdv Peti ! Van potencióméter. Megkeresem a rajzát , mert a a 140 és 142 közötti külömbségre nem emlékszem. A szögletest nem találtam. Öreg T
Uj szerzemény jött a házunk tájékára:
Meoclub 16 electronic Automata filmbefűző rendszer 250W os halogén izzó Beépitett Hangszórók, 1 Db a gépházon van, másik 2 pedig a takaró burkolaton Mágnescsikos, és fényhangos filmeket is lejátszik, szövegalámondást is lehet rögziteni [bár ezt még nem próbáltam] Közepes egészségügyi álapotban került hozzám, a jelenség heveny filmevés Ezt 2 nap alatt sikerült megoldanom, egy kiadós olajozással, beállitással. Én is hasonlóképp nyugtáztam a munkámat mint a képen látható ember.
Köszönöm a sok segítséget! Kipróbálom majd a grafit+olajos trükköt csak még kell beszereznem olyan pihe-puha ceruzát, mondjuk 5B-s az lenne itthon. A kondenzátor a lemezjátszó motrára volt rákötve közvetlenül, 2 kivezetésére párhuzamosan.
Ha nincs más akkor az 5B-s ceruzával is megpróbálhatod!
Sziasztok! Találtam itthon egy "régiséget" amihez kezelői kézikönyvre lenne szükségem Jupiter - Multimes Liliput, ha valakinek van ilyen vagy esetleg használt ilyen műszert megköszönném ha egy pár szóban segítene a használatában. Üdv.
Sziasztok!
Hosszabb szünet (munka, időhiány miatt stb) után újra itt... A következő projectem egy Orion AT301-es TV restaurálása. Felleléskori állapotban sajnos a kávát a csővel kidobták, csak a sasszi maradt meg, csövek nélkül, rozsdásan. Aztán egyik kedves fórumtárstól szereztem kávát eltérítőtekerccsel, képcsővel, és hátlappal. Jöjjenek tehát a képek a felújítás előtti állapotban:
Ezek a képek ma készültek, ma került a helyére a nagyfesz trafó, és rápróbáltam a képcsőre is, minden OK, eltérítések mennek, a cső fényereje hibátlan, mintha új lenne. Sajnos ez utóbbiról még nem készültek képek, majd ha kész lesz a káva is, felteszem. Jut eszembe, lehet, hogy volt itt már téma, a lakkozást rendbe hozni mennyire nehéz? Az elektronika OK, de az asztalos munka ilyen ismeretére eddig még nem volt szükség, kis bútorápoló és OK volt, de ez sajnos össze van repedezve és pereg lefele...
Képek a felújított chassis-ról:
Szia!
Gratulálok az AT301-eshez! Gyönyörűen néz ki a sasszi! A káván még alighanem politúr volt, és szerintem érdemes lenne újra azt rátenni, szebb bármilyen más lakkozásnál. Volt itt már részletes leírás linkelve, de ha gondolod, megkeresem. Nekem is szükségem lesz majd megtanulni ugyanezt, mert rengeteg cuccomat újra kell politúrozzam az idők során. Az elmúlt hetekben kerestelek többször is az alkatrészcserebere miatt, rég össze vannak készítve amiket ígértem, csak lehet pont rosszkor hívtalak mindig, ki volt kapcsolva a telefonod. Ha változott az elérhetőséged, légyszíves írd meg privátban!
Az AT501, 301, 302 egész biztos politúrozva voltak. Sőt, még az első szériás AT403-asok, és 505-ösök is. Nekem ezekből mindből van itthon és politúr van rajtuk. Van későbbi AT403 Tiszám, és AT505 Dunám is. Na ezeken viszont már tényleg a műgyanta van. Ami politúros és repedezik, arről nagyon könnyen leválik a régi réteg. Üdv!
Nídda,Néked is sikerült fellelni egy ilyen régi szép készüléket?
Alakíthatnánk klubbot is lassan
Geri! Ha gyári és az '50 -es években/után készült, akkor poliészter lakk, és nem politúr. Ha politúr, akkor le tudod dörzsölni denszesszel.
Itt vannak az emlegetett Orion PD201-esek. Szombaton mentem értük. Állapotuk nagyon jó, a narancssárga kivételesen jó állapotban van. Összesen két hiba van, a narancssárgának az egyik kivezetése letört (új tartóbakelittel javítható), a feketékből az egyik a pereménél átszakadt, kis pepecseléssel az is szépen javítható.
Szerintem sokunkat érdekel, de minek a pü? Itt szoktuk kitágyalni a cuccokat, azért van ez a topik.
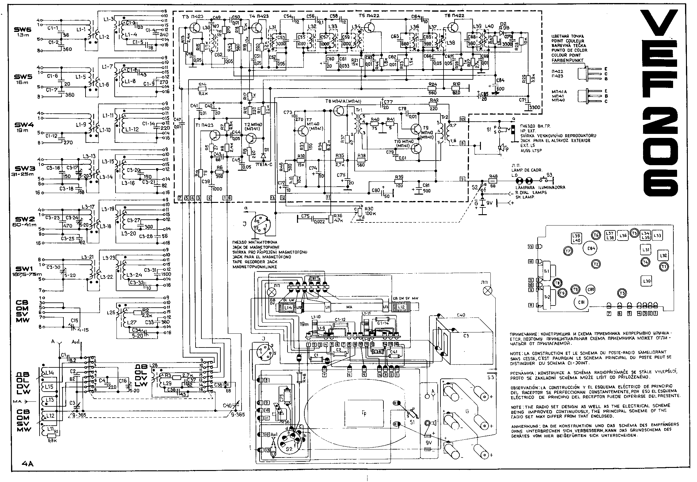
Hellosztok.
Sikerült szereznem két VEF206 táskarádiót. Sajnos egyik se jó. Az egyik búg a másik meg se nyikkan. Szerintetek mi lehet a probléma? Elkókat cserélgettem, semmi változás.
Hát, az enyém szól, bár nem egy HiFi. Nagyon hallani, hogy tranyós. Olyan mint a sokol, csak több a mély a nagyobb hsz-től. Az eredeti adaptere nemigazán szűrt, búg tőle eléggé. Ami miatt nem szólhat, a kontaktos sávváltó. Ez a leggyengébb része. Itt a rajza.
|
Bejelentkezés
Hirdetés |

















Alakíthatnánk klubbot is lassan 


