Fórum témák

» Több friss téma
Fórum » Erősítő mindig és mindig
Mielőtt kérdezel, a következő két dolgot ellenőrizd! I. A helyes tápfeszültségek megléte. II. A kimeneten van-e egyenfeszültség. Élesztés.
Lapozás: OK   463 / 2580
(#) tomika1986 válasza Rakloo hozzászólására (») Feb 15, 2010 /
 
Szia!
Ajánlom a tda2030-at : nekem nagyon régóta bírja, pedig 38V-ról hajtom (jónagy hűtővel és aktív hűtéssel), de 25Vról is bőven szól.

TDA_2030.jpg
    
(#) Rakloo válasza tomika1986 hozzászólására (») Feb 15, 2010 /
 
Akkor hídkapcsolás kellene,asszimetrikus táppal,úgy tudom hogy az bírja a nagyobb feszültséget.
(#) Kekszi hozzászólása Feb 15, 2010 /
 
Sziasztok.
Van egy Sharp CD-S6470H Hifi-m. Erre szeretnék rákötni 2 db hangfalat és egy mélyládát. A baj az, hogy csak 2db hangfalnak van kimenet Left és Right. Megoldható lenne valahogy, hogy rákössem a mélyládát? Egy hozzáértő válaszát várnám. Előre is köszi!
(#) tomika1986 válasza Rakloo hozzászólására (») Feb 15, 2010 /
 
Nekem ez a kapcsolás van megépítve és +38V-ot kap azt olvastam róla hogy hidalva nagy a torzítása azért nem úgy csináltam.
(#) korgs2 hozzászólása Feb 15, 2010 /
 
Sziasztok. A neten találtam a következő erősítő kapcsolást. Mi a véleményetek róla mármint hangminősség terén? És esetleg a végtranzisztorokot nemlehetne helyettesíteni 2n3055-el?
(#) Imi65 válasza korgs2 hozzászólására (») Feb 15, 2010 /
 
Felejtős, ha minőséget akarsz.
Nem, mert a tranyók nem egyformák.
(#) kadarist válasza korgs2 hozzászólására (») Feb 15, 2010 /
 
Szia!
Az egyik végtranyó PNP! Amúgy eléggé érzéketlen.
(#) korgs2 válasza kadarist hozzászólására (») Feb 15, 2010 /
 
És esetleg valamilyen egyszerű tranzisztoros kapcsolást nem tudok ajánlani? 2n3055-el lenne a legjobb mert abból van sok.. és lehetőleg bírja a 60v-ot..Előre is köszi
(#) fihu hozzászólása Feb 15, 2010 /
 
Sziasztok!
Van egy autóba való erősítőm, tda2003as IC-kkel. 4 darab ic van benne: 2 bemenet -> 4kimenet. A kérdésem az lenne, hogy meg lehetne e csinálni, h 2 bemenet-> 2 kimenet legyen?? Lehet valahogy hidalni az ic-ket? Válaszokat előre is köszönöm!
(#) Imi65 válasza korgs2 hozzászólására (») Feb 15, 2010 /
 
Parancsolj, ez egy komplett erősítő. Ha csak a végfok kell, az elejét elhagyod.
Nem, mintha ez nem volna elég egyszerű......
(#) korgs2 válasza Imi65 hozzászólására (») Feb 15, 2010 /
 
Köszönöm szépen! Egyébként egy apt100 as lesz átépítve. Ahoyg haladok majd lesznek képek remélketőleg
(#) bereczk.jans válasza melorin hozzászólására (») Feb 15, 2010 /
 
Szervusz Melorin!
Az 1-t egy ismerősöm úgy 20 éve megépítette LF356-tal vagy TL071-el: jól szólt neki. Én 741-el, mert erre volt lehetőségem: a magas átvitele minősíthetetlen. Csináltam egy áramcsatoltat 741-el a Sipos könyvből, az már úgy szólt mint az ismerősömé. Következő egy LM386-s fejhallg. erősítő. Tizenéves nebulókkal jó pár db-t készítettünk.(Előnye a telepes üzem, 4,5 - 9V tápfeszültség) Ugyanúgy szólt mint a kicsit bonyolultabb, egészen addig amíg jobb hallgatóra cseréltem. Tény NE5534-el, vagy TL071-el nem csalódsz benne, de a 2-s változat a JLH nekem eddig ez az igazi. Kb 1 hete és két napja leirtam a tapasztalataimat érdemes átolvasni.
A 3-s kapcsolás: Ha kezdő vagy és nincsenek elektronikai ismereteid akkor kicsi az esélye, hogy jól is működjön. Ez nem "egérkattintás" és varázsolás. Csak az önbizalom kevés! Ha képzett valaki és vannak tapasztalatai akkor egy próbát megér.
(#) kadarist válasza korgs2 hozzászólására (») Feb 15, 2010 /
 
Egy másik, max. 60W-os kivitel:2N3055 Power Amplifier
(#) Imi65 válasza korgs2 hozzászólására (») Feb 15, 2010 /
 
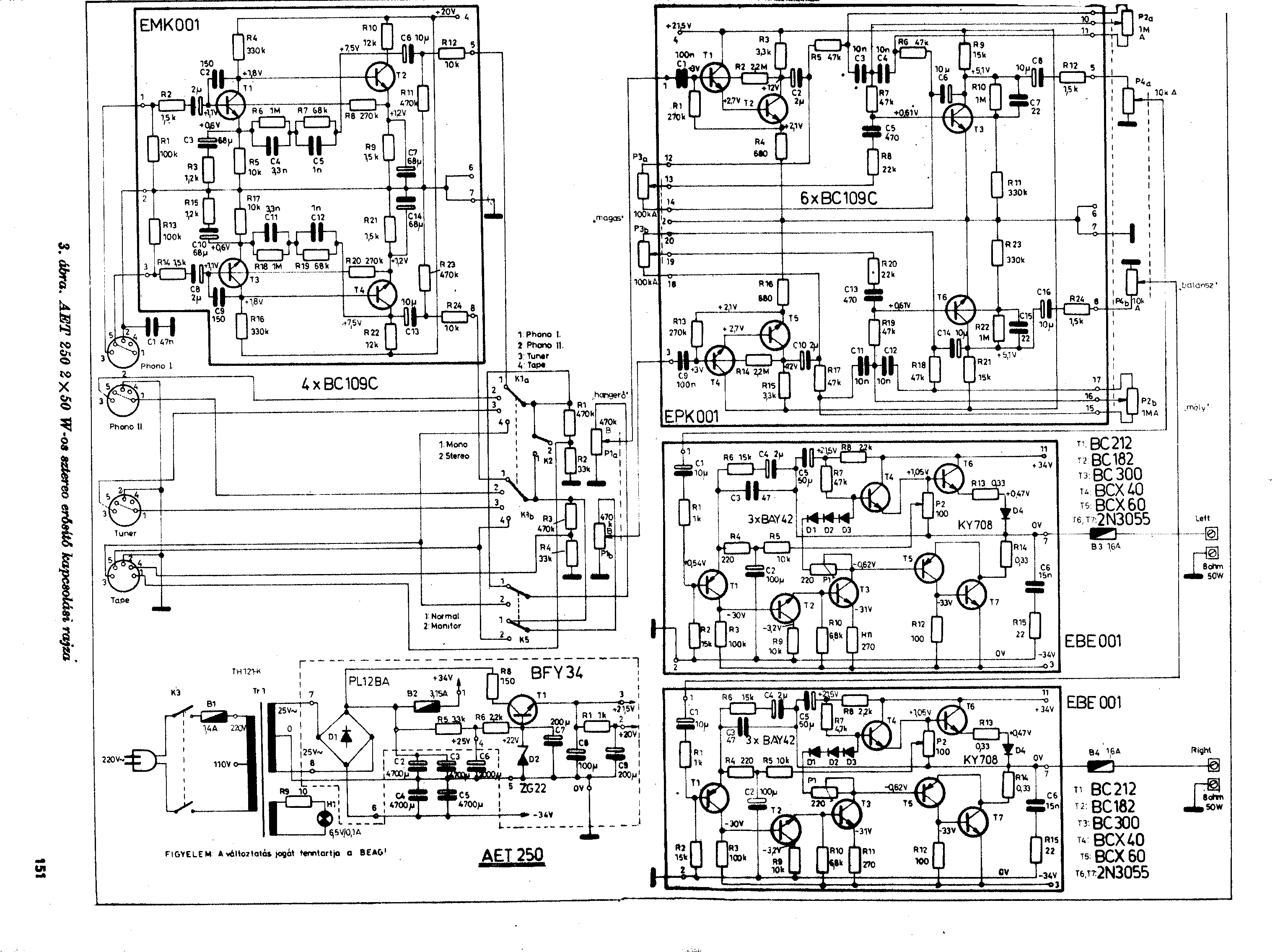
Ha már BEAG, akkor vannak eredeti BEAG áramkörök is.
De az első kettőt nem javallanám, nem igazán jól sikerült áramkörök. Talán a 453-as még elmegy, a 250-es még kegyetlen rosszul is szól, amellett, hogy eléggé instabil.
(#) Directors hozzászólása Feb 15, 2010 /
 
Sziasztok!


Szükségem lenne egy erősítő kapcsolási rajza de sajnos nem nagyon találok.
A trafó puffer után +-73V.Ez a nagy probléma.
Olyan 100-150W kellene 4 ohmra.
Tudtok nekem ebben segíteni?
(#) hapro válasza Directors hozzászólására (») Feb 15, 2010 /
 
Építsd a Kd mester féle monstert vagy annak a kistesóját amiben csak 2-2 FET van. Így lesz ilyen fesz mellett a nagyobbikkal 400W, sőt annak még túl nagy is ez a feszültség, mert abba +-65mehet 4ohmra, 8ohmra meg +-90-et kíván.
(#) soos csaba válasza Directors hozzászólására (») Feb 15, 2010 /
 
Szevasz, építsd meg ezt a PPA300B típusú erősítőt, ez bevált kapcsolás, ezt én is megépítetten, és müködik tökéletesen, és ami a legfontosabb dolog hogy elfogja birni neked azt a +-73V ot. Teszek fel rajzot, lírást, és a nyomtatott áramkör rajzát is. Sok sikert hozzá ha megépítenéd.
(#) soos csaba válasza soos csaba hozzászólására (») Feb 15, 2010 /
 
És még 3 darab.
(#) Directors válasza soos csaba hozzászólására (») Feb 15, 2010 /
 
Köszönöm mindkettőtök segítségét.

soos csaba: Esetleg nem lehetne az MJ15003 és párja helyett olyan tokozású tranyót rakni mint amilyen a képen látható?Bővebben: Link
(#) hangszoros válasza Imi65 hozzászólására (») Feb 15, 2010 /
 
A 250-es egy RCA kopi, amit negativan modifikáltak ( pl az ármkorlátot kihagyták. nem birtaka gerjedéssel.) KU tranyoókkal a 60-as években fusizgattam. Baromi jó volt. Nem tudtam, hogy a Beag is magáévá tette.
A 453-as Siemens aplikáció. A rövidzárvédelme belépéskor igen cifrákat alakit
Én lebeszélnélek róluk mert nagyon kell babrálni velük, hogy jók lehessenek.
Volt egy nagyon jó fülü barátom a Bogi a Feketelukban hangositott . Együt ki akartuk deriteni mitől szól az egyik Beag, jól _ez volt a ritka_ a másik meg gyalázatosan.
Meghalt mielött megfejtettük volna.
(#) melorin válasza bereczk.jans hozzászólására (») Feb 16, 2010 /
 
Köszi, elolvastam a korábbi beszámolódat is. Remélem, hogy a JLH/1 kapcsolással jól járok (te is azt építetted meg?). Van egy 5.1ohmos ellenállás a végtranyó kollektoránál. Ahelyett szerinted tehetek 4.7-et? Csak az van itthon 1W-os változatban.
Ja és van az oldalon egy buffer is. Jól értem, hogy azt abban az esetben kell megépíteni, ha a jelforrásnak, amivel meghajtom, nagyobb a kimeneti ellenállása mint 4.7k?
(#) soos csaba válasza Directors hozzászólására (») Feb 16, 2010 /
 
De lehet, az MJ 15003 as, és az MJ 15004 esek helyet jó a 2SC 2922, 2SA 1216, vagy jobb volna az MJL 21194, MJL21193 as párokkal, mert ezek TO220 as tokozásban vannak, és neked pont ilyen tokozásúak kellenek. Ha valahol elakadsz csak szólj. Sok sikert a megépitéshez.
(#) teddysnow válasza hangszoros hozzászólására (») Feb 16, 2010 /
 
Nekem van tippem. Én úgy jártam, hogy csináltam egy sztereó mikrofon erősítőt. Nagyon jól sikerült. De, az egyik oldal nagyobb hangerőnél kicsit sercegett, olyan hangja volt, mint ha, a hang egy kontakt hibás kapcsolón át menne és azt a kapcsolót piszkálják. Nem volt feltűnő kb. 1 hónapra rá vettem észre. A kapcsolásban van egy tranzisztor és egy műverősítő. Az ic-t kicseréltem nem változott semmi. A tranzisztor volt a ludas, az volt zajos. Mondom, működött, erősített csak zajos volt.
(#) hangszoros válasza soos csaba hozzászólására (») Feb 16, 2010 /
 
Amire utalsz az háromféle tokozás, de egyik se TO 220
To220-ban még nem találkoztam 150 W-os, vagy nagyoobb tranyóval
(#) fricihun hozzászólása Feb 16, 2010 /
 
Sziasztok!

Szerintetek egy tda7294 és egy tda7250(2x30W 8ohm) részére melyik bordát vegyem meg?

- 160x40x40 (mm)
- 200x40x40 (mm)

A két borda teljesen egyforma csak méretben különböznek: Kép

Választ előre köszi.

üdv. fricihun
(#) nagy_david1 hozzászólása Feb 16, 2010 /
 
Üdv!
Valaki olyanra lenne szükségem aki jól ismeri a TDA icket és tudna következtetni ott nem feltüntetett adatokból. Pontosan a TDA7265-ről lenne szó. Valaki nekem meg tudná becsülni, hogy 1% torzítás mellett híd kapcsolásban +-12V pufferelve (kb. +-17V) táp mellett mekkora teljesítményt tud leadni? A gond ott van, hogy a híd kapcsolásnak nincsen grafikonja, csak annyi van odaírva, hogy 50W 10% torzítás +-16V-nál. Na de nekem mint mondtam 1% torzításnál érdekelne a teljesítmény és +-12V pufferelve se tudná tartani a 16V-ot jól leterhelve. Úgy +-13V-ra becsülném a minimális feszültségre való esést leterhelve, szóval ilyen körülmények közt érdekelne híd kapcsolásban a leadott teljesítmény. Én 30W-ra tippelnék nagyon optimistán, de sajnos lehet csak 25W ha "kijön". Várom válszotok. Előre is köszönöm. Mellékeltem az adatlapot a könnyítés érdekében. Egy megközelítő szám érdekelne csak.

datasheet.pdf
    
(#) Badinszki hozzászólása Feb 16, 2010 /
 
Szeretnék egy autóerősitőt késziteni,amatőr vagyok.Tudna valaki segiteni,köszi.(kb2x30w)
(#) peter1995 válasza Badinszki hozzászólására (») Feb 16, 2010 /
 
2*20w?TDA2005
Én pont fordítva csináltam.Adott volt az autó rádió és abból csináltam végfokot.Én meg vagyok vele elégedve.2*40w-os hangszórót hajtok vele és szépen szól.([sub]nem jó hangosan)
(#) Badinszki válasza peter1995 hozzászólására (») Feb 16, 2010 /
 
Erösitökimenetes autórádiom van(kenwood)és erre szeretnék egy erösitöt kapcsolni.Ha van valamilyen rajz nagyon megöszönném!
(#) peter1995 válasza Badinszki hozzászólására (») Feb 16, 2010 /
 
De az autó rádiókban eredetileg van erősítő
Következő: »»   463 / 2580
Bejelentkezés

Belépés

Hirdetés
XDT.hu
Az oldalon sütiket használunk a helyes működéshez. Bővebb információt az adatvédelmi szabályzatban olvashatsz. Megértettem