Fórum témák
» Több friss téma |
- Ez a felület kizárólag, az elektronikában kezdők kérdéseinek van fenntartva és nem elfelejtve, hogy hobbielektronika a fórumunk!
- Ami tehát azt jelenti, hogy a nagymama bevásárlását nem itt beszéljük meg, ill. ez nem üzenőfal! - Kerülendő az olyan kérdés, amit egy másik meglévő (több mint 17000 van), témában kellene kitárgyalni! - És végül büntetés terhe mellett kerülendő az MSN és egyéb szleng, a magyar helyesírás mellőzése, beleértve a mondateleji nagybetűket is!
2-3 cm-es. Az értéke meg oda van írva.
bocs most már látom
50 Ohm-mal nyugodtan terhelhető, az a névleges terhelése. Azt, hogy mekkora minimális impedanciával terhelhető, a gépkönyvéből derülhet ki. Léteznek olyan generátorok is, amelyek a rövidzárat is elviselik, de ez típusfüggő. 20-30 Ohm valószínűleg nem tesz kárt benne, de pl. 2-4 Ohmmal csak akkor próbálkoznék, ha a gépkönyvében van arra utalás, hogy kibírja.
Üdv!
Ha nekem van egy érzékeny kapcsolásom aminek pl. 30V a max feszültség amivel még nem megy tönkre (pár mA áramfelvétel) és egy hatalmas puffer stabilizálja a tápot, de a tápra érkeznek pl. 60V-os tüskék is, akkor a kapcsolás tönkremegy vagy a puffer simán elnyeli ezeket. Olyan nagy feszültségű tüskékre gondolok amiket pl a puffer-re kapcsolt mérőműszer szinte észre se vesz. Remélem érthető a kérdésem. Köszönöm előre is.
A kapcsolást (benne az erősítő elemeket) úgy kell méretezni, hogy minden, még szélsőséges körülmények között is elviseljék azt a terhelést, amit rájuk mérsz.
Ha impulzusszerű zavarok is várhatók, akkor nem elég a multiméter, oszcilloszkóppal is gondosan meg kell vizsgálni az előforduló maximális feszültség értékeket, és pl. olyan tranzisztort kell alkalmazni ami ezt gond nélkül elviseli. A Te esetedben 30 + 60 = 90, tehát 100 V Uce tranzisztort kell alkalmazni. A rövid idejű impulzusokat a puffer elkók nem igen tudják szűrni (van a hozzávezetésenek ellenállása, és induktivitása is) ezért szükséges a zavaró impulzusok energiatartalmának, és feszültségének megfelelő kis ESR, kis induktivitású kerámia kondenzátorok alkalmazása, pl. kapcsoló üzemű tápokban, logikai áramkörök tápellátásában.
Értem és köszönöm.
Sziasztok.
Nincsen valakinek valami jól érthető leírása a 723-as szabályozó IC ről. Az érettségi dokumentációba kellene nekem egy leírás erről az IC-ről. Az adatlapját letöltöttem, de ez a belső kapcsolásán és pár alapbekötésen kívül semmit nem adott a számomra. Tehát ha valakinek van valami anyag, oldal stb. magyarul, akkor az ennyivel támogathatna. Köszönöm szépen
723: Például Bővebben: Link 86..90. oldal.
köszönöm szépen
Valahol láttam
* A osztályú fejhallgató erősítőt ( Elektronikai Receptek 1988 ? ) * thermosztátot ( Hobby Elektronika 1990 nov. ? ) 723-mal.
Hello
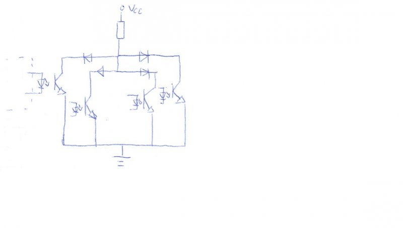
Egy egyszerű töltéskijelző kapcsolásra lenne szükségem. Következő a feladat: van 12db led (beépített helyen) amit kb 2m-es távolságban pl egy műszerfalon ki kellene jelezni hogy világít vagy nem. Linkeltem hogy mire gondoltam csak ugye az 12x-er. Az értékeket úgy számoltam hogy a ledek kb 10mA-t vesznek fel tehát a főágba egy 62Ohmos ellenállást tennék. A rendszer 9V-ról megy. HA jól tudom a ledek nyitófeszültsége 1.5V tehát a tranzisztorokra olyan 7.5V jutna. Nekem valami olyan fototranzisztor kéne ami ezt a feszültséget elbírja és kb az 500nm-es (zöld) tartományban működik. Sajnos a kapcsolás kézzel készült mert az Orcad nem akar menni win7 alatt. Előre is köszönöm a segítséget.
Hello.Kicsit bajba vagyok mert csak láttam ilyet de nem tudom hogyan működik.Szóval vannak ezek a cd tárok cd váltók az autóba.Ezekbe berakok 10-12cdt és azokat úgy jácca be ahogy kiválasztom.Be is olvassa azokat és leadja a jelet ami aztán menet az erősítőre?
Üdv!
Valaki meg tudná mondani, hogy átlagosan egy alternátor rotor tekercse hány ohm -os (milyen értékek közt mozog)? Motorbicikli vagy kisebb autók alternátorára gondoltam, nem nagyobb "példányokra".
Sziasztok, egy működő Sub-crossower kapcs rajzot keresek, valaki tudna segiteni. Találtam néhány aktiv hangváltós topikot, de azokban nem volt olyan hangváltó ami csak sub-nak van, hanem csak 3utasok.
Nem elég egy áramkorlátozó ellenállás. Minden csatornának kell egy-egy.
A LED nyitófeszültsége a színétől (is) függ. Én tennék bele csatornánként még egy tranzisztort ( darlington ). Fototranzisztornak a SFH 309 megfelelőnek tűnik, 500 nm körül még működik.
Tehát akkor minden ágba kellene egy 62Ohm-os ellenállás. Én piros ledekre gondoltam azt hiszem annak 1.5V a nyitófeszültsége. Mit értesz azalatt h csatornánként még egy tranzisztort, az miért kellene?
Tiszteletem!
Egy kis kérdésem lenne. Milyen néven találok olyan alkatrészt ( lehetöleg hestore.hu-n ), ami olyan, mint egy relé, az X állásbol Y-ba áram hatására dobja át a kapcsolót, viszont Y-ból X-be meg akkor, ha nincs áram benne? ( tehát olyanról lenne szó, amit ha kb fél óráig tartok áram alatt, nem ég le benne a tekercs. ) Remélem érthetően fogalmaztam. Köszöntöm előre is: Lecsó
Neked egy kutya közönséges relére van szükséged. Csak tudni kell, hogy mekkora feszültséggel működteted a relét, és hogy mekkora áramot szeretnél vele kapcsolni.
Üdv!
Elmondom mire kellene, ugy látszik értelmetlenül magyaráztam ( elég sürün megesik ) Vasútmodellre kellene. Ha a szakaszon van vonat ( tehát veszi fel az áramot ) akkor X állásba van, de ha nincs rajta vonat, akkor Y állásba.
X állást úgy érted, hogy behúz a relé, Y állást pedig úgy, hogy elenged? Mind a két állásban lehetőség van bármilyen áramkör kapcsolására.
Akkor egy váltóérintkezős relére van szükséged, mint pl ez: Bővebben: Link.
Ennél kicsit bonyolultabb lesz a probléma.
Talán REED relés "áramkapcsoló" lenne a legmegfelelőbb.
De tartok tőle a tekercset neked kell elkészíteni. Valamint az is probléma, hogy a mozdonyt alacsony sebességnél is jelezze.
ez a relé ha nem kap áramot, akkor alapállásra visszaáll?
illetve ez bírja, ha a tekercs hosszabb ideig van áram alatt? nem ég le?
Természetesen. Alapállapotban zár az egyik, nyitott a másik érintkező. Ha 12V-ot adsz a tekercsére, akkor az előbbit nyitja, utóbbit zárja. Ha megszűnik a tápfesz, visszaáll alapállapotra. A reléknek nem szokás leégniük, ha az üzemi feszültségüket kapják.
Köszöntöm!
És akkor minden relé visszaáll alapállapotra, kivéve a bistab?
Ilyesmire gondoltam.
Nem 62 ohmos ellenállás kell, hanem pl. 470 ohmos. Igen, egy pirosnak 1.2 voltot mértem. A fototranzisztor tudtommal nem terhelhető nagy árammal, illetve megvilágításkor nem folyik át rajta elég áram a LED-nek, ezért tennék plusz tranzisztort. Pl. BC182-t. A bal alsó ellenállás a környező fénytől függ, akár 1 megaohm is lehet. A LED-ek anódját lehet közösíteni, így csak 13 vezeték kell.
A motor feszültsége ( mozdony sebessége ) 2-16V-ig szabályozható! Ezt is figyelembe kellene venni...
A relé másik áramkörről megy ( optocsatolónak köszönhetően ). Így tudom neki biztosítani a 12V-ot.
1 problémám lenne, az optocsatoló tranzisztor felöli oldala elé rakjak ellenállást, ha igen, mekkorát? Illetve normális, ha egy relé "zúg"? ( ebből a reléből 2 db-om van, és 12V-on ad ki hangot. ) |
Bejelentkezés
Hirdetés |





)






