Fórum témák
» Több friss téma |
(3) Tilos a közúti közlekedés hatósági ellenőrzését megakadályozni, megzavarni, valamint az ellenőrzés eredményét
befolyásolni, ide nem értve az ellenőrzést előre jelző eszközök használatát. (1/1975. (II. 5.) KPM-BM)
Sziasztok
Sokat foglalkoztam én is a témával, kész volt egy prototipus amit lekönnyítettek az autómról egyik éjjel. Én egy testert és egy echo-t mértem ki. Az echo minden 4. jelre nem lő vissza.
Látom sokan mikrokontrollerből szeretnék megoldani az LED/Laser időzítését. Miért ragaszkodtok ehhez? Szerintem sokkal jobb lenne valamilyen hardveres megoldás a megfelelő impulzusszélesség előállításához. Egyrészt elég lenne lassabb proci mert csak triggerelnie kéne az indítóáramkört, másrészt ha valamilyen kifagyás van a procinál Ledeknél még hagyján, de lézer diódánál eléggé problémás lehet ha megadott időnél tovább marad nyitva az eszköz, konkrétan az örök vadászmezőkre költözik. Egyébként valamilyen monoflop szerű dologra gondoltam.
Óh jaj,
Babócsai is megmérte, de neki meg minden 5.-re lőtt vissza. Igaz elég extrém frekit adagolt http://www.hobbielektronika.hu/forum/files/86/86ee30a827e9a31b0659d...ce.jpg
Igen talán ott lehetett a gond. én fogtam szétvertem az echo fejet szembeállítottam vele a speedlab tesztert. És egyszerre mértem a teszter és az echo ledjén a jeleket.
Mi abban a logika, hogy minden 4. jelre nem lő vissza?
Ahhoz hogy ne adjon jammed kódot a mérő, érvényes távolságokat kell mérnie. Viszont az is probléma ha mindig egyformán adod a válaszimpulzust, mármint a bejövő jelhez képest akkor a végén csak lesz értékelhető sebesség adat.
Ok, ezt én is tudtam ,de miért pont a 4-re nem lő vissza, illetve miért különbözik a két mérési eredmény?
Mérési hiba, vagy értelmezési hiba.
Talán a két mérési összeállítás különbsége, talán a bejövő freki függvénye.Lehet hogy alacsonyabb frekin több a válaszjel. Lehet hogy így spórolnak időt. Lásd Duty cycle. Valakinek újra kellene mérni.
Szerintem kevesebb alkatrészből lehet kihozni.
Legalább is engem ez motivált.
Mert a 16kHz alapban rossz mérési koncepció volt, mivel a ma használatos traffipaxok kb 60-3400-as impulzussűrűséggel mérnek. A blokkoló is erre a tartományra van kihegyezve. Ha megnézed ezekben a mérőberendezésekben használt osram diódával nem is nagyon lehet impulzussűrűségben feljebb menni mivel a kitöltési tényezőjük max 0,1%
Valószínű az echo szoftverében is van holtidő ezért egyszerűen a 16Khz-ből 3 impulzust figyelmen kívül hagyhatott. Azt, hogy miért pont minden negyedik jelet hagyja ki pontosan nem tudom. Igazából ehhez ismerni kellene a mérőberendezés elvi működését, de onnantól kezdve, hogy a blokkolási elv működik, nem is nagyon érdekel......
Sőt annyira rossz koncepció volt, hogy abszolút hülyeségeket mértem. Sőt, ha megnézitek azt a szkópképet, kiderül, hogy nem is minden 5.-re jött válasz! A HOLD-olt képen kétszer jön az 5. utána pedig a hetedik vagy a nyolcadik (nem látszik) imuplzusra ad választ az echo fej.
Így utólag végiggondolva: A lidar a kiadott impulzussorozatokhoz képest a visszaverődött sorozat rövidüléséből számolja ki az én sebességemet, igaz (doppler effektus)? (szóljatok, ha rosszul okoskodok!) Ha mondjuk minden harmadik impulzusra adok egy válaszjelet, akkor nemhogy nőne, de harmadára csökken a mérőfrekvencia, vagyis azt fogja érzékelni, hogy valami eszement gyorsan távolodok tőle, közeledés helyett. Erre esetleg szoftveresen fel lehet készülni a traffinak és kijelenteni, hogy ő itt most jammelve van. Ellenben, ha minden 2., 3., 5., 7., 2., 3., 5.,7., stb impulzusra adok válaszjelet, akkor az teljesen értelmezhetetlen lesz neki és frankón error-t fog ordítani. Ez a nagy elméletem. Cáfoljatok, ha nem stimmel valahol...
Lehet, hogy marhaságot kérdezek, de az miért baj, hogy ha kiírja, hogy jammed? Mit tehet a röndör bácsi...?
Kellene egy korrekt mérést csinálni frankó tárolósszkóppal felfegyverkezve különböző lézerfrekikkel több blokkolón.
Ha megvannak az eredmények, akkor azt ki kell értékelni. Addíg csak találgatások lesznek, vagy bejön, vagy nem. Most külön terveztem és gyártok ehhez egy kütyüt. Van egy infra vevő erősítővel aminek a kimenetére rá lehet csatlakoztatni a szkópot. Ugyanebbe a dobozban egy PIC vezérlés meghajt egy LED-et ami izgatja a blokkolót és a másik LED pedig a infravevő LED-et. A szkóppal pedig lehet nézni, hogy és milyen fázisban érkeznek a zavarójelek.
Magyarországon semmit (az itteni műszerek nem tudják detektálni), de külföldön enyhén szólva nem nézik jó szemmel
Külföldre ritkán járok kocsival, mert vezetés közben nem túl kellemes sörözni-dumálni. (Inkább vitetem magam)
Más. Hogyan lehetne a legegyszerűbben kivitelezni egy olyan kütyüt, ami detektálná a mérést és csak csipogna? Majd én fékezek intenzíven. Igazándiból olyan kapcsolás érdekelne, aminek az alkatrészei itthon könnyedén beszerezhetőek. Köszi a válaszokat! ...és gratula az eddigiekhez!
Csak egy pici helyesbítés nem doppler alapján mér, hanem futási idő alapján. Fénynél a doppler mérés elég nehezen kivitelezhető.
A HMJ megoldásból kihagyod az adó részt és egy csipogóval helyettesíted.
Csak az a gáz, hogy ha riaszt, akkor az azt jelenti, hogy éppen mérnek. És ha már mérnek, akkor azt megtehetik akár egy töredék-impulzussorozattal is. Szóval van kb. 0,5 sec-ed reagálni és lassítani a megengedettre...szerintem ez nem túl biztató!
Ennyire ki van élezve?? Ez nem túl jó hír.
Intenzíven fékezel mikor már fotó van rólad! Te tudod.
Szerintem detektort építeni nem túl nehéz, bár ha el akarod kerülni a fals riasztást nem úszod meg valamilyen kontroller nélkül. Ha gondoljátok rajzolok egyet és felteszem.
Nos, a fals riasztás annyira nem is zavarna. A belvárosban való közlekedéskor viszont jó lenne. Azt tényleg sajnálom, hogy nincs 2-3mp-em.
A terv jöhetne, ha más nem legalább tanulok...
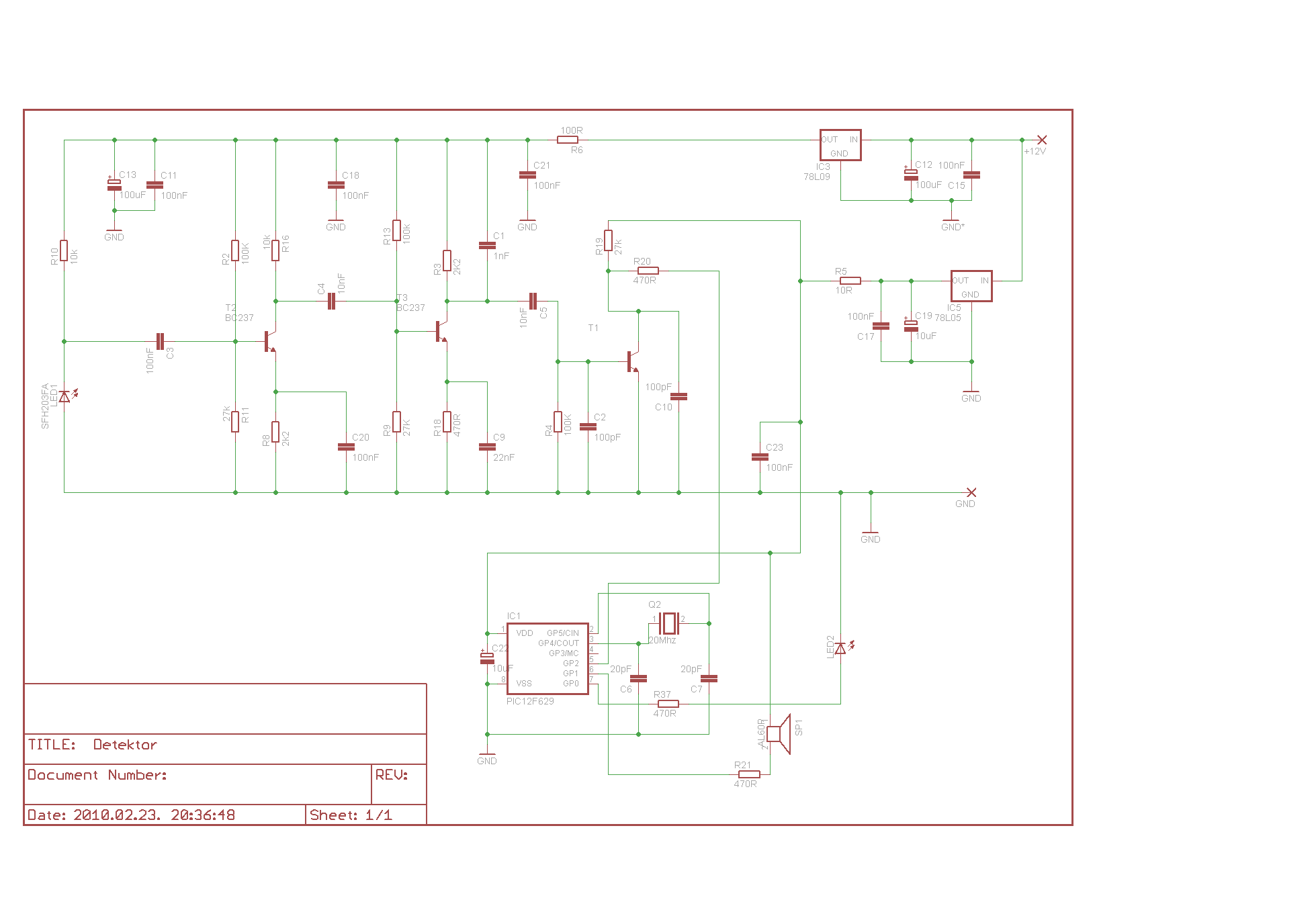
Ez már megépítve működik kb.1 éve
Olyan embernél van aki csak arra kíváncsi mikor mérték meg.
Köszi! A pic mit csinál? Ugye nem csak a hangszórót és ledet hajtja meg? A. hex publikus?
Publikus csak elő kell kerítenem, A pic az impulzusfigyelést
valósítja meg, a led és csipogó meghajtása mellet. Egyébként mindenre jelezne ami él és mozog.
Akkor most megzavarodtam. Én úgy tudom, hogy a LIDAR rendszerek vagy doppler (ekkor folyamatosan ad és a visszavert jel frekvenciaeltérését számolja) vagy spéci impulzus-sorozatokat ad és az egyes (esetlegesen azonosított?) sorozatok visszatérési idejét számolja.
Mivel eddig abban a hitben éltem, hogy a blokkolók minden x. felfutóra adnak választ, logikusnak tűnt, hogy ezzel a doppler mérést zavarják meg, hiszen az időeltérést csak akkor tudja számítani a traffi, ha vissza is kapja azt az impulzus-sort, amit kiadott, ellenkező esetben...hoppá! most jöttem rá! Pont az a lényeg, hogy ne kapja vissza az impulzus sorozatot!!! Ez esetben viszont tökmindegy, hogy mivel válaszolok és a pontos szinkronizálás is felesleges, elég ha többé-kevésbé azonos frekin adok. A nagyobb energiájú adás úgyis elnyomja az eredeti mérőjelet. Na, érdemes volt felkelnem ma, megvilágosodtam!
Aha! Ja! Tehát impulzus szélességet is mér, hogy szűrje a nem odaillőt? Gondoltam is magamban, hogy: miért nem elég egy 4MHz-es belső oszci egy csipogóhoz...?
Örülök neki.
Már volt róla szó, a police lidar a kibocsájtott és visszavert impulzus időkülönbségét méri.A többi már csak matek.
Úgy van, ha előkerül a hex felteszem.
Köszönöm a nép nevében!
Home Made Jammer írta:"Fénynél a doppler mérés elég nehezen kivitelezhető." Vöröseltolódás ugye? Mint az Univerzumban a galaxisoknál.Persze távolodás esetére.
|
Bejelentkezés
Hirdetés |




Talán a két mérési összeállítás különbsége, talán a bejövő freki függvénye.

