Fórum témák
» Több friss téma |
Fórum » NYÁK-lap készítés kérdések
A témában nincs helye a nem szakmai indíttatású vitáknak, ezért a szabályszegést elkövetők azonnali figyelmeztetés nélküli kitiltásban, vagy némításban részesülnek. Ugyan így járunk el azokkal szemben, akik "blog"-nak nézik a fórumot. Ezt mindenki tartsa szem előtt!
Nana, a hugi nyákképet kapott szülinapjára, mert meglátta, hogy csináltam a barátnőmnek és neki is kellett
Igaz nekem nem olyan a laminálom mint a tiétek, de az elv ugyan az, még kinézetre is. Sajnos nincs hőmérőn amivel megtudnám mérni a hőmérsékletet így sok sok kisérletezés fog rám várni, de megfogja érni úgy érzem.Érdekelne a rajzod mert te már sokra mentél ebben a témában és tudod mi a jó és mi nem.
Sziasztok! Én is amatőr nyáklapkészítő vagyok. Többen írtátok, hogy elektronikai boltban lehet vas-kloridot venni. Konkrét boltot is tudtok ajánlani Bp-en?Köszi
Wolf Kft.
http://wolf.hu/ Lomex Kft. http://lomex.hu (csak személyesen) Az elsőt ajánlom, náluk olcsóbb.
Parancsolj, nem is kell messze mennem csak az oldal tejére. Nem ebben a topikban kellett volna megkérdezned.
Bővebben: Link
Megelőztél
Helló.
Nem nagyon értem, hogy mi nem jó a motorvezérlővel? A linken az eredeti ajánlott kapcsolás van annyival bővítettem, hogy minden hall szenzor kimenetére tettem egy 1Kohm-os ellenállást a többinek egyeznie kell, ha nem jó akkor én vétettem hibát. A rajzok elvileg véglegesek mármint ha nem lesz bennük hiba (tegnap találtam benne egy hibát ezért a kép már a javított). Akkor hogy ne legyen belőle baj itt lesz a bldc motorvezérlő kapcsolási rajza (a 11. oldalon): Bővebben: Link a képet is felteszem ismét. A pwm (555-ös icvel) kapcsolási rajz: Bővebben: Link (Nyákterv képe mellékelve a motorvezérlővel együtt.)
Annyit még hozzáfűznék, hogy a motorvezérlő ic 5V-tal a motor amit meghajt 24V-tal megy. A motor konkrét teljesítményét még nem sikerült kikalkulálni, de valószínűleg 5A-nél nem vesz fel többet. A pwm a motorvezérlőhöz lett kitalálva, de nem csak ehhez használnám ami szintén 5V-tal menne és 24V-os motorokat hajtana (maximum).
Hali.
Ha gondolod neked is megtervezhetem az egészet. holnapra készen van add meg hogy mekkora lehet a nyák maximális mérete külld a kapcsirajzokat és holnapra már küldöm is vissza a nyáktervvel együtt.
Nem azért említettem, hogy neked más van, mert az nem jó, hanem a nyák miatt, mivel az egyedi, tehát nem fogod tudni beilleszteni a tiédbe(egy képet azért tettem fel róla, hogy lásd miről beszélek).
A rajzot felteszem, elvileg hibátlan és működik(jelenleg nagy része ki is van próbálva, csak néhány kondit, kapcsolót és potit tettem még hozzá a béta verzióhoz. Bocsánat-bocsánat, a pwm kapcsolásról írtam, kicsit elbeszéltünk egymás mellett, és fogalomzavarban voltam. 555 IC-nél lábkompatibilitáis gondok vannak a National oldalán néztem a datasheetet az 555 IC-ről, és ha nézem a nyákrajzodat, akkor a jó lábkiosztás szerint a bal fölső sarokban van az 1-es láb! Így viszont pl a 2-es és a 6-os láb nincs is bekötve...stb... A rajzod szerint viszont a jobb fölső sarokban van az IC 1-es lába.
Az enyémen nem lesz burkolat mivel az égadta világon semmi nem fér bele olyan kicsi az egész. Tényleg működik a kapcsolásod mert eddig az ment. Úgy látom kell terveznem egy nyákot hozzá, csak időhiányában rossz lesz, azért kérdeztem van-e valakinek.
Semmi gond. A lábkompatibilitásról csak annyit, hogy (lehet én tévedek) az adatlapon az ic felülnézetbe van, de mivel a rajz a nyák aljára kerül így fordul az egész (180°-ot kell fordítani).
Igen a kapcsolási rajz nem teljesen pontos, azt mondták, hogy úgy módosítsam, ahogy a képen van, de ha ért hozzá valaki nem ártana ha megnézné. (Bocs el is felejtettem, hogy ennyire módosítani kellett a pwm-et, de ezt csak úgy mondta valaki szóval nem 100%, hogy jó ezért nem ártana, ha valaki megnézné.)
Hát jobb ha tudod, hogy a gyáriak ónozva vannak a lötstopp alatt, ugyanis ónozással gyártják, az védi meg a maratástól. Igaz hogy kevesebb fogyna, de nem ez a szempont nálam hanem hogy jó legyen. Az ónozóval nem egy a4-est lehet beónozni hanem sokat, ugyanakkor a lötstopp 600ft/a4, tehát az több pénz, ettől még ha nekem kell melózni vele inkább rárakom.
Helló.
Ha gondolod felőlem tervezhetsz (ha csak kihívásból tervezel nyákot), nem igazán hiszem, hogy le tudsz menni kisebb méretre, de ha gondolod és tényleg le tudsz fragni belőle akkor azt megköszönném, de az nagyon nehéz lenne (az én nyákomba nincs átkötés, de 1-2 éppen beleférne akár kicsivel több is). A kapcsolási rajz: Bővebben: Link a 11. oldalon annyival kell kibővíteni, hogy a Ha+ Ha- Hb+ Hb- Hc+ Hc- bemenetek elé mindegyikhez kell egy (1K) ellenállás. A jelenlegi méret: 12cm X 6cm ez alá nem igazán lehet menni 24V és 5A folyik néhány helyen, de ha ezalá a mértet alá mész akkor le a kalappal.
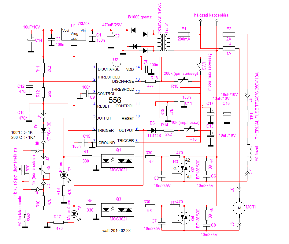
A kapcsolás 100% működik és az én általam készített nyákon csak a hőszabályzós is (mi ugyanaz mint ezen csak egy 555-ös van) Én is elkészültem a prototípus nyákkal hát bevallom elmértem egy kicsit de áttervezem most mégis külön lesz a kapcsolótáp így a régi furatokat is fel tudom használni a potiknak! A hőszabályzás tökéletesen megy a watt féle kapcsolással és 555-ös ic-vel a léptetőmotor is frankón megy potival tudom állítani a sebességet elég nagy tartományban. A léptetőmotor vezérlése kb 9V-on érzi jól magát ezt egy LM 317-el oldottam meg mi helyet is foglalt és nagyon meleg is volt de kiváltottam mivel a kapcsolóüzemű táp mit egy panelra klónoztam először egybe (most az megy csak nem jól fér el és nem megfelelő az érintésvédelem) és lehet szabályozni 5-12V-ig azon beállítom a szükséges feszültséget a megfelelő legnagyobb motoráramhoz és a fűtésvezérlésnek még mindig van elég puffer,hogy stabil 5V-ot kapjon egy 78l05-ön keresztül! Ha végleges lesz csak akkor publikálom mert ez nem felel meg mindenben fizikailag de tökéletesen működik és a saját immár 4. nyákot is legyártja majd magának
Kicsit melegít éget a kapcsitáp ha hozzáér az elektronikához az ember ezt hogy lehet jól kihidegíteni? Van jó pár 100nF bent pedig ! Esetleg a primér és szekunder közt lévő kondi bent van a trafó alatt az csinálhatja Mindegy most nem a tarfó alatt lesz:
Nem alámarás ! Ahhoz túl szabályos ! Ezt a nyomtató csinálta , nálam is előfordult már (de legtöbbször ferde vonalaknál ,és Eagle-s tervnél )
Amióta nyílt ez a topik, figyelemmel kísérem a fejleményeket. Rengeteget dolgoztok, dolgoztatok, de úgy érzem, teljesen elment a téma a lamináló átalakítása felé.
Persze jó ez játéknak, és sokat lehet tanulni belőle, de én nem hiszem, hogy a nyákkészítés ennyire bonyolult. Ha kezdőként elolvasnám ezt a rovatot, biztos, hogy valamilyen más, kevésbé bonyolult technikát keresnék. Én elsősorban a foto eljárást alkalmazom nyákjaim gyártásánál, de néha egy-egy prototípust – ha egyoldalas a panel, - le szoktam gyártani műnyomópapírral. Jó ez a próbaáramkör, mert egyúttal a nyomtatási rajzot is tesztelhetem. Eddig nem volt alkalmam kipróbálni finomabb rajzolatú nyákot a vasalásos / laminálós technikával, de régen piszkálta a csőrömet, hogy vajon tényleg elengedhetetlen egy lamináló átalakítása ehhez? Az én technikám a következő: 1. Bekapcsolom a laminálót és a sütőt. (A lamináló egy közönséges átalakítatlan lamináló.) 2. 3-4 perc után kiveszem a panelt a sütőből, és egyszer átengedem a laminálón a műnyomópapírral, amitől jól odaragad, (nem csúszik már el,) - aztán visszateszem a sütőbe. 3. Amikor a sütő eléri a 180 C fokot, a nyákot végleg kiveszem, és átengedem a laminálón megint egyszer, és már dobom is a vízbe. (Ezzel akár várhatnék is, de melegen sokkal gyorsabban ázik le.) Mivel ma kellett egy egyoldalas panelt csinálnom, és magam is kíváncsi voltam, rajzoltam egy MQFP tokot, minden láb között egy 5 mil-es (0,005 hüvelyk!) átvezetéssel, - gondoltam - elfér ez a másik munkadarab mellett. Feltettem a három képet mutatóba. Az első a rajzolat, a második a leáztatott maszkolt nyák, a harmadik pedig a kész panel. Nem erre a panelre figyeltem, mert nem ez volt a cél, ezt tényleg csak úgy „mellette” csináltam. Igaz, én nem csak a laminálót vontam be a munkába, hanem a sütőt is. Azt hiszem, hogy lehetne ez vasaló vagy rezsó is, ha 180 C fokra melegítjük vele a nyákot. (Tehát valamivel mérjük a hőmérsékletet.) Az eredeti vasalásos technikát alakítottam át fix hőmérsékletű átkopírozásra, és nem kézi hengert használok, hanem a laminálóval hengerlem a műnyomópapírt a panelra. De ezekből az eszközökből szinte minden adott egy háztartásban, és egy kezdő is tuti sikert érhet el velük.
Szia! Igen itt próbáljuk többen melyik a legjobb beállítás,technika sokan eltértek tőle én kisebb mértékben csak léptetőmotort alkalmazok a nagyon egyenletes sebességért,Attila86 keményen megoldotta mikrokontrollerel,mások még más megoldásokra esküsznek! Szerintem a legegyszerűbb és jól működő watt fórumtársé a mai napig! Én ha már elkezdtem variálni maradok a léptetőmotornál és én ahhoz csinálok egy teljesen utánépíthető vezérlést most külön lesz a kapcsitáp mi utánépíthető de lehet akad egy 1A-os otthon azzal is kiválóan fog működni! Semmit nem bonyolítok túl most is egy csomó minden mit rátettem a nyákra megy le róla mivel nincs szükség rá és helyet foglal! Mindent úgy akarok,hogy aki utánépíti annak első rúgásra menjen nem akarok szégyenkezni vagy valami áramütést okozni bármelyik fórumtársnak! A fő cél "beteszem,kiveszem azt kész" nem kell semmi segéd ezköz és nagyon kényelmes lesz a gyártás
Bár mennyi időt rászántam már egy négyzetméter kivasaltam volna! Bár itt ha jó a beállítás garantált a minőség! Ha kész tervek lesznek tesztelve az nem lesz túl bonyolult akár egy nap alatt elkészíthető az átalakítás! Egy a baj a lamináló 3000-Ft-ról 6800Ft-ra hízta magát pedig ne volt akciós!
Nah jó akkor neki is állok. De még egypár kérdés:
tranzisztorok pontos típusa, melyik ágakon fog folyni az 5A-es áram valamint még a diódák típusa kéne.
Nekem ez időben cca. 10 perc volt a maratással együtt. Ahogy olvastam az átalakított laminálót, nem hiszem, hogy 10 perc alatt végez az "egyet előre, kettőt hátra" módszerrel.
(Nagyobb panel esetén pedig a réz úgy elviszi a hőt, hogy azért nem lesz jó.)
Én egyszer nyomom nagyon lassan nem vált forgásirányt kb 5-6mm/ perc sebességen megy kb 120 fokon HP festékkel vaskloridos előmaratással! Ha kész lesz a gépem teljesen fogok végezni kísérleteket nagyobb hőfokon gyorsabb sebességen is de kell idő még átmelegíti a nyákot én úgy tapasztaltam! Ha meg gyors akkor nincs elég idő nem tapad fel rendesen
Hiába szép a leáztatott nyomat nem tapad alul rendesen és alámar! 0.4mm felett azért nem nagy gond eltalálni a helyes arányokat! Ha lassan megy épp azért jó mert a szabályzó tökéletesen egyenlő hőfokon tartja a nyákot és van idő az átmelegedésre ha meg kiér már kész nem kell többet hőn tartani! Így működik a lézernyomtató is csak itt nem egy papírlapot melegítünk hanem egy nyákot mit ha kiszámolsz sokkal lassabb sebességen és precíziós szabályzással kell áthúzni a hengereken,hogy a siker tökéletes legyen!
Szerintem megéri átalakítani, mert gyakorlatilag alig kell rajta valamit módosítani, ha csak az áramkört nem tartod bonyolultnak. A kapott eszköz a régi feladatára is megfelel, és a nyákkészítés nagyon egyszerű és gyors lesz, mert amíg kivágom és illesztem a műnyomót a nyákhoz, addig bemelegszik, egyszer átengedem és mehet a sósavba papírt leszedni, majd ugyanabba mehet a H2O2 és kész! Kiicsit körülményesnek tartom a sütőt, engem ki is nyírna a párom, bár nyílván nem koszolnám el, de nem hiszem, hogy elhinné, mert nagyon vigyáz a dolgaira a konyhában!
![]() Idézet: „az "egyet előre, kettőt hátra" módszerrel” Ezt csak a "különleges" lamináló tudja, igazság szerint feleslegesen, legalább is szerintem(remélem nem sértek meg senkit!)
A feleségem is vigyáz a dolgaira, de még sose mondta, hogy a sütő az csak az övé lenne.
Watt áramkörében ezért vannak potik, illetve az én megoldásomban is azért van hat program amelynek ráadásul egyenként minden apró részlete beállítható, hogy nagyobb, kétoldalas panel esetén is elég meleg legyen a nyák.
Persze a sütőhöz képest ez sehol sincs. De szerintem nem is kell hogy egyenletesen meleg legyen a nyák. Annak a keskeny csíknak kell elég melegnek lennie amin épp átmegy a henger.
Dehogy sértesz! Én már a legelején leszögeztem hogy szerintem sincs ennek a gyakorlatban sok értelme, csak azért választottam ezt az utat hogy tanuljam a PIC programozást. Semmi másért, különben megépítettem volna az 556-os kapcsolásodat.
Az 5A áram a tekercsnél fog folyni (La, Lb, Lc és a végtranzisztorokon amik a tekercseket kapcsolgatják 6db ilyen van). A tranzisztorok pontos típusát nem tudom megmondani még, mert helyettesíteni kell az alkatrészeket az eredetieket meg tudom adni az újak hasonló paraméterűek lesznek esetleg más lábkiosztás a végtranyóknál, mert a nyákon én már máshogy terveztem, de elvileg többféle lábkiosztás lehet a tranyóknál. Az eredeti végtranyók 2SD1412 2SB1022 a többi (kicsi) 2SC1815 és 2SC2655. A diódák ir30df sajnos adatlapot nem találni róla. Kell még hozzá 3db pici kapcsoló ezek pontos méretét még nem tudom mivel a START/STOP, CW/CCW, BRAKE hol Gnd-re hol Vcc-re kell kötni ezt egy kétállású kapcsolóval kéne megoldani a lehető legkisebbel, de nem tudom milyet lehet kapni. A másik fontos dolog, hogy 1 oldalas nyákot kell tervezni 2 oldalas készítése macerás és a forrasztás se könnyű. (Még annyit megjegyeznék, hogy a vonalvastagság nálam se felel meg hajszál pontosan az 5A résznél, de rácínezéssel jelentősen javítható a dolog, de 3mm vonalszélesség alá nem merek menni mivel indulásnál 7-8A is lehet.)
Lehet a végtranyók nem az 5A-es motorhoz vannak, mert van egy másik is a 2 motor különböző méretű és egy nyákon volt a kettő vezérlője más felesleges dolgokkal, de az a nyák félig hiányos a tranyókat kiszakadva találtam így nem tudom melyik motorhoz való. Amint tudok pontos típust megírom. (Valakivel még a kapcsolást se ártana átnézetnem, de elvileg nem lehet benne sok hiba, ha szerencsém van nincs is.)
És milyen jól tetted, hogy tanultad
Az az érzésem én is leprogramozom a menüdet, mivel csúfos kudarcba estem pic el... Nagyon megszoktam c-t és egy csak assembleres vezérlő nem akart összejönni lamináló motorjához.Így hát vissza az alapokhoz... Ha hétfőig még nem tesznek ki laborból, fényképezek egy robotizált nyáklaminálót / Tescó lamináló és egy mitsubishi robot házassága / |
Bejelentkezés
Hirdetés |








Bocsánat-bocsánat, a pwm kapcsolásról írtam, kicsit elbeszéltünk egymás mellett, és fogalomzavarban voltam. 
Kicsit melegít éget a kapcsitáp ha hozzáér az elektronikához az ember ezt hogy lehet jól kihidegíteni? Van jó pár 100nF bent pedig ! Esetleg a primér és szekunder közt lévő kondi bent van a trafó alatt az csinálhatja
Mindegy most nem a tarfó alatt lesz: 







