Fórum témák
» Több friss téma |
- Ez a felület kizárólag, az elektronikában kezdők kérdéseinek van fenntartva és nem elfelejtve, hogy hobbielektronika a fórumunk!
- Ami tehát azt jelenti, hogy a nagymama bevásárlását nem itt beszéljük meg, ill. ez nem üzenőfal! - Kerülendő az olyan kérdés, amit egy másik meglévő (több mint 17000 van), témában kellene kitárgyalni! - És végül büntetés terhe mellett kerülendő az MSN és egyéb szleng, a magyar helyesírás mellőzése, beleértve a mondateleji nagybetűket is!
Üdv!
Szeretném a két sztereó kimenetes keverőmet, a két sztereó VU mérőmet, és két sztereó erősítőmet összekötni. A kérdésem az hogy köhetem-e a VU mérőt, és az erősítőt egy sztereó kimenetébe a keverőmnek csak úgy, hogy alágaztatom a kimenetet, vagy kell hozzá valami jelerősítő/megosztó áramkör is. Tudom, a kérdés elég kacifántos, ezét mellékeltem a saját készítésű paint-es rajzomat (melynek elkészítése komoly művészi vénát igényelt ) hátha segít. Előre is köszi a válaszokat.
Kösd össze nyugodtan. Ha esetleg kevés lenne a magas hang, akkor köss be egy-egy 1kohm-os ellenállást az árnyékolt kábelek középső ereibe, közvetlenül az elágazás után.
Attől féltem, hogy a VU-nak is van vezérlő egysége, ami belekavarhat a jelbe, vagy nagyon gyengíti. De megnyugtató hogy összeköthetem. Köszönöm a gyors választ.
Sziasztok!
Valaki el tudná nekem magyarázni hogy ez hogyan működik? Fénykábel A kérdések: Ezt méterre lehet kapni és hozzá egy a képen is látható dugaljat. Én nem látok elektronikát! Hogy oldják meg az áramszabályzást? Van ilyenből ledes megoldás is. A Led-es megoldás is sorba van kötve, hasonlóan méterre vágatható és csak az hálózati kábel megy hozzá. Ezt különösen nem értem, mert a ledek nyitófeszültsége eltér és a dióda karakterisztika miatt egy kicsit nagyobb fesz és akkor megemelkedik az áram. Szóval aki ismeri ezek működését kérem világosítson fel ![]() Előre is köszönöm!
Sziasztok!
Van egy PC tápom, elvileg AT-s. Kimenetek: Fekete: 0V Piros: 5V Sárga 12V (Sajnos nekem csak a panel van meg.) Ha az 5 és 12V-ot ,,összerakom", akkor rendesen megkapom a 17et? Most még nincs labortápom, de szeretnék valami ideigleneset csinálni nyárig. Úgy gondoltam, hogy még rákötök egy LM350T-s kapcsolást. Így durván 1V tól 15V-ig változtatható tápot kapnék, amit 3A-rel terhelhetnék, persze megfelelő hűtést biztosítva...?
Nem! A sárga és a piros között csak 7V-ot találsz.
Hello!
Mellékeltem egy rajzot. Így vannak bekötve vagy ledek vagy ízzók. Ezt onnan tudom, hogy gyakorlaton sokszor volt időnk és egy pár méter ilyet szétboncoltunk . A led helyett izzót akartam de az nem tudom hol van az eagle-ben. Üdv. Roli.
Arra gondoltam, hogy ha ,,párhuzamosan" kötném a két feszültséget, akkor összeadódna és lenne 17V.
Nem is tudom, hogy gondoltam. Nem lehetne valahogy egyszerűen és nagyszerűen kihozni belőle 17V-ot, vagy minél többet? Az egyszerű azért fontos, mert csak ideiglenes lenne. Lehet, hogy csak pár hét.
csáo 2szer 24v os 35 VA trafó elvihet 2 Ampert?mondjuk nekem csak egyszer 24v kell
Hello bocs az érthetetlen hozzászólásért szóval még egyszer:Van egy trafó ami kétszer 24 voltot tud ezen belül 35va-ás.Nekem ebből csak egyszer 24 volt kell de ez nem gond ezt könnyen megoldom mivel hogy gyárilag már úgy vannak a kivezetései.Én arra lennék kiváncsi hogy ez vajon tudhat-e 2 ampert ebből a két adatból megtudja nekem mondani valaki?
Nem tud 2 ampert.
A teljesítményéből számolva max. 1,4A jöhetne ki, még ha a tekercsei párhuzamosíthatók lennének is. Ha nem párhuzamosíthatók (mert nincs kivezetve mind a 4 szekunder tekercsvég), akkor egy tekercsről kb. 0,7A vehető le.
Sziasztok
van egy philips 70 fr es hifim és multkor összerért a kábel azóta nemszól de bekapcsol meg kattan amikor bekapcsolom csak semmi hangot nem adki szédszedtem és semmi nincsen benn lesülve de találtam benne 5 darab kis fekete biztosítékot amit megnéztem sípolós műszerrel és nem zár. Ki lehet cserélni üvegbiztosítékra? Lehet hogy csak ennyi a baja? válaszokat előre is köszi.
Nagyon köszönöm a választ!
Azért még érdekelne, hogy hogyan oldják meg a méretrevágást. És az áramkorlátot.
Hello!
Ha letekered és jobban megnézed akkor méterenként van egy kis olló jel a fénykábelon, mindig az ollónál kell elvágni! Az áram korlát az szerintem úgy van, hogy annyi ledet kötnek sorba, hogy pont jó legyen, vagy esetleg egy ellenállást is sorba kötnek ha még kell. Üdv. Roli.
Üdv!
Engem az érdekelne, hogy némely nyákot bevonnak egy fehér műanyagszerű anyaggal (mint a ragasztórúd), így lehetetlenné téve a nyák átnézését, javítását és fixálva az elemeket. Ezt hogy lehet leszedni? Biztos volt már ez a kérdés nem is egyszer, de nem tudom a nevét, így a fórumon keresés eléggé reménytelen. Minden választ előre is köszönök!
Hali!
Kis segítséget kérnék egyenirányítás terén. Találtam hasonló topicot de oda 2007 óta nem írt senki. Ezért itt kérdezném meg. Ha adott egy 2x27V-os trafó és mivel azt olvastam hogy ha 1.41-el szorzom akkor megkapom az egyenirányított feszültséget. Ez nálam 38.07V körül van. Milyen áramkörrel érhetném ezt el? Bocsi hogy ide írtam de még senki nem reagált a másik topicban. Üdv:Laci
Nagyon köszönöm a hozzászólásod!
És amit írtál pont azt nem értem... mármint az áramkorlát. Ok hogy a teljes 10m hosszú fénykábelre kiszámolják a ledek max áramát, de ha te csak egy 1m-es szálat veszel akkor ugye az áram 10x ét kapja... Én nem tudom, csak kérdezem. Ezek szerint ellenállással oldják meg a végét? Én még ilyet nem láttam. De akkor az eléggé melegedne nem? Mondjuk legyen egy 1 méter hosszú fénykábelem ledes. Ami mondjuk 5W/m és 36 led van benne. Ami azt jelenti hogy 21mA-re kell lekorlátozni ami egy 5wattos 11Kohmos ellenálással lehet....az meg azért fűűűűtene rendesen....meg jó nagy is lenne....
Sziasztok! Most vettem pár 2oldalas NYÁKot. Az 1iket veszem példának: 340X135ös, és mint mondtam 2oldalas, és mennyibe került?
225Ft. Vettem többet is. Mióta elektronikázok csak 1X használtam egy másikfajta panelt, szóval amit máshol vettem... Mert ahol ezt árulják nem volt nyitva, nekem meg kellett... Ekkora panelt nem is láttam még sehol, ezt úgy vagdosom, ahogy akarom. Egyébként a bolt drágább, mint ahova szoktam járni, pl. az LM3914 az durván 100Ft-al drágább, mint a másik boltban. Hogy lehet, hogy ilyen olcsó a NYÁKlemez?
Ez egy lehetséges megoldás.
Szerintem nem ellenállással van megoldva. Az nagyon fűtene. Vagy áramgenerátor vagy kondi. Habár az áramgenerátor is fűtene rendesen.
Hello!
Ledeset még nem láttam, csak ilyen kis izzósat, de abból sokat . Hidd el a kínaiak mindent megoldanak. A lényeg annyi, hogy nem tudom, hogy csinálják a ledest. Szerintem a ledesbe még egyenirányítás is van mert csak úgy váltakozól nem hiszem, hogy megy a LED.Üdv. Roli.
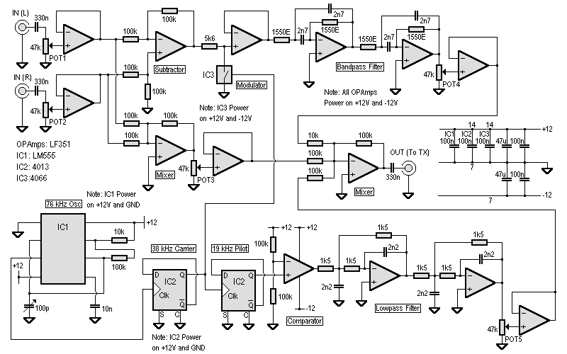
Ha megépítem ezt az FM enkódert, akkor ezután akár egy monónak készült fm adót is csatlakoztathatok, illetve ahol a 4066-os ic-ből egy kapu van felhasználva, oda tehetek tranzisztort?
Nem FM enkódert építettél, hanem sztero enkódert, amit FM adókhoz lehet használni. Nem mindegy.
Elvileg tervezhetnél bele egy néhány FET -ből álló analóg kapcsolót, vagy egy négynegyedes szorzó áramkört, de jobban jársz, ha maradsz a 4066 ic nél.
Az IC kapcsolója, csak a földre húzza a műveleti bemenetét, ugyanezt miért nem lehet elvégezni tranzisztorral?
A kapcsolójel áthallása miatt. A kapcsolónak (modulátornak) nagy linearitásúnak kell lennie, különben intermoduláció keletkezik, aminek a spektrumban közel eső részei kiszűrhetetlenek. A tranzisztor önmagában minden, de nem lineáris eszköz. Diódákból is kétszeresen kiegyenlített, tranzisztorokból differenciálerősítős szorzóáramkört kell csinálni, úgyhogy legegyszerűbb egy analóg kapcsoló. Ha az adatlapján megnézed a belső felépítését, az sem egyszerű.
Igaz, hogy ebből egy szót sem értettem
, de az a kapcsoló tényleg kapcsolóüzemben működik, tehát hol fontos, hogy lineáris legyen?
A kondenzátorok értéke a kívánt frekvenciától függ. Tehát amilyen magasságú hangot akarsz, olyan kondit raksz bele. A kiszámításhoz ott van a linkelt oldal alján a kép.
Segédprogi a számításhoz:Bővebben: Link
|
Bejelentkezés
Hirdetés |




) hátha segít. 


. A led helyett izzót akartam de az nem tudom hol van az eagle-ben. 
Nem is tudom, hogy gondoltam. Nem lehetne valahogy 

, de az a kapcsoló tényleg kapcsolóüzemben működik, tehát hol fontos, hogy lineáris legyen?





