Fórum témák
» Több friss téma |
Fórum » Infra távirányítós bemenetválasztó, és hangerőszabályzó
Témaindító: Zenner, idő: Nov 3, 2008
Témakörök:
Úgy fogom megoldani hogy rendelek egy 4011-es IC-t arra találtam kapcsolást.
Sziasztok!
Abban szeretném segítségeteket kérni, hogy lehetséges olyan infrás "távirányítót" készíteni amely egy PC com/usb/stb... portján keresztül egy szoftver segítségével egy megadott időpontban elindítana egy DVD lejátszót, illetve adott időpontban megállítaná azt. Egy stúdióban lenne erre szükség, hogy külső forrásból (nem adásgépből) történő bejátszás esetén se kelljen ott csücsülni az indítás miatt. Felmerülhet bennetek, hogy miért nem a gép optikai lejátszójáról adom be. Az ok hogy amit vezérelni kellene az egy Panasonic DVDRAM. Tud-e valaki valami ötletet adni. Sima infravevőt építettem már de most gőzöm sincs hogy kéne ennek nekiállni. Köszönöm
Sziasztok!
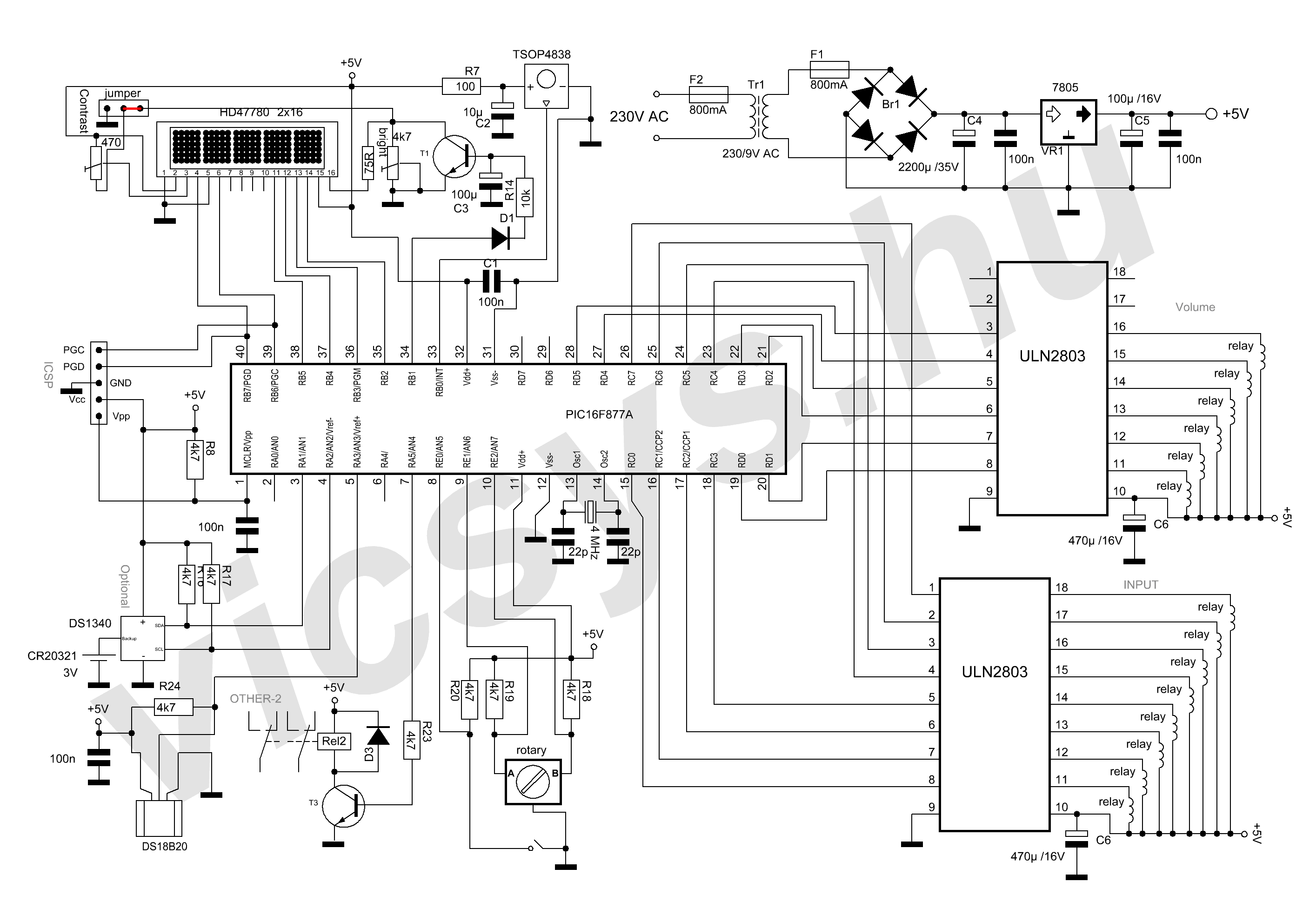
Én abban szeretnék segítséget kérni hogy:a mellékelt kapcs.rajzhoz picbe égetendő fájlt tudnátok-e küldeni erre a mail címre: xy33@citromail.huelőre is köszi
Sziasztok, szia vicsys,
most bukkantam rá erre a topicra, zseniális! Nemcsak, hogy ilyet, hanem pont ezt szerettem volna. Mármint a relés hangerőszabályzó/bementi választót. Le a kalappal! Habár a nixie óra után nem is vártam mást Tőled Miért cserélted le a jó öreg 877-et? Kevés volt már ide? A hőmérővel nem boldogult? Megkaphatnám a forrást? (Remélem asm és nem c, mert ahhoz kicsit dinka vagyok) Én egy kicsit módosítanék rajta, nekem nem kell ennyi bemenet, inkább az erősítőről érkező clip, DC a kimeneten, tápfesz megléte, hőmérséklet esetére csinálnék "védelmet" (hangsugárzó leválasztása). Mégegyszer köszönet a szellemi termékért, teljesen le vagyok nyűgözve (Off: cserébe szívesen felajánlok pár IN12A és B nixiet )üdv, dezső
Sziasztok......
Kepzeld vicsys valaki lemasolta az otletedet de O mar kesz van vele. Kisertetiesen hasonlit a tiedre, sok bemenet, felirat, RC5, motor stb...... Viszont ami jo O mindenfele forrasokkal alatamasztja....... Itt a link: jo bogaraszast fiuk. http://www.littlefishbicycles.com/preamp/
Szia
Köszi. A forrás C-ben íródott és nem kívánom egyenlőre kiadni. A hőmérő rettentő lassú volt és sokat foglalta a kontrollert. (Meg hát nem is olyan fontos mint pl. dátum/idő)
Szia
Ez egy korábbi project. Szerintem nem másoltunk. Se Ő sem én. Az övében egy audio processzor dolgozik. Az én változatomban ami kijelzős: egyiknél motoros hangerő poti, motoros-1 motoros-2 a másiknál pedig relés hangerő szabályzó. relés-1 relés-2 A harmadik változatomban (miniamp) nincs LCD és szintén audio processzor dolgozik. Bővebben: Link
Ha valaki készít egy ilyen nagy érdeklődést felkeltő "terméket", akkor szíve joga, hogy a forráskódot kiadja vagy sem. Inkább annak kell majd örülni, ha lesz belőle cikk, vagy egy rövid dokumentáció és beégethető fájl, mert ha belegondolsz, nem egy napos fejlesztőmunka eredménye volt, az biztos... Az ilyen gesztust támogatni kell, nem kötöszködni...
Szia,
rendben, azért remélem lesz belőle cikk Tényleg, a relék késleltetését a hengerőnél sikerült beleírnod? Említetted pár hozzászólással előrébb azt az itron vfd-t. Nekem is van egy (CU20026SCPB-S1A), de sehol sem találok hozzá leírást. Nem 44780 kompatibilis, hanem egy MBL8042 cpu van rajta Nincs ehez valami leírásod esetleg?Köszi! üdv, dezső Idézet: „a relék késleltetését a hengerőnél sikerült beleírnod?” Mire gondolsz konkrétan? A jelenlegi állapotban szépen megy... ![]() Az adatlapban most nem tudok okosat mondani (általában soros ill. párhuzamos kommunikációt használnak)
Szia,
arra a "kattanásra" gondolok, amit a relék elengedésének és behúzásának időkülönbsége okoz, pár hozzászólással feljebb írta valaki... De akkor ezek szerint ez nincs/nem zavaró Köszi ![]() üdv, dezső
Ilyesmi nincs. Ezek a típusú relék, nagyon jó minőségűek és elég gyorsak.
Szerintem te a Rénes Jani féle cuccal kapcsolatban olvashattál a kattanásról. Én vettem egy Rénes féle procit. Vettem reléket is, arany érintkezővel, és eszméletlen gyorsasággal, és a 31-ről a 32-es hangerőre váltáskor kattan egyet. Megnéztem. azért, mert a relékkel lehalkítja a progi a cuccot gyorsan, és a 32-es csillapításért felelős relét csak utána kapcsolja be.
Kérdeztem is a Rénes Janit, hogy lehet meg csinálni. Mondta, hogy a driver komolyabb tápnál gyorsabban mozgatja a reléket. Erre mondtam neki, hogy az én relém 6.5 mA-t használ, ésha megy mind a 6, akkor is csak 39mA- A driver ic meg 500mA-tud, és a tápom is 800mA-t.Tehát ez egy ilyen sz... konstrukció volt. Még mindig mással foglalkozok, de az biztos, hogy veszek egy Visics féle procit, és azzal újra építem. És akkor már építek bele egy előfokot is, hogy a kimeneti impedancia konstans legyen. Lehet csöves lesz. Azt még nem turom.
Készítek hamarosan egy jó minőségű videót és ott majd fülelhettek. Csak mostanában bele vagyok bújva egy tápegység vezérlő/kijelző modul fejlesztésébe és kevés az időm.
Ne hülyéskedj. Most építek tápegységet.
Mesélj, hogy milyen lesz a tiéd, nehogy megint elkezdjek valamit, amitől a te cuccod sokkal jobb lesz.
Bár ez itt off, de csak nem büntet le a hóhér vagy vérmodi...
Nem tápegység csak kijelző-vezérlő... Egy LCD-s műszert képzelj el ami 50V-ig mér feszt és természetesen a kifolyó áramot is mutatja. Emellett a borda hőmérsékletét is méri. Fogad 2 nyomógombot amivel 2 kimenet reléjét kapcsolja ki be. Riasztási hőmérséklet állítható be amire a kimenet reléje reagál. Ha minden igaz még egy ventit is vezérelni fog esetleg több lépésben, ha melegedne a borda. Elvileg egy pic, egy dual opa és egy DS18b20 lesz benne.
Szia Vicsys....
Eloljaroban azt szeretnem mondani, hogy nem kotekedesnek szantam a linket es a hozzafuzott mondandomat. Tavol alljon tolem!!! En is csak gratulalni tudok a munkadhoz, es a kitartasodhoz. Orommel latom, hogy ezt Te sem ugy lattad, ellentetben egy masik uriemberrel. Viszont akik szeretnenek bogaraszni hasonlo dolog forrasaiban igy megtehetik. Talan egy ido mulva masik erdekes dolgot fogunk latni, amihez ez egy kicsit hozzasegit valakit. Kar lenne a fejlodes utjaba allni. Az termeszetes dolog, ha nem ad ki valamit az ember a kezebol, ha azt a magaenak erzi. Tovabbi jo munkat, varjuk azt a cikket ha az idod engedi. koszonom.
Szia,
igen, lehet, hogy ezzel kevertem... Megkövetem, még gondolatot is... Most már tényleg nagyon várom! Köszi dezső
"masik uriemberrel" - Bevallom, én voltam
Azóta tisztázódott, hogy nem volt senki hsz-a mögött hátsó szándék!
LÁtom másnál is HPM-60 szól
![]() Szia! Egy minimalista relés bemenetválasztó nyákrajz kéne nekem mostanság, esetleg valami szintén fix-ellenállásos nem túl felbontott hangerőszabályrással. Tudnál segíteni ebben? /Nem akarok egyelőre előerősítő témába belemélyülni, távirányíthatóság és hasonlók sem érdekelnek... ...talán csak annyi, hogy a váltásnál ne durranjon a relé miatt/ KÖSZÖNÖM !
Szia !
Már vagy 30 éve használom , sajnáltam mindig eladni , érzékenysége nagyon jó . Bemenetválasztó nyáktervem lenne , de a relé méret miatt nem biztos , hogy megfelelő lesz. Egyszerűen csak egy forgókapcsolóval vezérelhető , nekem a ki-be kapcsolást is megvalósítja . A jelfogók közvetlenül az RCA aljzatoknál vannak mindig elhelyezve , így huzalozásnál csak az L/R jelvezetéket kell huzalozni és persze a vezérlését . Brumm , koppanás nincs , nem használt bemenetek kis értékű ellenállással földelődnek , így nincs áthallás a bemenetek között . Hangerő szabályozáshoz minimum 24 állású kapcsoló kellene , ezzel már használható felbontás érhető el . Pl. ez
Sziasztok,
kicsit leült a topic... Vic, van valami fejlemény? Mivel nekem egy picit másképp kellene megvalósítanom az előfokomat, úgy döntöttem, rászánom az időt és megírom magamnak a progit, a vasra az ihletet pedig innen veszem (Vic és Renés J.). Én asm-ban csinálom, és végre-végre sikerült elindítanom a VFD kijelzőmet. Halálra kerestem doksit hozzá, így sem a hozzá valót találtam meg, de az abban szereplő időzítésekkel sikerült életet csalnom belé. Igaz, csak 8bites módban megy, de majd multiplexelem a bemeneti választó reléket, hogy a 16f877 portjain spóroljak. Szóval a Noritake CU20026SCPB vezérlése: tök egyszerű, szerintem még egyszerűbb, mint a 44780as LCDké, valahogy így: movlw 'A' bsf PORTC,wr nop movwf PORTD nop bcf PORTC,wr call delay ;10ns Nincs adat/parancs vezérlő szál, a parancsok 0x08-0x20-ig vannak a karaktertáblában, lehet saját karaktert definiálni, dimmelni, pozícionálni, stb. Az ebay-en vettem még pár éve, hogy majd csinálok egy htpc-t, de ez a projekt lefulladt... Van esetleg valakinek egy publikus és jó RC5 makró gyüjteménye? Keresgettem már a neten, van jó leírás a működésről, időzítésről, de ez szerintem nagyon sokáig tartana nekem megírnom. (persze ez lenne az ideális, így rögzülne...) Köszi ![]() üdv, dezső
Szükségem lenne egy olyan kapcsolásra, ami csak hangerőt szabályoz egy motoros potival. Egy távirányító kapcsolás, aminek összesen 2 gombja van, és egy vevő, ami meg a motort vezérli.
Semmi más nem kell hozzá. Gyakorlatilag 2 gomb, és elem csatlakozás, a másik oldalon meg a motor két lábára tudjak rákötni, és azt vezérelje föl és le, ja meg ide még a vevő is kell. Mit tanácsoltok? És annak meg külön örülnék, ha még kapcsolási rajzot is tudnátok adni, amiben nem baj ha nincs PIC mert ahhoz nem értek semmit. De ha jóval egyszerűbb vele, akkor megoldom valahogy.
PIC-el egyszerűbb... Bővebben: Link
Anélkül csak valami spéci adó/vevő IC-vel tudnám elképzelni. Valami HTxxxx IC-ről olvastam anno, de most nem ugrik be.
Sziasztok!
Szeretnék építeni egy távirányitós hangerőszabályzót. Ugy szeretném, hogy legyen rajta két bemenő rca, és két kimenő rca, aminek a hangerejét tudom állítani. Univerzális távirányítóm van. Szerintetek meg lehet oldani, és ha igen tudna nekem valaki kapcsolási rajzot küldeni rola? Üdv, yoman
Jól sikerült a dobozolás?
Néha eszembe jut, milyen jó lenne ágyból vezérelni az erősítőmet, aztán eszembe jutott a Te miniamp-od. Vajon a sztereó jelet külön szabályozni sokat bonyolítaná a programot? A PGA már beépítésre vár Nekem nagyon szimpatikus ez a minimális kapcsolás, a kicsi és olcsó PIC-kel!Szia!
:pirul: Rettentően szégyenlem magam, de még nem fejeztem be. Egyszerűen nincs időm és energiám, hogy végre leüljek és rászánjak 4-5 délutánt.
Egyáltalán nem bonyolódna a szoftver, mert egymás urán küldi ki a PIC a jobb és bal csatorna értékeit. Csak az lenne a kérdésem, hogy mi értelme a külön-külön hangerő szabályzásnak? Több fantáziát látok egy balance szabályzóban, bár én még sohasem használtam ez utóbbit.
Végül is a külön hangerőszabályzásnak és a balansz szabályzásnak ugyan az lenne az eredménye. Nálam azért van mindig különböző hangerőn a két hangfal, mert mikor nem film megy, hanem csak zene, akkor a hozzám közelebb lévő hangfal hangosabb egy kicsit, mint ami barátnőmhöz közel van (lásd mellék)
Ezáltal amikor filmet nézünk, mindig ugrálni kell az ágyból, hogy pontosan középen legyen a sztereó tér Ezért lenne jó egy távirányítós balansz szabályzás Nem kell egyáltalán szégyenli magad, a saját időddel úgy gazdálkodsz, ahogy akarsz! Ha tudok segíteni, szólj nyugodtan! Ami tőlem telik, megteszem!Szia!
Megoldás: Barátnőt hanyagolni, az ágyat és "én-t" felcserélni. Ekkor nem kell balance...
Esetleg az "én"és "barátnő" bútorokat az ágyon elhelyezni egymáson, hogy kicsit se másszon el a sztereo tér... |
Bejelentkezés
Hirdetés |




hogy:a mellékelt kapcs.rajzhoz picbe égetendő fájlt tudnátok-e küldeni erre a mail címre: xy33@citromail.hu
)
Nincs ehez valami leírásod esetleg?






