Fórum témák
» Több friss téma |
Fórum » NYÁK-lap készítés kérdések
A témában nincs helye a nem szakmai indíttatású vitáknak, ezért a szabályszegést elkövetők azonnali figyelmeztetés nélküli kitiltásban, vagy némításban részesülnek. Ugyan így járunk el azokkal szemben, akik "blog"-nak nézik a fórumot. Ezt mindenki tartsa szem előtt!
Sziasztok! Kérdésem a következő lenne.
Nyáklap tervet tinta patronos nyomtatóval is nyomtathatok,vagy csak a lézer nyomtató a jó? Választ előre is köszönöm. Üdv:Rics
Nyomtathatsz tintással is , de akkor fóliára kell nyomtatnod ,és a fotó eljárással tudsz belőle nyákot készíteni .
Ha megkérlek leírnád az eljárást,mert én csak a vasalós megoldást ismerem.Előre is köszi.
Itt a témában is megtalálod vagy 3 x a teljes leírást
de valószínűleg ha a keresőbe beírod találsz videót is róla itt az oldalon
Helló! Tudnátok valami videófélét linkelni a fotokémiás nyák gyártásról?
Előre is kösz!
Sziasztok. Ez esetleg használható lenne javításnál ,árnyékolásra esetleg sarkoknál...stb. Valaki próbált már ilyennel dolgozni? Hasonló kapható a conradban jóval magasabb áron és még a vastagságuk is egyezik.Bővebben: Link
Sziasztok!
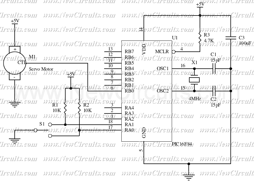
Az lenne a kérdésem, hogy jól rajzoltam-e meg a lentebb látható kapcsolási rajzról a nyáktervet? Másik kérdésem az lenen hogy a táp áramkörbe milyen szűrőkondikat ajánlotok, 9V-os elemről lenne működtetve és 5V-os tápot állítana majd elő. Ez egy robotnak a servo vezérlő elektronikája lesz majd. Előre is köszönöm a válaszaitok! Kenikol
És mi állitaná elő az 5Voltot?
Biztos hogy te rajzoltad? Mert szerintem a szűrő kondis kérdésből itélve nem vagy igazán tisztában a dolgokkal. Pici még a 16F84 nem is lenne gond!! Csak más tollával ékeskedni Idézet: „Az lenne a kérdésem, hogy jól rajzoltam-e meg a lentebb látható kapcsolási rajzról a nyáktervet?” A nyáktervet ugyan nem tudom megnyitni, de nem azt mondta hogy ő rajzolta a kapcs. rajzot. Hanem hogy abból a tervet.
Biztos én rajzoltam, ami azt illeti nem sok fogalmam van a tápkapcsolásokkal kapcsolatban, de a 7805-ös erre való nem? És ha jól láttam -más kapcsolási rajzokon- így kell bekötni... csak azt is tudom illetve olvastam hogy kellenek valamiféle szűrő kondenzátorok amik a kiugró feszültségtüskéket hivatottak "levágni" de sajnos nem ismerem ezeknek az általános meghatározásához szükséges képleteket vagy ökölszabályokat, ezért kértem véleményeket.
Azt hogy milyen PIC van benne, hogy régi és drága és keveset tud ezért az jelenleg nem számít nekem mert első ilyen vezérlőm lenne és valami egyszerűvel akartam kezdeni nem egyből egy 40 lábú IC-vel. Módosítottam a nevet hátha amiatt nem tudod megnyitni A kérdésem még mindig fennáll. Kenikol
7805 kimenetére 100nF és 100µF/16V elég.
Bocs a kirohanásomért Peppe
Semmi gond, köszönöm a segítséget, akkor gondolom rendben működni fog a kapcsolás a nyákterv alapján.
Köszönöm a segítséget
[off]
"hogy régi és drága és keveset tud ezért az jelenleg nem számít nekem "..."valami egyszerűvel akartam kezdeni " Ezzel az a gond, hogy: -régi tehát lassabb -drága... -kevesebbet tud és így kevesebb dolgot tudsz vele megcsinálni Ez kb olyan, mintha vennél egy 100 éves filmes fényképezőt, mert kezdő vagy és a bonyolult sokgombos digitális az nem neked való... A régi az lassú és drága, mert amíg előhívod a filmet és képet csinálsz belőle az idő és pénz. És keveset tud... záridő, ISO, vaku,... Szóval nem vennél digitális gépet? Pedig sok szép új PIC van kevés lábbal (annyi mint F84) De az hogy sokkal többet tud, az csak előny, nem kell kihasználni/megtanulni.
Te figyelj! Meg ne építsd ezt így!!
Az ic pozitívja össze van kötve a negatívjával. nem jó a nyákterved. Az ic 5-ös lába a minusz, a 14-es meg a plussz.
Átterveztem egy kicsit logikusabbra. Így a hidegítő kondik is jobban funkcionálnak, mintha hosszú vezetősávok vezetnének hozzá. Az R1, és R2 -es ellenállásokat gondolom direkt nem tetted a panelre. Azt nem tettem rá én se.
Sziasztok!
Ma sikerült laminálnom ezt a nyákot! VQFN32 tok 8mil-es vezetékek!!! A led 0805 a méretarány miatt. Holnap forrasztom be az IC-t!!! Ui ici holnap kipróbálom a pasztás ónozást
Szia Peppe
Kicsit olyannak tűnik a nyák, mintha szétfolyt volna kicsit a festék. A sarkos részek le vannak kerekedve. A vezetők szélesebbekre lettek tervezve jóval mint a szigetelők? Mintha lefele nyomná szét... Van kedved felrakni board tervet? Hétfőn én is kisérleteztem, előmelegítés nélkül nyomtam át kétszer a panelt. Elkérték az USBEXPLORER eredetijét, csináltam egy kisebbet.
Szia!
Felteszem! Nincs szét nyomva! Csak tudod nem adtad kölcsön a fotóaparátod És hát Samsung Omnia nem a legjobb makró fotózásra.Itt a való életben nincs szétnyomódva a vezető sehol. TCA6424RGJR az IC típusa. Kétoldalas a USB explorer? Idézet: „projektelt” Szépen, jól magyarul.....
Ok, csak a boardterven vékonyabbnak tűnik a vezető, mint a szigetelő táv. A kész NYÁKon meg vastagabbnak látom a vezetőt, mint a szigetelőt...
Jópofa dolog ez az I2C-s expander. Akár VU meter is lehetne. Én most egy hex-et kijelző 2x7szegmensesen gondolkdok.
Hello! leírnám a tapasztalataim. Vettem egy tescos laminátort, az olcsóbbat, bár itt az is 6500Ft. csináltam hozzá főfokszabályzót. Viszont a probléma a következő hogy ahogy melegedett és közeledett volna a cél hőmérsékletig, (180C) többször is csattant vmi a hengereknél. Ez olyan 172C előtt lehetett, mivel elfelejtettem megnézni hogy milyen hőbizti van benne, és utána az elszált
Most átkötöttem és fűtés nélkül járattam és azt tapasztaltam hogy az alsó hengeren meg van repedve a gumi. Ez okozta volna a csattanásokat? Ha igen akkor másnak hogy megy 200C körül? |
Bejelentkezés
Hirdetés |






ici holnap kipróbálom a pasztás ónozást








