Fórum témák
» Több friss téma |
- Ez a felület kizárólag, az elektronikában kezdők kérdéseinek van fenntartva és nem elfelejtve, hogy hobbielektronika a fórumunk!
- Ami tehát azt jelenti, hogy a nagymama bevásárlását nem itt beszéljük meg, ill. ez nem üzenőfal! - Kerülendő az olyan kérdés, amit egy másik meglévő (több mint 17000 van), témában kellene kitárgyalni! - És végül büntetés terhe mellett kerülendő az MSN és egyéb szleng, a magyar helyesírás mellőzése, beleértve a mondateleji nagybetűket is!
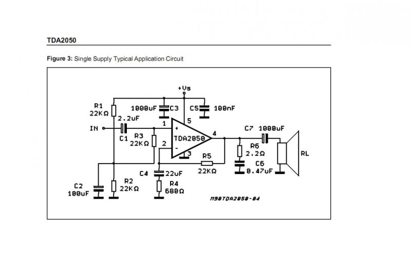
Hali! Ebbe az áramkörben hol tudok beépíteni egy potit ami a hangerőt szabályozná? 250k-os potit szeretnék bele de ha nem jó milyet ajánlanátok?
Egy nagyfeszültségű, nagy teljesítményű zener kellene, ha a Skori féle tesla tekercsben alkalmazott tranzisztoros kapcsolásban megnövelem kb. 80V-ra a zener feszültségét, attól még használható? Nem kéne ellenállás a bázisáramot korlátozni?
Sziasztok! Épp egy LEDes stroboszkópot csinálok. Az lenne a kérdésem, hogy mivel, hogy impulzus üzem, mennyit bírna 1db 5mmes fehér nagy fényerejű LED? Vajon hány Volt esik rajta és hány mA-rel hajtsam meg? A LEDeket egy fejlámpából bontottam, tényleg nagy fényereje van. Kösz és üdv!
Ha bontottad, akkor ott van előtted egy kész kapcsolás. Ott a korlátozó ellenállás, a többi meg csak számolás, illetve még mérhetsz is.
Udv !
Hogy tudnak egy Stereo hangszinszabalyzora rakotni 4 MONO erositot ?? Errol a hangszinrol van szo : Sztereo hangszinszablyzo
A probléma az, hogy már régebben bontottam, nincs meg a kis panelja. 9V-os elemről fogom táplálni, 7db LED lesz bekötve párhuzamosan, és mind1ik előtt lesz egy 240 ohm os ellenállás. Szerintem úgy jó lesz. 3,2V-al és 25mA-rel számoltam. Azért kösz!
Kettőt a bal, kettőt a jobb csatornára mondjuk.
A 25mA impulzusosan oké, de biztos, hogy 3.2 V esik rajta? Megmérted?
A hangszinszabalyzo az erosito elott kell legyen igaz ? ?
szoval a hangszinbol a kijovetel megy ra az erositore ?? ![]()
Hogy mérjem meg?
Szép tőled, hogy mindenkinek segítesz.
Természetes! Nem is az erősítő és a hangfal közé tesszük.
Sorba kötöd egy 820 ohm-os ellenállással, ráteszed a 9V-os tápra, és megméred a LED két lábán lévő feszültséget. Azért nagyobb ellenállással méred, hogy ne legyen nagy az állandó áram. Ezután kilehet számolni a led belső ellenállását, abból pedig azt, hogy 25mA-en mekkora lenne a rajta eső fesz. Abból pedig az előtét ellenállás számolható ki a 25mA-hez.
Én is köszönöm! Sokat segítettél! Üdv!
Hali! Tud valaki olyan hangszínszabályzó kapcsolási rajzot amiben a mélyet és a magasat 100k-os poti vezérli a balance-ot és a hangerőt 250k-os poti vezérli?
Sziasztok! Bocs ha nem idevág a kérdés de a robogomra szeretnék egy olyan kill switchet bekötni mint a jet skiken van.Ez egy egyszerü nyomógombos kapcsoló ami alapból zárja az áramkört csak azt nemtudom hova kéne bekötni,hogy zárja az áramkört??Köszi előre is.
Egy nyomógombot építs be a gyújtáskapcsoló vezetékébe, sorosan. Olyan gomb kell, ami megnyomásra megszakítja az áramkört (nyitó nyomógomb).
Hello! Van is ilyen nyomogombom csak azt nem tudom melyik vezetékre kéne a sok közül.Amugy máshova nem lehetne,hogy mondjuk letestelje a mocit?
Egy elektronikus gyújtásúnál inkább ne testeljünk konkrét információk hiányában.
Motoros fórumok foglalkoznak ezzel a témával:motorbike kill switch Keresd meg a motorod áramköri rajzát, és az alapján kösd be a gombot.
ÁÁÁ pont ilyen kapcsolóm lenne csak aza bajom,hogy nincsen a mocimhoz semmi könyv mert ez egy ujabb modell és ennek már nem olyan gyujtija van mint a régieknek.
A neten keress rajzot, típusszám alapján. Használj ilyen keresőszavakat a típus után, mint: electric, dawing schematics, ignition circuit.
Udv !! Jo lenne ha valaki elkeszitene nekem ehez a kapcsolashoz egy nyakrajzot ( esetleg a beultetesi is ) !!
Koszonom szepen elore !! En is megcsinaltam de nem vagyok biztos benne hogy jol ..(CSATOLT FALJ ( LAY formatum) ) .. szeretnem kisebbre de nem tudom en kisebre
Miért nem csinálod meg Te magad? Tök jó buli elkészíteni egy nyákot.
Megcsinaltam csak szeretnem kicsit kisebbre es nem nagyon jon ossze kisebbre !! az a baj
Hello találtam rajzot a CDI-elektronikába nálam két vezeték megy egy fekete és egy kék.Most ezek közül kéne rákötnöm valamelyikre a killt?
|
Bejelentkezés
Hirdetés |






szoval a hangszinbol a kijovetel megy ra az erositore ?? 
!!






