Fórum témák
» Több friss téma |
Fórum » Labortápegység készítése
Az összekötött tekercsvégek nem túl szerencsések. Ha már ilyened van, akkor próbáld meg így.
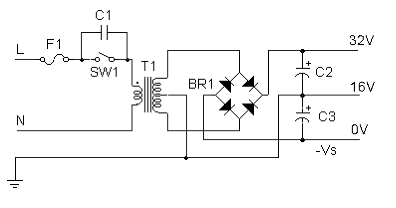
Nem így rajzoltam én is? Vagy valamit megint elnézek? A tekercs kezdete, a 3 amperes biztosítéknál kezdődik a rajzomon. Amúgy ez egy két kivezetéses torid trafó, de meg tudtam csapolni KB:12 Voltnál. Az elméletem szerint működni kellene, de a gyakorlat mást mutat.
Nem , mert ez plusz-mínuszos táp, ha jól látom.
Ez a rajz minden félperiódusban rövidzár!
Alkotó ! Te sem jól rajzoltad ! Az egyik félhullámbam így is feltöltődik a 16voltos rész 32 voltra.
Ezt ezzel a középmegcsapolt travóval ÉS kétutas egyenirányítással NEM lehet megcsinálni. -vagy szétválaszthatóak a trafka szekunderei akkor maradhatnak a graetz-ek. - vagy csak egyutas egyenirányítást használunk ehhez a trafóhoz. de ahogy látom többféle feszültség kell, én trafót cserélnék/ tekercselnék ehhez, amin lenne 5voltos tekercs és 2db 12-15 voltos.
Lehet igazad van, még-ha most nem is látom át pontosan amit mondasz. Az tény, hogy ez a trafó nagyon macerás.
Tehát semmi jó megoldás? Pedig ez a trafó van csak, ez fér el a dobozba. A 32 volt motort fog meghajtani, tehát nem szükséges a graetz.
HA csak egy motort fog hajtani, és NEM szükséges (vagy megoldható), hogy a 32 volt negatív fele, NE legyen közös az elektronika földjével ( GND) akkor lehet használni ezt a trafót !
Hogy ez meg tudjam ítélni látnom kellene a teljes kapcsolást..
FET-es PWM motor vezérlés, tehát nem lehet főldfüggetlen.
Ez nem feltétlenül igaz! Mondom látnom kellene a kapcsolást...
Vagy csak 32voltot használod, és használsz kapcsolóüzemű step-down konvertereket a 12 és a 5 volt előállítására, a 7812 és 7805 helyett. Az ilyen kis átalakítókat szinte ugyanakkora méretben meg lehet csinálni mint amennyi helyet igények a a két stabkocka, másik nagy előnyük, hogy nem fűtenek!
Sziasztok!
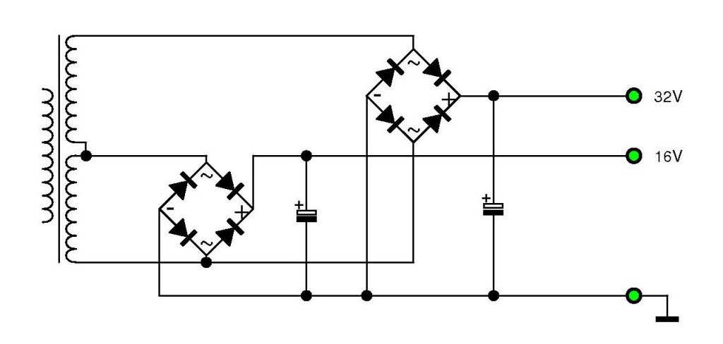
Alakul a kapcsolás... ...most-már csak azt a diódát kell kihagyni, vagyis átkötni, és kész is van.
MŰKÖDIK!
Köszönöm! És köszönöm mindenkinek a tanácsokat. Megint tanultam egy kicsit.
Ha kihagyom a diódát, akkor hogy lesz 16 volt dc-ben? Kifejtenéd bővebben, mert érdekel.
Idézet: „... vagyis átkötni, és...” Tehát a dióda helyén drót.
A szabályzás dolog megoldódott(nem volt beállítva az a trimmer, amelyik ezért felelt), igaz, hogy csak 24,9V-ig van most, de majd még odaforrasztok egy ellenállást a trimmerre alul, mert már így is maximumon van, nem tudom tovább tekerni. Egyenlőre ez a része megfelel. (Meg ráadásul az elméletileg 24V-os trafóm csak 21,9V-os.)
Viszont továbbra is süket a panelmérője, az ICL7107 nem melegszik. Az ICL tápfeszültsége mennyi kell hogy legyen?
Megnéztem szkópal, és a Te Ötleted is OK!
Én azért bent hagyom azt a diódát, fő a biztonság
Szia!
Nyugodtan át kötheted a diódát, majd a kapott kapcsolást hasonlítsd össze, egy szimmetrikus tápról járatott végfok tápjának rajzával. A puffer kondik bekötésétől eltekintve, az egyenirányítás folyamata ugyanaz. Attól a diódától nem lesz se biztosabb, se bizonytalanabb az áramköröd működése, mind össze a rajta eső feszültséggel kevesebb jön ki, a 16V-os kimeneten. (Legalább a stab IC kevesebbet diszipál ).
Nyugodtan kihagyhatod a diódát !!
Ami legszebb a tibibalogh520 (köbzoli) megoldásában, hogy mindkét kondi kétutas egyenirányításról van táplálva!! hogy én erre miért nem jöttem rá.... hiába most máson jár az eszem....
Hello!
Az ICL7107-nek +-5V kell. De mi az, hogy "süket" nincs kijelzése? Ha a tizedes pont sem ég, akkor vagy nincs meg az 5V, vagy nem közös anódú Led-kijelzőt tettél bele. üdv! proli007
A süket alatt azt értettem, hogy semmi sem világít, tehát mint ha ki lenne kapcsolva. Közben ellenőriztem, hogy az ICL7107 biztosan jó, és megkapja a tápfeszt. Kijelzőből SA52-11GWA van benne, ahogy az alkatrészlistán szerepelt, és ez közös katódos, de ha egyszer ez volt odaírva. (?) Mert közös anódos kellene bele?
Bocsánat, hogy belevau. A típusszámban az SA közös anódosat jelent! (A közös katódos pedig SC-vel kezdődik). Mivel közös anódos az eredeti kapcsolás, elvileg jónak kell lennie... Be van kötve az anód? Az Alkotó féle variációban fejjel lefelé áll a kijelző a panelhoz képest ha jól emlékszem.
Köszönöm a felvilágosítást, eddig abban a tudatban éltem, hogy közös katódos.
Na mindegy, de szerintem itt nem fejjel lefelé kell tenni, hanem rendesen(legalábbis a képekből ez jött le nekem). Akkor ellenőrzöm a kijelzők körül a panelt.
Nézd meg ezt a képet:
Bővebben: Link Arra gondoltam, hogy a vezérlő panel alkatrész oldalához képest fejen állva van benne a kijelző. Te melyik változatot készítetted el?
Ha még nem maradtam le, akkor ő Attila86 labortápját csinálta meg és abba nem jó a kijelző rész. Szerintem az IC-t nézd meg, hogy jól tetted e be!
Szia!
Idézet: „Az tény, hogy ez a trafó nagyon macerás.” Szerintem ez elég egyszerű..
Igen, de én nem az Alkotó félét csináltam meg, hanem az Attila86 félét. Amúgy közben találtam egy zárlatot, amit most fogok megszüntetni.
Megszüntettem a zárlatot, de továbbra sem mutat semmit. Már kezd hihetetlennek tűnni az egész, mivel minden alkatrész jó, megkapja a tápfeszt az ICL, és nincs zárlat(már). Ilyenkor mi a teendő? Tanácstalan vagyok.
Megpróbáltam én már a kijelzőt, hogy jó-e, az adatlapját is megnéztem, de ha egyszer 100%-ban kivehető a képről, hogy hogyan áll, akkor miért a kijelzőben keressem a hibát?
Valóban így a számomra is legkézenfekvőbb. Nem gondoltam erre, ami hiba volt.
|
Bejelentkezés
Hirdetés |





). 





