Fórum témák
» Több friss téma |
Fórum » Fényorgona
alakulgat szépen lassan a dolog igaz inkább lassan mert nem sok időm van de legalább alakul
Jó lesz ez.
Trafóból csak nagyon megbízhatót szabad használni, csak biztonságit. Lehetőleg osztott csévével. Remélem ez is olyan belül.
hali4 van fényorgonám de ez fényerőszabályzós.. nekem olyan kellene ami tényleg csak az izzót be vagy kikapcsolt állapotba hozza.... itt egy link:http://www.youtube.com/watch?v=sX_oqEFfKMc természetesen nem ledeset akarok hanem izzósat de a működés lényege ugyenezlenne.. ha van valakinek kapcsolsa hozzá akkor az legyenszíves jelezze PMben.. megértéseteket köszönöm!
Szia! Sok jó és használható rajz van a témában. Érdemes kicsit visszaolvasni vagy a téma képei között keresgélni. Sajnos az izzós változat fényintenzitása korán sem lesz olyan mint a LED-es változat, mert az izzószál hőtehetetlenségével is számolni kell. Valamennyit talán segít, ha nullátmenet-vezérléses SSR vagy nullátmenetes OPTOTRIAC + triak a "kapcsoló". De túl rövid vezérlő impulzusoknál az izzószál így sem tud majd teljesen felizzani.
meglett az fényorgonám csinálva annyira h készen van a beültetés csak épp az élesztésnél akadtak gondjaim sajnos valahogy nem akarta az igazságot még egyelőre nem tudom mi az de remélem gyorsan rájövök mi a probléma
azagond h csak ledeset tudtam küldeni... de ugyennek megvan a változata izzóssal is csak arról nincsfennt videó de az is ugyanezt csinálja hogy vagy világít szinte teljesen vagy ki van kapcsolva... csakehhez a kapcsolási rajzot nemtaláltammeg visszaolvasva sem...
Lehet, csak a fényforrásban különbözik a két véltozat.
Üdv!
Találtam a neten egy fényorgona kapcsolási rajzát. Megterveztem a nyákrajzot is hozza.Valaki átellenőrizné-e hogy jól csináltam,és működőképes-e a kapcsolási rajz egyáltalán. Köszi!
Hello!
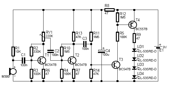
- Elvileg működhet. De ez nem sokat tesz, csak a hang "ütemében" az egyik Led felvillan, a másik meg kicsit hosszabban ugyan akkor.. - De azt tudod, hogy ez nem Elektret mikrofonhoz készült, hanem dinamikushoz. - Hát ez inkább kapcsolási rajz még, mint nyomtatott áramkör. - Egy nyákot, mindig felülről tervezzük (mint itt is mikor az IC bekötését nézzük) viszont, ha a tranyókat is az ábra szerint kötöd be, akkor a kollektor és emitter fordítva van. - A vezető sávok nagyon vékonyak, így sérülékenyebb maratásnál, és sokkal több rezet kell lemaratni. - Az alkatrészer nem a fóliás oldalon vannak, tehát azzal simán át lehet lépni az alatta húzódó réz vezetősávot. - Az alkatrészek körvonalai azért vannak jelölve, hogy tervezéskor ne fedjék egymást. Mert ha helyesen választod meg a méretüket, nem lehet beültetni, miközben a nyák kétharmad része üres. - Az RV1 poti kicsit kicsire sikeredett. Tényleg ekkora, vagy külső poti van és csak a hozzávezető vezetékek lesznek beforrasztva? - De mindenhol, ahova vezeték csatlakozik, sokkal nagyobb forrszemet érdemes tenni, mert a vezeték vastagabb mint egy ellenállás láb, valamint beforrasztásakor a nyák könnyen felemelkedhet.. (Ha két raszteres egy forrasztási pont, akkor is csak kb. 5mm-es lesz.) üdv! proli007
Köszi a gyors választ!
Első srorban maximálisan igazad volt a vékony vezetősávok ügyében,ugyanis próba képpen (a hozzászólásod előtt) tojáspapírral már átvittem a nyákra a rajzot és beteljesült amit írtál. Azzal tisztában voltam,hogy hang vezérelt monostabil lesz a motyó,csak a dinamikus mikrofonnal nem.
Megépítettem ezt a kapcsolást is,de valamiért ez sem akar működni:no: A tranzisztorokat másodszor ideiglenesen alulról forrasztottam szándékosan fordítva,hátha az lehet a baj de ugyan azt produkálta,az az semmit (szal a tranyók azért nem látszanak a képen)
Én már tanácstalan vagyok e kapcsolással szemben,valaki segítsen ismét ![]() Én egy tervezési hibát leltem a nyákon azt egy piros vonallal átkötöttem a képen látszik.Ugyanezt megcsináltam a nyákon is. (a képek közepén látszódó 3-4 kis krix krax az a telefonom pixelhibája szal nem forrasztási hiba)
Hello!
- Itt a tranyókat rendes oldalról kell beforrasztani, kivétel a T4, mert annak lábai fordítva vannak a nyákon. - De a kapcsolásban nem túl jók az ellenállás értékek. A T1 tranyo kollektorában lévő potit cseréld ki 22kohm-osra, és az R2, valamint R10 ellenállásokat is cseréld ki 1Mohm-ra. -Ha valami nem működik, akkor mérni és tesztelni kell. Itt például, ha kész, akkor a T3 kollektor-emitterét kell rövidre zárni, és akkor a Led-eknek égni kell. - De azt is figyelembe kell venni, hogy a Led-ek nyitófeszültségének összege, 1-2V-al kisebbnek kell lenni, mint a tápfeszültség. Tehát ennél az áramkörnél, ha piros Led-et használsz, akkor annak nyitófeszültsége 1,5V. 4db. esetén ez 6V-ot jelent. Így a 9V tápfeszültségből 3V jut az R9 ellenállásra. Így a Led-ek árama 3V/47ohm=63mA lesz. (Ez kicsit sok lenne a Led-nek és az elemnek is. De nem lesz ennyi, mert a nagyobb áramra a Led feszültsége nő, a telep feszültsége meg csökken. Így az R9-re kevesebb feszültség fog jutni.) Ha zöld v. sárga Led-et használsz, akkor annak nyitófeszültsége 2,2V. Ez összesen 8,8V-lenne. Nos így meg az R9-re csak 0,2V jutna. A Led áram, meg kb. 4,2mA. HA meg fehér Led-et teszel bele, akkor meg biztos nem fog világítani sem, mert annak nyitófeszültsége 3..3,2V körül van. - De ha eddig működik, akkor meg az R11-el párhuzamosan kell kötni (hozzáérinteni) egy kb. 100kohm-os ellenállást, és erre a Led-eknek szintén égni kell. - Ha innen is megy, akkor meg kell mérni a T1 és T2 kollektor, emitter és bázis feszültségét az elem negatív pontjához képest. Az eredmény kb. akkor jó, ha a kollektorokban, valahol 5..7V közeli érték van, az emittereknél néhány mV, a bázisokban, pedig 600mV körüli érték van. Ha ezek rendben lesznek, működni fog.. üdv! proli007
Köszi szépen a válaszokat,ráülök a dologra és megpróbálom megcsinálni amiket leírtál.
Megcsináltam amit mondtál.Kicseréltem a potit az R2 és az R10 is.Az eredmény az,hogy egyfolytában világít és nem a mikrofon jelére reagál.Most mi a tegyek?
Vedd ki a C3 kondit. El kell hogy aludjon. Ha elalszik, az elejében van valami hiba, ha nem hátul. (T3-T4 nél.)
üdv! proli007
Hát nem aludt el a led
Amúgy 9v 1000mA-el hajtom és az r8 baromira meleg. Ha 12v 500mA-el hajtom akkor nem melegszik viszont meg sem nyekken a led Lehet hogy maga az ez egész nyákrajzom hibás lehet.
Hello!
Valami nem stimmel itt. Hány Led van bekötve sorban? 12V-on sokkal jobban kellene melegednie. És mi az hogy 9V 1000mA talán az adapter tud ennyit.. De mivel nem stabilizált, sokkal nagyobb a feszültsége. Kicsit méregetni kellene a T3-T4 feszültségeit. üdv! proli007
4 led van benne.De párhuzamosan kötöttem velük egy kis dc motort akkor felvillannak a ledek és a mikrofon jelére pislákolnak de folytonosan világit.A dc motor is úgy gyorsul és lassul vissza.Szal annyira messze már nem vagyok az igazságtól.Most mennem kell edzésre este még méregetek valamit,és jelzem mire jutottam.
Köszi szépen a segítségedet Proli007
Hello!
Hát azért, ez a dolog nem ilyen egyszerű, hogy még egy DC motort is tudjon hajtani. Annak áramra van szüksége, nem is kevésre. Valószínűleg az ellenállás, azért melegszik ennyire. De a kis BC tranzisztor sem fogja sokáig bírni a strapát. Motorhoz a végtranzisztort is cserélni kell, legalább egy BD140-re, meg legalább a bázisellenállását. A motorral párhuzamosan kell kötni egy diódát, hogy az indultív lökése ne nyírja ki a T4 tranyót. (Lehet, hogy ez a baj, már meg is történt, vagy csak egyszerűen "elfüstölt".) Először simán a Led-ekkel kellett volna próbálkozni. Aztán ha már az megy megerősíteni a "végfokot". De minden esetre megmérni, mekkora áramot vesz fel a motor, mikor forog, meg amikor kicsit fékezed. Mert ez alapján lehet megmondani, mit kell tenni.. üdv! proli007
Csak kíváncsiságból tettem rá a kis mocit,nem hagyom rajta.Csak azt nem tudom hogy ha rajta van a moci akkor mért működik a kapcsolás.
Hello!
Azt én sem tudom, de valami konkrét okának kell lenni. Ha ég az összes LED, akkor a T4 bázis-emitterét rövidre zárva, el kell aludnia. Ugyan így el kell hogy aludjon, ha a T3 bázis-emitterét zárod rövidre. Ha ez nem működik, akkor lehet hogy már megdöglött valamelyik tranyó, vagy nem jól van bekötve. De mérni kellene a tranyók bázis és kollektor feszültségét, az emitterükhöz képest. (meg persze a tápotfeszültséget is) Szóval nem sopánkodni, hanem mérni kell! üdv! proli007
Holnap átméregetem, átnézem az egész motyót.(hihetetlen hogy egy ilyen egyszerű kapcsolás így kifog rajtam)
Tegnap, befejeztem a fényorgonám végre működik, bár őszintén megmondva jobbra számítottam. A fényorgona élesztésénél, ha led-eket raktam az optocsatoló 1,2 lábak helyére tökéletesen működött, de triakokkal nem akart megfelelően működni. Igazából akkor lett jobb, amikor a nullátmenet figyelőt kiiktattam, bár ennek is megvan a hátránya, de csak így működött elfogadhatóan. Továbbá az optocsatolók 1, 2 lábához párhuzamosan tettem egy led diódát. Ezen felül nálam az R30-as 47kohmos 1 w-os ellenállással sem működött megfelelően. Azon felül, hogy melegedett, nem biztosíthatott elég áramot a 3 triak (BT137) begyújtásához. Digitális multiméterrel megmértem mindösze 2 mA áramot engedett át, szerintem ez kevés. Végül kísérletezgettem és csak 2db 4,7 K (5W) és egy harmadik 12 K (5W) ellenállások sorba kapcsolása után (kb 20Kohmos 5 W-os ellenállással) sikerült az R 30 -as ellenállást megfelelően kiváltani. Ezzel már nem melegedett és biztosította a 12V -ot a triakoknak teljes kivezérlés esetén is.Ja és a 12 v -os zénert is nagyobb teljesítményűre cseréltem.
Ami nem tetszik még benne , nálam a 3 sáv (magas , közép, mély) nagyon befolyásolja egymást a trimerek állításakor, szinte minden számnál máshova kell állítanom. Az is lehet, hogy valamit elnéztem és azért vannak ezek a hibák, de ha másoknál is előfordult ugyanez, akkor talán mégsem.
Igen "szokatlan", "egyedi" külleme lett a szerkezetnek. Én hasonlót építettem, de az jól működik.
Szia! Tényleg szokatlan az elrendezés.
( Igazi sufnituning. [off] ( Használj kockás füzetlapot Vagy Milliméter papítr! Azon kicsit rendezettebben lehet elhelyezni az alkatrészeket.Egy példa kapcsolás papíron. Link. S a kapcsolás... Link. ) ![]() Érdekesen írtad le a hibajelenségeket. Csak az a gond hogy nem az én módosításom készítetted el. Abban a triak vezérlését egy-egy MOC3061-es optotriak végzi a triakok (automatikus) nullátmenet vezérlését. S így nem kell csak az a pár ellenállás a triak vezérléséhez. De hogy a felmerült problémákra is válaszoljak. '' A fényorgona élesztésénél, ha led-eket raktam az optocsatoló 1,2 lábak helyére tökéletesen működött, de triakokkal nem akart megfelelően működni. Igazából akkor lett jobb, amikor a nullátmenet figyelőt kiiktattam, bár ennek is megvan a hátránya, de csak így működött elfogadhatóan.'' Vagyis akkor ezt a változatot építetted meg!? Már mások is megépítették és jól működik a rajzon szereplő alkatrészekkel. (A módosítások meg a témában olvashatók.) '' Továbbá az optocsatolók 1, 2 lábához párhuzamosan tettem egy led diódát.'' A közvetlen párhuzamosítás az optocsatoló elöl veszi el a vezérlő áramot. Így csökken a jelátvitel. Lehet ez is okozta a triakok bizonytalan begyújtását! Vagy külön ellenállással oldod meg a visszajelzést vagy sorosan kapcsolod a visszajelző LED-et az optocsatolóval. Lásd PL: Ebben a változatban... '' Ja és a 12 v -os zénert is nagyobb teljesítményűre cseréltem. '' Ez még az ellenállások cseréi előtt volt? Mert az természetes, ha nagyobb teljesítményű zénert építesz be akkor nagyobb lesz a zéner árama is és akkor az ellenállás értékét és teljesítményét is újra kel "méretezni". '' Ami nem tetszik még benne , nálam a 3 sáv (magas , közép, mély) nagyon befolyásolja egymást a trimerek állításakor, szinte minden számnál máshova kell állítanom. '' Egy csatorna referencia pontjának állítása többi csatorna referencia pontját nem befolyásolhatja! Érdemes alaposan ellenőrizni a kapcsolást. Az is lehet, hogy "csak" egy dinamikakompresszort kellene a bemenetre kötni.
Igen ezt a változatot építettem meg, a nyák-ot lakk filctollal rajzoltam, lehet valamit elnéztem. Itt utána olvasgattam a vasalásos technikának, ha sikerül készítek vele egy új nyákot, ha jobb lesz, utána jöhet talán a dinamika kompresszoros változat. A meglévőre nem érdemes több időt pazarolni. A ledeket csak szükségből raktam be, mert anélkül nem müködött.Miután kiiktattam a nullátmenet figyelő áramkört már nem volt rá szükség, müködött a ledek nélkül is.
A megadott alkatrészekkel működni fog az áramkör. A nullátmenet áramkörnek az a feladata, hogy a nullátmenet után adjon vezérlését a triakoknak. Így csökkentve a kapcsolási RF-zajt, és biztosítja a teljes hullámú vezérlést. Kiiktatása vezérlésbeli gondokra utal.
Kézi rajzolással is lehet szép külalakú áramkört készíteni...
Most fejeztem be, egy új nyákra csináltam meg. Tökéletesen müködik, nem melegszik a 47 k 1 w-os ellenállás sem, jó a frekvencia átmenet, és a nullátmenet is müködik, nem zavarja a rádiót sem.
Ezek szerint a nyákkal volt gond. Köszi a segítséget. |
Bejelentkezés
Hirdetés |

















