Fórum témák
» Több friss téma |
Fórum » Labortápegység készítése
AC24V, egyenirányítva és pufferelve kb. 32,5V lesz. Ebből nagy biztonsággal lehet akár még 28V-ot stabilizálni.
Ott van egy kis huncutság a dologban, hogy mikor valóban megterheled 5A-rel, akkor már nem lesz ekkora a feszültség. Ha biztosra akarsz menni, és a maximumot ki akarod hozni, akkor egyenirányítva, és pufferelve (minden stabilizátor nélkül) mérd meg mekkora a pufferen a feszkó, ha megterheled a majdani maximális árammal. Ettől az értéktől nagyjából 3V-ra célszerű a maximális feszültséget beállítani (Függ a kapcsolástól is, hogy valóban 3V-e a különbség. Nagyjából 1-2V esik az áteresztőtranyókon, meg a szimetrizáló ellenállásokon -általában-.)
Üdvözlet! Szépen haladok a kis tápegységem "korszerűsítésével" azaz a kábelkáosz helyét egy aranyos panel vette át. Üzemképes de a fesszab és a rövidzárlat védelem még hiányzik belőle, na meg a külcsín! 7. panel amit itthon alkottam. Gondoltam felteszem ide is.
Hát annyiban módosult az egész, hogy most már csak 4A a max terhelés, de ez még mindig bőven elég. Annyit viszont nem tudok, hogy ha pl: 2x25V lenne a stabil kimenet, akkor az, hogy szimmetrikus a tápegység jelent e valamit, vagy úgy kell kezelni, mintha két db 25V-os tápot építenék külön, de egy dobozban? A trafónak számít, hogy csak mondjuk az egyik fele van leterhelve 4A-el a másik meg semennyire ez nem okoz semmi galibát?
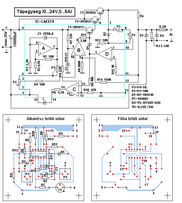
Kapcsolási rajzot nem találtam olyat ami pontosan nekem kell ez van hozzá a legközelebb, de ha én 25V-os kimenetet szeretnék akkor miben kell módosítani a kapcsolást vagy tudnál ajánlani egyet nekem?
Amit mellékeltél azt semmiképpen sem javaslom. Viszont ezt áttervezte Pioneer, én meg csináltam hozzá nyákot. Ezt hívjuk most 2.7.1 verziónak. Kicsit nézz vissza, mindent megtalálsz hozzá.
Két független tápot építesz, amik kimeneteit össze lehet úgy kötni, hogy szimmetrikusként működjön. Ha a trafónak nem terheled minden tekercsét, az semmilyen problémát nem jelent.
Szia!
Ez hogyan tetszik? Viszonylag egyszerű, és nagy áramú, jó minőségű tápegység.Regulator 0-30V 5A
Hello!
Elsőként talán célszerű lenne megmérni az IC-k lábain található feszültségeket. A táp pozitív kimenetéhez képest, a beállító potik középállása mellett.. üdv! proli007
Hello.
Lemértem a 723-as és a 741-es lábain a feszt a +hoz kepest. 723: 1: 0 2: 23,8 3:18,9 4:22,5 5:19,9 6:18,8 7:26 8:0 9:14,7 10:6,8 11:5,3 12:5,4 13:5,6 14:0 741: 1:14,9 2:13 3:24,4 4:26,6 5:26,3 6:24,3 7:5,4 8:0 közben világitott a led.Amikor nem vilagitott,akkor 1:26,3 2:24,4
Áramkorlát?
2db 2N3055 5A-hez? (ha csak 33V a bemenet, akkor 33x5=165/2=82,5W tranyónként rövidzárnál. Ne ezt nem fogja kibirni! Kivéve ha visszahajló a karakteriszitka, de ez egyéb problémákat hozna magával)
Szia.
Az nem jelent problémát, hogy nekem kb 28V lenne a max kimenetem, de talán jobb lenne ha 25V-ban maximalizálnám szerintem az elég, de akkor csak a feszmérőt kell belőni úgy, hogy 25V legyen a max vagy módosítani kell a tápegységet, mert nekem biztos nem lesz maximális 30V (kb. 2x28V, de nekem elég 2x25V azt meg annyira nem szeretném, hogy mondjuk 27V legyen a vége vagy 27.4V, hanem akkor nagyjából 25.0V)?
Megatláltam Bővebben: Link ez az? Nem vagyok benne biztos, hogy ez a legutóbbi változat (ezt azutáni, mielőtt írtad, hogy az eredetinél a potméter fordítva működött).
Szóval ez bírni fogja a 4A-t vagy esetleg érdemes valamelyik alkatrészt kicserélni a kisebb hűtés érdekében? Az jelent valamit, hogy a max kimenetet én 25V-ban maximalizálnám ahhoz mit kell változtatni vagy jobb ha meghagyom amennyit bír? Még egy kérdés a kijelzéshez használt ic-t hol lehet beszerezni?
Hello!
Szerintem alapból hiba van. A rajzon jelölt vezetékek nincsenek bekötve. Mert ha be lenne kötve, akkor a 723 7. lábán, nem 26V lenne, hanem nulla. Nézd át, kösd be, és mérjél újra. üdv! proli007
Szia!
Előre is bocs, hogy belefolyok a beszélgetésetekbe. Igen, a link amire hivatkoztál már a javított verzió. Az, hogy a táp (pontosabban a tranzisztorok) a 4 ampert hogy bírja az más kérdés.... Ha visszaolvasol, akkor éppen Alkotó írta, hogy rövidre zárta a tápot és 2 percig bírta, majd az egyik 2N3055-ös zárlatos lett. (Pont én kérdeztem, hogy történhetett az, hogy nem bírta, aztán a többieknek igaza volt, és beláttam, hogy a 4A sok a tranzisztoroknak.) De ahogy azt Alkotó is írta az eset után ez egy elég extrém teszt volt. Nem valószínű, hogy a táp ilyen terhelésnek lesz kitéve. Kivéve, ha végfokot akarsz róla éleszteni. Tehát szerintem nyugodtan megépítheted. (Én is ezt építem éppen.) Ha 25 voltot akarsz, akkor az R3-at vedd kisebb értékűre. (25V esetén kb 150KOhm-ra) Ha az áramot is kisebbre szeretnéd venni, akkor az R10-et kell nagyobb értékűre változtatnod. (kb 140-180KOhm körülire.) A kijelző az egy "sima" ICL7107-es IC. Ezt gyártja az Intersil, meg a Maxim is. Bárhol megveheted, az ára kb 600-800 Ft között van.
Szia. Semmi, gond kösz, hogy segítesz. A feszt lehet 25-re korlátozom esetleg, ha mégis kellene akkor ezek szerint egy ellenállás cserével meg lehet oldani.
Az áram nekem nagyon fontos a 4A normál terhelés a trafónak esetleg még lehet 5A-t is kibírna, de inkább maradok a biztos 4A-nél. Nem tudom esetleg lenne e olyan alkatrész amit megérni kicsit nagyobbra cserélni vagy ez már annyira végleges dolog, hogy atomstabil, bár, az, hogy 2 perces rövidzárnál kiég egy dióda nem olyan jó hír fel lehetne e egy kicsit javítani valahogy, hogy akár 5A-t is kibírjon a táp? Én inkább túlméretezném előfordulhat, hogy eléggé ki lesz használva a táp tudása.
Szia! Hogy az 5 ampert elviselje, ahhoz szerintem a nyákot is át kell tervezni. Amperenként nyugodtan lehet 1 végtranzisztorral számolni. Ha öt ampert akarsz akkor 5 darab 2N3055-ös kell. Emiatt nagyobb (hosszabb) L aluprofil. Összességében szerintem jó kis labortáp. Ahogy Pioneer (a táp feljavítója) is írta, ezekből az olcsó alkatrészekből összerakott táp hihetetlenül jó ár/értékarányt képvisel. Egyébként mire szeretnéd használni, hogy a 4, vagy esetleg akár az 5 amper is kell?
Hát néha kéne villanymotorokat kipróbálni, teszteli, meg hasonló.
Én akkor lehet megpróbálom 4 vagy 5 2N3055-el kibővíteni a nyákot. Ahogy most belenéztem a többi alkatrész elég egyszerű.
Hááát, nem tudom, hogy villanymotorokhoz kell-e labortáp. Ezek a kapcsolások nem erre a célra lettek tervezve. Meg a villanymotor az elég nagy induktív terhelést jelent, amit a labortápok nem kifejezetten szeretnek. A labortáp inkább elektronikai áramkörök élesztésére való. Ha villanymotort szeretnél róla indítani, akkor szerintem tirisztoros megoldásban kellene gondolkoznod. Bár az erősáramhoz annyira nem értek... Meg a gyengéhez sem annyira, amennyire szeretnék
Részben már mindenre választ kaptál.
Egy pici kis zavart ott látok, mit bír, és mit nem. Tehát sokadszorra mégegyszer fussunk neki. A tranzisztort elsősorban nem a rajta folyó áram melegíti. Az átfolyó áram és a C-E közt mérhető feszültség szorzata ami most nekünk kell. Ezt a teljesítményt kell hővé alakítania a félvezetőnknek. Mivel nálad kb.32V lesz a bemeneti feszültség, így ha mondjuk 4A-re állítod be a maximumot, és ezen rövidrezárod akkor 32x4=128W lesz az összes "hőteljesítmény". Ha sikerül ezt egyenletesen elosztani a 3db tranzisztor között, akkor ez kb.43W tranzisztoronként. Ezt el fogja gond nélkül viselni. De ne kerülje el a figyelmedet, hogy mindenképpen komoly hűtésben kell gondolkozni. Ez jelentős hűtőbordát, és általában még ventillátoros kényszerhűtést is jelent. Lehetőleg 60-70°C tól nem szerencsés feljebb engedni a tokozás hőmérsékletét.
Kösz, értem, de ha 4db-ban gondolkodnék akkor másabb lenne a helyzet vagy esetleg jóval nagyobb hűtőbordában. Egy dolog még nem világos, hogy ha rövidre zárom az áramkört akkor megszakít nem? Vagy akkor hogy tudtad kinyírni az egyik tranyót? A másik gond nálam az, hogy mivel szimmetrikus lesz a táp és én megpróbálom a lehető legkisebbe összezsúfolni a dolgokat így a hőelvezetés komoly gond lesz. A tranyókat elszigetelve kell feltenni? Illetve mekkora hűtőborda szükséges?
Valahogy mindig azt látom, hogy mindenki kikerüli a "Hogy lehet 5-6 A-esre kibővíteni?" kérdésre adható választ.
Én is meg kérdeztem már 2szer, most c27 se kapott választ. Mindig az van, hogy "Miért mire akarod használni, hogy ilyen erős kell?" Nem ez a lényeg. Én például azért szeretnék 6A-es tápot kihozni ezzel a cuccal, mert a trafóm akkor lenne kiaknázva.
Egyedi szempontod van az áramnövelésre. Innen már csak egy lépés, hogy esetleg legközelebb majd a hálózatot próbálod "kihasználni"
Ha növelni akarod az áramot, akkor szükségszerűen növelned kell az áteresztőtranyók számát. Azonban ne gondold, hogy ez egyenes út a mennyországba. Minden gond nélkül felmehetsz 5db-ig, de oda kell figyelni, hogy nagyon egyenletesen tudjanak dolgozni, mert egyébként nem lesz a dolog hosszú életű. Viszont a lényeg nem ez. Azzal hogy növeled a tranyókat még csak a felét oldottad meg a feladatnak, mert a termelt hőt át is kell adni a környezetnek. És ennek bizony vannak korlátai. (50V/6A-hez kell a bemenetre legalább 55V, így minimum 55x6=330W-ot kéne "kihűteni" a környezet felé. Itt fog a dolog megbukni. Ha ilyen igényed van, akkor már kikerülhetetlen valamilyen előszabályzó rész, viszont ez ahogy én látom nagyon "kidolgozatlan" témakör még itt a fórumon. Saját elvárásaim szerint ennek az lenne a dolga, hogy figyelné a kimenet tényleges feszültségét (akár a szabályzás, akár a túlterhelés miatt változik), és a valós feszültséghez választaná meg a bemeneti feszültséget. Tehát valamilyen lépcsős leágazású trafót, mindig az éppen ideális lépcsőre kapcsolna, így a ténylegesen elfűtendő teljesítményt töredékére lehetne csökkenteni. Mivel eddig még igazából senki nem hozakodott elő ilyennel (ugyan volt aki már ígérte, de egyenlőre semmi...!!), így vagy te hozod létre, vagy azt javaslom tegyél le a 6A-ről.
Nekem már megfordult a fejemben, hogy egy változtatható trafót (VARIAC) használnék, aminek a leágazását egy motor választaná meg... Az elektronika szabályozná ezt a motort valahogy úgy hogy mindig olyan 10V-al a kívánt kimeneti DC fölé kerüljön a nyers tápfesz! Így akár lehetne 100-200V-os kimenet is, sőt akár AC labortápnak is lehetne használni (hányszor volt már hogy AC kellett volna DC helyett). A feszültség stabilizálása ha mással nem megoldható LM317-essel (vagy erősebbel), mert ugye annak mindegy a bemeneti feszültség, csak a kimeneti-bemeneti különbség számít neki, de gondolom van erre "jobb" módszer is! Ami pedig az áramot illeti megint előnyös helyzetben lennénk, hiszen kisebb fesznél több áram vehető ki a trafóból!
Persze egy rövidzár nagyon meredek lenne 100+V-nál, sőt az életvédelmi szempontokat sem hagyhatjuk ki, hát még az anyagköltségeket! Lehet meredek ötlet, de nagyon jól hangzik egy ilyen táp! És biztos vagyok benne hogy ez már másnak is eszébe jutott, sőt lehet, hogy már készült is ilyen, nem tudom!
Most találtam a szekrényemben egy olyan amerikai cuccot, ami tulajdonképp egy toroid ( külső szigetelés nélkül ), amely szekunderén felül( nagyon szép szögletesre van tekerve, és az érintkező felületen természetesen nincs szigetelés a dróton) egy szénkefés megoldással ( pici villanymotor forgatja körbe) 0-280voltig lehet a kimenetet szabályozni.)
Primere 230V és azt hiszem 3 A-t tud.
Hát igen. Lehet akkor meg csinálom ezt a 4a-est, és aztán később átváltoztatom őket3 0V-osra. Aztán ha gyilkosabb táp kell, akkor csinálok egy ilyet. (Alul a kapcsirajz) A Skori oldaláról lestem.
2.5-40V ig megy, és 0-tól akár 15A-ig. Az nem fűt úgy, viszont a kimenő fesz. biztos sokkal jobban tele van zavarral. Mindennek ára van. :nevetes1: :nemtudom:
Nem találtad el , mert a 723-as IC-nek külön tápja van'
Szerinted, ha nem köti össze, ahogy proli rajzolta, akkor honnan tudja a 723, hogy mennyi a kimenőfesz, és a kimenőáram?
Egy egész kicsit sem értem a kapcsolást (ez nem a rajz hibája), fogalmam sincs miként lesz ebből szép "sima" és stabil feszültség, de a kimenetre rakott 2000µF mindenképpen nagyon-nagyon furcsa. Ekkora kapacitás egy "hirtelen" változáskor (rövidzár, vagy akár csak a poti letekerése) "rásül"-ni igyekszik a kimenetre, de legalábbis éppen ellene dolgozik a kimenet gyors működésének. Ha pl. 30V-ról kéne a feszültségnek pillanatok alatt csökkenni 3V-ra, akkor ehhez "ki kell sütni" a feltöltött kondenzátorokat, ami azért probléma, mert a kisütő áram (ami részben a terhelésen folyik), az minimum a sokszorosa az esetlegesen beállított áramkorlátnak (ha van benne ilyen).
Kedves Alkotó!
Bár nem kifejezetten ebbe a topicba való, de szerintem sokakat érdekelhet az általad is áttervezed hővédelem. Erről lenne szó: hővédelem A novemberi dátumhoz képest (amikor közkincsé tetted) van valami változás benne, vagy nyugodt szívvel ajánlod a megépítését? Mert az utóbbi hozzászólásokat olvasgatva ebben a 4-5-6..15 amperes tápügyben szerintem ajánlatos ennek is a meg/hozzáépítése.
Szia Alkotó!
Annyit szeretnék kérdezni, hogy mi figyeli a 2 külön hőmérsékletet mert én csak 1db MBR-t látok benne. Köszi a választ! http://www.hobbielektronika.hu/forum/topic_hsz_554081.html?highligh...554081 |
Bejelentkezés
Hirdetés |
















