Fórum témák
» Több friss téma |
- Ez a felület kizárólag, az elektronikában kezdők kérdéseinek van fenntartva és nem elfelejtve, hogy hobbielektronika a fórumunk!
- Ami tehát azt jelenti, hogy a nagymama bevásárlását nem itt beszéljük meg, ill. ez nem üzenőfal! - Kerülendő az olyan kérdés, amit egy másik meglévő (több mint 17000 van), témában kellene kitárgyalni! - És végül büntetés terhe mellett kerülendő az MSN és egyéb szleng, a magyar helyesírás mellőzése, beleértve a mondateleji nagybetűket is!
sziasztok
ez nem menne esetleg 12V-tal?
Szia.
Ez az IC max 18V-ról járatható de 12V-al is szépen muzsikál.
Tiszteletem!
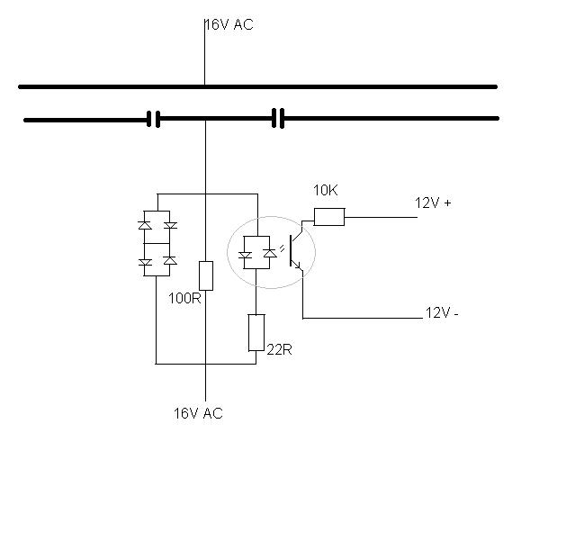
Találtam egy rajzot neten, de nem tudom, jó-e. Az optocsatoló ez lenne: http://www.hestore.hu/termek_10027758.html Jók az ellenállás értétek a bal oldali áramkörbe? Illetve az optocsatolón mekkora áram jön ki, ha a collector elött 10K-az ellenállás? Előre is köszi, és bocsi a sok hülye kérdésért, de nem találtam erre neten több leírást.
szóval ez az erősítő rendesen működne 12V-ról is.
Nem lenne semmi veszteség?
Működik kisebb feszültségről is, de ez azzal jár, hogy kisebb lesz a kimenő teljesítmény is. Más veszteség nincs.
Sziasztok!
Szeretnék egy kis segítséget kérni, épp most tervezem az erősítőm és a vele kapcsolatos áramkörök (hangszín, előerősítő stb...) bedobozolását. Nagyon sokféle funkciót szeretnék megvalósítani, például a hangszín kikapcsolható legyen, az előerősítőnek állítható legyen az erősítése, fix értékre, a kivezérlés jelző kapcsolható legyen, továbbá át lehessen kapcsolni 4 vagy 8 Ohm-ra, ráadásul komplett szub-bass vezérlést is tartalmazna (LPF PEQ linkwitz) stb stb... Ezeket amike most leírtam, csak töredéke azoknak a funkcióknak, amiket megvalósítanék. Ezeket technikailag meg tudom oldani, csakhogy eddig mindent a klasszikus 2 áramkörös, karos billenőkapcsolóval oldottam meg, ami egy stabil, biztos megoldás, de itt legalább 20-25 db ilyen kapcsolóról lenne szó, és eléggé ijesztően nézne ki az előlap.most jön a kérdés: nyomógombokkal történő megvalósítás (szigorúan PIC-mentesen). Mindössze analóg hangfrekvenciás jeleket kellene ide-oda kapcsolgatni (legyen szó egy bemenet választóról, vagy egy sima jel megszakításról) milyen IC vagy egyéb alkatrésszel tudnám a kapcsolókat kiváltani ?
CD 4066. De csak kis jelű dolgokat tudsz vele kapcsolni, a 4-8 ohm átkapcsolás gondolom végfok tájéka lenne, azt csak relével tudod.
Köszönöm a választ
Mindjárt megnézem az adatlapját, egyébként a 4-8 Ohm is a bemenő jel szintjén működik (a kivezjelző előtti ellenállás átkapcsolásával )
Látom 4 "kapcsolót" tartalmaz, és 4 vezérlő lábat.
Qvasz2: Azt nem tudod véletlenül, hogy hogyan lehet kapcsolni? Csak addig "vezet" a kapcsoló, amíg a vezérlőlábon feszültség van? Vagy kap egy jelet, és egy bizonyos stabil állapotot vesz fel (on/off) ? Vajon mennyire befolyásolja a hangminőséget, audiofil célokra használható? (mennyire felel meg egy igazi kapcsolónak) Például egy LED-et szívesen kapcsolgatnék vele, de egy bemenet választó azért más dolog. Meg arra is gondoltam, például ha az előerősítés mértékét befolyásoló ellenállást kapcsolom át vele, ott nincs hibalehetőség, nem engedhető meg, hogy 5 helyett 10x-es erősítésre kerüljön, mert meghal a hangfal. Lehet, hogy érdemesebb lenne valami bistabil mikrórelé, ha létezik, persze az garantáltan horror áron van
Hello!
Logikai szinttel lehet kapcsolni. Ha magas a szint, akkor a kapcsoló be van kapcsolva. Ha alacsony, akkor ki. Analóg alkalmazásnál, az analóg ki-bemenetek feszültsége nem közelítheti meg egyik tápfeszültséget sem, tehát azok között kell hogy legyen. "audiofil célokra használható?" Itt csak egy sima NEM! a válasz. üdv! proli007
Hello!
Oké, a kapcsolását most már értem. A második kérdésem: ha "audiofil" helyett csak audio lenne, akkor sem ? ![]() Vagyis nem vagyok olyan vájt fülű, hangfrekvenciás bemenő jel kapcsolgatására felejtsem el ? És ha még is megpróbálnám, akkor milyen jellegű problémát okozna? (átvitelbeli / határfrekvencia / jel-zaj arány) Köszi Üdv: zoka
Tudtommal semmilyen gondot nem okoz, mert erre való. Ha jól emlékszem, valamilyen gyári készülékben láttam is, ott éppen video-jelet kapcsoltak vele.
De létezik kimondottan bemenetválasztó IC, az a TDA akárhányas (1029 asszem)
Az lemaradt: a feladat megoldása - hangfrekvenciás jel - kapcsolása korrekt módon kizárólag kapcsolóval vagy relével oldható meg ? (gyári készülékekben, Hifikben, ahol nyomógombos bemenet választó van, ott hogy működik ?)
Na, megelőztél
Oké, köszi, hát szerintem veszek egypárat, aztán tesztelgetem
Sziasztok!
Olyan problémám lenne, hogy a kapcsolásomban van 74HC21 ic, viszont nem tudom mivel válthatnám ki. Van erre esetleg egy olyan oldal, ami kidobja a helyetesítőket?? Egyépként meg ebből a szériábol beszereztem egy csómó darabot, csak a számok nem igazán stimmelnek. 74HC153AP ,74HC08AP ,74HC74AP, 74HC138AP ,74HC04AP ,74HC00AP, 74HC405N , Lehet, hogy jó lenne valamelyik?? üdv szabolcs
Hello!
"Tudtommal semmilyen gondot nem okoz, mert erre való." Én ezt ilyen mereven nem állítanám.. Viszont nem vagyok "audiófil", csak a saját véleményemet indokolnám. - Az IC a CMOS katalógusban van, a digitális IC-k között. - Óvatos neve szerint "Bilateral Switch", ez számomra csak annyit jelent, hogy kétirányú, így analógnak nevezhető kapcsolót. De semmi minőségi audió alkalmazást nem említ. - A paraméterek között, sok minden szerepel, de zaj-linearitás- kapcsoló jel behallása az analóg csatornába... vagy egyéb hangfrekvenciás paraméter nem szerepel. - Hogy valami gyári készülékben is alkalmazásra került, az számomra szinte semmit nem mond, mert ott a műszaki paramétereket a költség és a csilli-villi messze nagyobb súlyt kap. (Nem beszélve arról, hogy lehet az "cipőgyár is".) De a videó jelnél, ha 40dB a jel zaj viszony, nem győzöd dicsérni a készüléket. De ha egy "audió készülék" termelne ekkora zajt, lerúgnád a polcról biztosan.. Szóval mindennek az alkalmazhatóságát, a megkívánt minőségi igény függvényében kellene meghatározni. Egyszóval a használhatóságot nektek és nem nekem kell eldönteni. Gondolom sokkal jobb és kifinomultabb eszközök is vannak már piacon, de ezek (főleg) egymás utáni soros alkalmazásától tartózkodnék. De számomra a processzoros vezérlés, digitális potik.. sem a minőséget, hanem a komfortot célozzák. De ezt nem vitaindítónak szántam, hanem csak megfontolandó gondolatnak.. üdv! proli007
Köszönöm szépen a hozzászólásaitokat!
Bizony mielőtt nekiállnék ész nélkül alkalmazni akármit is, alaposan letesztelem. Hiszen mi értelme a design-nak, hogy nyomógomb van egy kapcsoló helyett, ha a hangminőség rovására megy. Ráadásul a billenő kapcsoló nem felejt ! (Itt meg külön valami kis memo egység kellene, hogy bekapcsoláskor ne kelljen végigzongorázni az összes nyomógombot
Az a baj a LED-es "áramérzékelőknek", hogy viszonylag magas feszültség ( 1.2-1.5V ) kell a LED kinyitásához. S a söntellenállást is ennek megfelelően kell méretezni. Túl nagy söntellenállás a LED-en hajt túl nagy áramot. Túl kicsi ellenállás meg a LED-et söntöli, azaz nem jut elég áram a LED kinyitásához.
PL: Tápfeszültség: Utáp = 16V Motor feszültsége: Umot = Utáp - Usönt = 16V - 1.2V = _14.8V_ Motor árama PL: Imot = 85mA. LED nyitóirányú feszültsége: Uled = 1.2V LED nyitóirányú árama: Iled = Min 5mA. Usönt = 1.2V Isönt = Imot - Iled = 85mA - 5mA = _80mA_ Rsönt = Usönt / Isönt = 1.2V / 0.08A = _15ohm_ Söntellenállás minimális teljesítménye: Psönt = Usönt * Isönt 1.2V * 0.08A = _0.096W_ ( Ennél csak nagyobbat érdemes választani! 1-5W nyugodtan lehet.) Söntellenállás értéke: 15 ohm 1-5W A motorra jutó feszültség a sönt beépítése után ha a motor árama 80mA.: 14.8V Sajnos egy graetz-híd beépítése az áramkörbe csak ront a helyzeten! Mert az is még KB: 1.2 volttal növeli a soros áramfigyelő ellenállás ( sönt ) értékét. Így csak 13.6V marad a motornak. HA az optocsatoló tranzisztorával sorba kötsz egy 10K-s ellenállást, akkor a nyitott tranzisztor esetén 10K (körüli) ellenállásod lesz. " Illetve normális, ha egy relé "zúg"? " Az egyenáramú reléknél nem! Vagy a relé tápfeszültsége nincs eléggé pufferelve. Vagy a vezérlés viszi be a zavarjelet...
Ahogy proli007 írja, de azért nézd át az adatlapokat is a teszt előtt, hogy legalább tudd hogy mit várhatsz.
Van azért érték áthallási csillapításokra, torzításokra, nem olyan fényes, de nagy jelek esetén elmegy.
Sziasztok!
Szerintetek, melyik alkatrésszel váthatom ki a bekarikázott 100nf kondit? üdv
Értem. Akkor a hidat vegyem ki, és a 22R-es ellenállást cseréljem ki 15R-es 1-5W-osra?
És a 100R-eset hagyjam?
Szia!
Én ezt a lapot készítem el ithon, amit a képen láttál és sajna 100nf kondiba csak ilyenek vannak ithon amiket lefotóztam. Van 2 fajta kerámia, meg az a zőld ami valami alufoliásnak látszik. (csak szeretném folytatni az építést.) üdv Idézet: „Van azért érték áthallási csillapításokra, torzításokra, nem olyan fényes, de nagy jelek esetén elmegy.” Még ezt nagyon átgondolom, mert már maga az a tudat elborzaszt, hogy "valami, ami hibátlanul megoldható valahogy, csak nem olyan elegáns megoldás", lecseréljem egy bizonytalan kimenetelű dologra. Ha lehet, inkább maradok a billenő kapcsolóknál, csak valahogy lecsökkentem a darabszámot vagy elrejtem, ami ritkán használatos Első a hang, második a kinézet.Üdv!
Hello.Valaki tudna adni egy sematikus rajzot neoncső bekötéséhez?Köszi,
Szerintem jónak kell lenniük mivel én is egy csomó helyen kerámiát tettem a fólia helyett.
|
Bejelentkezés
Hirdetés |







Oké, köszi, hát szerintem veszek egypárat, aztán tesztelgetem 






