Fórum témák

» Több friss téma
Fórum » PC ventilátor szabályozás
Lapozás: OK   5 / 15
(#) potyo válasza valory hozzászólására (») Júl 23, 2009 /
 
Az LM317-en esik mindenféleképpen minimum 2V, ez az LM317 felépítéséből adódik, és nem lehet semmit tenni ellene. Vannak szabályzók, amin kisebb feszültség (0,5V környéke) esik, ezeket nevezik low-drop szabályzóknak.
(#) valory válasza potyo hozzászólására (») Júl 23, 2009 /
 
értem, annyira nem is zavart, csak nah
és a másik "kérdésre" esetleg tudnád a választ?
(#) potyo válasza valory hozzászólására (») Júl 23, 2009 /
 
Igen, plusz megy a pluszhoz, minusz a minuszhoz. De azzal se lesz jobb a helyzet, mindig 2V-al kevesebbet fogsz kapni a kimeneten a bemenethez képest.
(#) valory válasza potyo hozzászólására (») Júl 23, 2009 /
 
ezt fölfogtam
de mivel lesz jobb, ha berakom a kondit? bocsi de nemértek az elektronikához sajna... az ismim szerint ugyanúgy megy avval is meg nélküle is...
(#) valory hozzászólása Júl 27, 2009 /
 
sziasztok

a problémám a következő: csináltam 3 ilyen vezérlőt 1 nyákra és csak kettő működik rendesen, a 3iknál mikor a potit letekerem 7,5V ad, mikor meg teljesen fel akkor meg 6,9-et, kb negyed állásba meg 5,4V-ot. Mi lehet a hiba?

Válaszotokat előre is köszi!
(#) valory válasza valory hozzászólására (») Aug 11, 2009 /
 
probléma megoldva, másik IC-vel tökéletesen ment.
(#) guliver83 hozzászólása Szept 27, 2009 /
 
Sziasztok!
Segítséget szeretnék kérni
Aerocool cool-panel bekötéséhez.
Ha tud valaki egy leirást adni nagyon jó lenne.
Van egy fitó is róla.
Előre is köszönöm a segitséget.

manf[1].jpg
    
(#) rammeradrian hozzászólása Feb 21, 2010 /
 
Ez a kapcsolás működhet LM340-es IC-vel?
És ha a ventillátor helyére 12Vos motort kötök azt lehet szabályozni?
(#) rammeradrian válasza rammeradrian hozzászólására (») Márc 2, 2010 /
 
Már rájöttem hogy az IC teljesen másra való. 1. kérdés tárgytalan.
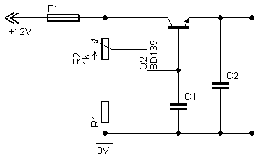
(#) zpeto hozzászólása Márc 4, 2010 /
 
Üdv mindenkinek!
Jómagam ezt próbáltam, tökéletesen működött (PC-n kívül). Az ellenállással be lehet állítani a minimum fordulatot (pontosabban feszültséget), de el is hagyható. Szerintem ez a legolcsóbb működő megoldás és bőven elbír 1-2 ventilátort. Mondjuk még nem tudom mennyire melegszik.... Kondik 1 mikrósak. Feleslegesnek tartom a stabilizálást.
Várom a hozzáértők véleményét.

venti.png
    
(#) prinx válasza maTaKee hozzászólására (») Ápr 3, 2010 /
 
Ez nekem tökéletesen megy már pár hónapja használom azt semmi baja!!!Ugy hogy valamit elrontottál azért nem megy
!
(#) prinx válasza MolnarG hozzászólására (») Ápr 3, 2010 /
 
És milyen csúszkára valahogy nem vágom!!!Tudom hogy hülye kérdés de annyira nem vágoma témát ezt a rajzot én is megcsináltam magamnak azt meg normálisan mmüködik!!!
(#) prinx hozzászólása Ápr 3, 2010 /
 
Hellosztok a segitségeteket kérném abban hogy hogyan lehetne PN2222A tranyóval NTC kapcsolást megoldani?
(#) doomkiller válasza zpeto hozzászólására (») Ápr 8, 2010 /
 
Szia! Zpeto a kapcsolásodat meg lehet csinálni bármilyen NPN-tranzisztorral? Mármint nagyobb teljesítményűvel, mert nekem a kicsi tranyóim max 500mA esek a nagyok meg 6A tol kezdődnek (a legkissebb BD243). Ezzel esetleg meg lehet csinálni? Esetleg lehetne olyat, hogy hőérzékelővel megoldani a szabályzást?
(#) prinx hozzászólása Ápr 14, 2010 /
 
Már tárgytalan a PN2222A tranyós NTC kapcsolás mert meghallt!
(#) kadarist válasza prinx hozzászólására (») Ápr 14, 2010 /
 
Béke poraira!
(#) prinx hozzászólása Ápr 14, 2010 /
 
Más tranyóval pl. 2Sc945 el?Megoldható lenne a NTC és kapcsolás?
(#) prinx válasza kadarist hozzászólására (») Ápr 14, 2010 /
 
Elfüstölt szegény!
(#) doomkiller válasza doomkiller hozzászólására (») Ápr 14, 2010 /
 
Megcsináltam a kapcsolást a melléklet alapján. 6 db 12V 0.18A ventillátort lazán hajt a tranzisztor kézmeleg amikor maxon mennek a ventillátorok, mikor teljesen leállítom őket akkor már melegszik de nem süt. a tranzisztor amit használtam az BD243 egy kb 3x2cm bordán. Először kipróbáltam potméterrel 2,2K, utánna belettetem a potméter helyére az 1K NTC-t és tökéletesen működött(öngyújtó teszt).
(#) prinx hozzászólása Ápr 26, 2010 /
 
Hellosztok valaki nem tudna valami egyszerű NTC kapcsolást ami 2 db 0,17A os ventit elbír!! Köszönöm elöre is!
(#) prinx hozzászólása Máj 1, 2010 /
 
Van hozzá NPN tranzisztor ami BD241C ezzel kéne megoldani ha meglehett!!
Elöre is kösszönöm!
(#) doomkiller válasza prinx hozzászólására (») Máj 2, 2010 /
 
Mellékelek 1 rajzot, a potmétert cseréld ki NTC-re. A tranzisztornak jó a BD241 én BD243-mal csináltam meg és eddig 6 ventilátor meg sem kottyan neki, 2,2k NTC-t raktam bele.
(#) prinx válasza doomkiller hozzászólására (») Máj 2, 2010 /
 
Kösszi a választ de az a kérdésem oda jó lenne a 10K NTC?
(#) prinx hozzászólása Máj 2, 2010 /
 
Gondolom valahogy igy jó lenne?!

BD241.jpg
    
(#) doomkiller válasza prinx hozzászólására (») Máj 3, 2010 /
 
Jó lessz. Én 2,2k val csináltam és kéz meleg NTC-nél alig forgott a ventillátor, de kipróbálhatod max neked magasabb hőmérsékleten kezd majd el forogni a ventillátor.
(#) prinx válasza doomkiller hozzászólására (») Máj 5, 2010 /
 
Én is kipróbáltam 10K NTC vel és müködik de egy problémám van hogy kb 50C foknál 3-3,5 V ad le épp hogy csak valamit hüt a venti de ha 2,2K teszek be akkor mennyi lesz a minimum feszültség mert azt akarom hogy addig ne menjen a venti ha nem meleg az ic csak akkor kezdjen forogni ha 40C ott eléri!
Elöre is kösszi a választ!!!
(#) doomkiller válasza prinx hozzászólására (») Máj 6, 2010 /
 
Szia! Nekem a 2.2k NTC-nél alaphelyzetben kb. kéz meleg 5,8V van, 2k potival sorbakötve állítottam be az "alapjáratot". Neked valószínűleg 4,7k vagy 6.8k NTC kéne, hogy csak 40 foknál kezdjen el forogni.
(#) prinx válasza doomkiller hozzászólására (») Máj 6, 2010 /
 
És kondival nem lehetne megfejelni a 10 K NTC-t?
Ugy nem lenne jobb hogy gyorsabban forogjon 50C foknál?
(#) doomkiller válasza prinx hozzászólására (») Máj 6, 2010 /
 
Kondi nem hiszem hogy kell oda, de ehhez kérdezz meg egy okosabb embert, én csak tapasztalatokra tudok építeni. Cseréld ki az NTC-t a fentebb leirtakra esetleg tegyél vele sorba 1-2k potit amivel tudod szabályozni a kezdő fordulatszámot. 2,2k NTC -vel 50C foknál már majdnem maxon pörög a ventilátor.
(#) rammeradrian hozzászólása Máj 9, 2010 /
 
Üdv!
Van pár SCK053 termisztorom és az lenne a kérdés hogy ezzel hogy tudnék ventillátor vezérlést építeni?
Következő: »»   5 / 15
Bejelentkezés

Belépés

Hirdetés
XDT.hu
Az oldalon sütiket használunk a helyes működéshez. Bővebb információt az adatvédelmi szabályzatban olvashatsz. Megértettem