Fórum témák
» Több friss téma |
Üdv!
A következő észrevételem lenne a bejegyzéssel kapcsolatban: - Az EU-ban egy 100W-os izzó fényárama 1300lm - az áram ára jelenleg 48Ft/KWh (EON)
Ebben a blog bejegyzésben valami horror árak vannak, 15.000Ft-ért 1760lm nevetséges (hol kerül ennyibe?) ennyi pénzért jobb helyeken 4000lm-t kapsz. Ráadásul jobb 80lm/W hatásfokal.
Az áram díjával kapcsolatban téyleg igazad van, az elműs számlámon 22,97 ft-os egységár van feltüntetve, de különböző díjak rárakódnak még, így magam sem tudom, hogy jön ki a kb. 48 ft/kWh.
@sprofan: "15.000Ft-ért 1760lm nevetséges (hol kerül ennyibe?) " Mindenütt. Nézz be bármelyik barkácsüzletbe, ahol olcsóbban lehet kapni LED-es lámpát, és a 20 W-os izzónak megfelelő LED-lámpa 9000 ft. A táblázatban - amit tényleg javítanom kell, a DX-es, meg más kínai megrendeléseket nem vehettem figyelembe, mert ez nem az átlag magyar vásárló módszere. Ott kizárólag magyar kiskereskedlmi üzletek árait tüntethetem fel. Persze, ha te tudsz olyan magyar üzletet, ahol 1700 lumenes LED-lámpát lehet vásárolni 17k ft alatt, örömmel hallanék arról is. (Barkácsmunka nem érdekel, csak olyan, amit hazaviszel, és felcsavarod a 220 V-os, E27-es vagy E14-es izzó helyére.)
" Az EU-ban egy 100W-os izzó fényárama 1300lm"
Én az angol nyelvű Wikipédiában nézegettem, és ott 100 W-ra 1.700 lumen van megadva, vagyis 17 lumens/W. Biztos van egy bizonyos szórás, de szerintem méréssel lehetne ezt eldönteni.
Nemrég tűnt fel nekem is, hogy az USA 100W és az EU 100W között kb. 30% különbség van a lumen értékben. El tudom képzelni, hogy ez igaz, és nem véletlen.
nekem számításokkal, egyedi ledekre ez jött ki: ld kép.
elosztottam a teljesítményt, a fényáramot és az árat keresztül kasul (tavaly decemberben gyűjtött adatokból készült, néhol akciós árral) gyárilag foglalattal ellátott led-csoport termékeket meg sem próbáltam, természetes, hogy azok ára fajlagosan magasabb. illetve a rejtett témához nem is felelt meg nekem.
Nem lehet, hogy 110 V-on a 100-as égő jobban világít, mint 220 V-on? Bocs, ha ez butaság.
Alacsonyabb feszültségen jobb a hatásfok.
USA 1700lm 110V 17lm/W EU 1300lm 230V 13lm/W Tegnap jött meg a villanyszámla kiváncsi voltam mennyi 1KWh: "A" kb 49Ft "A" kedvezményes 47.5FT (hogy mikor hogy mennyit hogyan számláznak ezekből azt nemtudom) "B" vezérelt 30Ft
Nem tudom hogy beszamitottad e hogy a LED csak felterbe vilagit modjuk 180 fok.A fenycso es az izzo meg 360 fokba.A LED-ek lumen-jet erre adjak meg amit elore vilagit ,de a tobbi hatrafele is vilagit ugyananyit .amit egy tukorrel "elore hoznak".
Ez egy leegyszerusitet eszrevetel othon filmezes proba kozbe mikor ugy LED-eket mit halogen lampat is hasznaltam es pobakat vettem fel ,aztan utannaneztem es olvastam valahol a neten errol . a hatasfok igy nem eppen anyi mint amit reklemoznak . Egy feherre meszelt szoba menyezeti sarkaba teve a LEd nem fog anyit vilagitani mint az ugyannyi "lumen"-es izzo . Felteve hogy mind a kettonel egyik iranyba sugarzott fenyt mertek meg es tettek a katalogusba.Es nagyon ugy nez ki hogy itt nagyokat halgatnak. Szerintem a LED pozitiv oldala a hordozhato cucoknal ervenyesul jol megvalasztott akumulatorfeszultseg hogy ne keljen semilyen felvezetos aramgenerator csak egy minnel kisebb erteku ellenallas inkabb vedelem kent nem huzamos hasznalat melett nagyon jol bevalt. OIthon meg a derito fenyeket /ejjeli fenyeket LED-el oldottam meg vettem 17 es 19 LED -es lampakat ami 220V-ra kotheto kb 1W -ot fogyasztanak pont jol vilagitanak egy iroasztal felett vagy a hazba ejjel . Van meg tobb ellemlampam kinai 1$=os uzletekbe vettem .Az elem mivel nem hasznalom allandoan rengeteget tart .Van zseles akus harom , osszevasaroltam mert van tukor optika es akumulator es nagyon olcsa , olcsobb mint ha megvennem a LED-eket kulon .Egy 33 LED-es asztali lampa 3 Goliath ellemmel mukodik mar 7 honapja es alig van fenyero csokenes ,pedig ha a PC mogott jarok a kabeleknel ott felejtettem mar tobszor es vilagitott orakat ... Igy gondolom hogy erre a legmegfelelobbek ha nem is tartanak 50000 uzemorat mivel nem allandoan vilagitanak sok ideig fogjak birni a maximalis es nem nagyon pontossan beallitott arammal is. A Power LED=ek meg dragak de le fog menni az aruk. Azok a SMD LED-ek is melegednek , pont olyan van kulon vasarolva amibol csinaltam a folmezohoz a "fenyszorot ami egy 12V-os akurol megy egy LM317 -essel epitetett aramgeneratorral ug hgy az IC-n a minimalis fezsultseg esik. A maximalis kb 900mA es a 750mA kozotti aramvaltozasnal nem alig eszrevehet a fenyero kulombseg .De kis fogyasztason beallitom a fenyt es raengedem az erot csak a filmezeshez. De nem eleg kell meg epitsek meg egy "reflektort " mert keves a feny .Othon ahogy emlitettem meg egy 25W-os halogen asztali lampaval eppen jo a feny ugy 2-3 m tavolsagra plusz legalabb 100W-os izzo a csillarba mukosjon,Altalaban harom egobol mindeg egymarad mert kiegnek . ja es ez lenne meg a jo dolog hogy komoly aramgeneratorral ami szabalyozza a maximalis aramot nem olyan erzekeny a kapcsolasra mint az izzo. Nem lattam a topic-ban a "statikus aramok"-rol amire erzekenyek a LED-ek .Nekem kiegett egy lampam ( 17- LED-es ) es hibas ujonan egy 20 LED-es amit viszavittem es kicsereltek . A masikat nem vittem vissza hanem szejelszedtem...hehe ,aztan az akuval a probalgatasok kozbe kiegettem sajnos a kioperalt 17 LED-et. A 17 LED-es es a 20 LED -es ket kulombozo gyartotol van a 20 LED-esben komolyabb halozati adapter kapcsolas van a 17-LED-esben egy nagyon szimpla "tapegyseg " van lehet hogy ezert eget ki.
Ez olyan mint a hangszoroknal .
Nem er semmit amit rairnak ha nem irjak oda a hatasfokot is ...3%...5% es biztos nem egyforma a kulombozo egoknel . Persze kell elgyen egy eloiras ISO vagy mi.
Ez nettó hülyeség. A lumen az afényáram, ami az összes kibocsájtott fényt jelenti. tök mindegy hogy lézerfényről van szó vagy egy csupasz villanykörtéről.
talán a 3. oldalon...
Szerintem 100 Watt az NAGYON egyforma fizikai hatást vált ki a 110-230 Volt tartományban.
"a LED csak felterbe vilagit modjuk 180 fok.A fenycso es az izzo meg 360 fokba"
Ezért kell többledes, ún. kukoricacső lámpát venni, vagy mennyezeti elhelyezésnél még inkább ún. ufó lámpát. Amikor legutóbb rendeltem a DX-től, én is, azzal a megfontolással, hogy majdnem 360 fokos sugárzás kell, kukoricacsöveket rendeltem - mert arra azért korábban rájöttem, hogy teremvilágításra a szpot nem jó - de utána megbántam. Mégpedig azért, mert a fény elég tekintélyes része, amely a mennyezetre irányul, kárba vész. A legjobb megoldásnak természetesen én is azt tartom, amelyet a kolléga itt fent leírt, vagyis körbevinni a mennyezeten rejtett formában ledsorokat vagy fénycsíkokat, ezzel kialakítani egy általános szobavilágítást, a munkahelyeken (íróasztal, konyhai pult) meg helyi világítást felszerelni. Hátha eljön az az idő, amikor a lakásépítők alkalmaznak egy világítástechnikai szakembert is, és esetleges egyedi vevői igényeket is figyelembe véve szakszerűen megtervezik a lakások világítását. (OFF: Persze nem feláron! Nem plazmatévét kell ajándékba adni az új lakások vásárlóinak, hanem gondoskodni arról, hogy a lakás, mindenféle vevőcsábító ajándék nélkül nyújtsa az alap, hangsúlyozom alapszolgáltatásokat. Vagyis, legyen megfelelő a világítás, a hangszigetelés, szellőzés stb. Gondolj bele, kiszúrják a szemed egy plazmatévével, közben meg nyáron csurog le rólad az izzadság, mert nincs klíma. Luxus, flancolás <-> ésszerű alapszolgáltatsok.) Most az van, hogy aki profi világítást akar magának, annak vagy barkácsolnia kell, vagy szakemberrel szét kell bontatni a meglévő világítási rendszert.
NEM. A villanykörtében a wolfram száll izzása, bocsájtja ki a fényt. Ez pedig függ a rajta átfolyó áramtól. Minél nagyobb az áram annál több a kibocsájtott fény. Így a 100W meg 100W nem azonos, 110V és 230Von, mivel más a rajta átfolyó áram. Ilyen értelemben a 110Vos jobb hatásfokú az biztos. Viszont tudtommal a 100Wos izzó fényárama 1350lumen. Ettől az eltérés minimális, 1÷2%on belüli, bármely izzónál.
A szóbanforgó eltérés lényegesen nagyobb 1-2%-nál.
A fény intenzitása a felhasznált teljesítménytől és a konstrukció hatásfokától függ. Ha az áramtól függene, a 110V -os sokkal jobban világítana, otthon mindenki 1,2 V-os izzókat használna.
Az igaz hogy a 110V-os sokkal jobban világítana, de mivel nagyobb áramok szaladgálnak így nagyobb a veszteség is.
Elvileg ha 230V -on az izzó 1300lm ad le 110V-on kb 2600lm-t kellene leadnia, de ekkor az áram 400mA helyett már 1.1A, jobban melegszik. Ha egy ledet 350mA-rel hajtok pl. lead 90lm-t, de ha megduplázom az áramát 700mA-re, a fényárama nem lesz a duplája, csak kb 135lm.
Hat ez nekem magas .
Van harom azonos hatasfoku egom, 2 darab 50W-os 110V-ra es egy darab 100W-os 220V-ra . Na most sorbakotom a ket 110V-os egot es rakapcsolom a 220V-os halozatra . Szerintem ugyanannyi fenyt kene kibocsasson mint az egyetleneggy 100W/220V-os ego.
Hatásfok a kulcsszó, az alkalmazott technológia, a linearitás.
Igen , a megoldast lattam ,van egy "viharlampam" ( el is felejtettem..hehe) harom sor LED van 120 fokba elhelyezve es egy "dispersor" muanyag bura alatt ami szepen szejjelszorja a fenyt .
En a "beharangozott" hatasfokot kerdojelezem meg . Vagyis hogy nem kb 8-10 szeressen jobb a hatasfok mint az ego esetebe csak kb 5 -szoros. Tehat valahol a neoncso hatasfoka korul van, Elonyei persze megvannak. Ne is mondjam hogy osszevasaroltam egy par napelemet amivel akumulatorokat tolthetek hogy majd ezek egesz ejjel taplaljak a "derito" LED-eket... hahahah...az iden telen alig volt napos ido .Majd most jon a nyar talan befejezem. Muszaly valamit csinaljak mert a kutyusunk aranyszoru Cocker ha jon a meleg kinyulik mindenfele a padlon es nem is latszik meg nappal se veszem eszre ha eppen valami szonyegre fekszik.nagy a veszely hogy ralepek ejjel ha hirtelen felallok a PC-tol es a szemembe vilagito kepernyotol mikor megfordulok a sotet szoba resz fele nem latok semmit.A folyosokon meg anyit se.Igy tulajdonkeppen egy egy feher LED eleg egy egy ilyen fontosabb helyen ami a falra vetiti a fenyt vagy a menyezetre es nagyon jo feny a lakasba valo ejjeli kozlekedeshez .Plusz nem kell kattognom a kapcsolokkal se ejjel. Ne is monjam hogy LED-es zseblampaval kozlekedek ejjel a lakasba..hehe ,soha se lehet tudni hol a kutya.
Az izzószál lehet PONTOSAN ugyanolyan méretű 230 Voltnál, mint 6 -nál.
Mindig indulj ki abból, hogy ami neked gond, azt lehet, hogy valaki már máshol vagy máskor megoldotta.
Hat en is kerti lampakat vettem amibol kioperaltam a fenyelemeket es osszekepcsoltam hogy begyujtsam a 3,4V-os LED eket is mart eredetileg ezekbe 1,5V-os sargas fenyu LED -van , Aztan vettem meg egy kerti lampat nagyobb teljesitmenyu es kulonallo napelemmel amiben ket akumulator sorbakotve egy jol szigetelt dobozban van .Aztan megjelentek a foto-uzletekben a napellemes akkutoltok ami ugyancsak ket elemet tolt sorbakotve .Igy direkt lehet a "bright" feher LED-et meghajtani
. Idézet: „otthon mindenki 1,2 V-os izzókat használna” Ennek a lehetősége egyébként meg is van, de van pár tényező, ami miatt nyilvánvalóan nem ez terjedt el a világban: - az elektromos energiát nagyobb feszültségérték mellett gazdaságos csak szállítani, ezért a 230 vagy 110 V AC - gondolj bele, milyen csúnya lehet, ha felfűznek egymás mellé 200 db kis picike égőt, a hozzávaló 200 db kis foglalatba (és ez csak a soros kapcsolásra vonatkozik, amiből egy átlagos használati idő után pl. ötnaponta égnének ki az izzók; nagyon kellemes lenne ilyen sűrűn mászkálni a plafonon) - nem kevés helyet foglalna el az a 200 izzó, igaz, a plafonon általában mindig van hely, de lehet, hogy mégse nyújtana szép látványt a rendszer
Az eredeti felvetés az volt, hogy minél nagyobb az áram, annál jobb az izzó hatásfoka. Ha így lenne, arra írtam, hogy akkor az 1,2 Volt, 100 Wattos izzó lenne a nyerő.
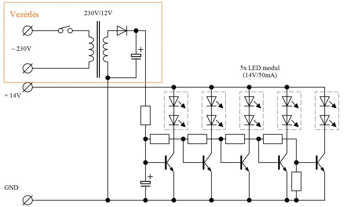
Sziasztok!
Építek LED modulos megvilágítást a konyhánka a mosogató fölé. 5db, hosszúkás modult építek a konyhaszekrény aljába. A modulok 14V-on 50mA-t vesznek fel. Már több helyen is használok ilyen modulokat (autó csomagtérvilágítás, konyhai-elszívó világítás, asztali lámpa-'upgrade'), szépen beváltak. De most nem csak simán felkapcsolom-lekapcsolom-ot akarok, hanem kis dizájn elemmel dúsítanám: Felkapcsoláskor az 5 modul szépen sorban kapcsolódna be, illetve lekapcsoláskor egymás után kapcsolódna ki. Nem kell semmi bonyolult időzítésre gondolni, hanem valamilyen egyszerű kondis-feszültségosztós áramkört ötlöttem ki. Ha valaki rá tudna kukkkantai, és véleményezni azt megköszönném.
Az 1. ág jó lesz, de vele együtt fog felkapcsolódni a többi is, már ha fel fog egyáltalán. Ha a többihez is raknál kondit akkor lenne "sorozat-időzítés", de a bázisáram már lehet hogy nem lesz elég a többi ág tranzisztorának.
akkor minden bázis elé kondit, és a tranyók darlingtonok legyenek?
Újra gondolva a dolgot:
A tranzisztoroknak kell egy bázisáram korlátozó ellenállás, és egy késleltető kondi is. Emellett akarnád a feszültség osztóval a kondiba folyó áramot korlátozni. Viszont az utolsó ágba is kellene annyi áramnak befolynia, hogy ki tudja nyitni a tranzisztort is. Sajna ilyen kapcsolást még nem csináltam. Esetleg ne egymásból nyisd a fesz osztót, hanem mindig új ágat nyiss a 12V-os tápfeszből, különböző értékű ellenállásokkal. Így könnyebb a megvalósítás, akár többszáz ág esetén is. Én a túlbonyolítás elkerülése végett alkalmaznék valami mikrovezérlőt. [OFF]Egyébként egyszerűnek is mondható az áramköröd, csak most nem igazán látom át 3 órányi matekozás után.[/OFF]
Tetszik az ötleted azt hiszem megépítem én is de úgy ahogyan Sir-Nyeteg ajánlotta ,nekem is azonnal microcontroler jutott eszembe vezérlésnek . Tapasztalatom szerint azzal van a legkevesebb gond. Tovább gondolva az ötletedet azzal akár többféle módon is lehet vezérelni a sorrendet ha ez unalmassá válik.
Biztos controllerrel jobbat szebbet lehet építeni, de nekem nem az a célom. Az alap annyi, hogy a 2db 20W-os halogén spotlámpát kiváltsam 5db 0,7W-os LEDdel...
![]() A sorban fel-le kapcsolás már csak hab a tortán. És itt emelném ki, hogy nem a fényerő úsztatásáát akarom elérni, hanem hogy nagyjából sorban kapcsolódjanak. És természetesen azt se ilyen perces időintervallumban, hanem az egész (5 LED) kapcsolódjon fel kb 1-2 másodperc alatt, illetve fordítva is. Az állandó tápfesz adott (a konyhaszekrény tetején már van egy PCtáp a cd-s rádió számára) arról szedek le 14V-ot (+12...-12>>>7812 + 3-4db Si diófa...). A vezérlésben azért van a trafó, mert a konyhai villanykapcsoló adott, egy csillárkapcsoló, aminek csak az egyik ágát használom jelenleg. Így ez lenne a másik ág. Az első verzió azért lenne(ha működne) jobb, mert (az elképzelésem szerint) a 'mozgási' irány lekapcsoláskor megfordulna a felkapcsoláshoz képest. Eredeti: Felkapcs: 1 1..2 1..2..3 1..2..3..4 1..2..3..4..5 Lekapcs: 1..2..3..4 1..2..3 1..2 1 .. ![]() Viszont ha minden ágba külön kondit teszek, akkor nem úgy lesz, hogy megmarad a sorrend. és lekapcsoláskor az 1-es fog legelőször kialudni is, illetve az 5-ös fog utoljára felgyulladni és kialudni is. Nekem az első verzió jobban tetszene... ("futófény effekt") |
Bejelentkezés
Hirdetés |














