Fórum témák

» Több friss téma
Fórum » Elektronikában kezdők kérdései
- Ez a felület kizárólag, az elektronikában kezdők kérdéseinek van fenntartva és nem elfelejtve, hogy hobbielektronika a fórumunk!
- Ami tehát azt jelenti, hogy a nagymama bevásárlását nem itt beszéljük meg, ill. ez nem üzenőfal!
- Kerülendő az olyan kérdés, amit egy másik meglévő (több mint 17000 van), témában kellene kitárgyalni!
- És végül büntetés terhe mellett kerülendő az MSN és egyéb szleng, a magyar helyesírás mellőzése, beleértve a mondateleji nagybetűket is!
Lapozás: OK   871 / 4052
(#) peter1995 válasza kadarist hozzászólására (») Máj 14, 2010 /
 
Bocs hogy belehápogok.Nekem is jelenleg táp kellene.Ezen a kapcsoláson is érvényes az 1.4-es szorzó?A 2 kondi a puffer a 2 dióda meg gondolom akkora hogy bírja a trafót.
(#) kadarist válasza peter1995 hozzászólására (») Máj 14, 2010 /
 
Igen, itt is csúcsfeszültségre töltődnek a pufferek. Viszont az egyutas egyenirányítás miatt nagyobb kapacitású kondenzátorok kellenek, mert 50 Hz-es a lüktető egyenfeszültség.
(#) mhatalyak válasza mex hozzászólására (») Máj 14, 2010 /
 
igen, már értem!

Még egy kérdés: Rámértem az akkumulátor feszültségére multiméterrel járó motor mellett és ugrált a fesz 6V-30V között. 12V az akkumulátor fesszabályzó pedig gyári. Ha hozzá is érek a két polaritáshoz akkor jó nagyot ráz. Egyébként kínai a motorkerékpár, elképzelhető, hogy nemjó a fesszabályzó? Egyébként tölt rendesen!
(#) peter1995 válasza kadarist hozzászólására (») Máj 14, 2010 /
 
30-35V egyenhez hány uF?És4-5A
(#) puli122 hozzászólása Máj 14, 2010 /
 
Sziasztok, az átlag forrasztóón kb hány fokon kezd el olvadni ?
(#) peter1995 válasza puli122 hozzászólására (») Máj 14, 2010 /
 
Kb150-200.(tipp)
(#) kadarist válasza peter1995 hozzászólására (») Máj 14, 2010 /
 
Mondjuk 63V-os, 10000 µF-os kondikkal már jó eredményt lehet elérni. Persze ez attól is függ, hogy mekkora brummfeszültséget visel el a táplált áramkör. Viszont izmos diódákat építs be a nagy bekapcsolási áramlökés miatt.
(#) mex válasza mhatalyak hozzászólására (») Máj 14, 2010 /
 
A multiméter nemigazán jó ilyen mérésekhez, mert nagy a bemenőellenállása, és így érzékeny, összeszed minden zavart, mint például a gyújtószikra által keltettet is.Analóg, lehetőleg elektronikamentes voltmérőt használj, az nem csap be, persze, ha egyébként pontosan mér.
Ettől függetlenül a töltőtekercs nem rázhat, hacsak nem kontakthibás valahol az egyik csatlakozód. Ilyenkor ha terhelés nélkül marad felugrik a feszültség sokkal nagyobb értékűre, ezt már meg lehet érezni. Lehet, hogy a multiméter is ezt méri bele....
(#) peter1995 válasza kadarist hozzászólására (») Máj 14, 2010 /
 
A hidalt változatú TDA7294hez kell.
(#) mhatalyak válasza mex hozzászólására (») Máj 14, 2010 /
 
Akkor nem szükséges fesszabályzót építenem a vezérlés elé. Köszi.
(#) kadarist válasza peter1995 hozzászólására (») Máj 14, 2010 /
 
Ahhoz azért jobb lenne egy középmegcsapolásos trafó+graetz-híd.
(#) kormoran hozzászólása Máj 14, 2010 /
 
Üdv!
Azt szeretném megtudni, hogy ehhez és ehhez az alapkapcsoláshoz ugyanolyan típusú kondenzátor szükséges?
(#) kadarist válasza kormoran hozzászólására (») Máj 14, 2010 /
 
Igen ugyanolyan elektrolitkondenzátor kell.
(#) mex válasza mhatalyak hozzászólására (») Máj 14, 2010 /
 
Ártani nem árt egy 9V stabkockát beépiteni, ez a zavarok jórészét is megfogja. A vezérlésnek elegendő a 9V, az injektor továbbra is a 12V tápfeszültséget kapná meg.
Ha igényled átrajzolom...
(#) hackerfish hozzászólása Máj 14, 2010 /
 
Hali!
Építettem egy stabilizált, szűrt tápot, a kimenet 5, és 12V.
Van benne egy trafó, egy egyenirányító, meg egy szűrő áramkör.
A kipróbálásnál figyelmetlen voltam, és fordítva kötöttem be a 12V-ot az áramkörbe, mert az áramkört, és az egyenirányítót összekötő dupla kábelt diódateszttel mértem meg, hogy melyik-melyik, de arra nem gondoltam, hogy az egyenirányítón keresztül érintkeznek, de hamar kihúztam a hálózatból a cuccot.
Olvastam, hogy a nagyobb kondikat sosem szabad fordítva bekötni, mert felrobbanhatnak.
Az egyik kondi eléggé felmelegedett. 100µF 50V. De látszólag semmi baja. Hogy lehet kipróbálni, hogy még mindig jól működik -e?
(#) hackerfish válasza hackerfish hozzászólására (») Máj 14, 2010 /
 
Az egyik szabályzó-stabilizátor IC-n (78L12) van 2 nagyon pici kiálló pötty vagy mi. Ez azt jelenti, hogy tönkrement?
(#) saraha válasza hackerfish hozzászólására (») Máj 14, 2010 /
 
Ha kráteres jellegű akkor tuti100.
(#) kormoran válasza kadarist hozzászólására (») Máj 14, 2010 /
 
Köszönöm a segítséget!
(#) peter1995 válasza kadarist hozzászólására (») Máj 14, 2010 /
 
Pl ilyen?
(#) kadarist válasza peter1995 hozzászólására (») Máj 14, 2010 /
 
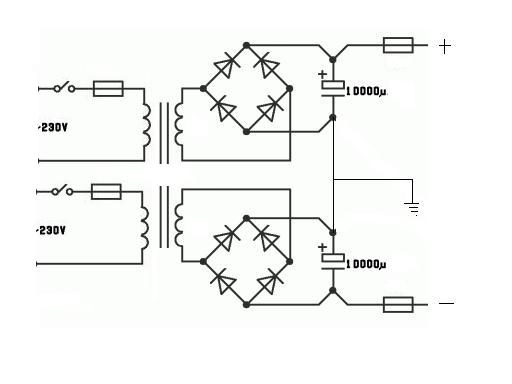
Én inkább egy ilyenben gondolkodnék. A középleágazásos trafót ki lehet váltani két egyforma trafóval, csak ügyelni kell a fázishelyes összekötésre. De a Te megoldásod sem rossz.
(#) vilmosd válasza kadarist hozzászólására (») Máj 14, 2010 /
 
Hali
Amig nics baj addig jo is a ket trafos. De ha az egyiknek kieg a biztije oda a fel tap.
Udv Vili
(#) kadarist válasza vilmosd hozzászólására (») Máj 14, 2010 /
 
Akkor legyen közös bizti!
(#) vilmosd válasza kadarist hozzászólására (») Máj 14, 2010 /
 
Oke. Mit iszol?
(#) kadarist válasza vilmosd hozzászólására (») Máj 14, 2010 /
 
Sört!
(#) vilmosd válasza kadarist hozzászólására (») Máj 14, 2010 /
 
Egeszsegedre! De azert ez a ket trafos megoldas akkor sem oke, mert a primer aram 2.5-3-szorosara kell meretezni a biztit. Az pedig egy trafonak mar sok lehet(ha a masikon nincs annyi teher), es indian fustjelzeseket fog adni, a bizti meg vigan rohog a markaba. Addig amig valahol nem lesz egy jokepu menetzarlat.
Udv Vili
(#) kadarist válasza vilmosd hozzászólására (») Máj 14, 2010 /
 
Ez egy erősítőhöz lesz. Jól néznénk ki, ha nem lenne azonos terhelés mindkét trafón.
De nem én találtam ki:Bővebben: Link
(#) vilmosd válasza kadarist hozzászólására (») Máj 14, 2010 /
 
Jol van. Az erositoknel elfogadom, mivel ott szimmetrikus a terheles, De azert szerintem megis jobb egy kozepmegcsapolasu trafo, mint ket kulon a ket tapra. Ott figyelni kell a szorasra is, mert erdekes dolgokat tud csinalni egy rosszul elhelyezett trafo. Persze ha a ladafiaban van ket egyforma, de kisebb trafo, akkor azt hasznaljuk. Ha pedig venni kell, nem sok kulonbseg lesz az arban.
(#) kadarist válasza (Felhasználó 13571) hozzászólására (») Máj 14, 2010 /
 
Igen belátom: Bővebben: Link
(#) hackerfish hozzászólása Máj 14, 2010 /
 
Van egy stabilizátor IC-m, 78L12, a kisebb fajta. ( Úgy néz ki, mint egy tranyó. ) 15-14V-ot kap, amiből 12-t kellene csinálnia. Ha jól tudom, úgy működik, hogy a felesleges áramot hővé alakítja. De az normális, ha pár másodperc után forró lesz? Szükséges hozzá hűtőborda, vagy valami ilyesmi?
(#) kadarist válasza hackerfish hozzászólására (») Máj 14, 2010 /
 
Erre nem tudsz egykönnyen hűtést fabrikálni. Mekkora terhelés van rákötve?
Következő: »»   871 / 4052
Bejelentkezés

Belépés

Hirdetés
XDT.hu
Az oldalon sütiket használunk a helyes működéshez. Bővebb információt az adatvédelmi szabályzatban olvashatsz. Megértettem