Fórum témák
» Több friss téma |
Pontosan,jól mondod
![]() Meg azt is nézd meg nem koszos-e,olajos,vizes vagy valami ilyesmi,mert az is lehet elméletileg... A megszakítónál van szikra??? Vagyis a hézag között látsz kis szikrákat??? Kondi,tekercs??? Az alaplap szét volt szedve???
Sziasztok!
Meg tudná valaki mondani, hogy S51-Electronic Simson "nagyfeszültség" feliratú dobozában pontosan mi van?
Szia!
Melyik részén van a felirat? A tirisztoros gyújtóegységen?
Tirisztoros (CDI) gyújtáselektronika van benne.
Nem ez, de hasonló. Vagyis nem is hasonlít annyira, mert jóval egyszerűbb.
Ez meg jóval védettebb, mint amit lehet hozzá kapni.
Sziasztok!
Újra én vagyok. Tegnap újravezetékeztem egy tirisztoros Simót, de összerakás(csak a gyújtás rész) után nem volt gyújtás. Pár megfigyelés: A tirisztoros doboz trafóra való kivezetésén, csak akkor mérhető jel, ha nincs rajta a trafó. A forgórésztől csak a sárga-fehér vezetéken jön a áram, a többin is mérhető feszültség, de ha leterhelem(egy gyenge égővel) akkor már nem. Próbáltam egy 6V-os akksi+fűrészlap párossal szikráztatni a trafót, de nem ad szikrát. A forgórészből jövő vezetékek közül, csak a piros(gyújtóáram tekercs) és a kék(jeladó tekercs) van bekötve -nem tudom, hogy ez számít-e-
Szia!
Ha a trafóval ilyen gondok vannak, akkor csavarozd le a kivezetésekről a 4-s anyákat, vedd le a csepp alakú fémkupakokat és az alatta lévő huzal kivezetéseket tisztítsd meg (esetleg mérd ki ómikusan, majd összeraktad) és úgy próbáld meg ad-e szikrát.
A tisztítás már megtörtént, keresőlámpa sem világít ha hozzáérintem a sekunder kivezetéséhez.
A szekunder ellenállása elég nagy, akor sem biztos hogy világít a próbalámpa, ha a tekercs nem szakadt. Azt inkább ellenállás mérővel ellenőrízd!
Ellenőriztem tapintásos próbával, semmit sem éreztem.
Arra nincs valami ötletetek, hogy terhelés alatt miért nem mérhető fesz a gyújtótekercs, illetve a tirisztor kivezetésén?
Sziaztok!
Az lenne a kérdésem hogy, egy gyújtó és egy világítótekercset hogy lehet megkülönböztetni? Előre is köszi a választ!
Leginkább arról hogy a gyújtó tekercs vezetékei vékonyabbak és jóval több mentesek.
Köszönöm!
Mi van akkor hogyha megszakítót cserélek akkor hogyan állítom be a gyújtást. Előre kösz.
Ezt olvasd el, és utána ha valami még nem tiszta, kérdezd meg nyugodtan.
Ha az előgyújtást állítom akkor a megszakítónak éppenhogy nyitnia kell.
![]() Köszi szépen mindent ,sokat segítettél.
Igen, az adott előgyújtás értéken kell elkezdenie nyitnia a megszakítónak. Viszont előbb állítsd be a megszakító maximális nyitását 0.4mm-re!
Heló mindenkinek! Egy honda dio CDI gyújtását szeretném átalakítani Simson S51/B motoromra, mivel a megszakítós alaplapom tönkrement és csak ez van itthon.
hasznos tanácsokat kérnék elsősorban, hogy mikre figyeljek stb.Előre is köszönöm!
Kezdésnek nézd meg, hogy a lendkerék kúpja egyezik-e a főtengellyel, passzol-e rá. Aztán készíteni kell egy közdarabot, amivel felszerelhető az alaplap. Stb, stb, sok sok buktató, idő és munka. Nem biztos, hogy megéri...
halli azt szeretném megkérdezni hogy vannak ezek a tákoltgyujtások a sthil gyujtás hogy az nem -e gyilkoja meg 1 idő után a főtengely és hogy jobban huz e mint az alap. Mert nem tudom hogy meglrné e belevágni mert 1 s50 es simsonrol van szó.Jó lenne a 1-2 hasznos tanács előreis kösz
A főtengelyt a nagy fordulat teheti tönkre, nem a gyújtás. Az pedig tőled függ mennyire húzod a fülét.
Sziasztok.
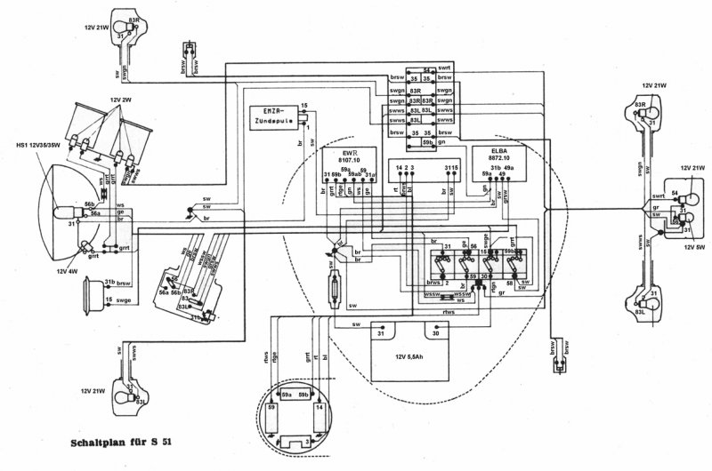
Tudnátok segíteni egy Simson 250-hez kéne gyújtási rajz, mer egy egész katyvasz van a gépbe. Előre is köszi.
Hello mindenki!
Simson S51-es 12V motorom van, a napokban új indexeket kapott. (Halogén izzók 12V 23W régiek: 12V 21W) A próbasorán köbö dupla olyan gyorsan villogott. Próbáltam megjátszani a nagy okosat aki ért az elektronikához és "szétszedtem" ELBA-t amit úgy sikerült, hogy letörtem egy tranzisztor középső lábát (Tesla KT 201 500 x 6) ilyen már nem lehet kapni. De ha lehetne se akkor sem oldódna meg az index villogásom problémája mert a tranzisztor a töltésért felelős. Szóval össze kellene hoznom egy töltő elektronikát és egy index elektronikát lehetőleg a régi dobozába. A neten találtam házi készítésű "modernizált ELBA-t" amiben lehet állítani a villogás sebességét és én még szeretném ha tudnám állítani a töltés feszültségét. Ha valami nem világos akkor bocsi kérdezz nyugodtan .Várom ötleteiteket és előre is köszönöm a segítséget!
Szia!
A KT201 - 500 helyett megpróbálhatod a BT151 - 800 -at, a villogás a C6 ? C8 1µF növelésével lassul...
TCI 106M-et ajánlottak hozzá a régi helyére...
Hogy micsoda mivel lassul a villogás csak az alap dolgok OK kicsit laikusabban elmagyaráznád?
Szia!
A rajzon nem tudom kivenni a pozíció számot, a mellékelt rajzon bekarikázva... Próbaként kössél vele párhuzamosan még 1µF -ot... A tirisztor bármilyen típus lehet ha, az árama >4A, a feszültsége >600V... Figyelem, a tokozás eltérhet...
Rendben megpróbálom holnap, a rajzot nagyobb felbontásban felrakom hátha azon látszik
TCI 106M-et már meg is vettem és a eladó ezt mondta: "ez jó lesz a helyére csak a ké külső lábát cseréld fel de azért nézz utána" kicsit tanácstalan vagyok... |
Bejelentkezés
Hirdetés |









kérdezz nyugodtan .








