Fórum témák
» Több friss téma |
Mielőtt kérdezel, a következő két dolgot ellenőrizd!
I. A helyes tápfeszültségek megléte.
II. A kimeneten van-e egyenfeszültség.
Élesztés.
És szerintetek a TDA2030-as erősitő megspékelve két tranyóval tehát 50W, annak jó a hangja?
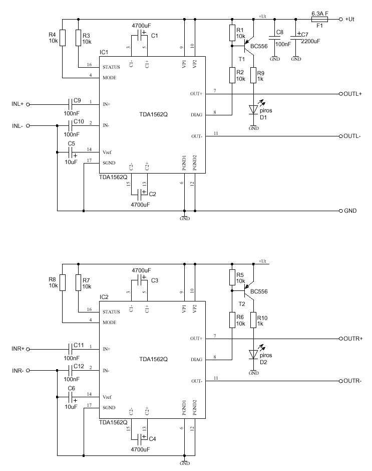
Ha a mellékelt erősítőre gonolsz akkor énis kíváncsi lennék a véleményekre mert jövőhéten fogom megcsinálni sztereo kivitelben. Szerintetek elég a sztereo kivitelnek összesen 5 Amper?
Sziasztok egy off kérdésem lenne , most az agyam épp azt mondta tudáshiánya van , és esetleg nem tudtok olyan oldalt ahol bontott hifik erősítők vannak képekkel javítási ,specifikációs stb... információkkal . Előre is köszi
40 V-on 5A = 200W elégnek kell ,hogy legyen. De nem okoskodok tovább ,ha elolvasod amit felraktál láthatod leírásban "minimum 2A " az a plussz 1A (stereo változatnál) 40W tartalék a két csatornának.
Idézet: „És szerintetek a TDA2030-as erősitő megspékelve két tranyóval tehát 50W, annak jó a hangja?” Udv, Nem ajanlom a taparamvezerelt erositoket, igy TDA2030+vegtranyokat sem. Sokkal jobban jarnal egy TDA 7294-el. Megfelelo tapegyseggel elkszitve jo hangminoseget nyujt, konnyu elkesziteni es nem draga. Jo hutes kell neki es akkor nem lesz gond a 4ohmos hangsugarzok meghajtasaval sem. Raadasul van rovidzar es tulmelegedes elleni vedelem benne + mute funkcio. Ha nincs sok gyakorlatod erosito epitesben es/vagy nincs megfelelo muszerezettseged diszkret tarnzisztoros erositok epitesehez akkor mindenkepp ezt ajanlanam.
Akkor még sincs akkora baj a fülemmel (persze ezt tudtam eddig is). Melyik hiraga viszi nálad a pálmát a 8W-os?
Vf3-at még nem halgattam, majd átmodolok egy kettest.
Nekem mindkettő más kalibert képvisel mint az összes eddig megépített végfokom. Ha azokat kapcsolom be, akkor mintha mást, máshol, és máson hallgatnák. Az egy más dimenzió túlzással.
137 oldalból eddig 27-et elolvastam holnap jön a többi.
Már annyi véleményt és kapcsolást láttam a 27 oldal alatt hogy fejből összetudnék rakni egy erősítőt TDA 2030-al
Hello!
Szeretnék építeni egy asszimetrikus tápról végfokot és előerősítőt . Van egy TDA7385 ös ic-m és ehhez szeretnék még 1 sztereo vagy két mono végfokot attól függ mit javasoltok egy centerhez és a mélyhez kellene 12v-ról működne. Milyen előerősítőt ajánlotok és végfokot vagy még talán hangszín szabályzót? Segítségeteket előre is köszönöm! Üdv.: Dani
Nálam bevált tda 1554q-hozBővebben: Link
Milyen teljesítményű a tápod és mekkora teljesítményű erősítőt szeretnél? a tda 1554q és 1558q bekötése megegyezik!
Hát a TDA7385 kb. 4 x 10 wattot ad le szerintem egy 2 x 20 watt elég lenne vagy a centernek lehet hogy 15 is a mélynek egy 20-30 watt ennél nem kell több . A trafó 250VA -es.
A 1554q hangereje már elég szép ,de ha a mélyládának többet akarsz adni van egy (mondjuk több is) nem túl olcsó megoldás. Tda1562
Vagy van olyan tranzisztoros vagy fetes ami mükődik asszimetrikus tápról és 12v- ról vagy csak az ic-k működnek erről a tápról?
A TDA 1562 egy különleges H-osztályú végfok kialakítás 12V-ról minél nagyobb teljesítmény
"55 W (THD = 0.5%)" kivételére tervezték! Tranzisztorral 12v-ról ezt szimulálni nem csak nehéz de értelmetlen is lenne. A TDA-ban a 2db. + 4700µF elkó alkotja ezt a Lift Supply áramkört, minőségre lehet verenyezni vele tranzisztorral kisebb teljesítménnyel. De szolgáltatásaival nem, hőmegfutás, rövidzár, koppanás , védelmek + diagnosztika kimenet!
Sziasztok!
Végre sikerült megcsinálnom a TDA7250 végfokomat. Az mitől lehet hogy az egyik oldalon a 0,01VDC-t mértem a másikon oldalon pedig 0,13VDC-t? Védelem nem old még le. Csak kíváncsi vagyok hogy ez mitől lehet. Mostanában áll össze az egész mert ez egy 2.1 rendszer lesz. Kipróbáláskor hallottam a hangszórókból sistergést. Amikor a szűrőt bekötöttem akkor a mély hangszóró is búgott kicsit. Ez esetleg megszűnhet ha árnyékolt kábeleket használok? Mert most próba miatt nem akartam összevagdalni a vezetéket. Majd dobozoláskor úgyis mindent a lehető legrövidebbre vágok. Választ előre köszi.
Sziasztok!
Mostanában szeretnék építeni egy sztereo erősítőt TDA2030A-val és kíváncsi lennék hogy maximum hány cm-re lehet kivezetni a nyáktól a hűtőbordáig az IC-t? 15 cm-re gondoltam de lehet ez kicsit sok ezért inkább megkérdezlek titeket
Ja(h) szeritnem az árnyékolt kábel segíthet a dolgon egy kicsit.
De még fölrhurok jelenség is lehet. Nálam, mikor bedugom a 220ba az erősítőt elkezd búgni a kivjelző is felmegy félig és lassan egyenletesen megszűnik. Mikor bekapcsolom a kompit megint bug de már telyesen felmegy e livjelző is aztán az is megszűnik. Ha csak igy simán bevan kapcsolva minden akkor hallom az éleshagota hangszóróból, szerintem a kompi tápját. Ha a kompi kivan kapcsolva akkor is van egy halk mély búgás, ezért mindig az egyik erősítőt kihuzom és megszűnik. Szerintem próbálgatni kell, mert nekem csak attól, hogy 30cm el áthelyestem az egyik végfokomat (a szekrényen) már ettől is máshogy viselkedett...
Ha ventillátort raknék egy erősítőbe (vagy bármely más eszközbe), úgy oldanám meg, hogy csak akkor forogjon, ha tényleg szükséges. Szobai hangerőn egy AB osztályú végfok alig termel hőt, úgyhogy olyankor csak fölöslegesen zörögne a ventillátor. Néhány alkatrésszel egyszerűen megoldható, hogy csak egy bizonyos hőmérséklet fölött kapcsoljon be az aktív hűtés.
SZia egyszer csináld meg a nyákot ,űltesd be az alkatrészeket ,és aztán a hűtöborda, 15cm elfér az egész cuc sok sikert.
Igen, és nem. Miért akarod erről a pofátlanul egyszerűre sikerült erősítőről a kivezérelhetőséget biztosító, és az egyenáramú szintet, valamint az érzékenységet beállító elemeket elhagyni?
Csak 1 kérdés volt, ha nem szabad akkor nem hagyom el. Kösz a választ. Mekkora lehet ennek az erősítőnek a torzítása kb. max terhelésen? Azért kérdeztem mert megépítettem 1 másik kapcsolást és abban nincsenek benne a bekarikázott részek, és szépen szól csak a hangerő 3/4 -étől már torzít. A hangfalaim 4 ohm -sak. A mellékelt kapcsolásban vannak emitter ellenállások az előzőbe nem kell?
sziasztok.
építettem egy egyszerű erősítőt LA4597-es ic-vel, az itthoni hulladék alkatrészek hasznosítása kép. Az erősítő működik szépen de gondom van gerjedéssel. Szóval ha nincs rákötve semmi akkor zúg, minél hosszabb a bemeneti kábel annál jobban. (szigetelt kábelek.) Továbbá ezt pc-n szeretném használni, igy rákötöttem és valami borzasztóan tud zúgni. ( veszetéknélküli billentyűm van ez is belerecseg amikor pötyögök. ) és a legrosszabb pc-vel hajtva meg nagyon nagy az erősítőbe jövő bemeneti jel. (Pc-n a mastert 1-es en van csak igy lehet használni.) Szóval ha valamit tudnátok segíteni a zúgás megszűntettésére és a bemeneti jel csökenttésére kérem segítsen. Ha esetleg rossz topik-ba írtam bocsi!
Próbáld meg:
A bemenet elé rakj egy 10k potit és egy 10k trimert. A trimert egyszerűen a jel és a poti jobb lába közé a poti középső lábát a bemenetre a bal oldali lábát pedig a földre. Feltekered max ra és a trimert addig próbálgatod, míg az erősítő már nem torzít, de még kiadja a megfelelő hangerőt. Így ezek után csökkennie kell a búgásnak is és a hangerőt is tudod szabályozni és ha max-ra feltekered akkor sem lesz túl nagy a jel. Ezt mind a 2 oldalnál megkell csinálnod. Célszerű, ha sztereó potmétert vásárolsz. Üdv.
Megelőztek de a probléma a bemeneti jelszinted illesztése, nincs beállítva és a a trimmer-el a max. bemenetet a normál potméterrel azon belül a jelerősséget állítva rendbe fog jönni.
Sziasztok!
Egyből bocsánatkéréssel kezdeném, mert kicsit off-topic lesz a kérdésem, de mivel nem találtam pont megfelelő témát, és úgy gondolom, itt gyorsan fogok kapni hozzáértő segítséget, ezért itt kérdeznék. Tehát a problémám: számítógéphez kéne nekem egy egyszerű sztereo erősítő, minimális költséggel. Néztem már gyári cuccokat, de azokon mindenféle be- és kimenet van, meg hangszín potik, stb., amire nekem egyáltalán nem lenne szükségem. Csak egy hangerő poti kéne rá. Még sajna hangfalam sincs, de elképzelhető, hogy hozzájutok baráti áron egy szép pár Videoton DC 2550-hez. Ez lenne a max teljesítmény amiben gondolkozom, bőven elég lenne ennek a fele is, mivel szobában akarok csak zajt kelteni, csak annyi pénzért nincs szívem otthagyni a kicsikéket A kérdésem pedig: mennyibe fájna egy ilyen, és anyagár+valamennyi profit fejében lenne-e kedve valakinek összedobni nekem, mivel jómagam nem vagyok egy szakértő, kábelforrasztgatásnál megáll a tudomány, de forrasztópákám sincs, szóval meg vagyok lőve. Ti meg itt úgyis építők vagytok, talán van benne valami kihívás is. Remélem akad egy jótevőm, sőt, ha Pécsről, vagy Baranyából, esetleg Somogyból jelentkezne valaki, az már szinte túl sok lenne a jóból, remélni sem merem
Hi Imi65!
Csak az érdekesség és az okulás miatt kérdezem. Azt a 33 kOhmot nem kellene közvetlenül a földre kötni? DC-be minden rendbe, de mi a helyzet AC-be? A teljes kimenő jelet 1 az 1-be visszacsatoljuk a bemenő tranyó bázisára. Mennyi itt az AC erősítés? |
Bejelentkezés
Hirdetés |




Már annyi véleményt és kapcsolást láttam a 27 oldal alatt hogy fejből összetudnék rakni egy erősítőt TDA 2030-al










