Fórum témák

» Több friss téma
Fórum » Multiméter problémák
 
Témaindító: lgyk, idő: Szept 5, 2006
Témakörök:
Lapozás: OK   13 / 79
(#) Szikra Lacika válasza mugab hozzászólására (») Máj 22, 2010 /
 
Az elem új a kapcsoló jó így az utolsó maradt. De nem találok benne semmi elfüstölt alkatrészt.
(#) Szikra Lacika válasza Szikra Lacika hozzászólására (») Máj 22, 2010 /
 
Jobban belenéztem és láttam hogy egy kis drót darab került bele. Kivettem és már a szakadásvizsgálat jó benne tehát sípol. Lehet hogy a kijelző halt meg vagy nem érintkezik?
(#) hg5azr hozzászólása Máj 23, 2010 /
 
Sziasztok.Mawxell MX-25201-el lehet 100pf alatti kondit megmérni,hogy ki is jelezze pontosan?
(#) Alex2 válasza hg5azr hozzászólására (») Máj 23, 2010 /
 
Mi a legkisebb méréshatára? Ha 200 pF, akkor 1 pF-ot is kijelez, bár a pontossága ebben a tartományban rossz lesz.
(#) hg5azr válasza Alex2 hozzászólására (») Máj 24, 2010 /
 
20nF a legkisebb méréshatár,leírás szerint 1pF a felbontás.
(#) Alex2 válasza hg5azr hozzászólására (») Máj 24, 2010 /
 
20 nF esetén 10 pF a legkisebb kijelezhető érték, ha 3,5 digites a műszer. De az utolsó jegy már nem szokott pontos lenni ezeken a cuccokon.
(#) hg5azr válasza Alex2 hozzászólására (») Máj 24, 2010 /
 
Én is így gondoltam,tehát 15pf-nál 0.015 helyett csak 0.02-t ír ki.A DT-9205B viszont kiirja rendesen,van rajta 2nF állás,pedig kinai a cucc.
(#) B.I hozzászólása Máj 24, 2010 /
 
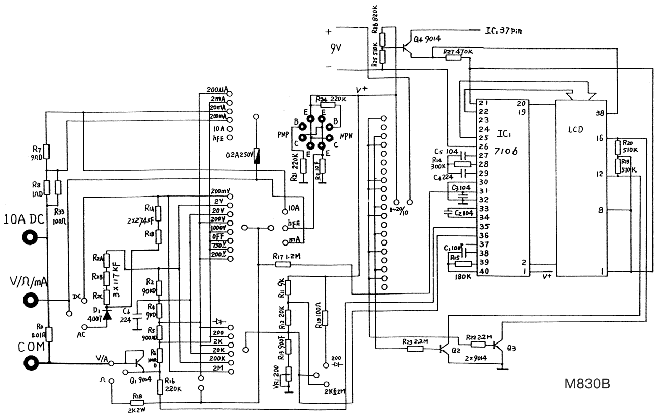
Sziasztok. van egy DT-830B tipusu multiméterem amit nem olyan régen elejtettem és azóta nem mér ellenállást. Szedtem szét de semmit nem találtam hogy mi baja lenne. Kérlek segitsetek.
(#) Ninoo válasza B.I hozzászólására (») Máj 25, 2010 /
 
hy!
Na most már méricskélhetsz...
hegusp
(#) fulcsii válasza Ninoo hozzászólására (») Máj 25, 2010 /
 
Hájj!

Jók ezek a műszerek, lapos elemet mérni, meg még autót javítani, de 220V és a 380V mérése kissé veszélyes!
Én valamit nagyon hiányolok belőlük!
(#) Ninoo válasza fulcsii hozzászólására (») Máj 25, 2010 /
 
hy!
Ugyan mit hiányolsz?Egyébként az alábbi doc-ot olvastam, ha erre gondolsz, de szerintem azok kifejezetten gagyi, hamisított cuccokra vonatkoznak.Én csak a rajzot adtam, a döntés mindenkinek a sajátja, hogy milyen műszert használ.
hegusp
(#) B.I válasza Ninoo hozzászólására (») Máj 25, 2010 /
 
Köszönöm a választ majd átrágom magam rajta.
(#) fulcsii válasza Ninoo hozzászólására (») Máj 25, 2010 /
 
Hájj!

Mondjuk egy biztosítékot!

Tudod akkor döbbentem meg, mikor a mérőzsinór eltűnt a kezemből!

És jó mérésben, jó méréshatárban volt a műszer!
(#) szabopeteke válasza Ninoo hozzászólására (») Máj 26, 2010 /
 
Köszi, ez fontos infó...
(#) Ninoo válasza fulcsii hozzászólására (») Máj 26, 2010 /
 
hy!
Ezért tettem fel a veszélyes termék nevű doksit. Én a helyedben kapásból kidobnám a mérővezetéket, tűz és áramvédelem mellett, védő ruhában átnézem.Tehát FI relé, biztosító kisautomata, védőkesztyű, védő szemüveg, gumiszőnyeg, tűzoltó eszköz.Ettől jobbat nem tudok...vagy kukába vele.
hegusp
(#) dante01 hozzászólása Máj 26, 2010 /
 
sziasztok. mx 25-304-es műszerhez kapcsolási rajza van valakinek? vagy bármilyen maxwell rajza is sok segítség lenne.
(#) fulcsii válasza Ninoo hozzászólására (») Máj 26, 2010 /
 
Viccelődtök, viccelődtök!
De sajnos nekem kolégám égett meg ilyen cucc miatt!
(#) csabee hozzászólása Máj 31, 2010 /
 
Üdv Mindenkinek!
Nekem is egy MX-25 304 műszerem van és én is kapcsit keresek hozzá vagy segítséget valakitől, hogy megtudjam javítani...
Kondit akartam mérni és nem jól sütöttem ki és elszált benne valami! Nem csinál mást csak halhatóan sípol meg kiírkálvalamit de az biztos, hogy nem jót...
Segítséget köszönöm...
(#) nagy hoho hozzászólása Máj 31, 2010 /
 
A multimmal 230 Volt váltót mértem ohm mérésben. Ezt füsttel honorálta. Első ránézésre a néhány helyen a nyákról eltűntek a vezető sávok. Foglalkozik valaki ilyen műszer javításával?
(#) nagy hoho válasza Massawa hozzászólására (») Máj 31, 2010 /
 
Köszönöm, megpróbálom. Az is megoldás lenne ha volna valakinek egy ilyen műszer eladó.
(#) nagy hoho válasza Massawa hozzászólására (») Máj 31, 2010 /
 
Ment pü.
(#) Ninoo válasza fulcsii hozzászólására (») Jún 1, 2010 /
 
hy!
A kedvedért újra leírom:
Idézet:
„a döntés mindenkinek a sajátja, hogy milyen műszert használ”
.Senki nem viccelődik.Itt a másik iromány is:
Idézet:
„Ezért tettem fel a veszélyes termék nevű doksit. Én a helyedben kapásból kidobnám a mérővezetéket, tűz és áramvédelem mellett, védő ruhában átnézem.Tehát FI relé, biztosító kisautomata, védőkesztyű, védő szemüveg, gumiszőnyeg, tűzoltó eszköz.Ettől jobbat nem tudok...vagy kukába vele”
.Na ezt meg nem értem:
Idézet:
„Tudod akkor döbbentem meg, mikor a mérőzsinór eltűnt a kezemből!”
és:
Idézet:
„De sajnos nekem kolégám égett meg ilyen cucc miatt!”
. Na most akkor te vagy a kollégád égett meg?Tanulság, csak jó drága műszert vegyél!(Az is füstölhet.)
hegusp
(#) szabopeteke válasza Ninoo hozzászólására (») Jún 1, 2010 /
 
Vannak ilyen ...pl."Tecsó gazdaságos" cuccok forgalomban....nekem is volt ilyenem, hál'istennek nem égett, nem füstölt, csak nem reagált, ha mértem vele...pár hónapot használtam, anno, kb. 10 éve...a mérővezeték szétesett a kezemben, de úgy pottyant, hogy nem rám, így nem csapott meg...az óta mereven tartom magam ahhoz, hogy gagyi szar műszert nem veszek...Nem bír sokat, és javítani sem érdemes...itt a DT 830 és társaira gondolok...Max törpefeszültségre, elég ritka használat esetén lehet elfogadható
(#) fulcsii válasza Ninoo hozzászólására (») Jún 1, 2010 /
 
Szóval!

Nekem csak felrobbant a mérőzsinór a kezemben, én nem égtem meg, de a kolégám igen, mert neki a műszer durrant, szét ment millió darabra. Ezek tényleg veszélyesek és tényleg nincsen bennük biztosíték!
A komoly cuccokban 2 is. Egyik az árammérésben és egy a V/Ohm-ban!
(#) fulcsii válasza szabopeteke hozzászólására (») Jún 1, 2010 /
 
Köszi, hogy megerősítesz!
(#) Ninoo válasza fulcsii hozzászólására (») Jún 2, 2010 /
 
hy!
Hát nem értitek? Van akinek ilyen műszerre telik,és mostmár azt is tudja, hogy mit kockáztat.Nem a DT830-cal van baj, hanem azzal, amit ilyen néven hamisítanak.Ha meg rajzot kér, akkor segíteni kell.Egyébként az a bizti ami a feszültségmérő ágban van, annak semmi értelme. Ha tényleg van. Ott nagyon kis áram folyik,hiszen feszültséget vagy ellenállást mérünk nagy belső ellenállás mellett. Túl feszültség ellen meg nem véd.
hegusp
(#) fulcsii válasza Ninoo hozzászólására (») Jún 3, 2010 / 1
 
Hájj!

Lehet hogy annak nem sok értelme van, ha jó a műszer!

Végül is, ha a lakásban nincs zárlat, vagy nem terheled túl a vezetéket akkor ott sincsen értelme a biztinek!

De ha lesz zárlat, vagy túlterhelés?

Öreg gondolkodj. Egyébként is csak a veszélyekre hívtuk fel a figyelmet! És nem kell fikázni ezért a másik embert!

Sajnos tényleg sok embernek csak ilyenre tellik! Én ezt nagyon sajnálatraméltónak tartom!

Ennyi! Sőt ha tudnék neki segíteni, nagyon szívesen meg is tenném!

üdv. Fulcsii!
(#) Ninoo válasza fulcsii hozzászólására (») Jún 3, 2010 /
 
hy!
Én pont ezt teszem, segítek! Ha már így kiéleződött a vita köztünk, véleményeket kérek másoktól.Feszültséget mérsz, (vagy ellenállást), ott hogyan terheled túl a műszert? Na erre kíváncsi vagyok, de szerintem más is.Kicsit nézz már utána, mielőtt "öreg"-eznél.Ez a fórum nem az arcoskodásért van.
hegusp
(#) fulcsii válasza Ninoo hozzászólására (») Jún 3, 2010 /
 
Remélem neked nem lesz ilyen élményed soha!

És nem vagyok hajlandó veled erről vitázni!
(#) csabee válasza csabee hozzászólására (») Jún 3, 2010 /
 
Üdv!
Senki nem tud nekem segíteni? [quote]Üdv Mindenkinek!
Nekem is egy MX-25 304 műszerem van és én is kapcsit keresek hozzá vagy segítséget valakitől, hogy megtudjam javítani...
Kondit akartam mérni és nem jól sütöttem ki és elszált benne valami! Nem csinál mást csak halhatóan sípol meg kiírkálvalamit de az biztos, hogy nem jót...
Segítséget köszönöm...
Következő: »»   13 / 79
Bejelentkezés

Belépés

Hirdetés
XDT.hu
Az oldalon sütiket használunk a helyes működéshez. Bővebb információt az adatvédelmi szabályzatban olvashatsz. Megértettem