Fórum témák
» Több friss téma |
Mielőtt kérdezel, a következő két dolgot ellenőrizd!
I. A helyes tápfeszültségek megléte.
II. A kimeneten van-e egyenfeszültség.
Élesztés.
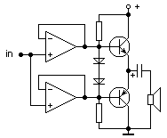
Helló mindenkinek. Találtam egy hangerőszabályzó kapcsolást amihez egyáltalán nem tudtam találni IC-ket. Linkelem a kapcsolást (az oldal alján van a kapcsolási rajz). Meg kérnék róla véleményeket hogy milyen is lehet ez a cucc. Köszönöm
Kipróbáltam 4ohm terheléssel, illetve a bemenetet lefogva 47k-val, és így nagyon hamar betorzít... a csudába.
Te mostanában mivel kísérletezel ? Van valami titkos favorit ? Ez a diamond buffer már régen piszkálja a fantáziámat, de még a gyakorlatban nem próbáltam ki.
Na így már jobb. Meg kéne építeni...
Megcsináltam monóban, elég furi. 180mA nyugalmival +-17V-tal még mindíg van egy kis torzítása, nem jó... nem értem én ezt... lehet maradok inkább a diódásnál, az bevált.
A következő lenne a kérdésem. Kaptam egy Siemens RV150 típusú erősítőt. Amint bekapcsolom felvillan minden kijelzés de kiver két biztosítékot, és vége.
Szerintetek mi lehet a baj? A forrasztási oldalon nem láttam zárlatra utaló hibát. Az egyenirányító diódáinak a lábai eléggé feketék lehet hogy azokkal lenne a baj. A két nagy kondenzátor teteje enyhén púpos. Előre is köszi.Kép_1 Kép_2
Hali!
A csak a középső kettőT3,15-ös biztiket csapja ki? Próbáld ki úgy is, hogy a két szélső biztit kiveszed (hacsak nem a hangkimenet biztosítékai) és a középső kettőt beleteszed, majd bekapcsolod. Ha így is elszállnak a biztik, akkor erős a gyanú hogy a kondik, vagy a diódák a rosszak, ha viszont nem égnének ki, akkor máris a végfokra terelődött a gyanú... A púpos elkókat mindenképpen ki kéne cserélni. Jobban megnézve úgy tűnik, hogy a szélsők a kimenet biztijei. Ha így van, akkor ki kell mérni a tápegység részt, hogy nincs e zárlat, kondik jók e, stb. Ha a tápnál minden oké, akkor sajna a végfok lesz a hibás. Érdemes lenne áramkorláttal indítani a javítást követő próba után.
Helló. Köszönöm. Sajnos erre számítottam. Megpróbálok rendelni "mintapéldányt"
Még egyszer köszönöm.
Ha digitális potméter kell vannak 150 - 300 ft közötti árfekvésben is.Bővebben: LinkBővebben: LinkBővebben: Link
Na helló, most értem csak haza, most próbáltam ki amit mondtál, és igen úgyis kiveri a biztosítékokat ha a végfok felőlieket kiveszem.
Akkor műszerrel kell megkeresned a hibát. Még talán reménykedhetsz benne, hogy a táp a hibás és nem a fégfok. Méréssel ellenőrizd a diódákat és a puffereket. Ha a táp hibátlan, akkor sajnos valamelyik, (vagy mindkettő) végfok ícé lesz a ludas, hacsak nincs valami egyéb zárlat a tápágakon.
És ez így működik, vagy mindenképp kell egy-egy kondi az ic-k és a tranyók közé ?
A műveleti erősítőknek kettős tápfeszültség kell ennél a kialakításnál.
Az nem probléma, de az nem okoz gondot hogy a két ic kimenetére két különböző dc szint kerül ?
De, probléma. Kondenzátoros elválasztás kellene.
Nem kerül. A két dióda, mintha ott sem lenne, mindkét OPA buffer kimenete a bemenetet fogja tükrözni. Ennek így semmi értelme.
Ja, persze azt elfelejtettem, hogy értelme az tényleg nincs. Miért nem csinálsz egy normálisan kivezérelhető erősítőt? Az ilyen minimálkoncepció nem nyerő.
És vajon mi lenne, ha a két bázisellenállást áramgenerátorra cserélnéd a korábbi kapcsolásodban? Valahogy úgy, ahogy a mellékletben felvázoltam. (Nem szimuláltam, nem is építettem meg, csak elméletben rajzoltam le.)
Udv!
Ez a ket muveleti erositos dolog szerintem zsakutca. En tovabbra is azt javaslom, hogy adjal fel picit a minimal koncepcio elvedbol, mert igy mindig valamifele problemakba fogsz utkozni. Nem sokkal bonyolultabb a Texas erosito 1db muveleti erositovel + 5 tranzisztorral es nehany kiegeszito alkatresszel megis jobb minoseggel, nagyobb teljesitmennyel rendelkezik. ITT van az altalam piciket modositott erosito rajza es 2 meresi eredemenye + 1 kep a deszkamodellrol. Legalabb egy ilyen erositot epits meg egyszer ...
A jobboldali alatt a tápvezeték, a baloldali alatt egy 22k-os.
Találtam ilyet egy levelezésünkbe: "....a kereszt kötésekbe tegyél be egy-egy 3,3 Ω-ot, különben fennakad a kimenet klipp után. Ennek az oka az, hogy ha klippel az erősítő, akkor megszűnik invertálni és pozitívba fordul a vcs."
Ezt pontosan hova is tegyem? A TL IC-k számára nem kéne stabalizálni a feszültséget legalább egy-egy zenerrel+kondival? Nem baj, hogy mászkál majd a feszültség a terhelés függvényében? A kimenetnél is van némi amatőr kérdésem: az R5 az ugye maga a hangszóró? Így a VF1 ugye értelmetlen. Vagy a VF1+GND a hangszóró? Mondjuk ez utóbb érdekes lenne, mert akkor az egyik IC csak egy ellenálláson keresztül dolgozik a hangszóróra, míg a másik meg anélkül. És végül ugye a szimmetrikus tápellátás is megfelelő, nem feltétlen szükséges a dupla szimmetrikus táp egy mono blokkhoz? Abból gondolom, hogy az OPA-knál így működik, a teljesítmény részénél meg már külön táplálást kapott.
A 3,3 ohm-ok nőttek meg 15 -ohm-ra a biztonság kedvéért. Nem kell két pluszminuszos táp, lehet nyugodtan csak egy. R5 helyére megy a hangszóró, VF1 csak a szimuláció miatt kellett.
Nem szükséges egyáltalán a stabil táp, szerintem rontja a hangot, dehát ízlések, tudod. |
Bejelentkezés
Hirdetés |





Szerintetek mi lehet a baj? A forrasztási oldalon nem láttam zárlatra utaló hibát. Az egyenirányító diódáinak a lábai eléggé feketék
lehet hogy azokkal lenne a baj. A két nagy kondenzátor teteje enyhén púpos. Előre is köszi.
Majd jelentkezek a fejleményekkel. Köszi. 

