Fórum témák

» Több friss téma
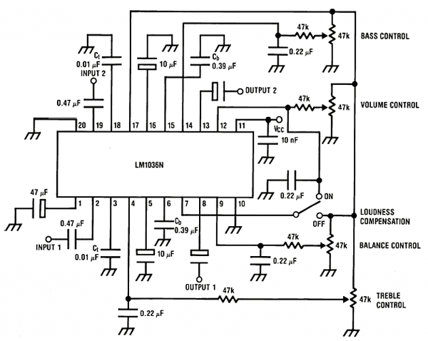
Fórum » LM1036 sztereo hangszínszabályzó áramkör
Lapozás: OK   28 / 91
(#) janimester válasza storm hozzászólására (») Jún 10, 2010 /
 
Oké azon ne múljon ,de ezen téma kapcsolása alapján készült és elsőre ment . Most kiszedtem a potikat hogy lecsökkentsem a hiba okának körét. De szerintem tuti zárlatos lett mert miást tápfeszt kap forrósodik.Most ha lesz pénzem vehetek másikat közel 1000Ft ért
(#) storm válasza janimester hozzászólására (») Jún 11, 2010 /
 
Nézd meg a diódahidat hogy jól működik-e? Aztán köss az áramkörrel sorosan 1 árammérőt és nézd meg mennyit vesz fel. Ez szerintem nem haladhatja meg a 100mA-t.

Helyesírás 1-es. Hozd ki az ellenőrződet! --vicsys
(#) titi válasza janimester hozzászólására (») Jún 11, 2010 /
 
Hali!
Korábban azt írtad, hogy külön működött, csak beépítve a végfokhoz nem. Nem lehet, hogy valami nem jól van bekötve? Mert hiába cseréled ki az IC-t, ha az új is ugyanígy jár.
Tehát előbb ki kellene deríteni a hiba okát.
Esetleg dobhatnál egy rajzot, vagy képet a bekötésről, mármint, hogy van bekötve a végfokkal, táppal.
Ja, és miért szimmetrikus tápról járatod az IC-t? Csak simán 12V kell neki. Szóval szerintem itt lesz a bibi.
(#) storm válasza storm hozzászólására (») Jún 11, 2010 /
 
[OFF]A helyesírásom 5-ös szinte majdnem hibátlan de ez egy fórum itt az a lényeg h mások megértsék nem pedig az, hogy minden szót pontasan írjak le
(#) Moderátor hozzászólása storm hozzászólására (») Jún 11, 2010
 
Idézet:
„de ez egy fórum itt az a lényeg h mások megértsék nem pedig az, hogy minden szót pontasan írjak le”

Ez persze egy nagyfokú tévedés. Ez egy szakmai fórum. Az intelligens ember helyesen ír (bárhová), a többieknek meg kötelező! :yes:
(#) janimester válasza titi hozzászólására (») Jún 11, 2010 /
 
Szia , nem arról járatom csak a szimmetrikus táp egyik felét kapja +-10 0 a másik +-10 a ventillátor és kivezérlésmérő áramkörét táplálja. És félreértés ne essék működött a végfokkal csak ha egy dobozban van a két trafó (a végfoké meg hangszíné) akkor iszonyatosan búgott. És megmértem 454 mA vesz fel szerintem vége az icnek.
(#) titi válasza janimester hozzászólására (») Jún 11, 2010 /
 
Akkor a földeléssel nem stimmel valami. Egyébként nem a hangszínszabályozó rajza érdekelt, hanem, hogy miként van összekötve az előfok, a végfok és a táp.
(#) janimester válasza titi hozzászólására (») Jún 11, 2010 /
 
Az előfok szimplán rá van kötve a végfokra egy 3eres vezetékkel a végfokon ugye üzemel az egyik trafó az előfokra meg van kötve egy másik trafó . A bemenet és kimenet GND -i egyesítve voltak egy forrponton .
(#) storm válasza janimester hozzászólására (») Jún 11, 2010 /
 
+-10V szimmetrikusan az 20V asszimetrikusan!
És véleményem szerint ez már sok az IC-nek.
Valószinű..hogyha ilyen tápra kötötted akkor azért halt meg
(#) janimester válasza storm hozzászólására (») Jún 11, 2010 /
 
Te nem érted amit mondok , a trafót úgy tekertem, hogy egyenirányítva 10v 0V 10 V jöjjön ki ! Az egyik 10V és GND-t kapja a hangszín (nem 20v ot meg istentudja) a másik 10V GND-t pedig a ventillátor és a kivezérlésmérő . Remélem most érthetőbben leírtam. Ezt direkt kiszámoltam higy az ic-hez legyen méretezve.
(#) titi válasza janimester hozzászólására (») Jún 11, 2010 /
 
A két táp GND-je össze volt kötve?
(#) janimester válasza titi hozzászólására (») Jún 11, 2010 /
 
Mármint ha a két trafó gnd -jére gondolsz akkor azok nem
.
(#) storm válasza janimester hozzászólására (») Jún 11, 2010 /
 
Szerintem tuti hogy össze van kötve az erősítő és a hangszínszabi GND-je..elvégre ott a stereo kimenet a hangszínszabin ami megy a végfokpanel GND-jére..De ennek mi jelentősége lenne?
(#) storm hozzászólása Jún 11, 2010 /
 
Szerintem inkább tesztelgetés közbe kötöttél el valamit véletlenül Mondjuk a jel bemenetre adtad a tápot (ezt csak példaként mondtam) Mert végülis ha már egyszer működött most meg fél A-t vesz fel akkor tuti h te csináltál vele valamit
(#) titi válasza janimester hozzászólására (») Jún 11, 2010 /
 
Nem a trafókra, hanem egyenirányítás után kérdeztem.
A Hangszínszabályozó bemeneteinél látom, hogy a meleg pont mellett ott a GND, de a kimeneteknél már nincs, ezért felmerült bennem, hogy a kimenetről a végfok felé csak a meleg pontok vannak bekötve, GND pedig nem.
De közben leesett, hogy azt írtad:
Idézet:
„Az előfok szimplán rá van kötve a végfokra egy 3eres vezetékkel”
(#) storm hozzászólása Jún 11, 2010 /
 
Esetleg még azt próbáld meg, hogy kiveszed az IC-t és csak úgy szimplán adsz neki tápfeszt de ne legyen a nyákba! ÉS közbe méred, hogy mekkora áramot vesz fel ha még ígyis sokat akkor sztem sajnos meghalt
Mert attól hogy nem látszik attól még lehet valahol a nyákon zárlat
(#) storm hozzászólása Jún 11, 2010 /
 
Amúgy arra is gondoltam, hogy kinyomtatom a rajzot, aztán szépen kézzel és vonalzóval átrajzolom..dehát az úgy elég érdekes lenne
(#) janimester válasza storm hozzászólására (») Jún 11, 2010 /
 
Nemrossz ötlet de akkor ajánlanám a pauszpapírt (másolopapír) és "tökéletesen" meglátszik a vezetősáv utána a nyákon , majd azt egy minőségi alkoholos filccel áthúzod és jó lessz mehet a kloridba.
(#) storm válasza janimester hozzászólására (») Jún 11, 2010 /
 
Hát ha nyáron nagyon unatkozni fogok valószinű, hogy megcsinálom itthon. Pont van egy suliból szerzett 250W-os 24V-os trafó az jó lesz hozzá
(#) DJ Szabcsa válasza janimester hozzászólására (») Jún 11, 2010 /
 
Ha jól látom ezt a nyáktervet én készítettem. Sajnos az első tervben van egy hiba. Az IC alsó sorában az utolsó lábat a GND-re kell kötni. Felteszem a helyes tervet, láthatod a különbséget, a régi terven az a láb szabadon van.
Ez a helyes terv amit most felteszek!!!
(#) storm válasza DJ Szabcsa hozzászólására (») Jún 11, 2010 /
 
Teszek fel én is 1 kapcsolást. Nem tudom, hogy jó-e de akik idáig átnázték azok jónak találták De megépítve még nem volt
csatoltam

lm1036n.lay
    
(#) storm válasza storm hozzászólására (») Jún 12, 2010 /
 
Tettem hozzá egy előerősítőt, illetve a potikat nem a nyákon kötöm össze hanem légszerelve a helyükön. Mivel feszültség megy rajtuk nem pedig a 'hang szaladgál' rajtuk így szerintem ez a megoldás jobb
A potiknak úgyis csak 1 lábuk megy a nyákra azoknak a helyét forrszem jelöli
(#) janimester válasza DJ Szabcsa hozzászólására (») Jún 12, 2010 /
 
Köszönöm a javítást .
(#) storm válasza (») Jún 12, 2010 /
 
elnézést kérek
(#) storm válasza (Felhasználó 13571) hozzászólására (») Jún 12, 2010 /
 
Elnézést kérek a nagybetűkért de ez ijen 'megszokás' féle a sok msn miatt
(#) storm hozzászólása Jún 12, 2010 /
 
A fentebb csatolt nyákrajzol kinek mi a véleménye?
(#) vicsys válasza storm hozzászólására (») Jún 12, 2010 /
 
Nos, a kapcsoláshoz képest nem tudom. 1-2 apróság:
- Oda van lökve egy 100x160 nyáklap közepére. Minek ennyit pazarolni? Kb. 10mm körben elégséges ráhagyás.
- Hiányoznak az alkatrészek pozíció számai és/vagy alkatrészek feliratai.
- Felesleges szigetek vannak kialakítva- meglátásom szerint.
- Jó néhány vezető sáv brutál vastag. Itt nem fognak ekkora áramok folyni.
- Csomó felesleges furatot találtam.
- Nem látok csatlakozókat. Illene rátervezni bekötési pontokat. Ha vezetékkel kötöd be, hozd össze egy irányba, mert így olyan lesz bekötés után mint egy kidöglött pók.
- Beállíthatod a munkalap nevét is, hogy ráutaló legyen.
- A projekt info sincs kitöltve...
Kb. ennyi.
(#) storm válasza vicsys hozzászólására (») Jún 12, 2010 /
 
Azért van középen, mert oda sikerült persze ha nyomtatásra kerülne akkor a nyák szélére teszem. Az alkatrészeket szerintem ki lehet következtetni, ésa avezetősávok azért olyan vastagok, mert nem tudom hogy hova kell majd fúrni, hogy az alkatrész rendesen illeszkedjen.
Tehát lényegében ez csak egy 'vázlat' ha lehet ijet mondani
(#) janimester hozzászólása Jún 13, 2010 /
 
Sziasztok lenne egy kérdésem , úgy nem tudom megvédeni az áramkört (lm1036) próba előtt mint pl: erősítőkben a primer oldalra kötött izzóval és ha túláram folyik akkor az izzó világít és nem lesz baja a cuccnak . Mert sokba kerül nekem már ez a sok 1000ft-os ic Bocsi ha off a kérdésem ..
(#) DJ Szabcsa válasza janimester hozzászólására (») Jún 13, 2010 /
 
Szerintem ez itt is alkalmazható minden gond nélkül.
Következő: »»   28 / 91
Bejelentkezés

Belépés

Hirdetés
XDT.hu
Az oldalon sütiket használunk a helyes működéshez. Bővebb információt az adatvédelmi szabályzatban olvashatsz. Megértettem