Fórum témák
» Több friss téma |
- Ez a felület kizárólag, az elektronikában kezdők kérdéseinek van fenntartva és nem elfelejtve, hogy hobbielektronika a fórumunk!
- Ami tehát azt jelenti, hogy a nagymama bevásárlását nem itt beszéljük meg, ill. ez nem üzenőfal! - Kerülendő az olyan kérdés, amit egy másik meglévő (több mint 17000 van), témában kellene kitárgyalni! - És végül büntetés terhe mellett kerülendő az MSN és egyéb szleng, a magyar helyesírás mellőzése, beleértve a mondateleji nagybetűket is! Idézet: „Tehát elég bele egy 1,5V-os rézkupakos elem” Igen jó bele egy elem. Egy márkás elemnek kicsi a belső ellenállása, és nem folyik ki(ez lényeges).
Készen is van és szuperül működik! Még egyszer köszönöm a segítőknek! Nékületek nem ment volna!
Üdv!
Megint én vagyok Szóvaal,most az a kérdés,hogyan lehet megsaccolni egy trafó teljesítményét.A vas 4,3cm vastag,10 cm magas és 11cm hosszú.Bemenete 220V-os,kimenete 12 illetve 6 voltos.Köszönettel:Máté.
Jobb lett volna egy kép róla. Ha E-I magos, és jól van megtekerve 160-200VA körül lehet.
Itt vannak a képek:Bővebben: Link
Máté.
Udv ! Van egy kerdesem:24 Led van a Led ek atlagban 3 V ot igenyelnek es 25 mA es amiert nem vagyok biztos a dolgomban hogy kettesevel vannak parhuzamba kotve ! Akkor az mennyi ohm?Ha valaki turelmesen, reszletesen elmagyarazna hogyan kapja a megadott erteket nagyon halas lennek ! Udv Levi!
Sziasztok. Van egy Skil 9.6V-os aksis fúró(behajtó)m.Az lenne a kérdésem hogy a fordulatszámát meg lehetne e oldani hogy ahogy húzom be a gombját úgy gyorsuljon.???
Mert ez gyárilag nem megoldott.Ha igen milyen kapcsolási rajz kellene hozzá? Meg egyáltalán elférne még benne valahol? Meg gondolom oda olyan potméteres nyomó gomb is kellene (vagy minek nevezik).Köszöntem a segítséget.
sziasztok!
Azt szeretném kérdezni, hogy lehet vezeték nélkül áramot átadni?
Lehet, a legegyszerűbb példa a transzformátor.
A primer, és a szekunder között semmi vezetékes kapcsolat nincs.
http://www.youtube.com/watch?v=sO2-tqoyGik&feature=related ilyet szertnék csinálni
Szia!
Ez nem vezetéknélküli áramátvitelen alapul. Ez egy igencsak vezetékes projekt:Bővebben: Link
Úgy is meg lehet oldani, hogy az akksit nem a fúróhoz csatlakoztatod hanem egy külsö szabályzáshoz ami le tudja szabályozni a feszt mondjuk 3V-ig aztán a szabályzástól megy 2 vezeték a fúróba. Lehet, hogy fura megoldás és ronda de működik
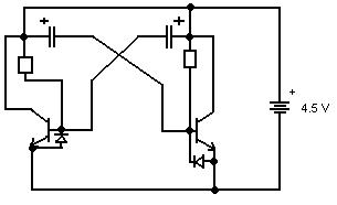
Sziasztok! Ismét egy kérdéssel fordulok hozzátok. A ping pong nevű kapcsolást építettem meg. Egyértelműen nem működik, minden alkatrész jó, és megfelelő, vmi a bekötéssel lehet, de vajon hol? A segítséget előre is köszi.
Az a kapcsolás nagyon nem jó úgy.
Szerintem: Bővebben: Link
Rossz a rajz! Hol vannak a kollektor ellenállások?
Aki nem ismerné a kapcsolást
http://www.hobbielektronika.hu/kapcsolasok/ping-pong_villogo.html Szóval ehhez képest, miben rossz az enyém? Az hogy R5 illetve R6 nincs bent, ennyire elrontaná a kapcsolást?
Nem olvastam ezt a cikket, de ha van egy ilyen készen, akkor miért nem úgy csináltad meg ahogy ott van? Ne csodálkozz, hogy nem működik. Áramkörökbe nem szoktunk felesleges elemeket beletervezni...
A nagyon nem jót kapásból arra írtam, hogy a tranzisztor bekapcsoláskor rövidre zárja a tápot. Szerintem cserélheted is.
Hali,
röviden: szeretnék egy panelt, amin 3 RGB LED van. Ezt egy PIC -l vezérelném. A panelt szeretném első körben vízszintesen pörgetni egy motorral. A gondom az lenne, hogy tudnám megoldani azt, hogy a panelre forgás közben eljuttassam a feszültséget. Első gondolatom az volt, hogy a motor tengelyére rátennék két kommutátort (két egyenáramú motorból) és a hozzá tartozó kefe rendszerrel tudnám levenni a feszt. Ennél van valakinek jobb ötlete? Valaki találkozott már ilyen problémával? Hogy oldotta meg? Üdv.
Induktív módon, ahogy annó a videomagnók forgó fejegységéről levették a jelet. Talán még egy ilyen bontott egységből ki is lehetne alakítani motorostól, mindenestől.
De ha maradsz a kefés megoldásnál, akkor neked nem kommutátor kell, hanem csúszógyűrű, kettő darab.
Köszi a hozzászólást,igen egy kissé ronda lenne így.(úgyhogy erről így inkább lemaradok-esetleg valami más ami belül elfér),Gondolom esetleg a fúró kapcsolója kellene potméteres legyen,amikor húzom a gombot minél beljebb annál jobban kapja az áramot és ezáltal jobban forogna ugye? Máris szétszedem és megnézem a belsejét.
Sziasztok!
Az érdekelne, hogy vannak-e olyan PIC-ek, amiket nem kell programozni, alapból tartalmaznak valamilyen programot? Köszi!
Nincsenek ilyenek, az összes PIC-et programozni kell.
Pár éve én is feltettem hasonló kérdést, lövésem se volt mi az a PIC. Hogy kicsit eloszlassam a ködöket. Minden PIC úgy működik, hogy fel kell programozni, ezáltal elég sokrétű felhasználást tesz lehetővé, a PIC önmagában nem csinál semmit, ezért kell egy programozó (manapság pickit2 legalább) és kell bele egy program, amit vagy te , vagy más ír meg, hogy a pic az adott áramkörbe illeszkedjen. Magyarul itt te mondhatod meg, hogy mikor mit csináljon a PIC.
Az AVR lényegét tekintve ugyanez, csak más a programnyelv, olyan mint a Pepsi meg a Coca.
Szia, köszönöm a választ, van bent igazság, hogy felesleges elemeket nem építenek be az áramkörbe.
Kár, hogy sok információt kell még összeszednem az ellenállás, feszültség és áram kiszámításához. Mert ellenállást tudok számolni, hogy hogyan oszt feszültséget, vagy hogy az áram hogyan osztódik párhuzamos kapcsoláskor, de azt hogy a kondenzátor, tranzisztor, led és stb, miként befolyásolja ezeket, azt még nem értem. :/ Pl.: mekkora egy tranzisztor ellenállása, mert nyílván, hogy kitudjam számolni a rá eső feszültséget, ahhoz tudnom kell ezeket is.. Amúgy a tranzisztorok még jók, kimértem őket. üdv
Szia!
Ez így igaz, de vannak gyárilag felprogramozott PIC-ek, de ezeket kapni nemigen lehet, max. a gyártótól megrendelni. |
Bejelentkezés
Hirdetés |




Szóvaal,most az a kérdés,hogyan lehet megsaccolni egy trafó teljesítményét.A vas 4,3cm vastag,10 cm magas és 11cm hosszú.Bemenete 220V-os,kimenete 12 illetve 6 voltos.

