Fórum témák

» Több friss téma
Fórum » Nagyfeszültség sorkimenő trafóval
 
Témaindító: (Felhasználó 1306), idő: Márc 1, 2006
Témakörök:
Lapozás: OK   32 / 97
(#) Gergő81 válasza kadarist hozzászólására (») Júl 5, 2010 /
 
Bírják azok, csak a telítést nem szabad megközelíteni, de attól az új vasak is melegednek, bár kevésbé.
A régi HAGY vasak közül az M2TN-A, -B, -H már egész jó, az M2000, és az M2T még nagyon veszteségesek.
Használtam már M2TN-H U57-et ellenütemben +- 0,1 T indukcióval 70 kHz-en, és jól érezte magát.
Persze 0,25T fölött 10 kHz-en már nagyon melegszik, de az N87 is utálja a nagy indukciót, bár jobban bírja valamivel.
Egyszerűen a telített vasmagos kapcsolások nem jók. 0,2T fölé ferrittel hülyeség menni.
A hiszterézisveszteség a gerjesztőáram köbével !!! arányos. Ha közeleg a telítés, csökken a permeabilitás, nő a mágnesezőáram, gyorsan nő a hiszterézisveszteség, de már alig nő a fluxus, a rézveszteség nem csökkenthető lényegesen, sőt, a nagyobb szórt fluxusok miatt az örvényáramú rézveszteség növekedni fog. Értelmetlen dolog.
(#) B.I válasza (Felhasználó 13571) hozzászólására (») Júl 5, 2010 /
 
Ma megépítettem az általam kreált kapcsolást, de nem müködött.
A D2, D3 dióda a FET-et védi az induktiv nagyfeszültségtől.
(#) B.I hozzászólása Júl 5, 2010 /
 
Majd holnap megpróbálom ami Hodinka javasolt.
(#) Hodinka válasza B.I hozzászólására (») Júl 5, 2010 /
 
Megpróbálkozhatsz az általam kreált kapcsrajzal is,müködnie kell,bár a hatásfoka lehet borzasztó lesz.
(#) Gergő81 hozzászólása Júl 5, 2010 /
 
Néha az egyszerű a bonyolult, mire működni fog, az sok vacakolás.
Csak rezonáns jellegű kapcsolással érdemes foglalkozni, az legalább működik rendesen, jó hatásfokkal. TDA4605!!!
(#) Gergő81 válasza (Felhasználó 13571) hozzászólására (») Júl 5, 2010 /
 
A FET sokkal egyszerűbben használható mint a bipoláris tranzisztor.

-Nincs másodlagos letörés.
-A túlfeszültséget jól tűri, jelentős áramokat visel el lezárva a test dióda zener módjában.
-Nincs töltéstárolási idő.
-Nincs akkora hőmérsékletfüggés mint a bipolárisoknál.
-A + hőmérsékletfüggés miatt párhuzamosítható emitter- (source)ellenállás nélkül.
-Nincs maradékfeszültség, ohmos a drain-source

A gate-source feszültség felel meg a bipoláris bázis-emitter áramának.
A bipoláris tranzisztor telítési tartományának megfelelő viszonyoknál (nagy gate feszültség, mérsékelt drain-áram) a fet változtatható ellenállás a drain-source között.

A bipoláris aktív tartományának megelelő esetben (kis gate-feszültség, nagyobb drain-source feszültség) a FET is áramgenerátoros jellegű, csak nem áramvezérelt ,hanem feszültségvezérelt áramgenerátor.(ezt a tartományt a FET-eknél elzáródásos tartománynak nevezik.)

A MOSFET felépítése miatt mindig van párhuzamos zener dióda a source és a drain között ez a test-dióda. A fet csatornájának nyitásával ez a ZD MINDKÉT áramirányban közel rövidre zárható.

A gate egyértelműen kapacitív terhelés a vezérlésnek, úgy mint az elektroncsövek rácsa, de gyakran jelentős, több nf-os kapacitással, és (miller) visszahatással a drain felöl, mint a triódáknál.
Néha a gate-soure között van antisoros védő Z-diódapár.
Az NPN nek az N csatornás, a PNP-nek a P csatornás felel meg.
A MOSFET-ek többnyire növekményes tipusúak, 0V gate feszültségen a csatorna nem vezet.
A J fetek kiürítésesek, ezek 0V gate feszültségnél vezető csatornájúak, záróirányú gate feszültséggel zárható a csatorna. A gate itt P-N dióda, üzemszerűen záróirányú előfeszítéssel.

Egy példa az érthetőbb grafikonos forma miatt:

MOS: irf3205z
J: http://www.fairchildsemi.com/ds/J1/J112.pdf
(#) Hodinka válasza Gergő81 hozzászólására (») Júl 5, 2010 /
 
Ejha! te aztán jól beleástad magad a témába.
Idézet:
„Csak rezonáns jellegű kapcsolással érdemes foglalkozni, az legalább működik rendesen, jó hatásfokkal.”

Egyébként ha jobban megnézed a rajzomat,a primerkör itt is rezonáns alapú...
Üdv!
(#) Gergő81 válasza Hodinka hozzászólására (») Júl 6, 2010 /
 
Kétségtelenül rezonáns, ha berezeg. Működik már??
A kikapcsolás kezdete nem tiszta, T1 csak a fet zárása után kap(hatna) bázisáramot?!
Ha mégis működne, a trafó telített üzemű, a fet meghajtása pedig elég gyenge, ami a rezonáns módban persze sokkal kevésbé káros mint kemény kapcsolás esetén. Itt D1-nek a test-dióda is megfelelne.
(#) Hodinka válasza Gergő81 hozzászólására (») Júl 6, 2010 /
 
Idézet:
„Működik már??”

Még nem próbáltam ki mert mostanában van jobb dolgom is mint ilyesmivel foglalkozni,de amint említettem mihelyst lesz egy kis időm feltétlen ki fogom próbálni.
Idézet:
„A kikapcsolás kezdete nem tiszta, T1 csak a fet zárása után kap(hatna) bázisáramot?!”

Nem értem mi nem világos a számodra,a kezdetleges impulzust a FET adja, a zárást pedig a VT1 végzi ugyancsak impulzusszerűen "feetback" üzemmódban,igen a trafó itt telített üzemű,a meghajtás pedig korrigálható az R1 nyitó ellenállás segítségével.
(#) alfa007 hozzászólása Júl 7, 2010 /
 
Itt az én sorkimenőm, semmi tranya, se FET, se ellenállás, se visszacsatolás. Egyszerű, de nagyszerű.
Bővebben: Link
(#) Gergő81 válasza alfa007 hozzászólására (») Júl 8, 2010 /
 
Hát igen...
A kapcsolóüzemű technika így kezdte, és évtizedekig működtek hasonlók pl az elektroncsöves autórádiók ellátására.

Én nagyobb frekvencián meghajtott sorkimenővel már olvasztottam el a kilógó rézdrótot a 25-40mm hosszú stabil ív végén...hamar elolvadt.
(Egyszer az ujjam is csúnyán kilyukadt, és nagyon égett szaga lett, de az szerencsére egyenirányítatlan váltóáram volt, csak égetett, de azt reflexidőn belül, és 2mm mélységig.)
A nagyfrekvenciás nagyfeszültséget, elég egy ponton megközelíteni, kapacitív úton záródik az áramkör, kialakul az ív cm-ekről.
(#) B.I válasza Hodinka hozzászólására (») Júl 8, 2010 /
 
Szia.
Megpróbáltam megépiteni a kapcsolásod de nekem nem akart müködni. De lehet hogy csak én csináltam valamit rosszul.
(#) B.I válasza Hodinka hozzászólására (») Júl 8, 2010 /
 
Szia.
Találtam itthon egy IC-t és hozzá egy kapcsolást, a száma:к174ха11 Bővebben: Link. Ez müködőképes? Ha igen akkor a kimenetet a FET gate-jére kell kötni és egy ellenállással a testre kell huzni a kisütés érdekében? Az IC elbir nagyobb feszt?
(#) pimi9 válasza Hodinka hozzászólására (») Júl 8, 2010 /
 
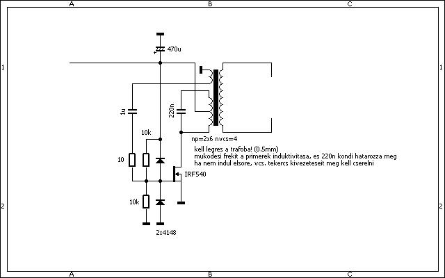
... viszont a primér és C1 által alkotott rezgőkört jelentősen söntöli VD1 ill. a fet diódája, így nem nevezhető rezonánsnak.
A fet bekapcsoláskor rányit a töltetlen C1-re. Mondjuk a 6k8-as ellenálás miatt nagyon lassú a bekapcsolás, a fet fűteni fog mint a fene.

Középmegcsapolásos primér kéne, közép a táp, két szélére a kondi, és egyik szélére a fet drain-je.
A gate hajtását egy soros RC taggal (1u 22 kb.) meg lehetne oldani vcs. tekercsről. Két 4148-al lehet védeni a gate-t. Meg kell még egy felhúzóellenálás a gate-re ami indítja.

ffs.JPG
    
(#) Hodinka válasza B.I hozzászólására (») Júl 9, 2010 /
 
Idézet:
„Megpróbáltam megépiteni a kapcsolásod de nekem nem akart müködni”

Akkor ne foglalkozz vele többet,némi kísérletezésre szorul a dolog,majd én megpróbálkozom vele...
Az IC viszont jó ötlet már az elején is ezzel kellett volna kezdened,a XA11-es egyébként orosz TV-kben népszerű a „Субмодуль”-körben,a sorfrekvencia szinkronizálásánál használatos integrált áramkör.
Idézet:
„...akkor a kimenetet a FET gate-jére kell kötni és egy ellenállással a testre kell huzni a kisütés érdekében?”

Bár az áramerősség itt gyakorlatilag semilyen szerepet nem tölt be,de a jelet mindenképp fel kell erősíteni,ezért szügséged lesz így is előfokra, ez alapján meg is oldhatod egyszerűen,mindössze annyit kell tenned ,hogy az 555-ös osszcillátort egy az egyben behelyettesíted az általad linkelt áramkörrel.
(#) Gergő81 válasza Hodinka hozzászólására (») Júl 9, 2010 /
 
Szia!
Meglepett volna ha működik.
Szerintem még mindig a TDA4605 a legegyszerűbb, bontható, megvehető, erre való.
(#) B.I válasza Hodinka hozzászólására (») Júl 9, 2010 /
 
Az IC-ről eddig még nem tudtam hogy van. A tegnap elkezdtem otthon keresni az IC-k közt hátha találok valamit amivel valmilyen nagyfrekvenciás jelet tudnák előállitani és ezt az IC-t találtam egy NYÁK-on. Szerintem ez a szubmodul. Ezt nem lehetne használni átalakitás nélkül?
(#) Hodinka válasza B.I hozzászólására (») Júl 9, 2010 /
 
Idézet:
„Ezt nem lehetne használni átalakitás nélkül?”

Dehogynem:
Az 1-es(X4) csatlakozóra jön a +12V;
a 6-os”корпус”-ra jön a föld;
a 2-es”С.И.ЗАП”csatlakozó pedig a kimenet(15,625kHz).
a többi kivezetéssel meg ne törődj,illetve még a 3-as”С.И.О.Х.+60V” kivezetést is igénybe lehet venni a freki szinkronizálására,de sz.ntem neked erre nem lesz szügséged.
(#) B.I válasza Hodinka hozzászólására (») Júl 9, 2010 /
 
Köszönöm. Majd ha megcsinálom akkor irok róla hogy milyen lett. És mégegyszer is köszönöm.
(#) Hodinka válasza Gergő81 hozzászólására (») Júl 9, 2010 /
 
Áruld már el végre miért akarsz engem mindenáron meggyőzni azzal a szerencsétlen IC-vel,ha nem vetted volna eddig észre itt épp egy minnél egyszerűbb áramkör kialakítása volt a cél mindenféle IC-k nélkül,különben meg ha épp nekem lesz rá szügségem nyugi nem fogok segítséget kérni,sőt találok jobb alternatívát is ha kell,egyébként meg ha neked annyira bejön,hát istenem akkor te csináld azzal.
(#) B.I válasza Hodinka hozzászólására (») Júl 10, 2010 /
 
Szia.
Ma megcsináltam és nem lett a legjobb. Úgy 1cm ívet húz amit egy 30W-os tranzisztorral is elértem, pedig a FET 150W-os 2sk794. Próbáltam a tranzisztor nélkül is a kapcsolást és még ugy talán nagyobb volt az ív. De a FET mind a kétféleképpen nagyon fűtött.
(#) kadarist válasza B.I hozzászólására (») Júl 10, 2010 /
 
A Watt-különbség akkor számít, ha a tápfeszültséget is növeled. Ohm-törvénye itt is működik.
(#) B.I válasza kadarist hozzászólására (») Júl 10, 2010 /
 
De az a borzasztó, hogy mig a 30W-os tranzisztor alig melegedett addig a FET majdnem lángolt.
(#) kadarist válasza B.I hozzászólására (») Júl 10, 2010 /
 
Rossz a FET vezérlése. Például nem nyit ki teljesen a kis G-S vezérlőfeszültség miatt, vagy lassan nyit-zár.
(#) Hodinka válasza B.I hozzászólására (») Júl 10, 2010 /
 
Gyenge a jel,amiatt csinálja ezt...
Végülis melyik kapcsolás alapján oldottad meg?
(#) pimi9 válasza B.I hozzászólására (») Júl 10, 2010 /
 
Az, hogy hány W-os egy tranzisztor (mennyit képes meghibásodás nélkül disszipálni) csak egy utólagos paraméter, érdemes lett volna ezelött megnézni azt, hogy a mosfeted csatornaellenállása 2.1ohm!!!, a 2sk794 egy nagyfeszültségre tervezett mosfet, neked alkalmatlan.
(#) B.I válasza Hodinka hozzászólására (») Júl 11, 2010 /
 
Úgy oldotta meg hogy az IC-t a NYÁK-ján hagytam és ahogy mondtad úgy kötöttem be. Próbáltam egy tranzisztorral erősiteni a jelet ahogy az 555-ös kapcsolásban mutattad de ugy még rosszabb volt.
(#) B.I válasza pimi9 hozzászólására (») Júl 11, 2010 /
 
De az adatlapjára az van irva hogy max. 5A-t tud kapcsolgatni. Egy 30V-os tápegíségről hajtva az 150W lenne nem?
(#) B.I válasza (Felhasználó 13571) hozzászólására (») Júl 11, 2010 /
 
Ehhez hasonló volt amit a 30W-os tranzisztorral csináltam és nekem is egyből müködött. Ezt a kapcsolást Hodinka rajzolta. Ezt ugy is megcsináltam, hogy két egyforma tranzisztort párhuzamosan kötöttem és ugy is ment, de evvel már olyan 4cm-es ívet sikerült produkálni.
(#) pimi9 válasza B.I hozzászólására (») Júl 11, 2010 /
 
Nem tudod még értelmezni az adatokat
Ha érdekel hogy működik keress google-n leírásokat a mosfet-ről.

A legegyszerűbb sima royer-oszcillátorral hajtani a sorkimenőt, lehet ilyet tranyával, mosfettel csinálni, működik, jó a hatásfoka. (Melléklet)

rfs.JPG
    
Következő: »»   32 / 97
Bejelentkezés

Belépés

Hirdetés
XDT.hu
Az oldalon sütiket használunk a helyes működéshez. Bővebb információt az adatvédelmi szabályzatban olvashatsz. Megértettem