Fórum témák
» Több friss téma |
Valóban a PWM szabályzás a motorhoz jobb lenne.
[off] ( S ha jó a kérdés ( vagy a probléma megfogalmazása, ) akkor jó válaszok is érkeznek. )
Üdv!
Vicsys! Ez a PWM lenne a legjobb megoldás, hallottam már róla, de nem vagyok otthon a témában. Köbzoli! Gondoltam rá mint alternatíva, van is otthon szétbontot ventillátorom, csak ezzel viszont egy problémám van, mégpedig az, hogy a lakókocsiban max inverterrel tudok 230-at csinálni. Bár lehet hogy vetekszik majd a táp ára egy ILDI-s 150wattos inverterével _JANI_! Nekem 12 voltból kellene az 5 volt, mert jelenleg az áll rendelkezésemre. (lakókocsi) Úgy is használható lenne ez ha a trafó kimenete helyett az akksira kötném az elektronikát?
Vagy köss sorba két kisebb 12V-os ventit, és így egyenként fele fordulatszámmal dolgoznak, viszont a légszállításuk akkora lesz, mint egy belassított nagyobbnak.
Persze. A transzformátor és a graetz híd is elhagyható. ( A biztosítóbetét viszont kell! ) Bár ekkor tápfeszültség polaritásra fokozottan ügyelni kell! Valamint a C1 értéke is csökkenthető. ( De épp akár maradhat is. Csak bekapcsolás előtt a nagy kapacitást fel kell tölteni egy izzón keresztül, hogy a nagy áramimpulzust elkerüld. Ezt a kondenzátor és az akkumulátor kímélése miatt kell megtenni. )
Mennyi a motor áramfelvétele 12V-on ( és 5V-on ) ? S a PWM szabályzásra is van egyszerű kapcsolás! PWS 555-tel. ( Bővebben: Link ) De a fórum keresője is sok találatot fog hozni. De itt is hasonló probléma megoldásán fáradoznak. ( Bővebben: Link ) Olvass bele! Hátha sikerül ötletet meríteni az építéshez...
Ez a pwm elég egyszerűnek tűnik, legalábbis így képről.
A 12 voltos rendszerben van egy 1Farad-os autóhifi kondi, arra vannak kötve a nagyobb fogyasztók, Lehet akkor nem is kellene az a C1 egyáltalán. Az áramfelvétele, 12 volton 16amper, 5 volton nem mértem még meg. Köszönöm mindenkinek a segítséget, így már talán elboldogulok vele.
Egy kb: 450µF - 1000µF illene a bemenetre...
Nincsmit!
Üdv!
Csináltam egy nyákot az álltalad linket pwm hez, átnéznéd, vagy valaki hozzáértő, hogy nem e követtem el hibát, vagy, hogy jó lesz e így ebben a formában a nyák?
Köszi szépen, na akkor megépítem
Jó lett
mehet esetleg közös hűtőfelületre a két alkatrész?
Szia!
Néztem az első linken található kapcsolást, rémlett, mintha már megépítettem volna egyszer, és nem működött... (SMD 555-tel légszerelésben ), és most is kellene egy PWM szabályzó nekem (vagyis 4x), ezért tovább kerestem. Találtam többet: Bővebben: Link és Bővebben: Link, és nekem úgy tűnik, mintha a Te linkedben lévőnél a 3-as és 7-es láb nem lenne helyesen bekötve. Szerinted? Melyikkel tervezzem a következő nyákom?Köszi a választ!
Mindkét kapcsolás jó és működőképes.
Ez az 555-ös PWM kapcsolás kevesebb alkatrészből áll, (Bővebben: Li...enet. De ez a láb nyitott kollektoros. Ezért ezt a teljesítmény fokozatnál figyelembe kell venni!!! Ez a másik 555-ös PWM kapcsolás meg a ''hagyományos" bekötése az 55...tezni. Ha nem vagy biztos a kapcsolásban akkor dobd össze próbanyákon és teszteld. De ennek az áramkörnek (Bővebben: Link) a nyákja, szépen és jól meg lett tervezve . (Bővebben: Link). S működnie is kell. Persze sok más PWM-es kapcsolás létezik még. De ez az 555-ös talán a legegyszerűbb és a legkönnyebben utánépíthető!
Köszönöm a gyors választ!
Utánanézek az adatlapban, és a szerint méretezek! Üdv!
Nincs mit![off] Bár lassan kezdjük be OFF-olni a tápegységes témát az 555-ös PWM-es kapcsolásokkal!
Igazad van, bocsánat! Engem a kereső lökött ide
Ha át lesz rakva, ott is meg fogom találni!
Sziasztok! Van 1 kis trafóm 10,5V szekunder feszültséggel olyan 10VA körüli lehet a teljesítménye. Olyan egyenirányított táp kellene hozzá nekem, hogy a feszültség állandó legyen csak az áramerősséget lehessen állítani, és minél egyszerűbb megoldással.
NI-CD vagy NI-MH akkumulátortöltő lesz?
Nem. Sorkimenőt szeretnék meghajtani, csak nem szeretném túlhajtani a trafót. Most áramerősség szabályozás nélkül 0,94A vesz fel a sorkimenő és kb. 10 perc múlva már forró a trafó. Próbáltam már áteresztő tranzisztorral de az a feszültséget is szabályozta. Olyan 0,5-0,6 ampert szeretnék beállítani.
Hello!
Ebben több bibi is van. - Egyenáramról hajtod a sorkimenőt? Biztos nem. Tehát van valami oszcillátor fokozat, miért nem azt szabályzod. - Ha a feszültséget szabályzod, tehát azt csatolod vissza az áteresztő tranyónak, akkor feszültség lesz állandó értékű. - Ha az áramjelet csatolod vissza, akkor az áram lesz állandó értékű. - Szóval itt valami nagyon nem stimmel. Lehet egy rajzot feltettél volna arról amit elkövettél, már lenne megoldás.. - Ha 0,5..0,6A szeretnél beállítani, akkor elég egy 1ohm-os ellenállás, és egy tranyó. Ha az ellenálláson a feszültség meghaladja a tranyó bázis-emitter feszültségét, a kollektorával, leszabályozod az áteresztő tranyót. És már kész is vagy.. üdv! proli007
A legutolsó mondatodról tennél fel légyszi 1 rajzot. Ezt a kapcsolást használom a sorkimenő meghajtásához +14V -ról járatom, szúnyogcsapdát szeretnék csinálni. Ahhoz meg nem kell hogy 3-4cm-es ívet húzzon.
Hello!
Erre a végtelen egyszerű dologra gondoltam. De megpróbálhatod, magát az oszcit is így szabályozni, lehet eredményre vezet az is. (A 2N3055 is jó bele, csak a Tina-ben nem volt. Ja, meg akármilyen NPN kis tranyó...) üdv! proli007
Köszi! De most néztem meg az én rajzomat is, és arra jutottam, hogy ha a bázis ellenállást növelem akkor csökkennie kéne a felvett áramnak. Kipróbálom mind a 2őt.
Kicseréltem az én rajzomon a 20 ohm -os ellenállást egy 4,7k-s potira és szépen tudtam szabályozni 0A tól egészem 3A ig. A te rajzodba a 470 ohm helyére kell rakni a potmétert hogy tudjam szabályozni?
Hello!
Nem! A 470ohm értéke attól függ, hogy a tranyónak legyen elég bázisárama a kollektoráram kihajtásához (Ib=Ic/beta). Ha növeled, csökkenhet az áram, csak akkor már ez nem áramgenerátor, hanem csak egy valami. - Itt az áram értéke, a kis tranyó bázis-emitter küszöbfeszültségétől, és az 1ohm-tól függ. Ezt szabályozni úgy lehet, ha az 1ohm-ot változtatod. (de nem korlátlan mértékben) A bázist is lehet előfeszíteni, hogy ne 600mV-on nyisson, de akkor romlik a hőfokfüggés. (Ez egy egyszerű, működő, de igénytelen kapcsolás. Nem szabad abba a hibába esni, hogy az ember egy-két tranyós kapcsolásból szeretne komoly áramkört készíteni..) üdv! proli007
Köszöm. Ha lesz időm akkor meg fogom építeni.
sziasztok
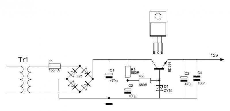
Kérdésem az lenne hogy az alábbi kapcsolás 15 V -ról egy LM1036 megy és szeretnék egy pc 12V-os ventilátort hajtani pluszba és egy piros ledet még. Mivel kell még igy kiegészítenem? A trafóm az 24W-os Egyenirányítás nélkül lead 13V és 17V-ot . Melyiket használjam a kapcsoláshoz ? Köszönöm.
Hali!
Ha a trafó 13V-ot is lead, akkor használd azt, egyenirányítás után az kb. 18V lesz. De miért nem használsz 7815-ös stab IC-t? szerk.: a 7815 lábkiosztását megtalálod az adatlapban, a bemenet és a test közé be raksz egy 100nF-os kerámiakondit, meg a kimenet és a test közé is :yes:
A ventilátornak tegyél egy 7812-os feszültségszabályzó IC-t vagy építsd meg a tápegységed graetzhíd utáni részét még egyszer, csak 12 - 13V -os zénerrel. Azért érdemes másik feszültség szabályzóról üzemeltetni a ventilátort, mert így kevesebb zaj jut az előerősítőbe a tápfeszültségen keresztül. A (D1) zéner cseréjével gyorsan be lehet állítani a kívánt kimeneti feszültséget.
Köszönöm a segítséget !
Maradt az alap kapcsolás az lm1036-nak és a graetzhíd után tettem egy 7812-ös stabilizátort a ventilátornak . A graetzhíd után 100n aztán 7812 és kimenetre 100n kerámia (zenetom) tanácsára. Ez így akkor jó?. Nem lesz zajos? Még a lednek a meghajtása kellene ! köszönöm |
Bejelentkezés
Hirdetés |




)









