Fórum témák

» Több friss téma
Fórum » Fluoreszcens kijelzők (VFD) használata
 
Témaindító: eSDi, idő: Márc 23, 2006
Témakörök:
Lapozás: OK   13 / 52
(#) rockersrac válasza rockersrac hozzászólására (») Ápr 12, 2010 /
 
Bocsánat, nem figyeltem! Feltettem ismét a két képet, ezúttal remélem használható felbontásban! :hide:
(#) eSDi válasza rockersrac hozzászólására (») Ápr 12, 2010 /
 
Üdv!

Ez egy videóból lett kitermelve. A Sharp vezérlőt felejtsd el. Újra programozni már nem lehet. Csak a kijelzőt tudod használni. Kiforrasztod és kiméred a fűtést, az anód rács valószínűleg látszik, hogy hova megy. De 100%, hogy multiplex rendszerű a kijelző. feszültséget kapcsolsz rá az itt leírtaknak megfelelően és a többi lábat próbálgatással tudod megállapítani, hogy mit is csinál.
(#) kocsgab002 hozzászólása Máj 9, 2010 /
 
Sziasztok.
Szereztem egy vfd kijelzőt, a képen látszik, és ezt szeretném életre kelteni. A kivezetéseket megtaláltam, be is rajzolgattam őket. A kérdésem az lenne, hogy milyen fűtést használjak? AC-t vagy DC-t, Ha AC-t akkor nem igazán szeretnék trafót használni...
Mondjuk egy 555-el oldanám meg astabil módban. De hogy lesz az 3 kivezetéses? a másik képen látszik hogy így kell, mert így akkor egyenletes lesz a fényerő, vagy nem lesz szellemképes...nem is tudom..
Tudtok valami megoldást?
köszi, Kocsgab002
(#) Medve válasza kocsgab002 hozzászólására (») Máj 9, 2010 /
 
Szia! AC-t javasolnék, bár a kis kijelzőknél lehetséges a DC fűtés. Kérdés, hogy mit jelent a kicsi... A három kivezetést én ugy értelmezem, hogy a középső féltápfeszen van (vagy a középnullán), a az 555 ahhoz képest kapcsolja a + ill - tápot.
(#) kocsgab002 válasza Medve hozzászólására (») Máj 9, 2010 /
 
Szia.
Hát ekkorka, amekkora a képen látszik.
Találtam egy vfd óra kapcsolási rajzot egy kínai oldalon, abból vágtam ki a másik képet, ott így oldották meg a szinteltolást..bár itt dc fűtés van..
Vajon lehet ezt haszálni 555-nél is?
(#) Medve válasza kocsgab002 hozzászólására (») Máj 9, 2010 /
 
Nekem ez már kicsi. Amúgy passz, ki kell próbálni DC-vel, nem egy nagy dolog, ha zavar a fényerőkülönbség, akkor menj tovább.
(#) _JANI_ válasza kocsgab002 hozzászólására (») Máj 9, 2010 /
 
(#) zombee válasza kocsgab002 hozzászólására (») Máj 9, 2010 /
 
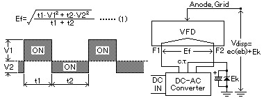
Hello, szerintem mehet DC-vel is, ez kicsi kijelző és kb. 2-3V kell a fűtéshez.
kb. 12V-os anódfesznél már látható lesz a fénye is, bár én minimum 18V-ot ajánlanék.

A DC miatt esetlegesen fellépő fényerőkülönbség kiegyenlítéséhez én a egyes digitek égési idejét szoktam megváltoztatni a multiplexálásnál:
a 0V-os oldalon rövidebb, a 2V-os oldalon hosszabb égési idő, a köztes digiteknél lineáris átmenettel.
De lehet hogy erre nem lesz szükséged mert nem veszed észre a különbséget.
(#) kocsgab002 válasza zombee hozzászólására (») Máj 9, 2010 /
 
szia.
3V-al megküldtem a fűtést, de meg sem nyikkan. Bár igaz rácsfeszültséget és anódfeszültséget nem kapcsoltam rá..
a két rács-kivezetés között 65 Ohm-ot mérek...
nem kellene kicsit izzania?
(#) pbalazs válasza kocsgab002 hozzászólására (») Máj 9, 2010 /
 
Ha jó a katód, akkor kicsit izzania kell bizonyos fesz fölött. Én úgy szoktam beállítani a fűtőfeszt, hogy sötétben éppen ne izzon a katód.
Tegyél rá egy tápot, és lassan emeld a feszt. Anód és rácsfesz nélkül is izzania kell.
(#) ketyere81 hozzászólása Máj 26, 2010 /
 
sziasztok. Van egy futaba bg-894gk kijelzőm desajnos hosszas keresgélés után sem találtam meg az adatlapját. Kérlek segitsetek ha v. kinek megvan légyszi tegye már föl vagy küldje a ****@*****.** címre előre is köszönöm.
(#) Moderátor hozzászólása ketyere81 hozzászólására (») Máj 28, 2010
 
A fórum azért fórum, és nem levelező-lista, hogy ne privátban kérjük a segítséget!
Ráadásul - ha csak nem vagy mazochista - soha ne írd ki nyilvánosan az e-mail címed, mert a spam kereső robotok ezeket keresik, és csak azt veszed észre, hogy a postafiókodat elárasztja a kis kék bogyót, meg más, hasonlóan "fontos" dolgokat reklámozó levél...
(#) rockersrac válasza (») Máj 28, 2010 /
 
Hóhér modinak igaza van telljesen! Ez fórum, nem pedig privát megbeszélés oldal!
(#) ketyere81 válasza rockersrac hozzászólására (») Jún 7, 2010 /
 
igazatok van belátom. Csak azért irtam ki mert szükségem lenne az adatlapra. Tudjátok biztosan ti is mijen idegesítő ha már hónapok óta keresel valamit de nem találod.
(#) ketyere81 hozzászólása Jún 7, 2010 /
 
egyébként nagyon hasonlit a vidi erölködökben használatosakhoz de mégsem ugyan az.
Ez egy technics deckből lett kitermelve és lehethogy egy egyedi gyártmány a technics számára.
(#) Csibi hozzászólása Aug 2, 2010 / 1
 
Ma a kezembe kerűlt egy VFD, amilyet eddig még nem láttam. A mérete, élőben elképesztő.
A Futaba cég gyártja 320*16 pixeles.
Nem álltam meg, hogy ne készitsek róla néhány képet .

Bővebben: Adatlap
(#) vicsys válasza Csibi hozzászólására (») Aug 2, 2010 /
 
5.5A@5V
Minden esetre gyönyörű! :yes:
(#) Csibi válasza vicsys hozzászólására (») Aug 2, 2010 /
 
Szeret enni a "kicsike"

Egy pár kép a hátuljáról.
(#) rockersrac válasza Csibi hozzászólására (») Aug 2, 2010 /
 
Erre már csak annyit tudok mondani, hogy brutális, és beteg!
(#) zenetom válasza vicsys hozzászólására (») Aug 2, 2010 /
 

Mondjuk valamit valamiért...
(#) boz6_gad válasza Csibi hozzászólására (») Aug 2, 2010 /
 
Gratula Csibi ez igazan kafa cucc
(#) _ampervadasz_ válasza Csibi hozzászólására (») Aug 2, 2010 /
 
Szia Csibi.

Van egy FUTABA M202LD01BA 2X22 karakteres kijelzőm RS 485 porttal, de nincsen hozzá adatlapom.

Viszont egy oldalt találtam róla ahol vehető, de mivel nem vagyok perfekt angol, így nem tudok kérni egy adatlapot róla.

Esetleg tudsz ebben az adatlap keresésében segíteni?

Köszönöm előre a segítséget.
(#) _ampervadasz_ válasza (Felhasználó 15355) hozzászólására (») Aug 2, 2010 /
 
Simpi te egy isten vagy!

Mondjuk az AA BA között nem tudom mi lehet különbség, de azért azt látni, hogy fizikai kialakításban már eltér, viszont ugyan azt a protokollt használja, így már kitudok valamiből indulni.

Konkrétan >>itt<< lehet megvenni a kijelzőt, de adatlapot nem közöl.
(#) sooty válasza _ampervadasz_ hozzászólására (») Aug 2, 2010 /
 
Talán ez:

EIA-485 ?

Pin Function
1 +12V
2 Data A
3 Data B
4 Pwr Rtn

Bővebben: Link

Aki szóra bírta, az inkább épített hozzá külön vezérlőt...(a Youtube szerint)
(#) _ampervadasz_ válasza sooty hozzászólására (») Aug 2, 2010 /
 
Köszi a konverter kapcsolási rajzát.

Nem tudom egyenlőre megépítem a konvertert hozzá, aztán megpróbálom elárasztani némi információval, ha sikerül örülök, ha nem akkor tovább nyomozok.

A D6 az egy szupresszor dióda?

Konverterre egyébként is szükségem van.
(#) _ampervadasz_ válasza sooty hozzászólására (») Aug 2, 2010 /
 
A kapcsolás egy kicsit hibádzik.
(#) Csibi válasza _ampervadasz_ hozzászólására (») Aug 2, 2010 /
 
Látom megoldódott

Simpi: Nem tudom, egy autóbuszból lett ideiglenesen kiszerelve. Szerintem nem lehet egy olcsó darab.
(#) _ampervadasz_ válasza Csibi hozzászólására (») Aug 2, 2010 /
 
Részben igen, de az az egy betűnyi eltérés okot ad arra, hogy üzenjek a forgalmazójának.

Ugyan is azt látni, hogy az AA típus 4X20 karakteres, és 8bites vezérlésű fénykép alapján, és semmilyen RS485 buszt nem tartalmaz, de az adatlapjában meg ott van az rs485 és 8bites busz meg nincsen, szóval van egy kis keveredés, és nem egyezés.

Minden esetre kíváncsi leszek lesz a hozadéka a dolognak.

Hogy hogy csak ideiglenesen lett kiszerelve?
Akkor ez most nem a tiéd? Nagy kár, szerintem lett volna rá vevő!
(#) Csibi válasza _ampervadasz_ hozzászólására (») Aug 2, 2010 /
 
Sajna nem, vissza kell szerelni.
Amugy sem adtam volna el
Az AA - BA stb. a betű tipusokra vonatkoznak, itt irja az oldal alján.
Amugy hol láttad, hogy RS485-on kommunikál?
Én csak sima TTL, RS232 és USB változatot láttam az oldalon.
(#) sooty válasza _ampervadasz_ hozzászólására (») Aug 2, 2010 /
 
Hát már az Oroszokban se lehet bízni? :gun: :violent:
Úgy tűnik kétirányú supressor dióda.
Nem tudom jó-e ez a kapcsolás, a youtubon van egy videó, egy lengyel srác csinált ehhez a kijelzőhöz illesztést az lcd smartie programhoz.
Következő: »»   13 / 52
Bejelentkezés

Belépés

Hirdetés
XDT.hu
Az oldalon sütiket használunk a helyes működéshez. Bővebb információt az adatvédelmi szabályzatban olvashatsz. Megértettem