Fórum témák
» Több friss téma |
Fórum » 7 szegmenses Led kijelző, BC/DC kapcsolóval, hogyan?
Témaindító: bosch1980, idő: Ápr 6, 2007
Témakörök:
Sziasztok!
![]() Nem mondom, hogy teljesen új vagyok ezen az oldalon, de elég kezdő az biztos. Segítségeteket szeretném kérni azzal kapcsolatban, hogy a múlt évben a Burabun vettem 2 db 7 szegmenses zöld LED-es számkijelzőt, namármost, hogyan tudnék ebből és egy BC/DC kapcsolóból + egy HCF4511BE és egy 35A6D1M = CD4510BE , szóval ezekből egy olyan áramkört építeni. Hogy a kapcsolón lévő számok megjelenjenek a kijelzőn!? Szóval ne nézzetek hülyének, ezeket az alkatrészeket a Lomexben ajánlották, kivéve persze a kijelzőt! Tudna nekem valaki segíteni! Megköszönném! Sok-sok jó fej ember van itt a fórumban, bízok bennetek! Segítségeteket előre is Köszi!! Kellemes Húsvéti Ünnepeket Minden Fórumolvasónak!
Szia, ÜDV az oldalon!
]A keresőm most nagyon kegyes volt, s ezt dobta ki nekem elsőre : http://www.doctronics.co.uk/4511.htm.Ez egy bináris fel-le számlálló, ami a 4510 "bock input" bemenetére érkező jelet számolja meg, és az eredmény, bináris formában az "output A, B, C, D," kimenetére kötött 4511-es BCD deróder és ledmeghalytó jelenít meg. Ahhoz, h. a számláló csak "DECIMÁLIS" - tizes számrendszerű számszámokkal számoljon az alap "HEXADECIMÁLIS" - 16-os számrendszer helyett, az kell, h. számláló "load inputs A, B, C, D," bemenetére vissza kell vezetni a kimenet megfelelő pontját - pontjait. STB... DE a te esetedben ide kellene kötni a kódkapcsoló megfelelő pontjait. Ez a kapcsolás egy nagyol jó kiindulási alap! DE! Szerintem 4510 el is hagyható a kapcsolásból, ha csak a kódkapcsolót akarod használni, mert csak az indulási értéket tutdod vele beállítani! A továbbiakban ellenőkizned kell, h. a kódkapcsoló nulla állásában a kontaktpontok zártak vagy bontottak. Tételezzük fel, h. zárnak. Ekkor a kódkapcsoló közös pontját GND-re kell kötni és az azonos csatipontokat a 4511 es IC azonos bemeneteire, valamint az "inputs" bemetetei és a +UT közé egy-egy felhúzó ellenállás kell!. Ekkor a kódkapcsolónak "0" kell mutatni. Tovább forgatva a kódkapcsolőt, a rajra megjelenő értéket kell, h. mutassa... Ha a kódkapcsoló nulla állásában a kontakat pontok nyitottak, a közös pontját +UT -re, míg az ellenállásokat GND-re kell "lehúzni". Közös anódos, vagy közös katódos a ledkijelződ? A 4511-es, közös katódos kijelző meghalytására alkalmas. Ekkor csak rá kell biggyeszteni a kijelzőt. Más esetekben még kell néhány tranyó... , de erre sok példa van az ADATLAPBAN. :nezze: Ja!!! A 4511 csak decimális aza 0-9 -ig tud megjeleniteni számlkat. A HEXADECIMÁLIS "A=10, B=11, C=12, D=13, E=14, F15"-töt nem jeleniti meg, ill valamit kiír, de az nem korrekt...
Köszi Jani és neked is Vicsys!
![]() A rajzod vicsys nagyon sokat segített, hogy megértsem miről is van szó! Elég vizuális tipus vagyok! Köszi mindkettőtöknek! Szóval nem tudom, hogy az én kapcsolóm dip kapcsoló-e vagy mi, de van rajta két kód (131AL S 2 valamint WG 106) A kimenetein pedig nem A, B, C és D van hanem 1 2 4 8 C ! Ezt nem igazán értem mit jelent?! Nem tudom melyiket hová kell kötni! Én eddig azt hittem ez egy BC/DC kapcsoló, de javítsatok ki ha rosszul tudttam! Jani kérdezte, hogy milyen kijelzőm van! Csatolom a kijelzőről a rajzot. Persze a lábai nem ilyen kuszán jönnek, hanem szépen egyforma távolságban! Csak siettem a rajzolással! Jani belinkelt oldalát sajnos nem tudom megnyitni! De a lényeg az, hogy én is jobban megvizsgálom a dolgokat itt a neten, most már igazából tudom hogyan kell elindulni! De azért ha van egy kis időtök megköszöm a további segítségeteket! Köszönöm az eddigi gyors válaszokat! Kelemes Ünnepeket!
A kódkapcsoló kimeneteit ezekszerint nem betűkkel jelölik hanem számmal
. Igy egy kicsit módosul a bekötés, mégpedig: A = 1, B = 2, C = 4, D = 8, és a C lesz a közöspont. Ahogy (#76646) vicsys át /+/ rajzolta, úgy a vezérlés jó lesz. :yes: A kijelzővel viszont lesz egy kis gond! Mert, közvetlen a közös anódos kijelzőt a 4511 nem halyta meg. (Anód - pozitív; Katód - negatín és a led világít.) Tehát az IC kimeneti jelét meg kell fordítani azaz negálni vagy invertálni kell. Erre a tranzisztorok nagyon jók, főleg az áruk miatt, de elég terjedelmesek. Vagy nagyon jók és főleg kicsik az DIP tokba itegrált tranyósorok. PL: ULN2003, ULN2024. Ez pont 7 aktív elemet tartalmaz Az ULN(-t, és még sok alkatrész) adatlapját megtalálod a http://www.hobbielektronika.hu/katalogus/-ban. Ha mégsem lenne (ami kizárt) a neten is fellelhető... Nézd át :awink: az adatlapokat. Kicsit utánna gondolva, hamar meglátod :heureka: a lényeget. Pesze ha kérdésed van, tedd fel nyugodtan!
Sztem egyszerűbb lenne, ha LS247-et használna.
Sziasztok!
Jani! Köszi a válszod! Már füstöl az agyam... Kezdem kapizsgálni a dologkat. De a lényeg: úgy döntöttem, hogy az ünnepek után veszek egy közös katódos kijelzőt! Nem fogok bajlódni az invertálás-sal! ![]() Sebi! Ha nem kell lecserélnem a jó kis kijelzőmet (szép zöld szegmensei vannak ) akkor kiváncsi lennék az LS247-es megoldásodra is! Pill... ............szünet.......... Fiúk!! No megnéztem az www.alldatasheet.com -on a Sebi féle megoldást (LS247), nagyon elegáns! Pofon egyszerű! Persze van pár dolog amit nem értek, de tényleg jó! Király! Nézzétek meg ti is! Sebi! Ehhez akkor nem kell invertálnom? Jó a közös anódos kijelző is? A bökkenő csak az, ha ezt a megoldást választom akkor is kell vennem új alkatrészt! Ilyen az élet! Ez hobbielektronika oldal szuper! Sok a segítség! Köszi neketek!
Sőt, csak a közös anódos jó hozzá! Open kollektoros kimenetei vannak, úgyhogy csal "lefelé" tud húzni. Egyébként a közös anódost használják gyakrabban, ez még a TTL áramkörökből maradt ránk, mivel ott a talaj felé kb.háromszor akkora áramot tudtunk folyatni. (sink current).
Talán 50-60Ft-tal olcsóbb ha IC-t váltasz, mint kijelzőt.
A _LS247 vezérlése szinte teljesen megeggyezik a 4511-gyel. Csak a 4511 közös katódos, míg a _LS247 közös anódos LED-kijelzők meghalytására alkalmas. TEHÁT az 54LS247, vagy a 74LS247-nél semmit nem kell közéépíteni, "csak" a szegnemsek áramkorlározó ellenállásait.
Holtart a te elgondolásod?
Sziasztok Srácok!
![]() Bocs a késői válaszért! De most már itt vagyok! Köszönöm a válaszokat! Szóval voltam a Lomexban és azt mondta a srác a kapcsolómra, hogy kódkapcsoló. De szerintem nem ért hozzá. Inkább leírom: szóval ez egy olyan kapcsoló (hol volt, hol nem volt ) aminek van 5 db kimenete 1,2,4,8,C a C kivételével az összes kimenet elé diódák vannak beépítve. Van benne egy henger aminek az oldalán számok vannak 0-tól 9-ig ezt egy kis ablakon mutatja. A hengert két irányba lehet mozgatni két kis pillanat kapcsolóval ezzel változnak a számok. Rá van írva, hogy SMC 131AL S 2 meg, hogy WG 106. Sajnos képet nem tudok csatolni, mert le van merülve a gépem, most töltöm.A Lomexben vettem egy közös katódos piros kijelzőt, meg vettem egy db 74LS247-et (ezt a másik kijelzőhöz) Mind a kettő fajta megoldást meg akarom építeni. Majd meglátjuk mi lesz belőle! Hogy jön össze! ![]() A kérdésem csak annyi lenne, hogy ezzel a kapcsolóval amiről fent írok. Meg lehet építeni a kapcsolást? Mert ez nem dip kapcsoló arra már rájöttem. De úgyan úgy 5 db kimenete van, mint a dip kapcslónak. Szóval itt tart az elgondolásom, mrg hogy lassan el kéne kezdeni építgetni, mert már kezdem hülyén érezni magam, hogy mennyire körülményes vagyok. Sok mindent most már sokkal jobban értek mint mielőtt megkérdeztelek benneteket! Köszi! De azért még vannak ködös foltok talán ezért nem kezdtem bele az építésbe, ez a legnehezebb feladat, amit meg kell oldanom az elektronikában eddig.No sziasztok! Remélem jól telt az ünnep Mindannyiatoknak! u.i.: Kicsit még módosítok a hozzászólásomon, mert végigolvastam az eddigi válaszokat! Szóval azért írtam erről a kapcsolóról, mert elolvastam azt a hozzászólást amit Jani belinkelt a kódkapcsolóról amit itt van: http://www.hobbielektronika.hu/forum/topic_hsz_76701.html#76701 De ez a kapcsló egy kicsit más! Szóval nem tudom. Olyan amilyen a fent leírtakban van! Szerintetek mi ez? Jó lesz ez? Legyetek jók ha tudtok a többi nem számít!
Egyszerűen méregesd meg dióda állásban egy műszerrel a C (Common,közös) ponthoz képest az 1,2,4,8 pontokat. A diódák beépítése arra utal(hat), hogy (esetleg) dekádkapcsoló rejlik benne, de diódákkal van átkódolva BCD-be (1,2,4,8). Az, hogy nem peremkerekes, hanem nyomógomb léptetésű, az nem számít. Az viszont igen, hogy a diódák milyen irányban vannak, mert ettől függ az áramköri kialakítás. (Ha csak 4 dióda van a kimenetekkel sorosan,az is lehet, hogy valamilyen multiplex-beolvasású rendszerbe való és ezért tették bele, ez esetben el is hagyhatóak)
Szia Sebi!!
)Köszi a választ! ![]() Megmértem úgy ahogy mondtad! Arra jöttem rá, hogy ez a közös pont a C a pozitív és a diódák pozitiv oldala vagy anódja a kapcsolóhoz közelebbi részen van a katódja meg a kimenet. Amikor méregettem tovább, arra lettem figyelmes, hogy a közös ponthoz a C-hez rakatam a pozitív mérőcsúcsot (diódavizsgálatnál) és a negatívval mértem az 1,2,4,8-akat és ha kapcsolón 1-es volt beállítva akkor csak az 1-es kimeneten tudtam mérni, a 2-es kimeneten akkor tudtam mérni ha a kapcsoló 2-esre volt beállítva, így tovább a négy-el és a nyolc-al is. De érdekes, ha a kapcsolót 3-as állítottam be akkor tudtam mérni a 1-es és 2-es lábon is! No most megnézem mondjuk a 7-et meg a 9-et! Pill.... A 7-es számnál tudok mérni az 1,2,4-es lábakon. A 9-es számnál tudok mérni a 8-as és 1-es lábon. Egyértelmű! Szerintem ez egy BCD kapcsoló, úgy ahogy azt az öreg rádióamatőr barátom mondta De neked mi a véleményed a fenti mérésekről? Szóval lehet használni az áramkörömben dip kapcsoló helyett?Hmmm? Feltöltöttem az akut! Csatolom a képeket a kapcsolóról!
Na most: a logikai nulla legyen a C és a számozott láb közötti 0v(vagyis nem tudsz feszt mérni) a logikai 1 pedig az 1v-vagy annál nagyobb fesz..
ha megnézed akkor ha az 1-es re állítod akkor csak az 1.-őn tudsz mérni.. ha 2-es a 2.-on. ha 3-ra akkor az 1. és a 2. -on mérhetsz ha táblázatba foglalod a logikai kimenetekkel együtt akkor valami ilyet kapsz: kapcs állás | 8-es láb | 4-es láb | 2-as láb | 1-es láb | --------------------------------------------------------------------- 1 | 0 0 0 1 2 | 0 0 1 0 3 | 0 0 1 1 4 | 0 1 0 0 5 | 0 1 0 1 6 | 0 1 1 0 7 | 0 1 1 1 8 | 1 0 0 0 9 | 1 0 0 1 0 | 0 0 0 0 kapcsoló állásának számát kihagyva láthatóak a BINÁRIS kódja a számoknak ezt a bináris kimenetet kódolja át a 74LS247 a 7szegmenses kijelzőnek(a, b ,c, d, e, f, g, .) a táblázat majd akkor lesz érdekes, amikor PIC -el akarod megoldani a dolgot. akkor majd ezeket a kimeneteket kell majd adni a megfelelő számhoz.(Fontos hogy ezek LOGIKAI értékek, tehát ha máshol vág a 74LS247 akkor már nem lesz jó az 1 volt) ezek alapján már rájöhetsz, hogy ez egy BCD kapcsoló.
további "érdekesség", hogy a logikai 1 -et képviselő lábak számát összeadod akkor az eredeti decimális számot kapod
Sziasztok!
![]() Köszönöm az elmés válaszokat Nektek! Megépítettem a csatolt képen lévő kapcsolást, 4511-es IC-vel és egy piros közös katódós kijelzővel. Mielőtt felélesztem gondoltam megnézem a fórumhozászólásokat. Tökre izgulok, hogy fog-e működni! ![]() Ha nem műxik írok, ha igen akkor is! Szurkoljatok!
Persze én a dip kacsoló helyett a BCD kapcsolót használtam!
Szerintem nem fog működni! Na mindjárt írok!
Nem működik!
(Tiszta hülyeségeket mutat a kijelzőn! Szerintetek kéne működnie ennek a kapcsolásnak!? A csatolt fálj! Csak nem dip kapcsolóval, hanem BCD kapcsolóval! És úgy van bekötve, ahogy megbeszéltük! Mi a véleményetek? Miért nem működik? Segítsetek Srácok! Szar a kudarcélmény! Pedig ma ezzel dolgoztam egész nap! Életem legbonyolultabb kapcsolása! De nem működik!
Mik a hülyeségek amit mutogat? Abból kell kiindulni.
LT (lamp test, szegmensellenőrzés) bemenettel megnézhetnéd, hogy minden szegmens be van-e kötve. Aztán, a kijelző szegmenskiosztása jó-e? BCD kapcsoló 1=A,2=B,3=C,4=D-re megy?
Szia Sebi!
![]() Köszi a hipergyors választ! ![]() Hát végül is csak két hülyeséget ír ki! Csatoltam egy videót és abban láthatod mit csinál! Elég zavaró ![]() Mindent végignéztem úgy ahogy mondtál! Semmi hibát nem találtam! A lamptest bemeneten 5,53 volt-ot mértem a földhöz képest! A tápfeszültség 6 volt. Igazából nem tudom mit kellett volna ezzel a lamptest bemenettel csinálni! Majd írd meg ha lesz időd!Jó éjszakát neked Sebi és persze mindenki másnak is! ![]() u.i.: Még próbálkozom átforrasztás, meg ilyesmi... u.i.2: Van valakinek valami ötlete!?
Itt tartok! De mindjárt lefekszem! Mondjuk ezt nem lehet itt hagyni!
úgy láttam senki nem említette meg, csak a teljesség miatt... az 1 2 4 8 jelentését a kettes számrendszerben kell keresni, konkrétan első helyiérték 2 a nulladikon 1... 2 a másodikon 2.... gondolom mindenki tudja és érti, de mégis úgy éreztem ide kell rondítsak...
Üdv és jó építgetést...
most, hogy láttam a vidiót... anyum óráját ilyen kijelzőkből építettem... nagyon ötletes, hogy pirosra van festve, így a multiplexelés okozta "áthallást" elnyomja elég rendesen....
Egyetlen bajom, hogy lomi bontotta valahonan őket szentem, mert egyik másiknak más a "piros" színe.... de jó és olcsó kijelzők...
Szia!
Én nem igazán értem ezt a kettes számrendszer dolgot amit leírtál! Szívesen olvasnám, hogy miért használnak kettes számrendszert ebben a kapcsolóban! ![]() Persze BCD kapcsoló! Bináris kódokból decimálisat csinál! De hogy hogyan azt nem tudom! Ez a kapcsoló elmés kis szerkezet! Még átrágom magam ezen a fórumon, hogy jobban megértsem a működését! Végül is majdnem megépítettem, tudom kell hogy műkdik! Köszi az építési jókívánságokat! Neked is jó építgetést! ![]()
Ok!
Ez a Very fiú nagyon jól leírta ezt a kapcsolót! Köszi Very! Na most már tényleg megyek aludni!
S, uganez kicsit résztesebben. Valamint az _LS247 kapcsolásával is ki lett egészítve...
Ezen a második videón az látszik, hogy az "e" szegmensed nem működik. Ha az LT bemenet aktiválásával sem világít, akkor a kimenet nél kell a hibát keresni ( forrasztás - soros ellenállás - kijelzőláb)
Ha az LT bemenetet használni akarod, akkor nem direktben, hanem egy 10k-s ellenállással kösd a táp +ra. Így, ha egy darab dróttal a -ra érinted, akkor 8-ast kell látnod.
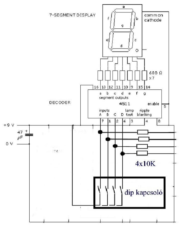
Egy kis vizuális segitség->
... Azaz ha jó a kijelző és a dekódoló IC, az összes szegmens világítani fog a bemeneti bináris értéktől függetlenül...
|
Bejelentkezés
Hirdetés |





korrekt...


.
gondolva, hamar meglátod :heureka: a lényeget.
Ilyen az élet!












