Fórum témák
» Több friss téma |
Fórum » TDA1558Q
Témaindító: Vassjozsef01, idő: Ápr 2, 2008
Témakörök:
Üdv!
Nekem is így rémlett, de nem voltam biztos benne. Köszi!
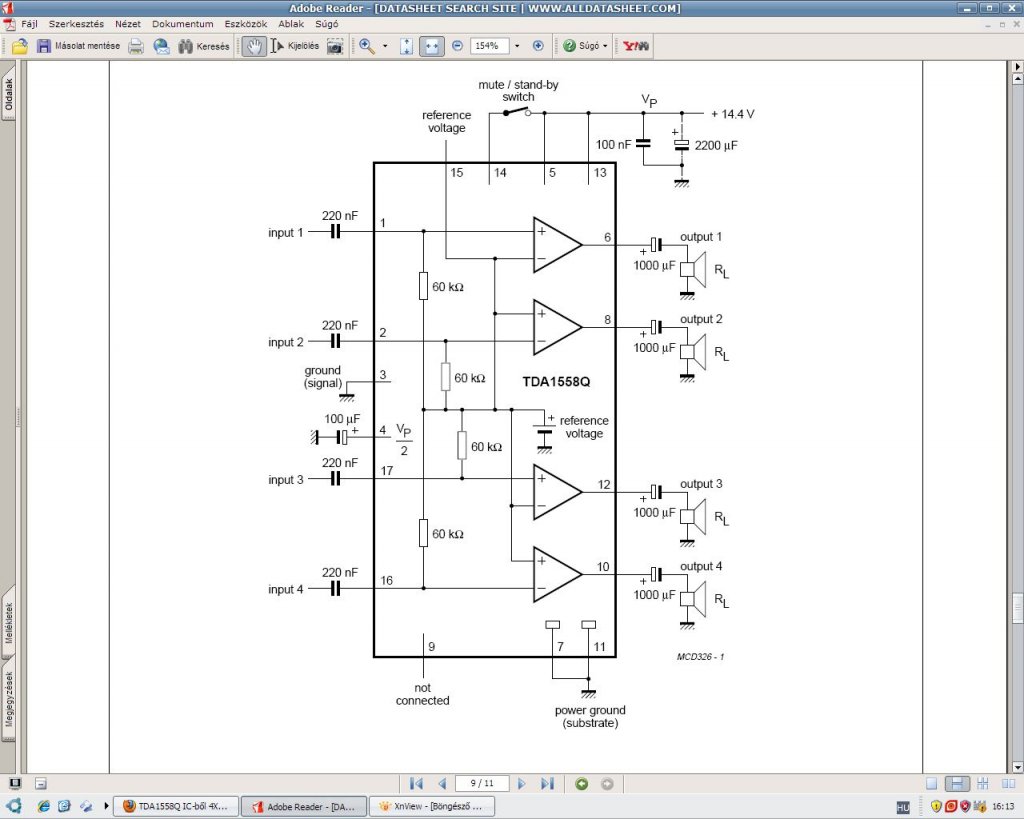
A gyári ajánlás szerint nem kell bekötni a 15 -ös lábat. Nyilván akkor van szerepe ha még valamivel kiegészül az áramkör és szükség van referencia feszültségre pl.: a tápkörnél. Azért nem vágnám le azt a lábat ,csak nem forrasztanám sehova. Az adatlapi rajzokon látszik ,hogy "sima" erősítőként használva nem kötik be a 15 -ös lábat.
Igen köszönöm de inkább levágtam mert amit mellékeltem ezelőtt pdf fájlt az 1554q-hoz van és ott az nincs bekötve sehova nem tudom nézted-e azt a fájlt na mind1.
Én meg csak csodálkozok ezen a vackon. Tegnap összedobtam a cuccot (és mellesleg PHILIPS az ic) járattam kb. fél-1 órát 2 kis LG hangfallal(8cm 1 hangszórós 20W) Aztán kikapcsoltam és este pedig bekapcsoltam nagy pukkanás :eek2: Stanby-t kinyomtam gyorsan aztán vissza meg teljes áramtalanítás, de gondoltam ezis TDA ugye bekapcsolásnál pukkan egyet mint a másik amim van(8560q) csak az a baj, hogy semmit nem mértem meg első bekapcsoláskor. De a lényeg az, hogy (szépen) elfüstöltette a kis hangfalat de csak az egyik felét gondoltam rövidre záródott a vég része. Ma reggel mértem azt a kimenetet és a tápfesz rajta volt egyazegyben aztán előkaptam egy kis gagyi hangszórót és vagy 10szer ki-be kapcsoltam és "jó lett" de van a kimeneten 100-150mV a másik felén meg 40mV és egyenfesz. TDA val igazából nemszoktam sokat bajlódni élesztés... mert ha jóltudom tapasztalom ezek nemolyan nyűgösek (STK pl.) Ha valaki tudna mondani valami okosat vagy akármit azt megköszönném.
Megépítettem a titi féle erősítőt kétcsatornás módban, de az egyik kimenete teljesen süket. A másik szépen szól. Mitől lehet?
Közben találtam egy zárlatot a panelen, megszüntettem, most viszont az a fele csak akkor szól, ha a számítógépen maximumra teszem a hangerőt, de akkor is csak nagyon halkan. Lehet, hogy az IC felének vége?
Hali!
A 2*22W csak 4 ohm-on 10%-os torzítás mellett jön ki belőle. 8ohm-on kb. a fele.
Például ha az 5.1-es verziót szeretném megcsinálni és csinálnék egy 4 csatornás és egy hidalt változatot, a tápláláshoz elég lenne egy számítógép táp?
Elég lehet ha legalább 140W -ot tud (még valamivel kevesebb is elég) a 12V-os része. A 2 ic-t az bőven elbirná ,de arra figyelj ,hogy egy számítógépes táp össz teljesítménye magában foglalja az 5 V -os részeket. Ne csak a teljesítményt figyeld hanem azt is ,hogy ebből menyi jut a 12 V -os résznek.
Bőven elég oda 80-100W is. 4*11+2*22 az ugye 88W, mindezt pedig 10%-os torzítás mellett, amit nem hiszem, hogy kifog belőle hajtani.
Csaba! Nézd meg a tápodon, hogy a 12V-os ágra hány ampert ír, azt szorozd meg a 12V-al és megkapod hány wattot bír a 12V-on.
Értem. Köszi a választ. Szóval akkor ha a táp 12v-os részére jut kb. 12-15A az elég, mivel ez adja a 140 W feletti teljesítmény értéket. De az ic adatlapján akkor mit jelent a max. 4A ? Nem volna esetleg elég egy 10 A mondjuk a 12V-os részre?
Ja OK kaptam már választ amíg az előbbi kérdést feltettem.
Használd a válasz gombot, ha valakinek válaszolsz.
Még csak egy dolog, lehet h hülyeség és esetleg más topikban szerepel, de a százalékban megadott torzítást mire kell érteni? Van egyál talán értelme hogy foglalkozzak 5.1-es ügyben ezzel? Van egy noname, régi 5.1-esem ami tönkrement, csupán ezt azt tudnék belőle hasznosítani, a hangszórók tökéletesek lennének, s ha valamit a kapcsolás segítségével ki tudnék hozni addig sem porosodna egy helyen haszontalanul. Más ötletem nincs nagyon vele.
Azért azt mondom nem árt 60W per ic. Jobb tutira menni ,vannak veszteséget és ez az ic nagyobb impulzusoknál igencsak megbírja rángatni a tápot. Már nem egyet építettem.Használtam kisebb teljesítményű tápról is (kb 30W) arról is elment természetesen nem is bírta ha teljesen ki akartam vezérelni. Nézd meg a linket ,hogy aki kittként árulja mekkora tápot ajánl hozzá. Nem okoskodni akartam.Bővebben: Link
Szerintem most ne menjünk itt bele a torzítással kapcsolatos okfejtésekbe.
Legyen elég annyi, hogy 10%-os torzítás olyan nagy, hogy azt inkább nem szeretnéd hallani. 1% bőven elég... De a lényeg, hogy egy szobába szerintem bőven elég ez az erősítő, biztos nem fogod ilyen mértékű torzításig kihajtani... ...akkor már a szomszédok biztos szólnának.
ok, majd ha nekiállok figyelek rá, köszi. Esetleg tippet, tanácsot, eligazítást kaphatnék a (#780288)-ban leírtakhoz?
Szóval akkor érdemes foglalkoznom vele?
A témától lehet h kicsit elüt, de volna egy kérdésem. Az autómban van egy Philips rádiós-kazos lejátszó, 4x25W-os, a hangszórók hozza 8ohm, 25W-osak. A múltkorjában ki akartam cserélni az egyik első hangszórót, mert a membrán felszakadt, kéznél csak egy 4ohm-os, 45W-os hangszóró volt, amikor beszereltem ment kb. fél percet, amikor fennebb próbáltam húzni elkussolt, majd visszatettem a régit és az sem szólalt már meg. Miért van ez? Vagy mi történt?
OK, akkor amint egy kis időm lesz nekivágok.
Köszi a bátorítást!
A hifi kategóriához a torzításnak 1% alatt kell maradni. A mély hangoknál kevésbé veszed észre a torzítást mint a többi frekvenciában. Ez az ic a elég jó minőségű ebben a kategóriában. A 10% torzítás csak a teljesen kihajtott ic re jellemző ,pár W -al lejjebb a kimenőteljesítményt nézve már csak 0,5% a torzítás. Az utólsó 1-2W -nál növekedik rohamosan ez az érték. Ebből az íc -ből "élvezhető" minőségű és "hangos" erősítő építhető. Egy szobában bőven elég.
Arra nem árt odafigyelni, az erősítőknél, hogy hány ohm-al terhelhetőek. Ha pl. 4-el, arra köthetsz nagyobbat (8), de kisebbet nem (2)!
Esetedben, ha 8 ohm van megadva a rádión, akkor arra nem köthetsz 4 ohm-ot. Különben túlterheled a végfokot és kijön belőle a füst. Füst nélkül pedig nem megy...
Értem és köszi. Többé tuti, h nem fordul ez a hiba elő.
Hoppá! Titi válaszáról (amivel egyetértek) jutott eszembe ,hogy a 1558q nem hidalt fokozatai 2 Ohm on adják le a legjobb teljesítményt ,még a hidalt fokozatok 4Ohm -on. Ezt vedd számításba.
OK, akkor majd ha kész lesz az 5.1 akkor majd max. a 88W-ból 80W-ot vagy ay alatt hajtok ki. Talán ennyi mellett a szomszédok még nem hajtanak ki az utcából vagy esetleg én őket!!!
Bocsánat! Az előző oldalon Titi már figyelmeztetett erre! Csak azt nem olvastam.
Az 5.1-es hangszórói 4ohm-osak, számolok vele, h. kisebb teljesítményt szorítok ki mint 88W, de így is remélem több lesz és jobb lesz, mint amire most képes, a NAGY NULLÁRA.
|
Bejelentkezés
Hirdetés |







egyazegyben aztán előkaptam egy kis gagyi hangszórót és vagy 10szer ki-be kapcsoltam és "jó lett" de van a kimeneten 100-150mV a másik felén meg 40mV és egyenfesz. TDA val igazából nemszoktam sokat bajlódni élesztés... mert ha jóltudom tapasztalom ezek nemolyan nyűgösek (STK pl.) Ha valaki tudna mondani valami okosat vagy akármit azt megköszönném.





