Fórum témák
» Több friss téma |
Üdv.
Neked már van megépített verziód?! :eek2: Neked milyen tapasztalataid vannak a pontosság, a stabilitás és az áram figyelő funkciók terén? Sajnos a 3. verzió rajzát még én se találtam meg, pedig a PWM miatt nagyon érdekelne. :no:
Működik, de vannak hátrányai, mint az áram mérést, és fesz. mérést rendkívül nehéz beállítani. Ha sikerül is valahogy a szoftverben beállítani, akkor sem biztos, hogy mindig jól működik. Lehet én csesztem el valamit, de 2-szer ugyanazt elkövetni? Ha bevált lenne, nem kellett volna 3-as verziót készíteni, nem?
Arra gondolsz, hogy élesztés után nehéz hitelesen beállítani a feszültség és áramerősség értékeket?
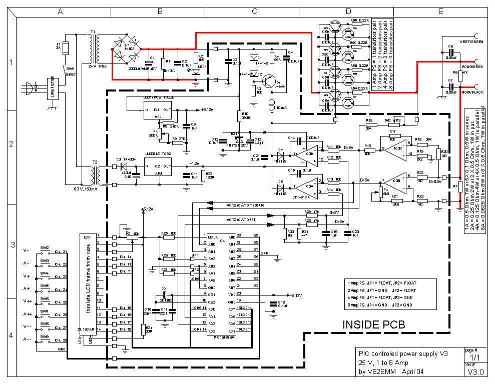
A 3. verzióban elvileg a DAC pontosabb lett a PWM kiegészítő használata miatt. A feszültség mérés hitelesítése végett betehetett utólag a két osztó ellenálláshoz egy potit, és az áram érzékelő ellenállásról érkező jelet is műveleti erősítővel és potis fesz osztóval egészíteném ki a hitelesítés végett.
Elektromos tapasztalata alapján a nyákot kiegészítettem egy potival, ami segít hitelesíteni a feszültségmérést.
Én úgy látom várok az elkészítéssel mert még kikel forrnia magát a dolognak
Gondolom még lesz egy két változtatás és már a nyákot megcsináltam de inkább megcsinálom a tökéletest
Most már és is azt mondom várj még egy kicsit. Hátha még kapunk néhány hasznos ötletet és tanácsot. Már töröm a fejem a műv. erősítős - potis fesz. osztós áramerősség hitelesítésen is, de lehet, hogy csak a hétvégén lesz kész, mert kevés az időm.
Várok inkább mert akkor sok legyártott nyákom lessz
Az alkatrészeket már megrendeltem de még tuti kellesz hozzá azt majd utána pótolom
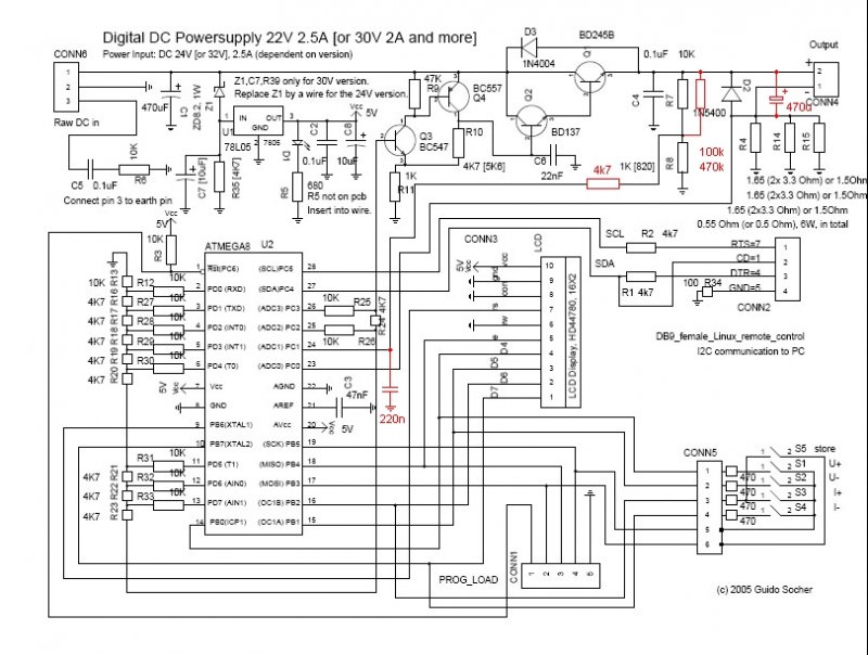
az elektroda.pl forumon tettek fel egy módosítást
Köszi a linket :worship: .
Ahogy sejtettem, a fesz. merő kört módosították egy pót ellenállás beiktatásával, plusz a kimenet vezérlését és a mért feszültséget is kondenzátorral próbálták stabilabbá tenni.
Szívesen! A nagyobb áram felé kellene menni, pl: 4-5 amper, mely már bőven elegendő lenne.
Szia!
Nem egyszerűbb az élet egy 12 bites SPI felületű D/A val MCP4821 belső referenciával @ 650 Ft vagy 2 csatornás (az áram határértékének állításához is) MCP4822 @ 850 Ft... A bizonytalanság egyik oka, hogy az R - 2R létra csak pontos ellenállásokkal működik jól. Ha a program 1-2 bittel változtatja meg a D/A-ra küldött értéket, a 4k7 - 10k -s megoldásban jóval nagyobb hibát visz be, mint amit ki szeretne kompenzálni. A másik, a nagyon kicsi változtatások belengetik a rendszert. A programban egy jó nagy időállandót kellene magvalósítani. A Nyomtatásra is figyelni kellene. A mérő vezetékeken nem szabad átfolyni a terhelő áramnak, csillag pontokat kell kialakítani. A feszültségben már 6.1 mV egy bit eltérést okoz 25V mérésénél.
Szia.
Ahogy fentebb írtam, én még nem értek az AVR programozásához, így nem tudom átírni a programot arra, hogy nagyobb áramokat kezeljen.
Üdv.
Ebben a projektben hiányzó AVR tudás miatt egyenlőre csak az eredeti programot tudjuk használni. (Az én PIC tervembe lehet, hogy a te ötleted alapján beépítem majd az MCP4821 vagy az MCP4725 DAC-ot.) Köszi a csillagpont ötletét. (Már megint) átszabom a nyákot.
Elektromos
Egy kéréssel fordulnék hozzád, mivel neked már van megépített mintapéldányod. Tudom, hogy problémás a kütyü hitelesítése, viszont kíváncsi lennék a kimenet stabilitására állandó feszültségen terhelésváltozásnál és feszültség változtatás esetén. Meg tudnád esetleg nézni valahol szkóppal?
Pont most akartam kérdezni hogy ezt a nyákot készíthetem e
De akkor gondolom már beleszerkeszted a rajzmódosítást is
Szia.
Még ne készíts nyákot. Meg akarom oldani az áramerősség hitelesítés lehetőségét is, ahogy fentebb céloztam rá. Bővebben: Link
OK Várok még
De ezek az alkatrészek elegendőek lesznek vagy kell még valami más is? Mert ha kell még más is akkor légyszi írd már le mik kellenek még.
Egy műveleti erősítő kelleni fog, és lehet, hogy a kimeneti áram érzékelő ellenállás is ki lesz cserélve, de amíg nem tesztelem le, nem tudok semmit se mondani.
Egy ideje már bennem is érlelődik egy ilyesmi táp összedobása, de eddig a lustaság mindig erősebb volt.
Én is szóvá akartam tenni,de látom, hogy Hp41C már megelőzött: a 10 bites ellenálláslétrás megoldás pontatlan akkor is, ha hiper-szuper pontos ellenállásokat használtok, mert a kontroller kimeneti feszültségei ingadoznak. Nekem is a D/A jutott eszembe, esetleg a digipotméter, de lehet, hogy az tényleg lassú. A D/A szerintem a legjobb megoldás, a kérdés, hogy az AVR A/D-ja milyen gyors a D/A-hoz képest. A fejlesztő is rájött a táp gyengéjére, ezért alkalmazhatott a 3. verzióban PWR-t, de szerintem az nem lesz jobb, mint a 10-12 bites D/A IC. Ha valakinek van ideje, és ért hozzá, igazán átírhatná a forrást úgy, hogy az MCP48xx IC-kkel menjen. Továbbá a kérdésem az lenne, hogy vajon egy ilyen digitális szabályzású rendszer mennyivel lassabban szabályozza a kimenetet, mint egy normál analóg.
Szia!
Ekkora ellenállás értékek mellett a kontroller kimeneti ellenállása (20-100 ohm) már nem játszik szerepet. De csodálkozom a tervezésnél megadott ellenállás értékeken. Még az is jobb, ha a 10k helyett 2 db 4k7 ellenállást tervezett volna bele, a hiba akkor sokkal kisebb lenne. Egyébként használtam már 8 biteshez 0,2% -os ellenállásokat (26db-ot) nagyon jó eredménnyel. A 12 bithez bizony (50db) 1/4096 azaz 0.025 % pontos ellenállás kellene, ami csak integrált kivitelben megy. Azt sem értem igazán, hogy a nagy helyiértéken elkövetett pontatlanságot az alsó 4 bit PWM megoldásával hogyan lehet kompenzálni. A felső bitek hibája miatt a karakterisztika nem lesz monoton, visszalépések, nagy ugrások lesznek benne.
Nem biztos, hogy csak a kimeneteken lévő terhelés befolyásolja a kimenetek feszültségét, találkoztam már olyan kontrollerrel, hogy az egyik lábán terhelés nélkül 4,95 V mérhető, míg a másikon csak 4,8V. Lehet, hogy a beforrasztáskor kapott túlhő miatt, és lehet, hogy egyedi eset volt, de ennél az IC-nél nagyobbacska szórással adta ki az "1" szintet.
Azon a 4,7k/10k létrán egy kicsit én is megakadtam. A PWM-mel csak bonyolódik a szabályzás, ráadásul nehéz tökéletesen kivenni azt az impulzust a kimenetből. Egy dolgon gondolkodtam még: jó az nekünk, hogy a teljes szabályzást az AVR végzi? Programhiba esetén ki is nyírhatja a rárakott cuccot. Nem lenne jobb, ha csak kijelzést és referenciafeszültség-előállítást bíznánk a kontrollerre, talán még a túláram-viszzaszabályozást is, a többi szabályzást pedig csinálja műv.erősítő. Ha befagy a kontroller, max. nem tudunk feszültséget állítani.
Én is erősen gondolkodom egy digitális, PIC-es vezérlésű (nem szabályozású!) labortápon. Sokat egyenlőre nem szeretnék róla elárulni (főleg mivel még csak megálmodási fázisban van), de az biztos hogy a szabályozást két OPA fogja végezni, a PIC csak az alapjeleket állítja majd elő, mintha a PIC tekergetné a potikat.
Kíváncsian követem a topikot most már, hátha jó ötletek merülnek fel. :yes:
Sziasztok.
Hp41C, teljesen igazad van. Az ellenállás létra csak akkor lenne használható pontosságú, ha mindegyik ellenállás potival kalibrálva lenne, de az kb. 30 ellenállás és 20 poti (20 x 268 = 5360 Ft) lenne, ami rengetegbe kerül. 1 %-os ellenállások esetén csak a 10. bit változtatásakor +/-0,24V eltérés fordulhatna elő. Minden egyes bit megváltoztatása egy hullámot indítana el, ami újabb hiba hullámokat generálna, és ha még a terhelés is gyakran változna... Igazatok van: az eredeti kapcsolás egyáltalán nem felel meg a céljára. :no:
Ahogy tudok, rendelek DAC-ot, és ha van valami tapasztalatom, akkor majd írok.
Szia!
Nekem eszembe sem jutott létrát használni. Ott van a PIC belső, 10 bites PWM modulja. Az miért nem jó/elég?
Szia.
Először az Irkaxka által kérdezett rajzot akartuk feléleszteni, de hiába. Ahogy mondod, már találtam egy rajzot kiindulási alapnak.
Megkeresem a linket, ha érdekel
Helyesbítek: a link már nem él, de letöltöttem, amit lehetett. Ha kéritek feltöltöm, ami megvan. Kb 6 Mbájt.
Szia!
A potikat ki kell hagyni, megbízhatatlan, pontatlan... Csak a probléma van velük. Ilyen körülmények közé új kontrollert használjunk fel, a forrasztási sokk is elkerülhető foglalattal... Gondos tervezés (huzalozás, értékek, a kontroller földelése, stb. ) mellett megy a 8 - 10 bit - pontos ellenállásokkal. A 12 bit már nem megy... Az ellenállások árából kijön a D/A a mai árakon. Hiába van 10-12 bites mérés, ha a beavatkozásnál nagyobb a pontatlanság, akkor az egész rendszer pontatlan, insabil... A szabályzás ideje: A kontroller átalakítási idejének többszöröse (az átlagolási szám szorosa), ez kb. 10 - 500 uS. Ha a kimenet is PWM, akkor még annak a sűrési ideje is hozzáadódik. Ez utóbbit (túláram érzékelésekor) egy tiltó kimenet felhasználásával ki lehet küszöbölni. Idézet: „Hiába van 10-12 bites mérés, ha a beavatkozásnál nagyobb a pontatlanság, akkor az egész rendszer pontatlan, insabil...” Ez sajnos így igaz. Többek közt ezért is nem szabad a mikrovezérlőre a szabályozást rábízni. Én a tegnap sityu39 által feltöltött rajzhoz hasonlóan, műveleti erősítőkre bíznám a szabályozást. A PIC 'csak' egy 4096 állású potméterként fog működni. |
Bejelentkezés
Hirdetés |




Gondolom még lesz egy két változtatás és már a nyákot megcsináltam de inkább megcsinálom a tökéletest







